Analysis of Asymmetric Hybrid Modular Multilevel Topology for Medium-Voltage Front-End Converter Applications
Abstract
1. Introduction
2. Proposed Model Configuration
3. Hybrid Modulation Strategy
3.1. Three-Phase Converter Modulation
3.2. Modulation Range
3.3. Cascaded Converter Module Modulation
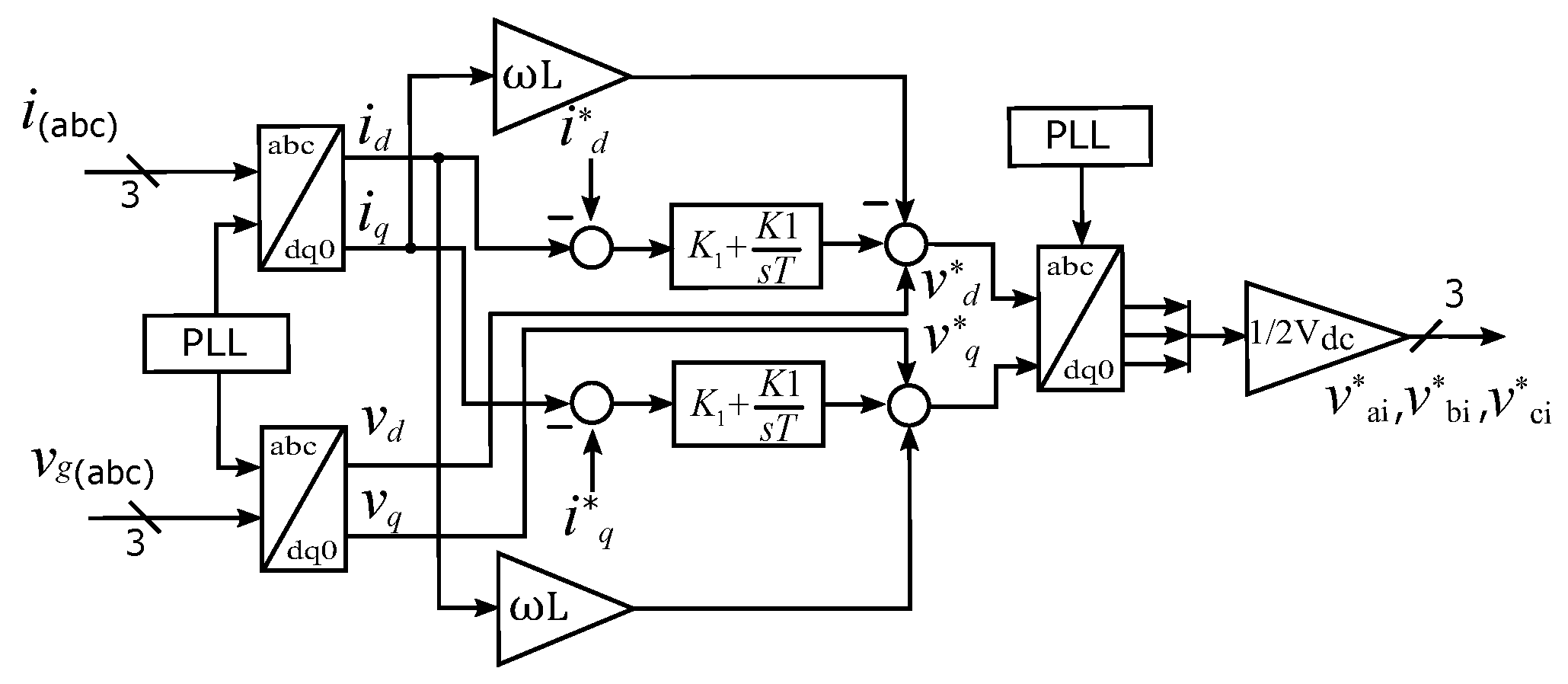
4. Control Scheme
4.1. Decoupled Current Control Loop
4.2. Decoupled Voltage Control Loop
4.2.1. Average Voltage Control
4.2.2. Inter-Module Power Balancing
4.2.3. Individual Capacitor Voltage Balancing
5. Simulation Results
6. Experimental Results
7. Conclusions
Author Contributions
Funding
Conflicts of Interest
References
- Singh, B.; Singh, B.N.; Chandra, A.; Al-Haddad, K.; Pandey, A.; Kothari, D.P. A review of single-phase improved power quality AC-DC converters. IEEE Trans. Ind. Electron. 2003, 50, 962–981. [Google Scholar] [CrossRef]
- Khazraei, M.; Sepahvand, H.; Corzine, K.A.; Ferdowsi, M. Active Capacitor Voltage Balancing in Single-Phase Flying-Capacitor Multilevel Power Converters. IEEE Trans. Ind. Electron. 2012, 59, 769–778. [Google Scholar] [CrossRef]
- He, L.; Cheng, C. A Flying-Capacitor-Clamped Five-Level Inverter Based on Bridge Modular Switched-Capacitor Topology. IEEE Trans. Ind. Electron. 2016, 63, 7814–7822. [Google Scholar] [CrossRef]
- Lee, J.; Kwak, R.; Lee, K. Novel Discontinuous PWM Method for a Single-Phase Three-Level Neutral Point Clamped Inverter with Efficiency Improvement and Harmonic Reduction. IEEE Trans. Power Electron. 2018, 33, 9253–9266. [Google Scholar] [CrossRef]
- Dekka, A.; Fuentes, R.L.; Narimani, M.; Wu, B. Voltage Balancing of a Modular Neutral-Point-Clamped Converter with a Carrier-Based Modulation Scheme. IEEE Trans. Power Electron. 2018, 33, 8208–8212. [Google Scholar] [CrossRef]
- Sepahvand, H.; Liao, J.; Ferdowsi, M.; Corzine, K.A. Capacitor Voltage Regulation in Single-DC-Source Cascaded H-Bridge Multilevel Converters Using Phase-Shift Modulation. IEEE Trans. Ind. Electron. 2013, 60, 3619–3626. [Google Scholar] [CrossRef]
- Zhang, Y.; Wu, X.; Yuan, X. A Simplified Branch and Bound Approach for Model Predictive Control of Multilevel Cascaded H-Bridge STATCOM. IEEE Trans. Ind. Electron. 2017, 64, 7634–7644. [Google Scholar] [CrossRef]
- Ali, M.; Khan, M.M.; Yi, Z.; Yang, Y.J.; Tang, H. 7-Level asymmetrical hybrid cascaded multilevel converter topology for traction system. In Proceedings of the 2017 International Conference on Electrical Engineering (ICEE); 2017; pp. 1–6. [Google Scholar] [CrossRef]
- Veenstra, M.; Rufer, A. Control of a hybrid asymmetric multilevel inverter for competitive medium-voltage industrial drives. IEEE Trans. Ind. Appl. 2005, 41, 655–664. [Google Scholar] [CrossRef]
- Konstantinou, G.S.; Pulikanti, S.R.; Agelidis, V.G. Harmonic elimination control of a five-level DC-AC cascaded H-bridge hybrid inverter. In Proceedings of the 2nd International Symposium on Power Electronics for Distributed Generation Systems, Hefei, China, 16–18 June 2010; pp. 352–357. [Google Scholar] [CrossRef]
- Pulikanti, S.R.; Konstantinou, G.S.; Agelidis, V.G. Generalisation of flying capacitor-based active-neutralpoint- clamped multilevel converter using voltage-level modulation. IET Power Electron. 2012, 5, 456–466. [Google Scholar] [CrossRef]
- Jung, J.; Cui, S.; Lee, J.; Sul, S. A New Topology of Multilevel VSC Converter for a Hybrid HVDC Transmission System. IEEE Trans. Power Electron. 2017, 32, 4199–4209. [Google Scholar] [CrossRef]
- Pulikanti, S.R.; Agelidis, V.G. Hybrid Flying-Capacitor-Based Active-Neutral-Point-Clamped Five-Level Converter Operated with SHE-PWM. IEEE Trans. Ind. Electron. 2011, 58, 4643–4653. [Google Scholar] [CrossRef]
- Karwatzki, D.; Mertens, A. Generalized Control Approach for a Class of Modular Multilevel Converter Topologies. IEEE Trans. Power Electron. 2018, 33, 2888–2900. [Google Scholar] [CrossRef]
- Li, P.; Adam, G.P.; Holliday, D.; Williams, B. Controlled Transition Full-Bridge Hybrid Multilevel Converter with Chain-Links of Full-Bridge Cells. IEEE Trans. Power Electron. 2017, 32, 23–38. [Google Scholar] [CrossRef]
- Perez, M.A.; Bernet, S.; Rodriguez, J.; Kouro, S.; Lizana, R. Circuit Topologies, Modeling, Control Schemes, and Applications of Modular Multilevel Converters. IEEE Trans. Power Electron. 2015, 30, 4–17. [Google Scholar] [CrossRef]
- Kolb, J.; Kammerer, F.; Gommeringer, M.; Braun, M. Cascaded Control System of the Modular Multilevel Converter for Feeding Variable-Speed Drives. IEEE Trans. Power Electron. 2015, 30, 349–357. [Google Scholar] [CrossRef]
- Saeedifard, M.; Iravani, R. Dynamic Performance of a Modular Multilevel Back-to-Back HVDC System. IEEE Trans. Power Deliv. 2010, 25, 2903–2912. [Google Scholar] [CrossRef]
- Flourentzou, N.; Agelidis, V.G.; Demetriades, G.D. VSC-Based HVDC Power Transmission Systems: An Overview. IEEE Trans. Power Electron. 2009, 24, 592–602. [Google Scholar] [CrossRef]
- Hagiwara, M.; Nishimura, K.; Akagi, H. A Medium-Voltage Motor Drive with a Modular Multilevel PWM Inverter. IEEE Trans. Power Electron. 2010, 25, 1786–1799. [Google Scholar] [CrossRef]
- Korn, A.J.; Winkelnkemper, M.; Steimer, P. Low output frequency operation of the Modular Multi-Level Converter. In Proceedings of the 2010 IEEE Energy Conversion Congress and Exposition, Atlanta, GA, USA, 12–16 September 2010; pp. 3993–3997. [Google Scholar] [CrossRef]
- Wiechmann, E.P.; Burgos, R.P.; Holtz, J. Active front-end converter for medium-voltage current-source drives using sequential-sampling synchronous space-vector modulation. IEEE Trans. Ind. Electron. 2003, 50, 1275–1289. [Google Scholar] [CrossRef]
- Song, Z.; Tian, Y.; Chen, W.; Zou, Z.; Chen, Z. Predictive Duty Cycle Control of Three-Phase Active-Front-End Rectifiers. IEEE Trans. Power Electron. 2016, 31, 698–710. [Google Scholar] [CrossRef]
- Prakash, P.S.; Kalpana, R.; Singh, B.; Bhuvaneswari, G. Power Quality Improvement in Utility Interactive Based AC–DC Converter Using Harmonic Current Injection Technique. IEEE Trans. Ind. Appl. 2018, 54, 5355–5366. [Google Scholar] [CrossRef]
- Malinowski, M.; Gopakumar, K.; Rodriguez, J.; Perez, M.A. A Survey on Cascaded Multilevel Inverters. IEEE Trans. Ind. Electron. 2010, 57, 2197–2206. [Google Scholar] [CrossRef]
- Dowruang, S.; Theeranan, J.; Bumrungsri, P.; Jeraputra, C. Optimal voltage vector sequences on model predictive control for a grid connected three-phase voltage source inverter. In Proceedings of the 2016 13th International Conference on Electrical Engineering/Electronics, Computer, Telecommunications and Information Technology (ECTI-CON), Chiang Mai, Thailand, 28 June–1 July 2016; pp. 1–5. [Google Scholar] [CrossRef]
- Odeh, C.I. Enhanced three-phase multilevel inverter configuration. IET Power Electron. 2013, 6, 1122–1131. [Google Scholar] [CrossRef]
- Chaturvedi, P.K.; Jain, S.; Agarwal, P. Reduced switching loss pulse width modulation technique for three-level diode clamped inverter. IET Power Electron. 2011, 4, 393–399. [Google Scholar] [CrossRef]
- Banaei, M.R.; Kazemi, F.M.; Oskuee, M.R.J. New mixture of hybrid stacked multicell with half-cascaded converter to increase voltage levels. IET Power Electron. 2013, 6, 1406–1414. [Google Scholar] [CrossRef]
- Sirisha, B.; Kumar, P.S. A simplified space vector PWM for cascaded H-Bridge inverter including over modulation operation. In Proceedings of the 2016 IEEE Annual India Conference (INDICON), Bangalore, India, 16–18 December 2016; pp. 1–6. [Google Scholar] [CrossRef]
- Mehrizi-Sani, A.; Filizadeh, S. An Optimized Space Vector Modulation Sequence for Improved Harmonic Performance. IEEE Trans. Ind. Electron. 2009, 56, 2894–2903. [Google Scholar] [CrossRef]
- López, .; Álvarez, J.; Freijedo, F.D.; Yepes, A.G.; Malvar, J.; Fernández-Comesaña, P.; Doval-Gandoy, J.; Nogueiras, A.; Lago, A.; Peñalver, C.M. Multilevel multiphase space vector PWM algorithm with switching state redundancy applied to three-phase four-leg converters. In Proceedings of the IECON 2010—36th Annual Conference on IEEE Industrial Electronics Society, Glendale, AZ, USA, 7–10 November 2010; pp. 568–575. [Google Scholar] [CrossRef]
- Jacob, B.; Baiju, M.R. Vector-Quantized Space-Vector-Based Spread Spectrum Modulation Scheme for Multilevel Inverters Using the Principle of Oversampling ADC. IEEE Trans. Ind. Electron. 2013, 60, 2969–2977. [Google Scholar] [CrossRef]
- Gu, L.; Jin, K. A Three-Phase Isolated Bidirectional AC/DC Converter and its Modified SVPWM Algorithm. IEEE Trans. Power Electron. 2015, 30, 5458–5468. [Google Scholar] [CrossRef]
- Das, S.; Narayanan, G. Novel Switching Sequences for a Space-Vector-Modulated Three-Level Inverter. IEEE Trans. Ind. Electron. 2012, 59, 1477–1487. [Google Scholar] [CrossRef]
- Flourentzou, N.; Agelidis, V.G. Harmonic performance of multiple sets of solutions of SHE-PWM for a 2-level VSC topology with fluctuating DC-link voltage. In Proceedings of the 2007 Australasian Universities Power Engineering Conference, Perth, WA, Australia, 9–12 December 2007; pp. 1–8. [Google Scholar] [CrossRef]
- Salinas, F.; Gonzalez, M.A.; Escalante, M.F. Voltage balancing scheme for flying capacitor multilevel converters. IET Power Electron. 2013, 6, 835–842. [Google Scholar] [CrossRef]
- Pulikanti, S.R.; Agelidis, V.G. Control of neutral point and flying capacitor voltages in five-level SHE-PWM controlled ANPC converter. In Proceedings of the 2009 4th IEEE Conference on Industrial Electronics and Applications, Xi’an, China, 25–27 May 2009; pp. 172–177. [Google Scholar] [CrossRef]
- Betz, R.E.; Summers, T.J. Using a cascaded H-bridge STATCOM for rebalancing unbalanced voltages. In Proceedings of the 2007 7th International Conference on Power Electronics, Daegu, Republic of Korea, 22–26 October 2007; pp. 1219–1224. [Google Scholar] [CrossRef]
- Akagi, H.; Inoue, S.; Yoshii, T. Control and Performance of a Transformerless Cascade PWM STATCOM with Star Configuration. IEEE Trans. Ind. Appl. 2007, 43, 1041–1049. [Google Scholar] [CrossRef]
- Hatano, N.; Ise, T. A configuration and control method of cascade H-bridge STATCOM. In Proceedings of the 2008 IEEE Power and Energy Society General Meeting—Conversion and Delivery of Electrical Energy in the 21st Century, Pittsburgh, PA, USA, 20–24 July 2008; pp. 1–8. [Google Scholar] [CrossRef]
- Kesler, M.; Kisacikoglu, M.C.; Tolbert, L.M. Vehicle-to-Grid Reactive Power Operation Using Plug-In Electric Vehicle Bidirectional Offboard Charger. IEEE Trans. Ind. Electron. 2014, 61, 6778–6784. [Google Scholar] [CrossRef]
- Debnath, S.; Qin, J.; Bahrani, B.; Saeedifard, M.; Barbosa, P. Operation, Control, and Applications of the Modular Multilevel Converter: A Review. IEEE Trans. Power Electron. 2015, 30, 37–53. [Google Scholar] [CrossRef]
- Khoun Jahan, H.; Eskandari, R.; Rahimi, T.; Shalchi Alishah, R.; Ding, L.; Bertilsson, K.; Sabahi, M.; Blaabjerg, F. A Limited Common-Mode Current Switched-Capacitor Multilevel Inverter Topology and Its Performance and Lifetime Evaluation in Grid-Connected Photovoltaic Applications. Energies 2021, 14, 1915. [Google Scholar] [CrossRef]
- Fahad, M.; Tariq, M.; Faizan, M.; Ali, A.; Sarwar, A.; Dehghani Tafti, H.; Ahmad, S.; Shah Noor Mohamed, A. A Dual Source Switched-Capacitor Multilevel Inverter with Reduced Device Count. Electronics 2022, 11, 67. [Google Scholar] [CrossRef]

























| Modes | Switching States | Capacitor | Capacitor | CCM V | ||
|---|---|---|---|---|---|---|
| Table (a) | when | |||||
| 1 | 1 | 1 | 1 | charge | charge | |
| 2 | 1 | 1 | 0 | discharge | bypass | |
| 3 | 0 | 1 | 0 | bypass | by pass | 0 |
| 4 | 1 | 0 | 0 | bypass | charge | |
| 5 | 0 | 0 | 0 | charge | charge | |
| Table (b) | when | |||||
| 1 | 1 | 1 | 1 | charge | charge | |
| 2 | 0 | 0 | 1 | bypass | discharge | |
| 3 | 1 | 0 | 1 | bypass | bypass | 0 |
| 4 | 0 | 1 | 1 | charge | bypass | |
| 5 | 0 | 0 | 0 | charge | charge | |
| Angle | |||
|---|---|---|---|
| 0 | E | E | |
| E | E+ | ||
| 0 | E | E | |
| E | E+ |
| Operating Condition | ||||
|---|---|---|---|---|
| is a lower capacitor | ||||
| 1 | 0 | 0 | 0 | |
| 0 | 0 | 1 | 0 | |
| is a lower capacitor | ||||
| 0 | 1 | 0 | 0 | |
| 0 | 0 | 0 | 1 | |
| Parameter | Symbol | Value |
|---|---|---|
| Inductance | L | mH |
| DC-link Capacitor | C | 20 mF |
| Cascaded Converter | PWM | kHz |
| Three-phase Converter | SW | 150 Hz |
| Capacitor Voltage | Vc | 110 |
| Grid Voltage (rms) | Vg | 110 V |
| Grid Current (rms) | I | 15 A |
| DC-bus Voltage | E | 300 V |
| Current THD | Power Rating | ||
|---|---|---|---|
| Simulation | 25% | 50% | 100% |
| 5.31 | 2.83 | 1.38 | |
| Experimental | 7.2 | 5.33 | 4.21 |
Disclaimer/Publisher’s Note: The statements, opinions and data contained in all publications are solely those of the individual author(s) and contributor(s) and not of MDPI and/or the editor(s). MDPI and/or the editor(s) disclaim responsibility for any injury to people or property resulting from any ideas, methods, instructions or products referred to in the content. |
© 2023 by the authors. Licensee MDPI, Basel, Switzerland. This article is an open access article distributed under the terms and conditions of the Creative Commons Attribution (CC BY) license (https://creativecommons.org/licenses/by/4.0/).
Share and Cite
Ali, M.; Farooq, A.; Khan, M.Q.; Khan, M.M.; Mihet-Popa, L. Analysis of Asymmetric Hybrid Modular Multilevel Topology for Medium-Voltage Front-End Converter Applications. Energies 2023, 16, 1572. https://doi.org/10.3390/en16041572
Ali M, Farooq A, Khan MQ, Khan MM, Mihet-Popa L. Analysis of Asymmetric Hybrid Modular Multilevel Topology for Medium-Voltage Front-End Converter Applications. Energies. 2023; 16(4):1572. https://doi.org/10.3390/en16041572
Chicago/Turabian StyleAli, Muhammad, Ajmal Farooq, Muhammad Qasim Khan, Muhammad Mansoor Khan, and Lucian Mihet-Popa. 2023. "Analysis of Asymmetric Hybrid Modular Multilevel Topology for Medium-Voltage Front-End Converter Applications" Energies 16, no. 4: 1572. https://doi.org/10.3390/en16041572
APA StyleAli, M., Farooq, A., Khan, M. Q., Khan, M. M., & Mihet-Popa, L. (2023). Analysis of Asymmetric Hybrid Modular Multilevel Topology for Medium-Voltage Front-End Converter Applications. Energies, 16(4), 1572. https://doi.org/10.3390/en16041572

