Implementation of EFC Charging Station by Multiport Converter with Integration of RES
Abstract
:1. Introduction
- Grid power, which is mostly produced by conventional power generation from coal, oil, gas, and fossil fuels, is frequently used to charge BEVs. The carbon output of BEVs is not lower when the features of charging power are taken into account as compared to a regular car that does not require charging;
- The local distribution grid is harmed by the increased electricity demand brought on by BEV charging, and issues with frequency management, harmonic mitigation, and voltage regulation could result;
- The presence of BEV hinders the management of demand response (DR). Additionally, EV batteries are vulnerable to issues with ageing, stability, and slower charging.
- (1)
- The accessibility of solar energy is greater and more widespread in urban areas for CS compared to hydro and wind;
- (2)
- Solar energy sources have more sophisticated technological capabilities than wind and hydropower systems when it comes to grid integration and DC conversion for BEV CS.
- (1)
- HESS integrated PV systems use an MPC and an advanced partial power processing DC-DC converter (DPPC). The suggested solution just needs to manage differential power since the MPC may control the most active power between PV, HESS, and AC grid. The recommended technique is efficient and cheaper. Current research focuses on both DC-DC and DC-AC stages in HESS integrated PV systems, unlike prior DPP (Differential Power Processing) design. Under nominal irradiance conditions, DPP (Differential Power Processing) converters’ power loss is minimal. However, it cannot always perform MPPT when the DC bus voltage is low; additionally, in some low-irradiance conditions, it is unable to charge the battery load. The parallel DPP design without a front-end converter employs lower-voltage PV modules, resulting in slightly higher power loss in the DPP converters under nominal irradiation conditions;
- (2)
- Modified control and modulation procedures are recommended for MPCs with DPPCs. Using a novel cooperative control strategy, flexible power flow is implemented between PV, HESS, and AC grid. The MPC is designed with a modified space vector pulse-width modulation (SVPWM) technique that takes into account both the PV and HESS voltage variations;
- (3)
- A quantitative analysis is performed on the MPC’s power controllability. The specifications for DPPC’s power rating can also be determined.
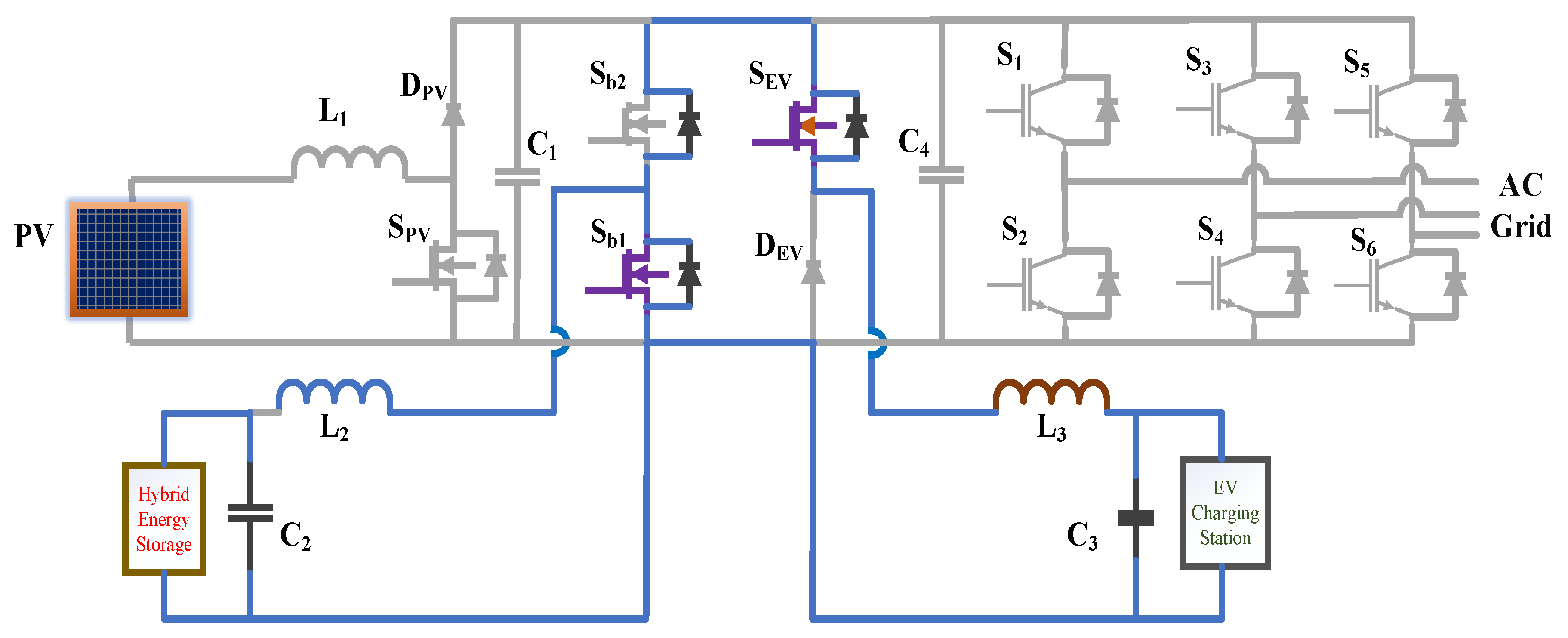
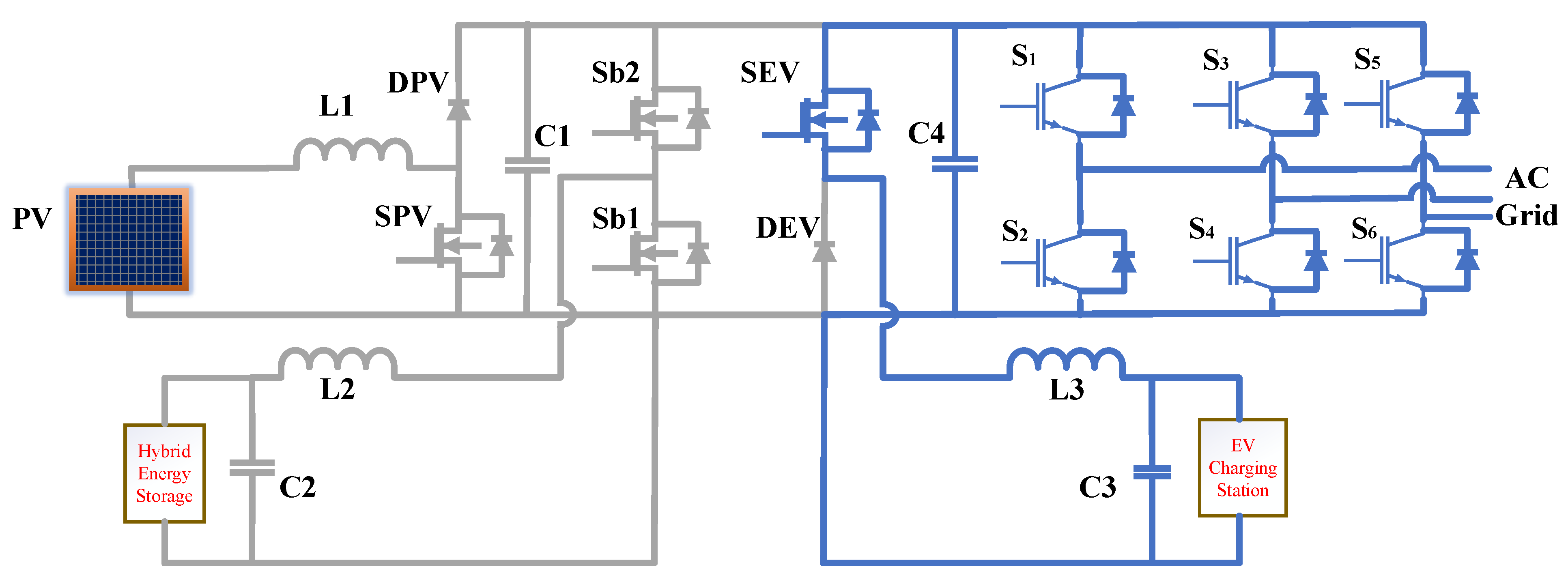
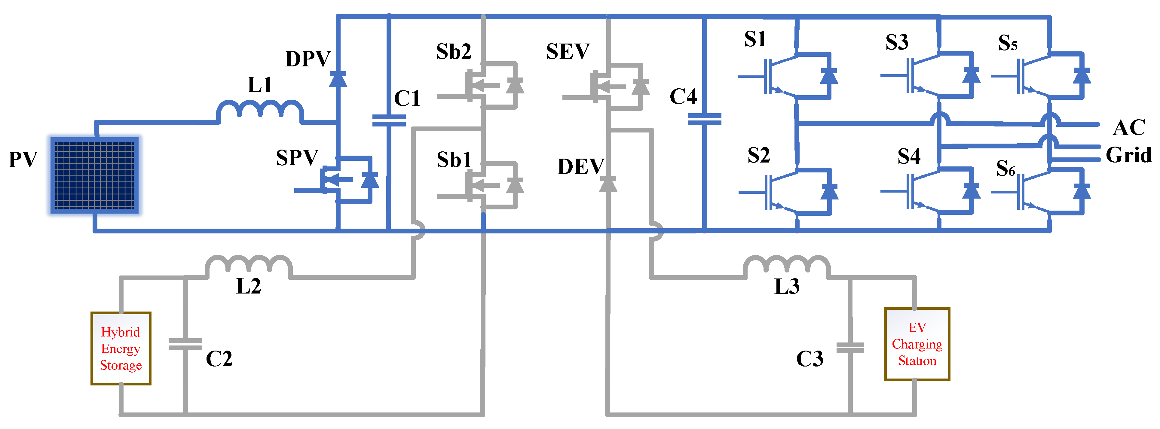
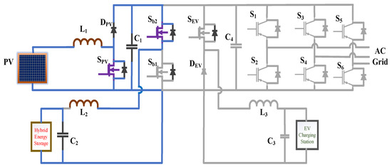
2. Modeling of EV Extra Fast Charging Stations
- Mode-I: PV to EV.
- Mode-II: PV to HES.
- Mode-III: HESS to EV.
- Mode-IV: Grid to EV.
- Mode-V: PV to Grid.
2.1. Mode-I: PV to EV
2.2. Mode 2: HESS to EV
2.3. Mode 3: PV to HESS
2.4. Mode 4: Grid to EV
2.5. Mode 5: PV to Grid
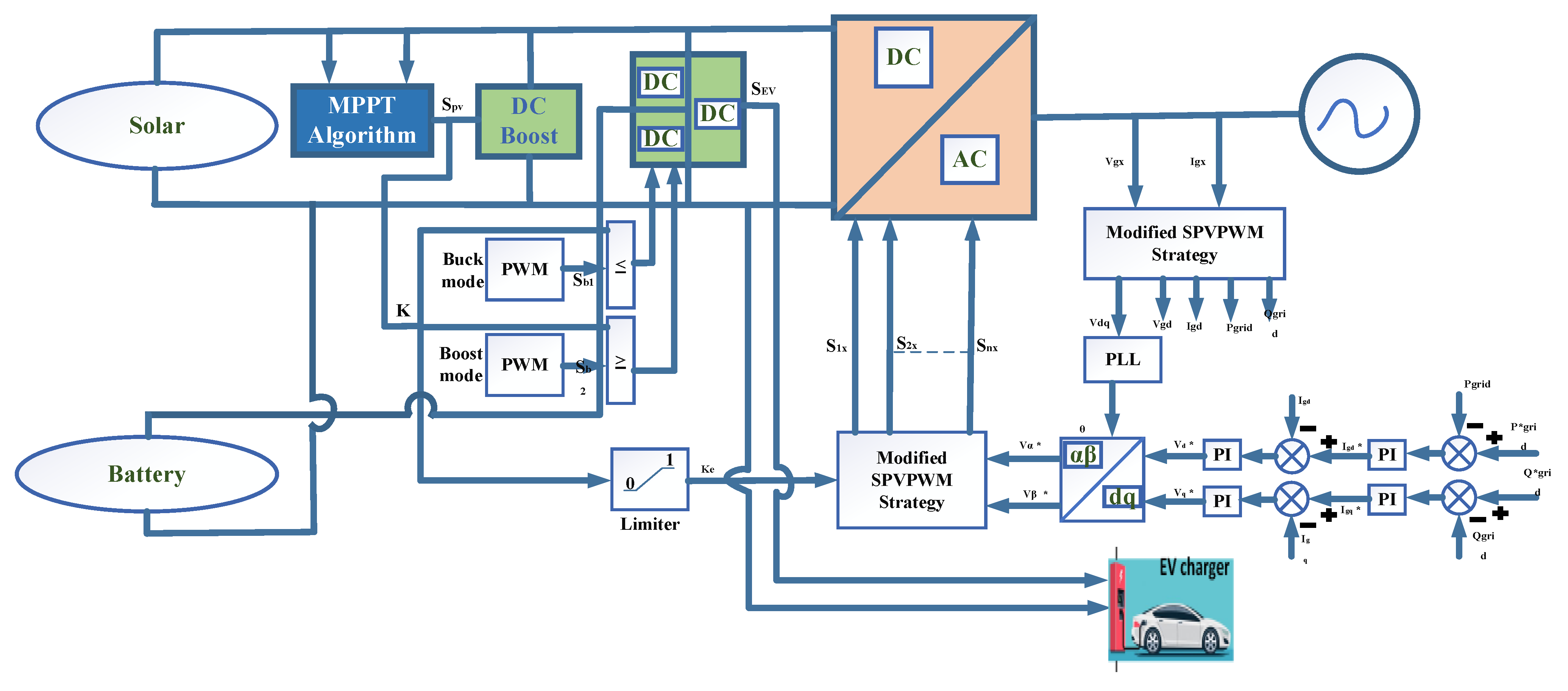
3. Control Techniques
3.1. PV Design
3.2. Multiport Converter Controller Schema
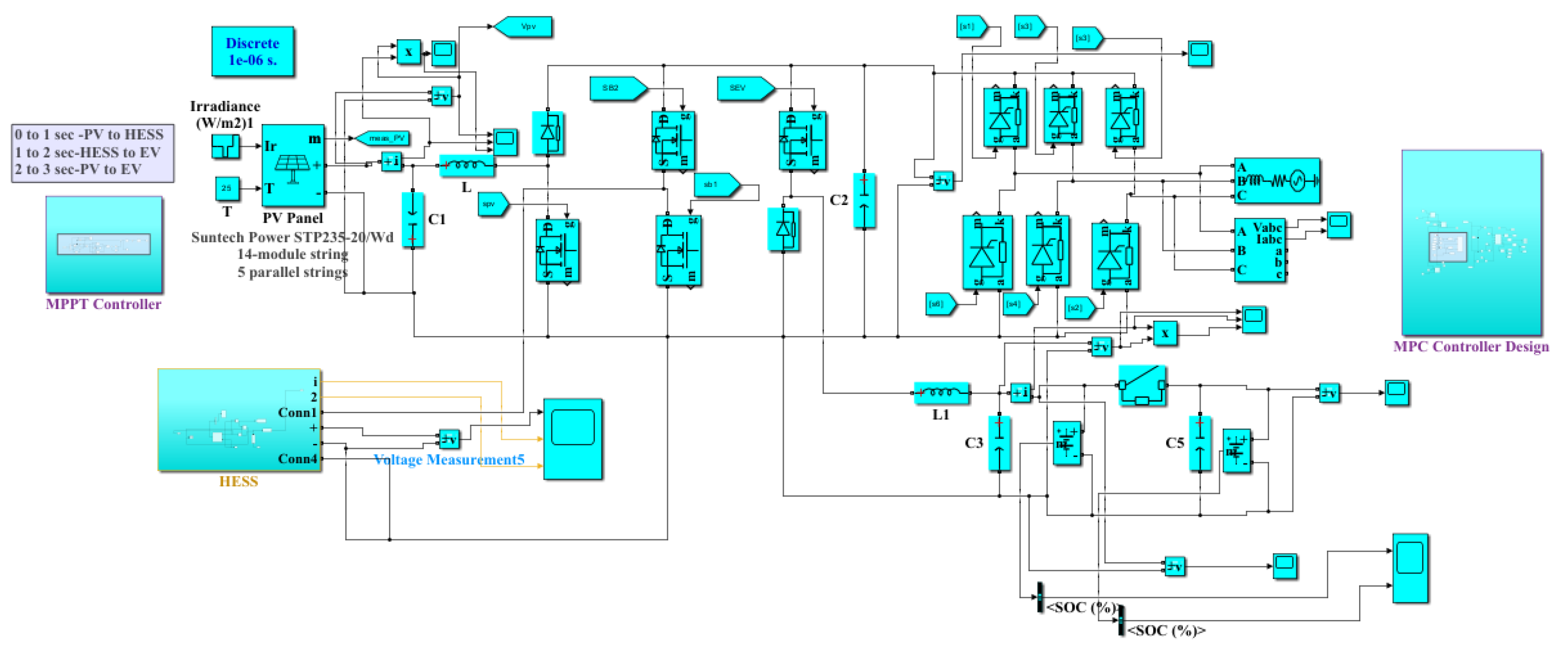
4. Simulation Results
5. Conclusions
Author Contributions
Funding
Data Availability Statement
Conflicts of Interest
References
- Rajendran, G.; Vaithilingam, C.A.; Misron, N.; Naidu, K.; Ahmed, R. A comprehensive review on system architecture and international standards for electric vehicle charging stations. J. Energy Storage 2021, 42, 103099. [Google Scholar] [CrossRef]
- Lee, J.-Y.; Kim, Y.-K.; Lee, C.-K.; Rhee, Y.-H. A study on the calculation of GHG emission for domestic railroad transport based on IPCC guideline. J. Korean Soc. Railw. 2012, 15, 408–412. [Google Scholar] [CrossRef]
- Sweeting, W.J.; Hutchinson, A.R.; Savage, S.D. Factors affecting electric vehicle energy consumption. Int. J. Sustain. Eng. 2011, 4, 192–201. [Google Scholar] [CrossRef]
- Jenn, A.; Laberteaux, K.; Clewlow, R. New mobility service users’ perceptions on electric vehicle adoption. Int. J. Sustain. Transp. 2018, 12, 526–540. [Google Scholar] [CrossRef]
- Bhatia, K.K.; Riddell, W.T. Identifying and modeling key trade-offs between hydrogen fuel cell and electric vehicles. Int. J. Sustain. Eng. 2016, 9, 215–222. [Google Scholar] [CrossRef]
- Li, L.; Wang, Z.; Gao, F.; Wang, S.; Deng, J. A family of compensation topologies for capacitive power transfer converters for wireless electric vehicle charger. Appl. Energy 2020, 260, 114156. [Google Scholar] [CrossRef]
- Akeyo, O.M.; Rallabandi, V.; Jewell, N.; Ionel, D.M. The Design and Analysis of Large Solar PV Farm Configurations with DC-Connected [21] Battery Systems. IEEE Trans. Ind. Appl. 2020, 56, 2903–2912. [Google Scholar] [CrossRef]
- Ronanki, D.; Kelkar, A.; Williamson, S.S. Extreme fast charging technology—Prospects to enhance sustainable electric transportation. Energies 2019, 12, 3721. [Google Scholar] [CrossRef]
- Rallabandi, V.; Lawhorn, D.; He, J.; Ionel, D.M. Current weakening control of coreless afpm motor drives for solar race cars with a three-port bi-directional dc/dc converter. In Proceedings of the 2017 IEEE 6th International Conference on Renewable Energy Research and Applications (ICRERA), San Diego, CA, USA, 5–8 November 2017; pp. 739–744. [Google Scholar]
- Liu, Y.; Tang, Y.; Shi, J.; Shi, X.; Deng, J.; Gong, K. Application of small-sized smes in an ev charging station with dc bus and pv system. IEEE Trans. Appl. Supercond. 2015, 25, 1–6. [Google Scholar] [CrossRef]
- Wang, J.; Sun, K.; Xue, C.; Liu, T.; Li, Y. Multi-Port DC-AC Converter with Differential Power Processing DC-DC Converter and Flexible Power Control for Battery ESS Integrated PV Systems. IEEE Trans. Ind. Electron. 2021, 69, 4879–4889. [Google Scholar] [CrossRef]
- Zhu, H.; Zhang, D.; Zhang, B.; Zhou, Z. A nonisolated three-port dc-dc converter and three-domain control method for pv-battery power systems. IEEE Trans. Ind. Electron. 2015, 62, 4937–4947. [Google Scholar] [CrossRef]
- Zhang, Y.; He, J.; Ionel, D.M. Modeling and control of a multiport converter based EV charging station with PV and battery. In Proceedings of the 2019 IEEE Transportation Electrification Conference and EXPO (ITEC), Detroit, MI, USA, 19 June 2019; IEEE: Piscataway, NJ, USA, 2019; pp. 1–5. [Google Scholar]
- Mahmood, H.; Michaelson, D.; Jiang, J. Strategies for Independent Deployment and Autonomous Control of PV and Battery Units in Islanded Microgrids. IEEE J. Emerg. Sel. Topics Power Electron. 2015, 3, 742–755. [Google Scholar] [CrossRef]
- Karimi, Y.; Oraee, H.; Guerrero, J.M. Decentralized Method for Load Sharing and Power Management in a Hybrid Single/Three-Phase-Islanded Microgrid Consisting of Hybrid Source PV/Battery Units. IEEE Trans. Power Electron. 2017, 32, 6135–6144. [Google Scholar] [CrossRef]
- Merabet, A.; Ahmed, K.T.; Ibrahim, H.; Beguenane, R.; Ghias, A.M.Y.M. Energy Management and Control System for Laboratory Scale Microgrid Based Wind-PV-Battery. IEEE Trans. Sustain. Energy 2017, 8, 145–154. [Google Scholar] [CrossRef]
- Yi, Z.; Dong, W.; Etemadi, A.H. A Unified Control and Power Management Scheme for PV-Battery-Based Hybrid Microgrids for Both Grid-Connected and Islanded Modes. IEEE Trans. Smart Grid 2018, 9, 5975–5985. [Google Scholar] [CrossRef]
- Narayanan, V.; Kewat, S. Real-Time Implementation of CLMS Algorithm in 3P4W Solar PV-BES-Based Microgrid System. IEEE Trans. Ind. Appl. 2021, 57, 795–804. [Google Scholar] [CrossRef]
- Devassy, S.; Singh, B. Performance Analysis of Solar PV Array and Battery Integrated Unified Power Quality Conditioner for Microgrid Systems. IEEE Trans. Ind. Electron. 2021, 68, 4027–4035. [Google Scholar] [CrossRef]
- Szymanski, J.R.; Zurek-Mortka, M.; Wojciechowski, D.; Poliakov, N. Unidirectional DC/DC converter with voltage inverter for fast charging of electric vehicle batteries. Energies 2020, 13, 4791. [Google Scholar] [CrossRef]
- Jha, M.; Blaabjerg, F.; Khan, M.A.; Bharath Kurukuru, V.S.; Haque, A. Intelligent control of converter for electric vehicles charging station. Energies 2019, 12, 2334. [Google Scholar] [CrossRef]
- Rafi, M.A.; Bauman, J. A comprehensive review of DC fast-charging stations with energy storage: Architectures, power converters, and analysis. IEEE Trans. Transp. Electrif. 2020, 7, 345–368. [Google Scholar] [CrossRef]
- Zheng, L.; Kandula, R.P.; Divan, D. Multiport Control with Partial Power Processing in Solid-State Transformer for PV, Storage, and Fast-Charging Electric Vehicle Integration. IEEE Trans. Power Electron. 2022, 38, 2606–2616. [Google Scholar] [CrossRef]
- Somakumar, R.; Kasinathan, P.; Monicka, G.; Rajagopalan, A.; Ramachandaramurthy, V.K.; Subramaniam, U. Optimization of emission cost and economic analysis for microgrid by considering a metaheuristic algorithm-assisted dispatch model. Int. J. Numer. Model. Electron. Netw. Devices Fields 2022, 35, e2993. [Google Scholar] [CrossRef]
- Valedsaravi, S.; El Aroudi, A.; Martínez-Salamero, L. Review of Solid-State Transformer Applications on Electric Vehicle DC Ultra-Fast Charging Station. Energies 2022, 15, 5602. [Google Scholar] [CrossRef]
- Hua, C.; Shen, C. Comparative study of peak power tracking techniques for solar storage system. In Proceedings of the APEC ’98 Thirteenth Annual Applied Power Electronics Conference and Exposition, Anaheim, CA, USA, 15–19 February 1998; pp. 679–685. [Google Scholar]
- KC200GT High Efficiency Multicrystal Photovoltaic Module Datasheet Kyocera. Available online: http://www.kyocera.com.sg/products/solar/pdf/kc200gt.pdf (accessed on 22 July 2022).
- Xiao, W.; Dunford, W.G.; Capel, A. A novel modeling method for photovoltaic cells. In Proceedings of the 2004 IEEE 35th Annual Power Electronics Specialists Conference (IEEE Cat. No.04CH37551), Aachen, Germany, 20–25 June 2004. [Google Scholar]
- Kota, V.R.; Bhukya, M.N. A novel linear Tangents based P&O scheme for MPPT of a PV system. Renew. Sustain. Energy Rev. 2017, 71, 257–267. [Google Scholar]
- Ahmed, K.Y.; Bin Yahaya, N.Z.; Asirvadam, V.S.; Saad, N.; Kannan, R.; Ibrahim, O. Development of power electronic distribution transformer based on adaptive PI controller. IEEE Access 2018, 6, 44970–44980. [Google Scholar] [CrossRef]
- Algazar, M.M.; AL-monier, H.; El-Halim, H.A.; El Kotb Salem, M.E. Maximum power point tracking using fuzzy logic control. Int. J. Electr. Power Energy Syst. 2012, 39, 21–28. [Google Scholar] [CrossRef]
- Abdelsalam, A.K.; Massoud, A.M.; Ahmed, S.; Enjeti, P.N. High-performance adaptive perturb and observe MPPT technique for photovoltaic-based microgrids. IEEE Trans. Power Electron. 2011, 26, 1010–1021. [Google Scholar] [CrossRef]
- Muthuramalingam, M.; Manoharan, P.S. Comparative analysis of distributed MPPT controllers for partially shaded stand-alone photovoltaic systems. Energy Convers. Manag. 2014, 86, 286–299. [Google Scholar] [CrossRef]
- Jubaer, A.; Salam, Z. An improved perturb and observe (P&O) maximum power point tracking (MPPT) algorithm for higher efficiency. Appl. Energy 2015, 150, 97–108. [Google Scholar]

























| Power Flow | ||||
|---|---|---|---|---|
| 1 | 0 | 0 | 1 | PV to EV |
| 1 | 0 | 1 | 0 | PV to HESS |
| 0 | 1 | 0 | 1 | HESS to EV |
| 0 | 0 | 0 | 1 | Grid to EV |
| 1 | 0 | 0 | 0 | PV to Grid |
| Switches | Switching Operation | |||||
|---|---|---|---|---|---|---|
| (½)XcF0 | (½)F1 | (½)F2 | (1 − (½)) F0 | (½)F1 | (½)F2 | |
| S1 | [b/0/0] | [b/b/0] | [b/b/b] | [a/b/b] | [b/b/b] | [b/b/0] |
| S2 | [b/0/0] | [a/0/0] | [a/b/0] | [a/b/b] | [a/b/0] | [a/0/0] |
| S3 | [b/0/0] | [b/b/0] | [a/b/0] | [a/b/b] | [a/b/0] | [b/b/0] |
| S4 | [b/b/0] | [b/b/b] | [a/b/b] | [a/a/b] | [a/b/b] | [b/b/b] |
| S5 | [b/b/0] | [a/b/0] | [a/a/0] | [a/a/b] | [a/a/0] | [a/b/0] |
| S6 | [b/b/0] | [a/b/0] | [a/b/b] | [a/a/b] | [a/b/b] | [a/b/0] |
| References | MPPT Techniques | Converter Type | Required Sensors | Response Time (ms) | Efficiency (%) |
|---|---|---|---|---|---|
| [31] | Short-Circuit Current (SCC) | CUK Converter | 2Amperemeter | 80 | 83 |
| [32] | P&O | Boost Converter | 1Voltmeter 1 Amperemeter | 76 | 88 |
| [33] | PSO-ANFIS P&O-ANFIS ANN | Boost Converter | 1Voltmeter 1 Amperemeter | 19 | 85–97 |
| [34] | Modified P&O | Boost Converter | Sensor-less | 17 | 99.7 |
| [29] | Linear Tangent based Perturbation & Observe | Boost Converter | 1Voltmeter 1 Amperemeter | 19 | 99.75 |
| This Work | Modified Linear Tangent based Perturbation & Observe | Multiport Converter | Sensor-less | 12 | 99.79 |
| Suntech Power STP235-20/Wd-Specifications | Hybrid Energy Storage System Specifications | |
|---|---|---|
| PMax = 235.258 W | Lithium-Ion battery: | Super Capacitors |
| VOC = 37.0 V | Nominal Energy = 3.3 KW | Nominal Energy = 3.3 KW |
| ISC = 8.35 A | Desired Voltage = 220 V | Desired Voltage = 220 V |
| IM = 7.79 A | Rated Capacity = 15 | Rated Capacitor = 470 uF |
| VM = 30.2 Vmax | SOC (%) = 80 | Temperature = 40 °C |
| Battery Response = 1 sec | ||
Disclaimer/Publisher’s Note: The statements, opinions and data contained in all publications are solely those of the individual author(s) and contributor(s) and not of MDPI and/or the editor(s). MDPI and/or the editor(s) disclaim responsibility for any injury to people or property resulting from any ideas, methods, instructions or products referred to in the content. |
© 2023 by the authors. Licensee MDPI, Basel, Switzerland. This article is an open access article distributed under the terms and conditions of the Creative Commons Attribution (CC BY) license (https://creativecommons.org/licenses/by/4.0/).
Share and Cite
Suvvala, J.; Kumar, K.S. Implementation of EFC Charging Station by Multiport Converter with Integration of RES. Energies 2023, 16, 1521. https://doi.org/10.3390/en16031521
Suvvala J, Kumar KS. Implementation of EFC Charging Station by Multiport Converter with Integration of RES. Energies. 2023; 16(3):1521. https://doi.org/10.3390/en16031521
Chicago/Turabian StyleSuvvala, Jayaprakash, and Kannaiah Sathish Kumar. 2023. "Implementation of EFC Charging Station by Multiport Converter with Integration of RES" Energies 16, no. 3: 1521. https://doi.org/10.3390/en16031521
APA StyleSuvvala, J., & Kumar, K. S. (2023). Implementation of EFC Charging Station by Multiport Converter with Integration of RES. Energies, 16(3), 1521. https://doi.org/10.3390/en16031521

