Abstract
A key focus of the Sustainable Development Goals (SDGs) is to harvest electricity from renewables. The fields of renewable energy sources (RES) and harvesting methods have seen tremendous growth. Multiport power electronic converter circuits integrate multiple energy sources. This integration aids in powering the load with different required voltage ratings. A simple and reliable control scheme for this system can maintain high power transfer efficiency and reliability. To integrate RES, non-isolated (NI) DC-DC multiport converters (MPC) are introduced; however, the main objective is to concentrate on NI MPC which provide a reliable output. In this paper non-isolated MPC topologies are reviewed and analyzed based on difference parameters considering circuit configuration; operating principal; number of components; complexity; and efficiency. This comprehensive review can be used as a guide for the suitable selection of converter topology to RES integration.
1. Introduction
Globally, electricity consumption is rising but it continues to be generated with traditional energy sources which cause air pollution and other environmental damage [1,2]. Over 75% of CO2 emissions are emitted by the energy sector, and the air temperature is expected to increase by 1.5 °C by the end of the 21st century [1]. More electricity must be generated to meet this massive energy demand. Traditional fossil-fuel-based power generation technologies have lost their utility because of the release of toxic pollutants, the depletion of fossil fuels, and the increase of environmental restrictions [2]. Meanwhile, sustainable energy sources offer free, renewable, nontoxic, and eco-friendly fuel. This makes green sources capable of balancing industrial needs. Renewable energy demand continues to grow, as concerns about the overconsumption of non-renewable resources grow [1,2,3]. Over a decade, green and brown technologies have grown by 8.7 and 2.2%, respectively. This has helped in the reduction of carbon emissions by 8.4% since 2015 (IEA, 2021a). Figure 1 shows the renewable energy capacity by continent. Where only less than 1 percent energy is harvested by biomass based energy conversion systems. However, this increase in renewable load to gird requires predominantly multiport converters. This work reviews the presently available converters for renewable energy integration into the grid and analyzes the performance and significance of different converters in different applications.
Figure 1.
Renewable generation capacity by region and technology, 2020–21(IEA, 2021a).
In recent years, the emphasis on alternative energy generation has switched to RES [2,3]. Whatever the system may be, it is common to have classifications such as solar systems or energy harvesters [4,5]. Wind and solar energy sources have a fundamental disadvantage in that they are weather-dependent, making them intermittent [3,4,5,6]. A hybrid energy system combining both renewable and non-renewables can eliminate this drawback [7]. Since these drawbacks make the reliability of the system challenging, it is necessary to develop a hybrid grid integration model which combines both renewable and nonrenewable energy sources with advanced power electronics systems for coordinating their operation [7]. Even while the integration of numerous sources addresses the RES’s erratic power supply, this multisource interface comes with its own set of issues. As a result, the power storage unit must attach to provide compensation or retain the power discrepancy between what is generated and what is required. Due to supply voltage changes, renewable energy interfaces might cause power quality concerns [7,8]. Regardless of the benefits of RES, their exploration and integration into an electric network is a complex undertaking. Due to the use of a switched-mode power (SMP) converter, the power electronic interface can convert and control electric power [9]. Most of the problems caused by the penetration of RES can be avoided or eliminated with the deployment of power electronics systems that are quite reliable and low-cost [10,11]. Multiport DC-DC converters are able to solve this challenge by allowing them to react quickly to faults caused by RES and correcting them without affecting the existing grid protection mechanism [10]. Multiport converters are electrical power conversion devices that are used to control the flow of electrical power between multiple input and output ports. They are used in a variety of applications, including renewable energy systems to manage the flow of power between solar panels, wind turbines, batteries, and the grid to ensure a reliable and efficient supply of energy. Multiport converters are used to balance the load between different sources of energy to ensure that the energy demand is met and the grid operates efficiently. The integration of renewable energy sources, such as solar panels and wind turbines, into the grid increase the use of clean energy and the quality of the electrical power being supplied to the grid by reducing power losses and improving it’s stability. Because hybrid energy storage (HES) inverters are self-commutated and can produce AC voltage, through power electronics converters the voltage and reactive power control of RES are reliable [12]. Hence, it delivers the power factor and reactive power as required to the grid. Figure 2 shows the converters in DC grids for renewable energy (RE) integration. The work substantially describes the operational performance characteristics of MPC along with their recent advancements and application. Further, this is an extended detailed briefing on each type of MPC with respect to RES applications.
Figure 2.
Multiport converters for DC grid integration.
2. Classification of NI DC-DC Converter for RES
The most popular and commonly utilized converters in RES are DC-DC converters. These converters regulate the power output from an uncontrolled input. For RE applications, the major DC-DC converters are the isolated type, which use a high-frequency transformer to produce isolation between both the source and the load, and do not require low-power applications for output and input isolation [13,14]. Because of their tiny size, fewer components, and excellent conversion efficiency, these are highly common in RES applications [14,15]. NI converters are further broken down into two types, namely single-port converters (SPC) and MPC. Table 1 shows a comparative analysis of the different DC-DC converter topologies. Figure 3 shows a typical schematic structure of the multiport converter of a non-isolated and isolated converter.
Table 1.
Comparative analysis of the different DC-DC converter topologies [3].
Figure 3.
The typical schematic structure of a multiport converter, (a) non-isolated and (b) isolated.
Non-Isolated Converter Family
SPC are available with various DC-DC converter topologies. Figure 4 shows the DC-DC converter’s single port NI topologies employed with an RES system.
Figure 4.
Various DC-DC non-isolated converter topologies.
- (a)
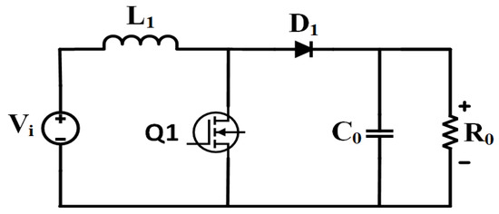
- Boost Converters
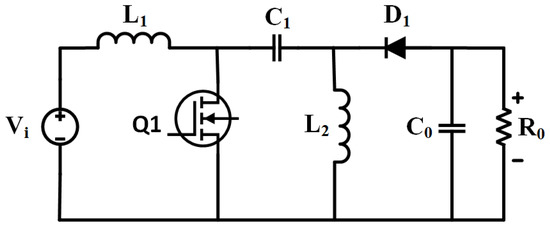
Boost converters are a step-up converter; here, the required load voltage is more than the generating supply voltage. Boost converters are widely employed in solar systems, both freestanding and grid connected. The DC-DC boost or step-up converter in Figure 5 is a traditional boost converter that has been modified to achieve high gain and efficiency, by combining the coupled inductor or switched capacitor and the integration of both switched capacitor inductors being introduced [16,17].
Figure 5.
DC-DC boost or step-up converter.
- (b)
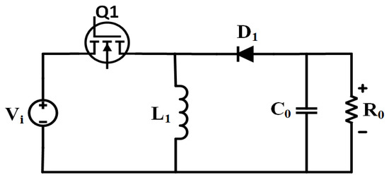
- Buck DC-DC Converters
A buck DC-DC converter is a step-down converter, since the voltage magnitude of the output is less than the input. Figure 6 shows that the architecture of a DC-DC buck converter is useful in high voltage renewable energy sources feeding a low-voltage load or storage device. Here, the pulse width modulation (PWM) signal is used to modulate the voltage to charge the batteries and for maximum power point tracking (MPPT) in the wind and solar systems. These can be modified into standard, interleaved, two-phase, linked synchronous inductors and interleaved buck converters to attain a high step-down voltage ratio [18,19].
Figure 6.
DC-DC buck converter.
- (c)
- Buck–boost Converters
This converter is used for both the step up and step down of voltage levels. This feature makes it a more reliable and popular converter among the converter topologies. This design interconnects the load and source voltages that are virtually identical. Two basic converters can be cascaded to create this topology (boost and buck converters) shown in Figure 7, a DC-DC buck–boost converter. If the duty ratio of the converter switches is the same, then the output and input voltages conversion ratio is the ratio of the two converters in a cascade [20]. A synchronous rectifier approach is proposed to expand the converter’s voltage-conversion range. A bidirectional inductor capacitor inductor (LCL) resonant converter is used to provide a high step up and down ratio and zero voltage switching (ZVS) [21]. The merits include a continuous current at both the input and output, while there is a demerit of components that are under increased electrical stress, and there are more passive components. Several control methods, including proportional integral (PI), sliding mode control, and fuzzy-logic control, are widely utilized to harvest the maximum power from PV panels using this architecture [22,23].
Figure 7.
DC-DC buck–boost converter.
- (d)
- DC-DC Cuk Converter
This converter is similar to the buck–boost and is used for both the step up and step down of voltage levels, and is shown in Figure 8. Because of this feature, it is used to link nearly matched loads to source voltages. The merits include a continuous current at both the input and output, while there is a demerit of components that are under increased electrical stress, and there are more passive components [24]. Several control methods, including fuzzy-logic control, PI, and sliding mode control, are widely utilized to harvest the maximum power from PV panels using this architecture [25,26].
Figure 8.
DC-DC Cuk converter.
- (e)
- SEPIC DC-DC Converter
SEPIC stands for single-ended primary inductor converter. This converter consists of a non-inverting buck–boost converter capable of stepping up or down the input voltage [27]. Its two inductors instead of one makes this model differ from regular converters. A DC-DC SEPIC converter is shown in Figure 9. SEPIC converters, like Cuk converters, require the switch control terminal to be connected to the ground. In addition, like Cuk converters, a continuous ripple-free input current is drawn from a PV panel, which is critical for successful MPPT. This topology is only suitable when the battery voltage exceeds the PV source voltage [14,28]. By charging and discharging the batteries in the converters above, bidirectional switching cells provide a bidirectional power flow. These topologies are created by combining numerous converters, resulting in lower converter efficiency and the inability to use soft switching. The circuit has a limited power flow due to topological restrictions. Coupled inductor topologies are employed to boost the voltage gain of the converter. Working this type of converter in multiple modes is challenging in a single-stage power conversion with a low device operating count that is executed but changeable.
Figure 9.
DC-DC SEPIC converter.
- (f)
- Charge pump converter
A charge pump converter is an electronic circuit that manipulates the voltage of a direct current (DC) power supply. This is achieved by using capacitors to store and transfer electrical energy, enabling the conversion of voltage levels. The basic principle of operation involves charging a capacitor to the input voltage and then switching it to the output, with the output voltage being proportional to the input multiplied by the number of capacitors used. Charge pump converters come in various types, including linear, switch-mode, and current-mode variations. The selection of the appropriate type depends on the requirements of the specific application, such as efficiency, output voltage, power output, and size. Figure 10 shows a DC-DC charge pump converter. Charge pump converters are popular in portable electronic devices due to their affordability, simple design, and low power consumption. They are also utilized in other areas where a high voltage or current is needed, such as in medical devices, power management systems, and lighting systems.
Figure 10.
DC-DC Charge pump converter.
3. Multiport Non-Isolated Converter
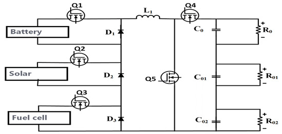
In the early 20th century, the evolution of MPC topologies began to appear in the literature. The NI topologies reduce the number of active switches and increases efficiency. On the other hand, isolated topologies remained in demand because of their high adaptability in routing the power flow between numerous ports and offering a high-end performance in high power rating systems. This work covers the evolution of both NI and isolated topologies, in terms of the switching frequency, power ratings, and efficiency of MPCs in recent times. The research of new DC-DC power conversion systems looks into combining two separate converters with an increased voltage gain and fewer switching elements. Recent advancements in RE-based power solutions for portable electronics technology have made things more complicated. This new system will consist of a variety of input energy sources that will be merged by utilizing multi-input power electronics converters to produce a regulated output for a variety of applications [29]. In the typical configuration, many sources are joined at a common DC bus, and individual DC-DC conversion stages are employed for each source, with converters controlled separately [30]. Consequently, a single converter connects the load to the power source, while a bidirectional converter connects the second port to store energy. Sometimes, a communication bus is used to send data between sources [31,32].
The converter is more expensive since it involves numerous stages of power conversion and communication device requirements. Because it manages numerous converters individually, the system is also advanced. Figure 10 shows how an NI multiport structure is used to deal with these issues. This system, which incorporates many sources of power, treats the entire building as a single power converter [33]. A load is connected to a high voltage DC and low voltage DC output port. Due to their power-sharing technique, easy structure, minimal number of conversion stages, and fewer components, these MPC are suitable for contributions in HES, satellite/aerospace applications, hybrid vehicles, and uninterrupted power supplies (UPS). These are further classified as isolated converters and non-isolated converters. The different NI topology of converters published in the literature are compared in Table 2. To reduce shock hazards, attain a high voltage conversion, match voltages, and avoid using semiconductor devices with huge current and voltage ratings, an isolated converter separates the low-voltage DC side from the high-voltage DC side. This is performed with high-frequency transformers. A downside of this technology is the need for a transformer core, which increases the size and cost of the overall system. On the other hand, NI converters are easy to make and use when there is no need for galvanic isolation between the source and load. Its design has fewer components, is less expensive, uses a one-stage power conversion, and allows bidirectional power flow across the ports, which results in a high-power density. In addition, there is less current ripple across all duty cycles [34]. Figure 11 shows the energy conversion process using a non-conventional energy multiport DC-DC converter structure. Figure 12 shows the possible combination of HRES systems.
Table 2.
Reported parameters for NI topologies.
Figure 11.
Non-isolated compact multiport DC-DC converter for renewable applications.
Figure 12.
Possible combination of HRES systems.
4. Generalized Operating Mode of MPC
MPCs’ main function is to combine numerous port inputs into a single power stage, allowing power to flow in between. There are various power flow modes available; each one corresponds to a particular MPC working mode shown in Figure 12. Here, the PV source is a renewable source, and the consumer is a lithium-ion battery to examine this integration. The following is a representation of the power flow equation:
where Pb is the battery power, PV is the generated power of PV, PL is the local loads, and POut is the output from the PV to the battery system, where PG is the integration with the grid. POut = PL for a standalone application, and POut = PL + PG for grid-tied systems, where PG is either positive or negative depending on the power export or import. Based on the operating mode, control strategies are chosen. Figure 13 shows the different modes of operation for the MPC converter. Figure 13 shows the different modes of operation for the NI-MP converter with typical power flow diagrams; power flow plays a key role in the topology selected. The drop in cost for ES and PV systems encourages its use in power applications, while converters play a crucial role in the frequency, output power regulation, and peak load sharing. A summary of the modes of operation of proposed MPC is tabulated in Table 3 [43].

Figure 13.
Typical Non isolated multiport converter. From (a–e) different modes of operation for the NI-MP converter with typical power flow diagrams.
Table 3.
Summary of operation modes in MPC [30].
MODE 1: The PV connected to the load/grid delivers power when the PV panels are exposed to radiation; this results in the battery charging. MODE 2: Loading the battery when the PV panels are not producing enough power; the load can be provided by the battery. From the grid to the battery, only one control signal can be used to charge the battery from the grid in a grid-connected application. MODE 3: PV panels charge the battery when there is no load. In this example, the PV battery provided direct energy storage. MODE 4: Both PV panels and batteries feed the load when demand is high, or the grid must be supported; PV panels provide power once more.
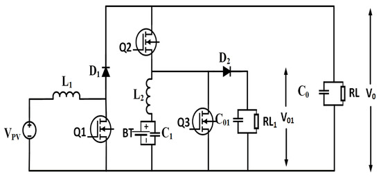
Power is again supplied to the load from the PV panels and battery. MODE 5: The load to battery here is a bidirectional process that takes place from both the sources. A representation of the different multiport converters are shown in Figure 13, Figure 14, Figure 15 and Figure 16. The NI-MPC is classified as shown in Figure 17.
Figure 14.
Topology structure of multi-source cell.
Figure 15.
Three-port unidirectional SEPIC converter.
Figure 16.
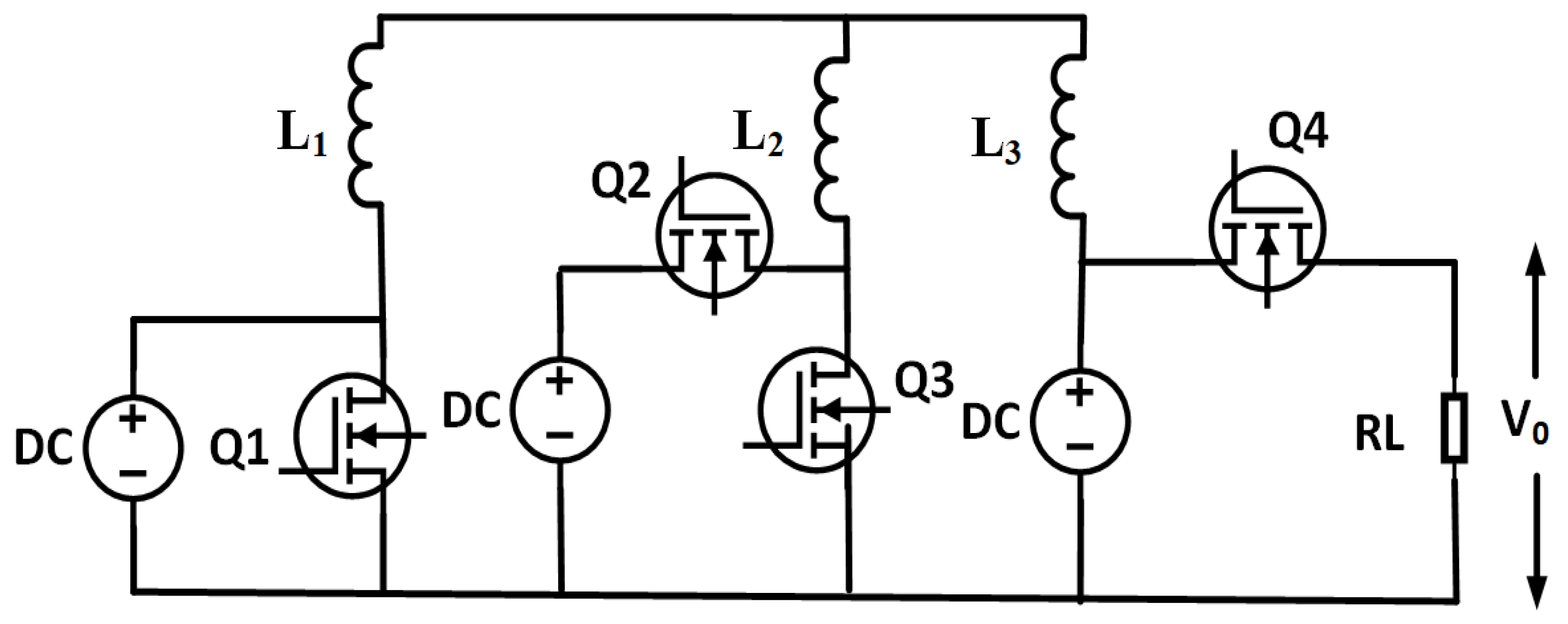
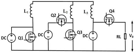
Hybrid non-isolated three-port buck–boost converter with two bidirectional ports.
Figure 17.
Multiport converter (NI-MPC).
4.1. DISO DC-DC Converter
A dual input–single output converter is employed in almost all RES. Multiple PV panels are connected to a dual-input NI converter. A central capacitor boosts the voltage of multiple PV strings and tracks two MPPs with reduced voltage stress [44]. For PV and battery HES, an NI DC-DC converter is described. Similarly, PV systems, hybrid electric vehicles (HEV) and fuel cells, computers, mobile devices, and other devices use a DISO converter to enable power flow and voltage regulation between diverse inputs and outputs [45]. For low-voltage applications, three-switched-leg MPCs are the emerging concept. Without the use of transformers in this topology, the number of input sources is increased, and the shared load can be powered up concurrently with the bidirectional operation. For a high, low voltage source, DISO DC-DC converters are presented and examined, and the buck–boost and buck converters are combined in this converter [46]. A multiple-input topology is proposed based on a buck–boost converter. This topology has the advantage of providing a positive output voltage without the use of an extra transformer, as well as improved efficiency, lower volume, fewer components, and ease of implementation and control. It can also function in a bidirectional mode without the need for a separate converter. It has three modes of operation: buck, boosts, and buck–boost. However, as the number of devices has grown, conduction losses have increased, making the converter more expensive. In the proposed boost converter, switches conduction losses are considerably decreased. Architecture makes use of fewer controlled switches to achieve an asymmetric bidirectional operation. However, the output diode’s reverse recovery current decreases the converter’s overall efficiency. The problem focuses on a multi-input converter with ZVS. It takes the current source as the input. Switch conduction loss is low in the dual-power supply mode, connecting series input cells and PWM signals. The integrated topologies of buck-buck and buck–boost are presented in [47]. With both sources, the former design may deliver an individual and simultaneous output power; yet, with the architecture, voltage sources are incapable to feed the load simultaneously [48].
The design of dual or MI converters from SI converters is enumerated in depth by multiple authors of the work in the topologies mentioned above, and are developed from the six fundamental non-isolated converters; namely buck, boost, buck–boost, Cuk, zeta, and SEPIC converters. By putting these six fundamental non-isolated converters, two types of multi-input converters (MICs) have been produced. The input sources of the generated NI-MICs transfer energy to the load either individually or together [49,50]. This technique, however, does not examine topologies with a time-multiplexing control system. Based on some requirements, assumptions, and limits, the various topologies of MI DC-DC converters are discussed. From this MPC, other models are developed using a time-multiplexing control technique. A systematic method is also used to construct MICs employing six basic pulse width modulated DC-DC converters [51]. There are two varieties of MICs: the first transmits power to the output load at a time, while the latter permits both input sources to deliver energy to the load either individually or at a time.
For a high step-down conversion voltage ratio, a hybrid MI DC-DC converter was proposed, shown in Figure 18. The output voltage can vary more widely with this design. Hybrid and classical buck structures are used to create the proposed two-input hybrid DC-DC converters. For an HES, an MI power converter with dual inputs and output DC-DC boost converter is proposed [52]. The proposed system solves the problem of a capacitor voltage imbalance in single-source MPC. This has the merit of low voltage stress on the DC-DC converter’s power switch, low switching loss, a regulated output, and delivers constant output power. The findings indicate that the topology is quite suitable in RE applications. An MI converter was proposed by merging Cuk and SEPIC converters [53]. This eliminates the need for separate input filters, enable step-up/down operations for all renewable energy sources, gives MPPT for each source, and can support both individual and simultaneous operations [54].
Figure 18.
Buck-based dual input–single output converter.
4.2. DC-DC Converter in Single Input–Dual Output Configuration (SIDO)
SIDO is widely used in all types of power electronic devices including EVs, power factor correction devices, USB links [55], and the latest electronic gadgets, e.g., mobile phones, MP3 players, digital cameras, handheld devices, etc. [56]. Figure 19 shows a buck-based single input–dual output converter. It has few components and different output voltages [57,58,59,60]. A SISO DC-DC converter with NI outputs produce either step-up or step-down outputs from a single DC source. The control switches of a boost converter are changed with the switches connected in the series, resulting in extra outputs at the switch nodes in this topology. This literature reviews different SIDO converters [59]. This model aims to limit cross-regulation by employing a multivariable digital controller [61]. The design techniques for a four-output converter with an efficiency of 86% are described and confirmed. These methods are said to be capable of producing an infinite number of outputs [62]. The research demonstrates a balanced power loss distribution and high efficiency with low count switching devices and presents the design and control of a dual output buck converter with a minimum number of components with unidirectional or bidirectional characteristics for motor drive system applications. The drawback in this converter model makes high current switch ratings compulsory [63,64].
Figure 19.
DC-DC buck converter with single input–dual output.
4.3. Multi Input–Multi Output Converters (MIMO)
MIMO converters are used in hybrid RE sources and EVs for increasing efficiency and reliability [65]. A MIMO converter with different voltage-current characteristics at the input source is proposed [66]. Here, the switch voltage stress is reduced by increasing output voltage [66]. EVs with these converters became more efficient, less expensive, and highly reliable. A MIMO boost converter with diverse voltage-current (VI) characteristics as input energy sources is proposed. Figure 20 depicts a circuit diagram of a MIMO converter. The voltage load on the switches is decreased in this configuration by increasing the output voltage level [67]. A two-input–tri-output buck–boost converter for single-step power transmission from the source to the load is proposed. Pulse-skipping modulation and pulse frequency modulation techniques are used as control methods for the output [68,69]. A MIMO NI converter with fewer parts and more outputs is proposed by combining MIMO converters. This converter in a micro-grid interfaces with DC loads and multiple renewable input sources. By using a buck–boost converter in a matrix format, smooth power sharing is possible. The input sources are at different power and voltage ranges, while the output voltage range may be below the minimum input to the above maximum value. The findings of the simulation have been reported as part of the analysis. It is stated that the number of inputs and outputs is limitless. The input sources, on the other hand, are unable to power up all the outputs at the same time [70]. Triple port converters (TPC) have emerged in the current research. It has an input port connected to the input source, an output port connecting with the load, and a bidirectional port connected to the storage unit. The operating modes of a TPC is shown in Figure 21 and Figure 22. NI three-port buck–boost converters with different modes is shown in the circuit diagram in Figure 23.
Figure 20.
Circuit Diagram of MIMO Converter.
Figure 21.
General form of triple port converter.
Figure 22.
Operating modes of the TPC (a) DISO (b) SIDO (c) SISO.
Figure 23.
NI three-port buck–boost Converters.
The power flow diagram of a TPC in the different modes of operations is shown in Figure 22. Using a power balancing principle relationship between the input and output port, it can be expressed as
where Pi is the power at the renewable energy source input port, Pb is the power at the energy storage system input port, and P0 is the power at the load port. The operating modes of the non-isolated DC-DC TPC are classified into three, which are based on the input power and the output power relationship, i.e., the input power is either greater or equal or lesser than the load demand.
Pi + Pb = P0
The power balancing principle relationship between the input and output port for the operating modes of a TPC can be expressed as
(a) Pi + Pb = P0, (b) Pi = P0, Pb (c) Pb = P0
Recent research has piqued interest in TPC. The three ports are the voltage port, storage port, and load or output port. There are three modes of operation for this converter: DI, DO, and SISO. If the load obtains power from both the battery and the input source, then it operates as a DI converter. The converter is in DO mode if the load and batteries consume all the power. In a MIMO, the load can be powered by an input source or a battery. Increased efficiency, small size, dependability, and effective power management are all advantages of this design. These are commonly employed in renewable energy systems because of their advantages [71,72]. An NI-TPC that connects the PV, battery, and load is described. A higher power density and dependability are attained with fewer conversion stages, as evidenced by experimental data. [73,74] introduce a family of NI-TPCs. In a DI converter or DO converter, a SISO converter is used to create these TPCs. This explains the development of a systematic process to derive TPCs from DI and DO converters. This approach developed several TPC topologies, and a boost-type TPC was studied in DI, DO, and SISO. TPCs have three possible generalized operating modes, shown in Figure 24.
Figure 24.
Generalized operating modes for a TPC.
- (a)
- Dual input (DI) mode
The suggested DI converter is appropriate for power conversion in RE, automotive, telecommunications, and power systems. The DI converter is appropriate for applications that require energy to be transferred from two different port sources with a high voltage range to load. It expands the use of hybrid DC-DC converters with a high voltage-conversion ratio in a DI layout. A new DI hybrid converter is shown and examined, including the operation modes, analytical descriptions, digital simulations, and test results which are all in good agreement. Future publications will expand on this approach by proposing closed-loop control techniques for various applications such as wind energy conversion systems [75,76]. MI DC-DC converters for HES remain a difficult challenge to solve, particularly when all input and output ports must be bidirectional. To connect two DC power sources, an NI bidirectional DC-DC converter is proposed. The suggested converter can obtain energy from two different sources, either separately or concurrently. In both buck and boost modes, it can be operated bidirectionally. In comparison to standard DI boost converters, the suggested converter requires only three programmable power switches, making it far more cost-effective. In comparison to standard double input boost converters, a new DC-DC converter is developed to interface the two power sources, which is quite cost-effective due to the lower power switches. With all bidirectional input/output ports, the new converter may operate in six different power flow modes. This converter is well suited for hybrid energy systems with varying power flow requirements due to its small structure and control flexibility [77,78]. The DI mode during which the storage unit discharges to support the load along with the input source is illustrated below in Table 4.
Table 4.
Power flow of a TPC-integrated non-isolated MPC topology.
- (b)
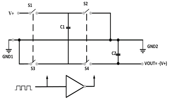
- Dual output (DO) mode
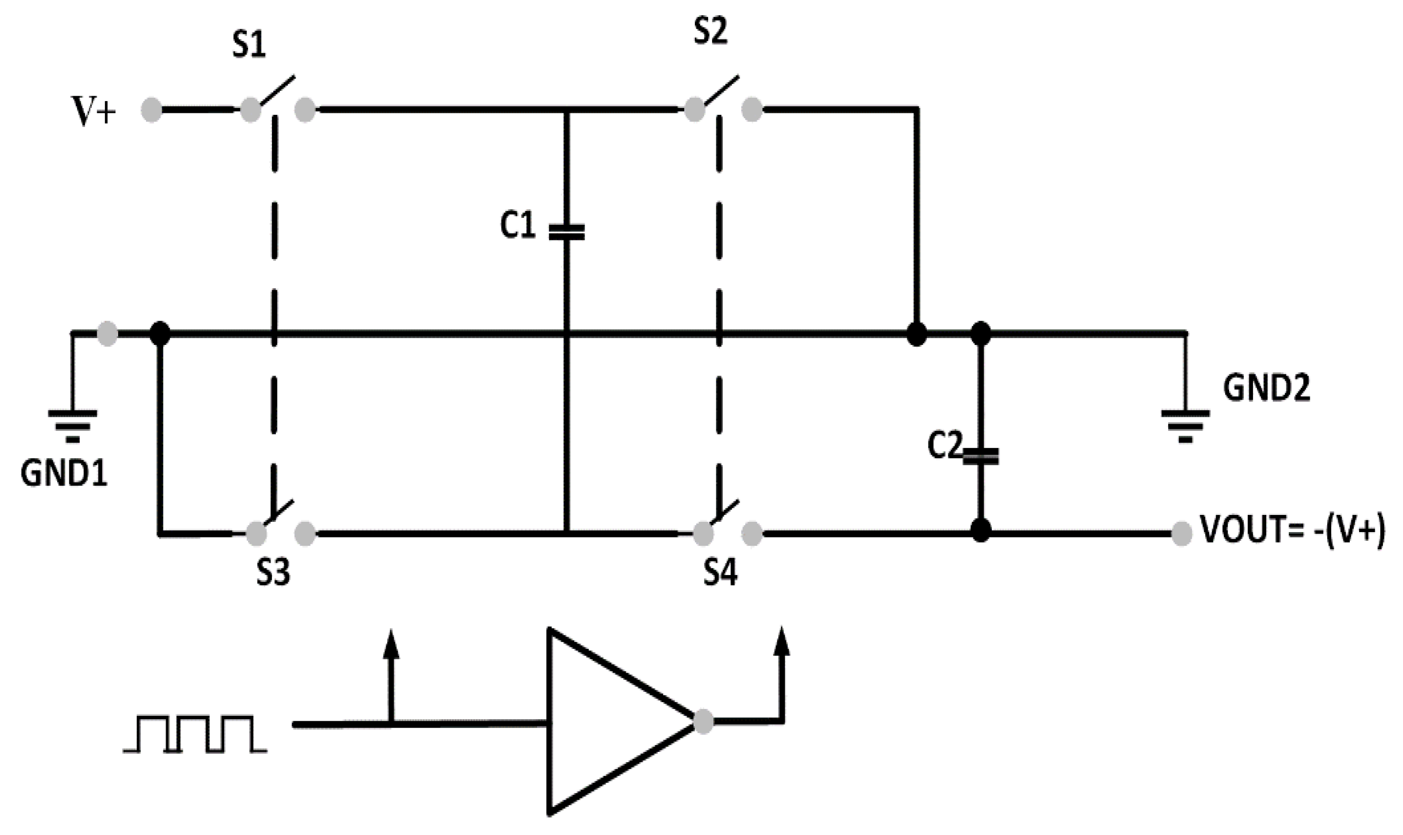
The output produced with traditional DO converters are two identical voltage levels; here, the output topology is two different voltage levels. One output voltage gain has a significant increase in this configuration. This eliminates the need for transformers by converting power through two switches. Instead of two SO power supplies, one can be utilized. The capacity to have negative and positive output voltage is one of the topology’s most notable features. Furthermore, compared to traditional DO output converters, this topology provides a significant voltage gain. The volt-second and ampere-second laws were used to evaluate the switching strategy in two separate modes. Furthermore, the voltage stress of the switches has been computed to confirm that the suggested converter is feasible [79], [80]. This converter is ideal for driving the half-bridge class-D amplifier because it has a dual output with positive and negative output voltages, which eliminates the need for a DC-blocking capacitor in the half-bridge class-D amplifier. The following are some of the features of the proposed converter. A single positive voltage source feeds both positive and negative output voltages. This circuit is simple to build [81]. In DO mode, the source feeds the load and storage unit.
- (c)
- Single input–single output (SISO) mode
In a weak-grid situation, the converter-grid interaction is of tremendous interest. A SISO open-loop transfer function is used for the stability analysis of grid-connected voltage-source converters. In contrast to the traditional input impedance approach and eigenvalue analysis, the research develops an alternative multi-input–multi-output closed-loop system that eventually provides a SISO open-loop transfer function. This allows a single Nyquist curve to be used to analyze the total system stability, which can be ensured by carefully setting the controller parameters. The SISO open-loop transfer function was built using generic transfer functions found in various controllers and filters. For controllers or filters, different transfer functions can be employed, but the procedures for constructing the SISO open-loop transfer function remain the same [82]. The corresponding SISO feedback control model is based on the individual channel analysis and design (ICAD) theory, which has the merit of a quantitative evaluation of the system stability margin. The gain margin (GM) and phase margin (PM) indexes of the derived SISO mode are used to quantify the effects of the AC system strength, as well as in the control system on the system stability margin [83]. Two types of SISO impedance models were developed, one based on a moderately strong and DQ symmetric grid assumption (a reduced SISO model), and the other on a closed-loop equivalent grid assumption (a closed SISO model) (an accurate SISO model). The accurate SISO model was shown to have the same marginal stability requirement as the MIMO model [84], [85]. Impedance modeling and stability studies of a single-phase grid-connected voltage-source converter using a harmonic-domain SISO equivalent modeling technique (VSC) have been conducted. The foundation is a strategy for converting a harmonic transfer function (HTF)-based model into a SISO equivalent model while keeping all frequency coupling information. The proposed SISO modeling concept is useful for comprehending the significance and implications of SISO impedance measurements in a system with frequency couplings. This method’s applications for VSC model reduction and stability characteristic analyses are discussed. These findings lead to helpful conclusions on the correctness of three types of reduced-order VSC impedance models, as well as the stability impacts of VSC management with and without DC voltage compensation [86].
TPC stands for two-port converter, and its distinguishing feature is the various work states with separate power flows. The power flows through the main source (RES), storage unit, and load are indicated by PV, PB, and PL, respectively, to simplify the study. The power flow diagrams and the three operating states are listed below in Table 4. Different topologies have been examined for the comparison of NI-MPCs that can be seen in their construction. Because parasitic losses of transformer and leakage inductance are eliminated in non-isolated MPC topologies, they are more efficient. A comprehensive classification of the reported cases is shown in Figure 25.
Figure 25.
General classification of a non-isolated MPC.
There are three types of MPC in NI topologies. The “combined input/output-port MPCs” are made up of a variety of basic converter cells, namely buck, boost, and buck–boost. NI-MPCs can also be made by combining complex converter cells such as full bridge and half bridge. The construction of “reconfigurable-port MPCs” is simpler. For interfacing several ports, they usually utilize one or two converters. Relays or other slow switching devices are also used to modify the circuit such that the same power converter is used for numerous ports. In addition to a generic combination of basic converter cells, the third form of NI-MPCs uses “magnetic/capacitive coupling.” Magnetic or capacitive coupling does not always offer galvanic isolation between the ports, yet it is commonly employed to boost voltage. This is especially important for RES and ES integration, as it allows for a greater voltage range. A high step-up TPC for stand-alone systems is required for the integration of solar input and battery storage. In this topology, two coupled inductors are used for voltage gain in high voltage applications. Two sets of buck–boost converter active-clamp circuits are used to recall the energy balance in the leakage inductors to improve efficiency, with ratios in different operation modes [87].
5. Topologies Comparison in Multi-Input Non-Isolated DC-DC Converter
These topologies have their own pros and cons; there are no pre-determined criteria for selecting a specific topology for a given application. However, several features, such as cost, reliability, flexibility, and efficiency, can be compared amongst the topologies. The comparison is only based on the topology that has been synthesized. Different types of renewable energy multiport converters comparisons are shown in Table 5. In this comparison, the control mechanisms and extra cells with added components for additional benefits are neglected. The cost of the converter is determined by the total components employed in the topology. When compared with independent SI converters, MI converters with a balanced share of components at their input and output stages can be developed at lower costs. In NI converters, there is a lack of transformer requirements for input–output isolation; this makes them less expensive than isolated converters. Buck and boost converters are less expensive than other non-isolated topologies because they have a smaller requirement for the number of components. Boost converters are the more cost-effective topologies among them all. The boost converter has advantages over the buck converter in solar applications. The current requirement of MOSFETs in boost converters is lower than in buck converters. Boost converters, in comparison to buck converters, require a greater inductance to achieve the current ripple. Buck converters require a large capacitor when the input current is erratic. In a boost converter, the freewheeling diode can be utilized as a blocking diode, but it is an extra component in a buck converter [88]. A rise in the utilization of renewables such solar PV and wind results in high-end research attention for cost effectiveness. Additional to this, they will offer environmental benefits. These traditional solutions have poor efficiency when an additional converter is used in energy storage systems.
Table 5.
Different types of renewable energy multiport converters.
The multi-stage architecture increases the size, has a lower power density, and is not economical. The single switch to manage the power distribution of all three ports reduces the size and cost [89]. Reliability & There are two factors that influence the converters’ stability. The investigation into the common components in the circuit and in the load placed on each component states that buck–boost, Cuk, and SEPIC converters need more passive devices and more electrical stress on the switches, diodes, and capacitors compared with buck and boost converters [90]. Flexibility the topology’s compatibility with various sorts of input sources can be configured. Because the major purpose of MI converters is to integrate diverse input sources to produce the desired output, the topology input interface is crucial. A wide range of output voltages should be provided, and different input sources should be able to be integrated. Since the input current is continuous and ripple-free, Cuk and SEPIC converters are more flexible, and they can step up or decrease the input voltage at the same time [91]. It is found that NI topologies are more efficient [92,93]. While moving towards to modern control techniques, many investigations have proven to be effective using algorithms and fuzzy systems approaches. A thorough model for modeling actuator faults is presented, and a novel fault-tolerant control (FTC) technique is provided to compensate for the loss of actuator efficacy in networked control systems. To address the stochastic nature of network difficulties, a Markov chain is used to depict networked-induced unpredictable delays, data packet dropouts, and diseases [94]. As a result, the resulting closed-loop system belongs to the class of Markovian jump systems. The aperiodic sampled-data control problem for flexible spacecraft with stochastic actuator failures is addressed in this work. Due to significant nonlinearity, flexible spacecraft dynamics are represented by a collection of T-S fuzzy models, and multi-stochastic spacecraft failures are portrayed by a time continuous and state-discrete Markov chain [95]. The outputs of energy hubs (EHs) and system parameters, which have a large impact on security performance, should be properly adjusted for the integrated energy system (IES) established by a cluster of EHs. An event-triggered distributed hybrid control strategy is proposed in this paper to ensure security and economic operations for the IES. First, the EH output control is created using energy network properties as well as containment and consensus techniques [96].
6. Conclusions
This review detailed a comparison of multiport converters for RE applications using NI topologies. The modes of operation, working, merits, and demerits of MPC DC-DC converters are presented here. The comparison of the NI-MPC converter with TPCs provides the highlights and drawbacks in both models for renewable applications. The operation and circuit level differences in each converter are highlighted briefly with their respective application. It is clear that NI-MPC topologies are the better solution to reduce the cost of the converters in renewable systems. However, when a bidirectional power flow is introduced to reduce the number of converters, system efficiency slightly reduces. So, this review insists that more research focuses on the bidirectional mode of NI-MPC to improve system efficiency. Apart from this, we discussed the converter’s behavior with grid-tied, off-grid, and microgrid systems. The multiple topologies comparison represented one system’s advantage over another in a respected system. The research gap and the future needs of converters for renewable applications are elaborated.
Author Contributions
Conceptualization, J.N.; methodology, J.N.; software, J.N.; validation, J.N.; formal analysis, J.N.; investigation, J.N.; resources, J.N.; data curation, J.N.; writing—original draft preparation, J.N.; writing—review and editing, J.N.; visualization, S.M.; supervision, S.M.; project administration, S.M. All authors have read and agreed to the published version of the manuscript.
Funding
This publication is funded by Vellore institute of technology, vellore, india-632014.
Data Availability Statement
All data is in article.
Acknowledgments
We thank VIT university for funding this work.
Conflicts of Interest
The authors declare no conflict of interest.
Nomenclature
| MPC | DC-DC multiport converter |
| DISO | Dual input single output |
| GM | Gain margin |
| HEV | Hybrid electric vehicle |
| HES | Hybrid energy storage |
| ICAD | Individual channel analysis and design |
| MPPT | Maximum power point tracking |
| MIMO | Multi-input single output |
| NI | Non-isolated |
| PM | Phase margin |
| PI | Proportional Integral |
| PWM | Pulse width modulation |
| RE | Renewable energy |
| RES | Renewable energy sources |
| SISO | Single input single output |
| SEPIC | Single-Ended Primary Inductor Converter |
| SPC | Single-port converters |
| SDGs | Sustainable Development Goals |
| SMP | Switched Mode Power |
| HTF | The harmonic transfer function |
| TPC | Two-port converter |
| UPS | Uninterrupted power supplies |
| VSC | Voltage source converter |
| ZVS | Zero voltage switching |
References
- Elavarasan, R.M.; Shafiullah, G.M.; Padmanaban, S.; Kumar, N.M.; Annam, A.; Vetrichelvan, A.M.; Mihet-Popa, L.; Holm-Nielsen, J.B. A Comprehensive Review on Renewable Energy Development, Challenges, and Policies of Leading Indian States With an International Perspective. IEEE Access 2020, 8, 74432–74457. [Google Scholar] [CrossRef]
- Gomathy, S.; Senthilnathan, D.N.; Swathi, S.; Poorviga, R.; Dinakaran, P. Review On Multi Input Multi Output DC-DC Converter. Int. J. Sci. Technol. Res. 2020, 9, 428–440. [Google Scholar]
- Karimi-Davijani, H.; Ojo, O. Controllability Analysis of Renewable Energy Systems. Power Electron. Renew. Energy Syst. Transp. Ind. Appl. 2014, 199–230. [Google Scholar] [CrossRef]
- Kumar, A.R.; Ramakrishnan, M. A scoping review on recent advancements in domestic applications of solar thermal systems. J. Therm. Eng. 2022, 8, 426–444. [Google Scholar] [CrossRef]
- Ramkumar, A.; Ramakrishnan, M. A comprehensive review on small-scale thermal energy harvesters: Advancements and applications. Mater. Today Proc. 2022, 66, 1552–1562. [Google Scholar] [CrossRef]
- Gielen, D.; Boshell, F.; Saygin, D.; Bazilian, M.D.; Wagner, N.; Gorini, R. The role of renewable energy in the global energy transformation. Energy Strategy Rev. 2019, 24, 38–50. [Google Scholar] [CrossRef]
- Tang, Z.; Yang, Y.; Blaabjerg, F. An Interlinking Converter for Renewable Energy Integration Into Hybrid Grids. IEEE Trans. Power Electron. 2021, 36, 2499–2504. [Google Scholar] [CrossRef]
- Babu, T.S.; Vasudevan, K.R.; Ramachandaramurthy, V.K.; Sani, S.B.; Chemud, S.; Lajim, R.M. A Comprehensive Review of Hybrid Energy Storage Systems: Converter Topologies, Control Strategies and Future Prospects. IEEE Access 2020, 8, 148702–148721. [Google Scholar] [CrossRef]
- Raheja, L. Power Electronics for Renewable Energy Systems: Current Approaches and Future Prospects. Int. J. Sci. Eng. Manag. 2019, 4, 3–7. [Google Scholar]
- Choy, W.J.; Costabeber, A.; Buticchi, G.; Trentin, A.; Walker, A.; Galea, M.; Paciura, K.; O’Brien, J.; Palmer, B. A Multiport Power Electronics Converter for Hybrid Traction Applications. IEEE Access 2021, 9, 99181–99192. [Google Scholar] [CrossRef]
- Marchesoni, M.; Vacca, C. New DC–DC Converter for Energy Storage System Interfacing in Fuel Cell Hybrid Electric Vehicles. IEEE Trans. Power Electron. 2007, 22, 301–308. [Google Scholar] [CrossRef]
- Amirabadi, M.; Toliyat, H.A.; Alexander, W.C. A Multiport AC Link PV Inverter With Reduced Size and Weight for Stand-Alone Application. IEEE Trans. Ind. Appl. 2013, 49, 2217–2228. [Google Scholar] [CrossRef]
- Jalbrzykowski, S.; Citko, T. A bidirectional DC-DC converter for renewable energy systems. Bull. Pol. Acad. Sci. Tech. Sci. 2009, 57, 363–368. [Google Scholar] [CrossRef]
- Moradpour, R.; Ardi, H.; Tavakoli, A. Design and Implementation of a New SEPIC-Based High Step-Up DC/DC Converter for Renewable Energy Applications. IEEE Trans. Ind. Electron. 2017, 65, 1290–1297. [Google Scholar] [CrossRef]
- Fang, X.; Ding, X.; Zhong, S.; Tian, Y. Improved Quasi-Y-Source DC-DC Converter for Renewable Energy. CPSS Trans. Power Electron. Appl. 2019, 4, 163–170. [Google Scholar] [CrossRef]
- Bhaskar, M.S.; Almakhles, D.J.; Padmanaban, S.; Blaabjerg, F.; Subramaniam, U.; Ionel, D.M. Analysis and Investigation of Hybrid DC–DC Non-Isolated and Non-Inverting Nx Interleaved Multilevel Boost Converter (Nx-IMBC) for High Voltage Step-Up Applications: Hardware Implementation. IEEE Access 2020, 8, 87309–87328. [Google Scholar] [CrossRef]
- Liu, H.; Hu, H.; Wu, H.; Xing, Y.; Batarseh, I. Overview of High-Step-Up Coupled-Inductor Boost Converters. IEEE J. Emerg. Sel. Top. Power Electron. 2016, 4, 689–704. [Google Scholar] [CrossRef]
- Esteki, M.; Poorali, B.; Adib, E.; Farzanehfard, H. Interleaved Buck Converter With Continuous Input Current, Extremely Low Output Current Ripple, Low Switching Losses, and Improved Step-Down Conversion Ratio. IEEE Trans. Ind. Electron. 2015, 62, 4769–4776. [Google Scholar] [CrossRef]
- Sidorov, V.; Chub, A.; Vinnikov, D.; Bakeer, A. An Overview and Comprehensive Comparative Evaluation of Constant-Frequency Voltage Buck Control Methods for Series Resonant DC–DC Converters. IEEE Open J. Ind. Electron. Soc. 2020, 2, 65–79. [Google Scholar] [CrossRef]
- Lee, H.-S.; Yun, J.-J. High-Efficiency Bidirectional Buck–Boost Converter for Photovoltaic and Energy Storage Systems in a Smart Grid. IEEE Trans. Power Electron. 2019, 34, 4316–4328. [Google Scholar] [CrossRef]
- Sarikhani, A.; Allahverdinejad, B.; Hamzeh, M. A Nonisolated Buck–Boost DC–DC Converter With Continuous Input Current for Photovoltaic Applications. IEEE J. Emerg. Sel. Top. Power Electron. 2021, 9, 804–811. [Google Scholar] [CrossRef]
- Onar, O.C.; Kobayashi, J.; Erb, D.C.; Khaligh, A. A Bidirectional High-Power-Quality Grid Interface With a Novel Bidirectional Noninverted Buck–Boost Converter for PHEVs. IEEE Trans. Veh. Technol. 2012, 61, 2018–2032. [Google Scholar] [CrossRef]
- Wu, H.; Zhang, J.; Xing, Y. A Family of Multiport Buck–Boost Converters Based on DC-Link-Inductors (DLIs). IEEE Trans. Power Electron. 2015, 30, 735–746. [Google Scholar] [CrossRef]
- Khodabandeh, M.; Afshari, E.; Amirabadi, M. A Family of Ćuk, Zeta, and SEPIC Based Soft-Switching DC–DC Converters. IEEE Trans. Power Electron. 2019, 34, 9503–9519. [Google Scholar] [CrossRef]
- Pandey, R.; Singh, B. A Power-Factor-Corrected LLC Resonant Converter for Electric Vehicle Charger Using Cuk Converter. IEEE Trans. Ind. Appl. 2019, 55, 6278–6286. [Google Scholar] [CrossRef]
- Ferrera, M.B.; Litran, S.P.; Aranda, E.D.; Marquez, J.M.A. A Converter for Bipolar DC Link Based on SEPIC-Cuk Combination. IEEE Trans. Power Electron. 2015, 30, 6483–6487. [Google Scholar] [CrossRef]
- Ardi, H.; Ajami, A. Study on a High Voltage Gain SEPIC-Based DC–DC Converter With Continuous Input Current for Sustainable Energy Applications. IEEE Trans. Power Electron. 2018, 33, 10403–10409. [Google Scholar] [CrossRef]
- Maroti, P.K.; Padmanaban, S.; Holm-Nielsen, J.B.; Bhaskar, M.S.; Meraj, M.; Iqbal, A. A New Structure of High Voltage Gain SEPIC Converter for Renewable Energy Applications. IEEE Access 2019, 7, 89857–89868. [Google Scholar] [CrossRef]
- Karimian, F.; Nahavandi, A. Design and analysis of a new structure of non-isolated DC–DC cuk–boost converter with high voltage gain. IET Power Electron. 2019, 12, 530–540. [Google Scholar] [CrossRef]
- Suresh, K.; Bharatiraja, C.; Chellammal, N.; Tariq, M.; Chakrabortty, R.K.; Ryan, M.J.; Alamri, B. A Multifunctional Non-Isolated Dual Input-Dual Output Converter for Electric Vehicle Applications. IEEE Access 2021, 9, 64445–64460. [Google Scholar] [CrossRef]
- Zhou, Z.; Wu, H.; Ma, X.; Xing, Y. A non-isolated three-port converter for stand-alone renewable power system. In Proceedings of the IECON Proceedings (Industrial Electronics Conference), Montreal, QC, Canada, 25–28 October 2012; pp. 3352–3357. [Google Scholar] [CrossRef]
- Zhu, H.; Zhang, D.; Zhang, B.; Zhou, Z. A Nonisolated Three-Port DC–DC Converter and Three-Domain Control Method for PV-Battery Power Systems. IEEE Trans. Ind. Electron. 2015, 62, 4937–4947. [Google Scholar] [CrossRef]
- Anuradha, C.; Sakthivel, C.; Venkatesan, T.; Chellammal, N. Analysis of Non-Isolated Multi-Port Single Ended Primary Inductor Converter or Standalone Applications. Energies 2018, 11, 539. [Google Scholar] [CrossRef]
- Sivasankar, N.; Devabalaji, K.R. Comparative Analysis of Non-Isolated Three port converters for Solar and Energy Storage Integration. Int. J. Eng. Trends Technol. 2020, 68, 73–77. [Google Scholar]
- Cheng, T.; Lu, D.D.-C.; Qin, L. Non-Isolated Single-Inductor DC/DC Converter With Fully Reconfigurable Structure for Renewable Energy Applications. IEEE Trans. Circuits Syst. II Express Briefs 2018, 65, 351–355. [Google Scholar] [CrossRef]
- Khasim, S.R.; Dhanamjayulu, C.; Muyeen, S.M. A Single Inductor Multi-Port Power Converter for Electric Vehicle Applications. IEEE Access 2023, 11, 3367–3385. [Google Scholar] [CrossRef]
- Shayeghi, H.; Pourjafar, S.; Lopez, J.A. A Bidirectional Multi-Port Structure of DC-DC Converter for Energy Storage Systems. J. Energy Manag. Technol. 2023, 7, 69–79. [Google Scholar]
- Suvvala, J.; Kumar, K.S. Implementation of EFC Charging Station by Multiport Converter with Integration of RES. Energies 2023, 16, 1521. [Google Scholar] [CrossRef]
- Gevorkov, L.; Domínguez-García, J.L.; Martínez, À.F. Modern Trends in MultiPort Converters: Isolated, Non-Isolated, and Partially Isolated. In Proceedings of the 2022 IEEE 63th International Scientific Conference on Power and Electrical Engineering of Riga Technical University (RTUCON), Riga, Latvia, 10–12 October 2022; pp. 1–6. [Google Scholar]
- Rezaii, R.; Ghosh, S.; Safayatullah, M.; Tayebi, S.M.; Batarseh, I. Quad-Input Single-Resonant Tank LLC Converter for PV Applications. IEEE Trans. Ind. Appl. 2023, 1–19. [Google Scholar] [CrossRef]
- Veerachary, M.; Yadav, N. Design and Analysis of Two-input Single-output DC-DC Converter. In Proceedings of the 2021 IEEE 4th International Conference on Computing, Power and Communication Technologies, GUCON 2021, Kuala Lumpur, Malaysia, 24–26 September 2021; pp. 1–6. [Google Scholar] [CrossRef]
- Tian, Q.; Zhou, G.; Liu, R.; Zhang, X.; Leng, M. Topology Synthesis of a Family of Integrated Three-Port Converters for Renewable Energy System Applications. IEEE Trans. Ind. Electron. 2021, 68, 5833–5846. [Google Scholar] [CrossRef]
- Al-Soeidat, M.R.; Aljarajreh, H.; Khawaldeh, H.A.; Lu, D.D.-C.; Zhu, J. A Reconfigurable Three-Port DC–DC Converter for Integrated PV-Battery System. IEEE J. Emerg. Sel. Top. Power Electron. 2020, 8, 3423–3433. [Google Scholar] [CrossRef]
- Zhao, J.; Iu, H.H.; Fernando, T.; An, L.; Lu, D.D.-C. Design of a non-isolated single-switch three-port DC-DC converter for standalone PV-battery power system. In Proceedings of the IEEE International Symposium on Circuits and Systems, Lisbon, Portugal, 24–27 May 2015; Volume 2015, pp. 2493–2496. [Google Scholar] [CrossRef]
- Chen, G.; Jin, Z.; Deng, Y.; He, X.; Qing, X. Principle and Topology Synthesis of Integrated Single-Input Dual-Output and Dual-Input Single-Output DC–DC Converters. IEEE Trans. Ind. Electron. 2018, 65, 3815–3825. [Google Scholar] [CrossRef]
- Dhananjaya, M.; Jagabar Sathik, M.; Padmanaban, S.; Almakhles, D.; Potnuru, D. A New Configuration of Switch and Source Fault-Tolerant Dual-Input Single-Output DC-DC Converter. In Proceedings of the 2021 IEEE 4th International Conference on Computing, Power and Communication Technologies, GUCON 2021, Kuala Lumpur, Malaysia, 24–26 September 2021; pp. 1–6. [Google Scholar] [CrossRef]
- Danyali, S.; Moradkhani, A.; Aazami, R.; Haghi, M. New Dual-Input Zero-Voltage Switching DC–DC Boost Converter for Low-Power Clean Energy Applications. IEEE Trans. Power Electron. 2021, 36, 11532–11542. [Google Scholar] [CrossRef]
- Prabhala, V.A.K.; Fajri, P.; Gouribhatla, V.S.P.; Baddipadiga, B.P.; Ferdowsi, M. A DC–DC Converter With High Voltage Gain and Two Input Boost Stages. IEEE Trans. Power Electron. 2016, 31, 4206–4215. [Google Scholar] [CrossRef]
- Kumar, L.; Jain, S. A multiple source DC/DC converter topology. Int. J. Electr. Power Energy Syst. 2013, 51, 278–291. [Google Scholar] [CrossRef]
- Li, Y.; Ruan, X.; Yang, D.; Liu, F.; Tse, C.K. Synthesis of Multiple-Input DC/DC Converters. IEEE Trans. Power Electron. 2010, 25, 2372–2385. [Google Scholar] [CrossRef]
- Zhang, N.; Sutanto, D.; Muttaqi, K.M. A review of topologies of three-port DC–DC converters for the integration of renewable energy and energy storage system. Renew. Sustain. Energy Rev. 2016, 56, 388–401. [Google Scholar] [CrossRef]
- Mishra, S.K.; Nayak, K.K.; Rana, M.S.; Dharmarajan, V. Switched-boost action based multiport converter. IEEE Trans. Ind. Appl. 2018, 55, 964–975. [Google Scholar] [CrossRef]
- Rehman, Z.; Al-Bahadly, I.; Mukhopadhyay, S. Multiinput DC–DC converters in renewable energy applications—An overview. Renew. Sustain. Energy Rev. 2015, 41, 521–539. [Google Scholar] [CrossRef]
- Behera, D.K.; Anand, I.; Reddy, B.M.; Senthilkumar, S. A Robust Power Control Scheme for a Dual-Input Single-Output converter with a Standalone Solar PV System. In Proceedings of the 2018 IEEE International Conference on Power Electronics, Drives and Energy Systems, PEDES 2018, Chennai, India, 18–21 December 2018; pp. 1–6. [Google Scholar] [CrossRef]
- Liu, X.; Xu, J.; Chen, Z.; Wang, N. Single-Inductor Dual-Output Buck–Boost Power Factor Correction Converter. IEEE Trans. Ind. Electron. 2015, 62, 943–952. [Google Scholar] [CrossRef]
- Yang, H.-A.; Yang, W.-H.; Chen, K.-H.; Wey, C.-L.; Lin, Y.-H.; Lee, C.-C.; Lin, J.-R.; Tsai, T.-Y.; Lai, S.-C. 12.7 A 96%-efficiency and 0.5%-current-cross-regulation single-inductor multiple floating-output LED driver with 24b color resolution. In Proceedings of the Digest of Technical Papers—IEEE International Solid-State Circuits Conference, Cambridge, MA, USA, 3 February 2016; Volume 59, pp. 230–231. [Google Scholar] [CrossRef]
- Liu, Y.; Chen, G.; Hu, Y.; Huang, L.; Qing, X. Magnetic Coupling Branch Based Dual-Input/Output DC–DC Converters With Improved Cross-Regulation and Soft-Switching Operation. IEEE Trans. Ind. Electron. 2020, 67, 7167–7178. [Google Scholar] [CrossRef]
- Ye, Y.; Cheng, K.W.E. Single-switch single-inductor multi-output pulse width modulation converters based on optimised switched-capacitor. IET Power Electron. 2015, 8, 2168–2175. [Google Scholar] [CrossRef]
- Ray, O.; Josyula, A.P.; Mishra, S.; Joshi, A. Integrated Dual-Output Converter. IEEE Trans. Ind. Electron. 2015, 62, 371–382. [Google Scholar] [CrossRef]
- Hajari, S.; Ray, O. Operation and Control of Integrated Dual-Output Converter interfacing non-linear loads. In Proceedings of the 9th IEEE International Conference on Power Electronics, Drives and Energy Systems, PEDES 2020, Jaipur, India, 16–19 December 2020; pp. 1–6. [Google Scholar] [CrossRef]
- Dam, S.; Mandal, P. A Hybrid, Fully-Integrated, Dual-Output DC–DC Converter for Portable Electronics. IEEE Trans. Power Electron. 2021, 36, 4360–4370. [Google Scholar] [CrossRef]
- Goh, T.Y.; Ng, W.T. Single Discharge Control for Single-Inductor Multiple-Output DC–DC Buck Converters. IEEE Trans. Power Electron. 2018, 33, 2307–2316. [Google Scholar] [CrossRef]
- dos Santos, E.C. Dual-output dc–dc buck converters with bidirectional and unidirectional characteristics. IET Power Electron. 2013, 6, 999–1009. [Google Scholar] [CrossRef]
- Song, S.; Chen, G.; Liu, Y.; Hu, Y.; Ni, K.; Wang, Y. A Three-Switch-Based Single-Input Dual-Output Converter With Simultaneous Boost & Buck Voltage Conversion. IEEE Trans. Ind. Informatics 2020, 16, 4468–4477. [Google Scholar] [CrossRef]
- Nahavandi, A.; Hagh, M.T.; Sharifian, M.B.B.; Danyali, S. A Nonisolated Multiinput Multioutput DC–DC Boost Converter for Electric Vehicle Applications. IEEE Trans. Power Electron. 2015, 30, 1818–1835. [Google Scholar] [CrossRef]
- Mohseni, P.; Hosseini, S.H.; Sabahi, M.; Jalilzadeh, T.; Maalandish, M. A New High Step-Up Multi-Input Multi-Output DC–DC Converter. IEEE Trans. Ind. Electron. 2019, 66, 5197–5208. [Google Scholar] [CrossRef]
- Shan, Z.; Ding, X.; Jatskevich, J.; Tse, C.K. Synthesis of Multi-Input Multi-Output DC/DC Converters Without Energy Buffer Stages. IEEE Trans. Circuits Syst. II Express Briefs 2021, 68, 712–716. [Google Scholar] [CrossRef]
- Ahrabi, R.R.; Ardi, H.; Elmi, M.; Ajami, A. A Novel Step-Up Multiinput DC–DC Converter for Hybrid Electric Vehicles Application. IEEE Trans. Power Electron. 2017, 32, 3549–3561. [Google Scholar] [CrossRef]
- Kim, T.; Kwak, S. Single pole switch leg based multi-port converter with an energy storage. IET Power Electron. 2016, 9, 1322–1330. [Google Scholar] [CrossRef]
- Chen, G.; Liu, Y.; Qing, X.; Wang, F. Synthesis of Integrated Multiport DC–DC Converters With Reduced Switches. IEEE Trans. Ind. Electron. 2020, 67, 4536–4546. [Google Scholar] [CrossRef]
- Chandrasekar, B.; Nallaperumal, C.; Padmanaban, S.; Bhaskar, M.S.; Holm-Nielsen, J.B.; Leonowicz, Z.; Masebinu, S.O. Non-Isolated High-Gain Triple Port DC–DC Buck-Boost Converter With Positive Output Voltage for Photovoltaic Applications. IEEE Access 2020, 8, 113649–113666. [Google Scholar] [CrossRef]
- Nejabatkhah, F.; Danyali, S.; Hosseini, S.H.; Sabahi, M.; Niapour, S.M. Modeling and Control of a New Three-Input DC–DC Boost Converter for Hybrid PV/FC/Battery Power System. IEEE Trans. Power Electron. 2012, 27, 2309–2324. [Google Scholar] [CrossRef]
- Ding, S.; Wu, H.; Xing, Y.; Fang, Y.; Ma, X. Topology and control of a family of non-isolated three-port DC-DC converters with a bidirectional cell. In Proceedings of the Conference Proceedings—EEE Applied Power Electronics Conference and Exposition—APEC, Long Beach, CA, USA, 17–21 March 2013; pp. 1089–1094. [Google Scholar] [CrossRef]
- Wu, H.; Xing, Y.; Xia, Y.; Sun, K. A family of non-isolated three-port converters for stand-alone renewable power system. In Proceedings of the IECON Proceedings (Industrial Electronics Conference), Melbourne, Australia, 7–10 November 2011; pp. 1030–1035. [Google Scholar] [CrossRef]
- RamKumar, A.; Marimuthu, R. Energy, exergy, economic, environmental (4E) and frequency distribution analysis of train wind gust with real-time data for energy harvesting. Environ. Res. Commun. 2022, 12, 125002. [Google Scholar] [CrossRef]
- Gavris, M.; Muntean, N.; Cornea, O. A new dual-input hybrid buck DC-DC converter. In Proceedings of the International Aegean Conference on Electrical Machines and Power Electronics, ACEMP 2011 and Electromotion 2011 Joint Conference, Istanbul, Turkey, 8–10 September 2011; pp. 109–114. [Google Scholar] [CrossRef]
- Cai, J.; Zhong, Q.-C. Compact bidirectional DC-DC converters with two input sources. In Proceedings of the 2014 IEEE 5th International Symposium on Power Electronics for Distributed Generation Systems, PEDG 2014, Galway, Ireland, 24–27 June 2014; pp. 1–5. [Google Scholar] [CrossRef]
- Chen, Y.-M.; Liu, Y.-C.; Lin, S.-H. Double-Input PWM DC/DC Converter for High-/Low-Voltage Sources. IEEE Trans. Ind. Electron. 2006, 53, 1538–1545. [Google Scholar] [CrossRef]
- Marjani, J.; Imani, A.; Afjei, E.; Hekmati, A. A new dual output DC-DC converter with enhancing output voltage level. In Proceedings of the 2016 24th Iranian Conference on Electrical Engineering, ICEE 2016, Shiraz, Iran, 10–12 May 2016; pp. 573–577. [Google Scholar] [CrossRef]
- Kumar, P.; Rojas-Gonzalez, M. Novel 3-Switch Dual Output Buck Voltage Regulator. In Proceedings of the Conference Proceedings—IEEE Applied Power Electronics Conference and Exposition—APEC, Dallas, TX, USA, 19–23 March 2006; Volume 2006, pp. 467–473. [Google Scholar] [CrossRef]
- Hwu, K.I.; Yau, Y.T.; Shieh, J.-J. Dual-output boost converter. In Proceedings of the International Conference on Power Electronics and Drive Systems, Singapore, 5–8 December 2011; pp. 940–943. [Google Scholar] [CrossRef]
- Zhang, H.; Wang, X.; Harnefors, L.; Gong, H.; Hasler, J.-P.; Nee, H.-P. SISO Transfer Functions for Stability Analysis of Grid-Connected Voltage-Source Converters. IEEE Trans. Ind. Appl. 2019, 55, 2931–2941. [Google Scholar] [CrossRef]
- Guo, C.; Yang, S.; Liu, W.; Zhao, C. Single-Input–Single-Output Feedback Control Model and Stability Margin Analysis for Hybrid Dual-Infeed HVDC System. IEEE J. Emerg. Sel. Top. Power Electron. 2021, 9, 3061–3071. [Google Scholar] [CrossRef]
- Zhang, C.; Cai, X.; Rygg, A.; Molinas, M. Sequence Domain SISO Equivalent Models of a Grid-Tied Voltage Source Converter System for Small-Signal Stability Analysis. IEEE Trans. Energy Convers. 2018, 33, 741–749. [Google Scholar] [CrossRef]
- Honarjoo, B.; Madani, S.M.; Niroomand, M.; Adib, E. Non-isolated high step-up three-port converter with single magnetic element for photovoltaic systems. IET Power Electron. 2018, 11, 2151–2160. [Google Scholar] [CrossRef]
- Deepa, K.; Sharika, M.; Kumar, M.V. Implementation of a SISO-ZVS push-pull converter fed DC servo motor. In Proceedings of the India International Conference on Power Electronics, IICPE, Delhi, India, 6–8 December 2012; pp. 1–5. [Google Scholar] [CrossRef]
- Chen, Y.-M.; Huang, A.Q.; Yu, X. A High Step-Up Three-Port DC–DC Converter for Stand-Alone PV/Battery Power Systems. IEEE Trans. Power Electron. 2013, 28, 5049–5062. [Google Scholar] [CrossRef]
- An, L.; Lu, D.D.-C. Design of a Single-Switch DC/DC Converter for a PV-Battery-Powered Pump System With PFM+PWM Control. IEEE Trans. Ind. Electron. 2015, 62, 910–921. [Google Scholar] [CrossRef]
- Zhang, P.; Chen, Y.; Lu, Z.; Kang, Y. The cost-efficient, common-ground, non-isolated three-port converter deduced from the single-inductor dual-output (SIDO) topology. In Proceedings of the Conference Proceedings—IEEE Applied Power Electronics Conference and Exposition—APEC, Charlotte, NC, USA, 15–19 March 2015; Volume 2015, pp. 2020–2025. [Google Scholar] [CrossRef]
- Zhu, B.; Ding, F.; Vilathgamuwa, D.M. Coat Circuits for DC–DC Converters to Improve Voltage Conversion Ratio. IEEE Trans. Power Electron. 2020, 35, 3679–3687. [Google Scholar] [CrossRef]
- Teja, V.R.; Srinivas, S.; Mishra, M.K. A three port high gain non-isolated DC-DC converter for photovoltaic applications. In Proceedings of the IEEE International Conference on Industrial Technology, Taipei, Taiwan, 14–17 March 2016; Volume 2016, pp. 251–256. [Google Scholar] [CrossRef]
- Chen, Y.; Wen, G.; Peng, L.; Kang, Y.; Chen, J. A family of cost-efficient non-isaolated single-inductor three-port converters for low power stand-alone renewable power applications. In Proceedings of the Conference Proceedings—IEEE Applied Power Electronics Conference and Exposition—APEC, Long Beach, CA, USA, 17–21 March 2013; pp. 1083–1088. [Google Scholar] [CrossRef]
- Tomas-Manez, K.; Anthon, A.; Zhang, Z.; Ouyang, Z.; Franke, T. High efficiency non-isolated three port DC-DC converter for PV-battery systems. In Proceedings of the 2016 IEEE 8th International Power Electronics and Motion Control Conference, IPEMC-ECCE Asia 2016, Hefei, China, 22–26 May 2016; pp. 1806–1812. [Google Scholar] [CrossRef]
- Bahreini, M.; Zarei, J.; Razavi-Far, R.; Saif, M. Robust and Reliable Output Feedback Control for Uncertain Networked Control Systems Against Actuator Faults. IEEE Trans. Syst. Man, Cybern. Syst. 2022, 52, 2555–2564. [Google Scholar] [CrossRef]
- You, Z.; Yan, H.; Sun, J.; Zhang, H.; Li, Z. Reliable Control for Flexible Spacecraft Systems With Aperiodic Sampling and Stochastic Actuator Failures. IEEE Trans. Cybern. 2022, 52, 3434–3445. [Google Scholar] [CrossRef] [PubMed]
- Zhang, N.; Sun, Q.; Yang, L.; Li, Y. Event-Triggered Distributed Hybrid Control Scheme for the Integrated Energy System. IEEE Trans. Ind. Informatics 2022, 18, 835–846. [Google Scholar] [CrossRef]
Disclaimer/Publisher’s Note: The statements, opinions and data contained in all publications are solely those of the individual author(s) and contributor(s) and not of MDPI and/or the editor(s). MDPI and/or the editor(s) disclaim responsibility for any injury to people or property resulting from any ideas, methods, instructions or products referred to in the content. |
© 2023 by the authors. Licensee MDPI, Basel, Switzerland. This article is an open access article distributed under the terms and conditions of the Creative Commons Attribution (CC BY) license (https://creativecommons.org/licenses/by/4.0/).


