Hybrid Wind-Solar Power System with a Battery-Assisted Quasi-Z-Source Inverter: Optimal Power Generation by Deploying Minimum Sensors
Abstract
:1. Introduction
2. Configuration of the Proposed Wind–Solar System
2.1. Wind Energy Subsystem
2.1.1. Wind Turbine Characteristics
2.1.2. Maximum Wind Power Extraction
2.1.3. Speed-Sensorless IRFO Control
2.1.4. Minimization of Generator Losses
2.2. Solar Energy Subsystem
2.2.1. Photovoltaic Source Characteristics
2.2.2. Maximum Solar Power Extraction
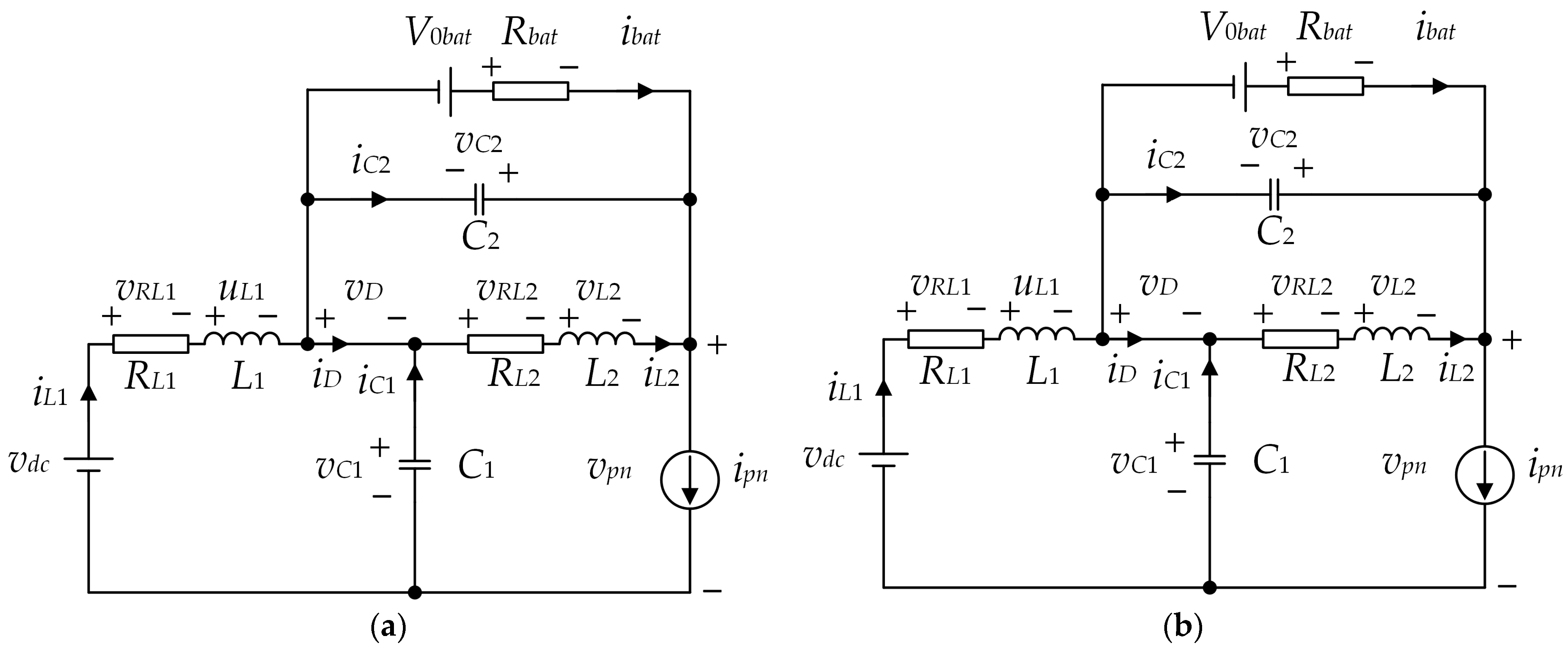
2.3. Quasi-Z-Source Inverter with Batteries
2.3.1. Theoretical Background
2.3.2. Zero-Sync Sinusoidal PWM with Dead Time
2.3.3. Battery Charging Control
2.4. Grid-Tie and Island Control Algorithms
3. Experimental Setup
- DC power supply Chroma 62050H 600S programmed to emulate 16 series connected PV panels KC200GT (Kyocera)
- Hall-effect transducers LA 50-P/S55 (SCIG currents), LA 55-P/SP52 (qZSI currents), DVL 500 (qZSI voltages), LV 25-P (load voltage), CV 3-500 (grid voltages) (LEM)
- qZSI impedance network inductors with T520-26 (Micrometals) powder cores (L1 = L2 = 20.2 mH (unsaturated), RL = 0.5 Ω (at 25 °C)), polypropylene capacitors MKSPI35-50U/1000 (Miflex) (C1 = C2 = 50 μF, ESR = 7.8 mΩ)
- qZSI three-phase inverter bridge (IXBX75N170 IGBTs (IXYS) and SKHI 22B(R) drivers (Semikron)) with a switching frequency of 5 kHz
- LCL filter at the qZSI output stage (Lf1 = 8.64 mH, Lf2 = 4.32 mH, Cf = 4 μF, Rd = 10 Ω)
- MicroLabBox controller board (dSpace) for the qZSI control
- Three-phase resistive load
- Battery system with 20 lead–acid batteries (rated voltage 12 V, capacity 75 Ah)
- Three-phase relay for load connection/disconnection
- SCIG rated 1.5 kW (Končar, efficiency class IE1 [39])
- DC motor rated 1.62 kW (SIEC) driven by SIMOREG DC-MASTER converter, type 6RA7031 (Siemens), used for WT emulation
- Torque transducer TM 308 (Magtrol)
- DS1103 controller board (dSpace) for the WT SCIG control
- Incremental rotary encoder ROD 426 B (Heidenhain)
- Three-phase IGBT bridge rectifier (SKM100GB125DN IGBT modules and SKHI 22B drivers (Semikron)) and DC-bus capacitor Cdc = 940 μF
4. Results and Discussion
4.1. Dynamic Performance
4.1.1. Island Operation
4.1.2. Grid-Tie Operation
4.2. Steady-State Performance Analysis
5. Conclusions
Author Contributions
Funding
Data Availability Statement
Conflicts of Interest
References
- Barakati, S.M.; Kazerani, M.; Aplevich, J.D. Maximum power tracking control for a wind turbine system including a matrix converter. IEEE Trans. Energy Convers. 2009, 24, 705–713. [Google Scholar] [CrossRef]
- Sowmmiya, U.; Uma, G. Control and maximum power tracking operation of hybrid excited variable speed induction generator. Electr. Power Syst. Res. 2017, 143, 771–781. [Google Scholar] [CrossRef]
- Hong, C.M.; Cheng, F.S.; Chen, C.H. Optimal control for variable-speed wind generation systems using General Regression Neural Network. Int. J. Electr. Power Energy Syst. 2014, 60, 14–23. [Google Scholar] [CrossRef]
- Chen, C.H.; Hong, C.M.; Cheng, F.S. Intelligent speed sensorless maximum power point tracking control for wind generation system. Int. J. Electr. Power Energy Syst. 2012, 42, 399–407. [Google Scholar] [CrossRef]
- Nayanar, V.; Kumaresan, N.; Gounden, N.A. A single-sensor-based MPPT controller for wind-driven induction generators supplying dc microgrid. IEEE Trans. Power Electron. 2016, 31, 1161–1172. [Google Scholar] [CrossRef]
- Mesemanolis, A.; Mademlis, C.; Kioskeridis, I. High-efficiency control for a wind energy conversion system with induction generator. IEEE Trans. Energy Convers. 2012, 27, 958–967. [Google Scholar] [CrossRef]
- Vukadinović, D.; Bašić, M.; Nguyen, C.H.; Nguyen, T.D.; Vu, N.L.; Grgić, I. Hedge-Algebra Speed Controller—Experimental Implementation in a Sensorless Stand-Alone WECS. In Proceedings of the 2020 International Symposium on Industrial Electronics and Applications, Banja Luka, Bosnia and Herzegovina, 4–6 November 2020. [Google Scholar] [CrossRef]
- Bašić, M.; Vukadinović, D.; Grgić, I.; Bubalo, M. Energy efficient control of a stand-alone wind energy conversion system with AC current harmonics compensation. Control Eng. Pract. 2019, 93, 104185. [Google Scholar] [CrossRef]
- Simoes, M.G.; Bose, B.K.; Spiegel, R.J. Design and performance evaluation of a fuzzy-logic-based variable-speed wind generation system. IEEE Trans. Ind. Appl. 1997, 33, 956–965. [Google Scholar] [CrossRef]
- Senjyu, T.; Ochi, Y.; Kikunaga, Y.; Tokudome, M.; Yona, A.; Muhando, E.B.; Urasaki, N.; Funabashi, T. Sensor-less maximum power point tracking control for wind generation system with squirrel cage induction generator. Renew. Energy 2009, 34, 994–999. [Google Scholar] [CrossRef]
- Errouissi, R.; Al-Durra, A.; Muyeen, S.M. A robust continuous-time MPC of a DC–DC boost converter interfaced with a grid-connected photovoltaic system. IEEE J. Photovolt. 2016, 6, 1619–1629. [Google Scholar] [CrossRef]
- Jain, C.; Singh, B. A three-phase grid tied SPV system with adaptive DC link voltage for CPI voltage variations. IEEE Trans. Sustain. Energy 2016, 7, 337–344. [Google Scholar] [CrossRef]
- Anderson, J.; Peng, F.Z. Four Quasi-Z-source Inverters. In Proceedings of the 2008 IEEE Power Electronics Specialists Conference, Rhodes, Greece, 15–19 June 2008. [Google Scholar] [CrossRef]
- Babaa, S.E.; Armstrong, M.; Pickert, V. Overview of maximum power point tracking control methods for PV systems. J. Power Energy Eng. 2014, 2, 59–72. [Google Scholar] [CrossRef]
- Eltawil, M.A.; Zhao, Z. MPPT techniques for photovoltaic applications. Renew. Sustain. Energy Rev. 2013, 25, 793–813. [Google Scholar] [CrossRef]
- Liu, Y.; Ge, B.; Abu-Rub, H.; Iqbal, A.; Peng, F. Modeling and Controller Design of Quasi-Z-Source Inverter with Battery Based Photovoltaic Power System. In Proceedings of the 2012 IEEE Energy Conversion Congress and Exposition, Raleigh, NC, USA, 15–20 September 2012. [Google Scholar] [CrossRef]
- Liu, Y.; Ge, B.; Abu-Rub, H.; Peng, F.Z. Control system design of battery-assisted quasi-z-source inverter for grid-tie photovoltaic power generation. IEEE Trans. Sustain. Energy 2013, 4, 994–1001. [Google Scholar] [CrossRef]
- Liu, Y.; Ge, B.; Abu-Rub, H.; Peng, F.Z. Modelling and controller design of quasi-Z-source inverter with battery-based photovoltaic power system. IET Power Electron. 2014, 7, 1665–1674. [Google Scholar] [CrossRef]
- Sun, D.; Ge, B.; Bi, D.; Peng, F.Z. Analysis and control of quasi-Z source inverter with battery for grid-connected PV system. Int. J. Electr. Power Energy Syst. 2013, 46, 234–240. [Google Scholar] [CrossRef]
- Sun, D.; Ge, B.; Peng, F.Z.; Rub, H.A.; Almeida, A.T.D. Power Flow Control for Quasi-Z Source Inverter with Battery Based PV Power Generation System. In Proceedings of the 2011 IEEE Energy Conversion Congress and Exposition, Phoenix, AZ, USA, 17–22 September 2011. [Google Scholar] [CrossRef]
- De Oliveira-Assis, L.; Soares-Ramos, E.P.P.; Sarrias-Mena, R.; García-Triviño, P.; González-Rivera, E.; Sánchez-Sainz, H.; LlorensIborra, F.; Fernández-Ramírez, L.M. Simplified model of battery energy-stored quasi-Z-source inverter-based photovoltaic power plant with Twofold energy management system. Energy 2021, 244, 122563. [Google Scholar] [CrossRef]
- Abu-Rub, H.; Iqbal, A.; Ahmed, S.M.; Peng, F.Z.; Li, Y.; Baoming, G. Quasi-Z-source inverter-based photovoltaic generation system with maximum power tracking control using ANFIS. IEEE Trans. Sustain. Energy 2013, 4, 11–20. [Google Scholar] [CrossRef]
- Grgić, I.; Bašić, M.; Vukadinović, D.; Bubalo, M. Fixed-Duty-Cycle Control of a Quasi-Z-Source Inverter in a Battery-Assisted Photovoltaic System. In Proceedings of the 2019 20th International Symposium on Power Electronics, Novi Sad, Serbia, 23–26 October 2019. [Google Scholar] [CrossRef]
- Monjo, L.; Sainz, L.; Mesas, J.J.; Pedra, J. State-space model of quasi-z-source inverter-PV systems for transient dynamics studies and network stability assessment. Energies 2021, 14, 4150. [Google Scholar] [CrossRef]
- Monjo, L.; Sainz, L.; Mesas, J.J.; Pedra, J. Quasi-Z-source inverter-based photovoltaic power system modeling for grid stability studies. Energies 2021, 14, 508. [Google Scholar] [CrossRef]
- Ge, B.; Abu-Rub, H.; Peng, F.Z.; Lei, Q.; Almeida, A.T.d.; Ferreira, F.J.T.E.; Sun, D.; Liu, Y. An energy-stored quasi-z-source inverter for application to photovoltaic power system. IEEE Trans. Ind. Electron. 2013, 60, 4468–4481. [Google Scholar] [CrossRef]
- Ge, B.; Peng, F.Z.; Abu-Rub, H.; Ferreira, F.J.T.E.; de Almeida, A.T. Novel energy stored single-stage photovoltaic power system with constant DC-link peak voltage. IEEE Trans. Sustain. Energy 2014, 5, 28–36. [Google Scholar] [CrossRef]
- Khajesalehi, J.; Sheshyekani, K.; Hamzeh, M.; Afjei, E. High-performance hybrid photovoltaic-battery system based on quasi-Zsource inverter: Application in microgrids. IET Gener. Transm. Distrib. 2015, 9, 895–902. [Google Scholar] [CrossRef]
- Li, F.; Ge, B.; Sun, D.; Bi, D.; Peng, F.Z.; Abu-Rub, H. Quasi-Z-Source Inverter with Battery Based PV Power Generation System. In Proceedings of the 2011 International Conference on Electrical Machines and Systems, Beijing, China, 20–23 August 2011. [Google Scholar] [CrossRef]
- Bubalo, M.; Bašić, M.; Vukadinović, D.; Grgić, I. Optimized Isolated Operation of a WECS-Powered Microgrid with a Battery-Assisted qZSI. In Proceedings of the 6th International Conference on Electric Power and Energy Conversion Systems, Istanbul, Turkey, 5–7 October 2020. [Google Scholar] [CrossRef]
- Bubalo, M.; Bašić, M.; Vukadinović, D.; Grgić, I. Experimental investigation of a standalone wind energy system with a battery-assisted quasi-Z-source inverter. Energies 2021, 14, 1665. [Google Scholar] [CrossRef]
- Ramachandran, S.; Ramasamy, M. Solar photovoltaic interfaced quasi impedance source network based static compensator for voltage and frequency control in the wind energy system. J. Electr. Eng. Technol. 2021, 16, 1253–1272. [Google Scholar] [CrossRef]
- Grgić, I.; Bašić, M.; Vukadinović, D.; Bubalo, M. Optimal Control of a Standalone Wind-Solar-Battery Power System with a Quasi-Z-Source Inverter. In Proceedings of the 2020 9th International Conference on Renewable Energy Research and Application, Glasgow, UK, 27–30 September 2020. [Google Scholar] [CrossRef]
- Babaei, E.; Abu-Rub, H.; Suryawanshi, H.M. Z-source converters: Topologies, modulation techniques, and application–part I. IEEE Trans. Ind. Electron. 2018, 65, 5092–5095. [Google Scholar] [CrossRef]
- Vijayan, V.; Ashok, S. Hybrid control for bidirectional Z-source inverter for locomotives. Adv. Power Electron. 2015, 2015, 264374. [Google Scholar] [CrossRef]
- Grgić, I.; Vukadinović, D.; Bašić, M.; Bubalo, M. Efficiency boost of a quasi-Z-source inverter: A novel shoot-through injection method with dead-time. Energies 2021, 14, 4216. [Google Scholar] [CrossRef]
- Bašić, M.; Bubalo, M.; Vukadinović, D.; Grgić, I. Sensorless maximum power control of a stand-alone squirrel-cage induction generator driven by a variable-speed wind turbine. J. Electr. Eng. Technol. 2021, 16, 333–347. [Google Scholar] [CrossRef]
- Bašić, M.; Vukadinović, D. Small-size induction machine equivalent circuit including variable stray load and iron losses. J. Electr. Eng. Technol. 2018, 13, 1604–1613. [Google Scholar] [CrossRef]
- IEC 60034-30-1; Rotating Electrical Machines—Part 30-1: Efficiency Classes of Line Operated AC Motors. IEC: Geneva, Switzerland, 2014.
- Abdullah, M.A.; Yatim, A.H.M.; Tan, C.W.; Saidur, R. A review of maximum power point tracking algorithms for wind energy systems. Renew. Sustain. Energy Rev. 2012, 16, 3220–3227. [Google Scholar] [CrossRef]
- Zhang, X.; Jia, J.; Zheng, L.; Yi, W.; Zhang, Z. Maximum power point tracking algorithms for wind power generation system: Review, comparison and analysis. Energy Sci. Eng. 2023, 11, 430–444. [Google Scholar] [CrossRef]
- Devarakonda, A.K.; Karuppiah, N.; Selvaraj, T.; Balachandran, P.K.; Shanmugasundaram, R.; Senjyu, T. A comparative analysis of maximum power point techniques for solar photovoltaic systems. Energies 2022, 15, 8776. [Google Scholar] [CrossRef]
- Rajesh, R.; Mabel, M.C. Efficiency analysis of a multi-fuzzy logic controller for the determination of operating points in a PV system. Sol. Energy 2014, 99, 77–87. [Google Scholar] [CrossRef]
- Brito, M.A.G.; Galotto, L.; Sampaio, L.P.; Melo, G.A.; Canesin, C.A. Evaluation of the main MPPT techniques for photovoltaic applications. IEEE Trans. Ind. Electron. 2013, 60, 1156–1167. [Google Scholar] [CrossRef]





















| ΔPdc | Sign (Δω*r) | |
|---|---|---|
| N | P | |
| PB | NB | PB |
| PM | NM | PM |
| PS | NS | PS |
| Z | Z | Z |
| NS | PS | NS |
| NM | PM | NM |
| NB | PB | NB |
| MPPT Type | WT MPPT Accuracy | PV MPPT Accuracy | |
|---|---|---|---|
| This study | FL-suspended | 97.18% | |
| [40] | Optimal torque control (OTC) | 90.66% | |
| [40] | P&O (voltage) | 87.94% | |
| [41] | P&O (duty-cycle) | 99.57% | |
| [41] | Improved OTC | 99.80% | |
| This study | P&O-suspended | 99.51% | |
| [42] | P&O | 94.96% | |
| [42] | FL | 96.88% | |
| [43] | Multi-FL | 97.87% | |
| [44] | Beta | 97.6% | |
| [44] | Incremental conductance | 98.6% |
Disclaimer/Publisher’s Note: The statements, opinions and data contained in all publications are solely those of the individual author(s) and contributor(s) and not of MDPI and/or the editor(s). MDPI and/or the editor(s) disclaim responsibility for any injury to people or property resulting from any ideas, methods, instructions or products referred to in the content. |
© 2023 by the authors. Licensee MDPI, Basel, Switzerland. This article is an open access article distributed under the terms and conditions of the Creative Commons Attribution (CC BY) license (https://creativecommons.org/licenses/by/4.0/).
Share and Cite
Bubalo, M.; Bašić, M.; Vukadinović, D.; Grgić, I. Hybrid Wind-Solar Power System with a Battery-Assisted Quasi-Z-Source Inverter: Optimal Power Generation by Deploying Minimum Sensors. Energies 2023, 16, 1488. https://doi.org/10.3390/en16031488
Bubalo M, Bašić M, Vukadinović D, Grgić I. Hybrid Wind-Solar Power System with a Battery-Assisted Quasi-Z-Source Inverter: Optimal Power Generation by Deploying Minimum Sensors. Energies. 2023; 16(3):1488. https://doi.org/10.3390/en16031488
Chicago/Turabian StyleBubalo, Matija, Mateo Bašić, Dinko Vukadinović, and Ivan Grgić. 2023. "Hybrid Wind-Solar Power System with a Battery-Assisted Quasi-Z-Source Inverter: Optimal Power Generation by Deploying Minimum Sensors" Energies 16, no. 3: 1488. https://doi.org/10.3390/en16031488
APA StyleBubalo, M., Bašić, M., Vukadinović, D., & Grgić, I. (2023). Hybrid Wind-Solar Power System with a Battery-Assisted Quasi-Z-Source Inverter: Optimal Power Generation by Deploying Minimum Sensors. Energies, 16(3), 1488. https://doi.org/10.3390/en16031488

