Analysis of the Electric Vehicle Charging Stations Effects on the Electricity Network with Artificial Neural Network
Abstract
1. Introduction
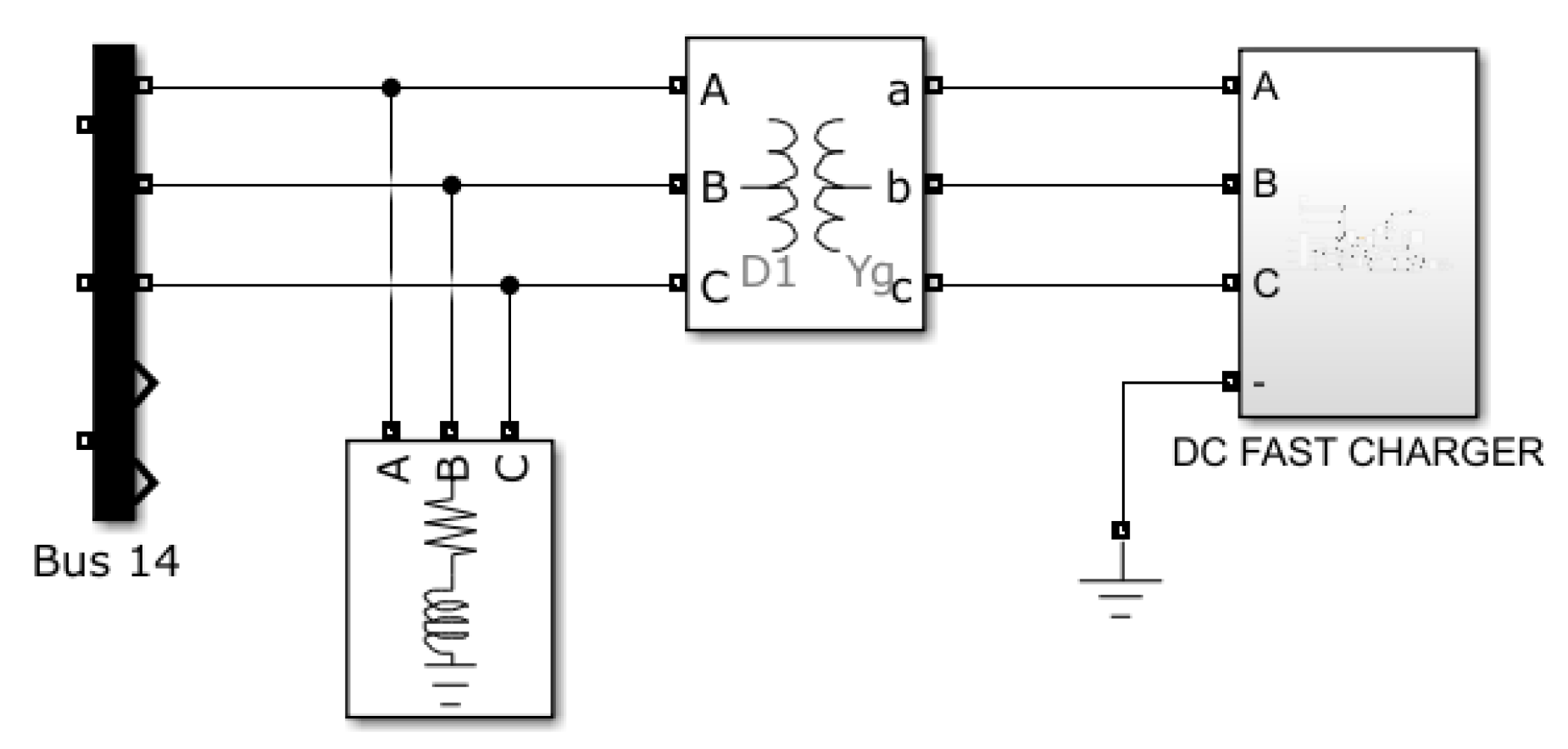
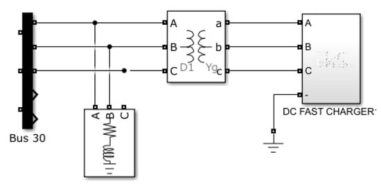
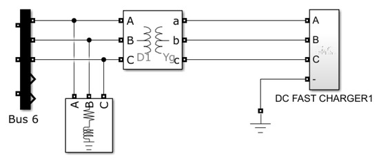
2. IEEE 6-Bus, IEEE 14-Bus, and IEEE 30-Bus Power Test Systems Data and Simulink Models
3. Charging Stations Model
4. THD Calculation and Simulation Results
- a)
 - EV charging stations act on the grid as non-linear loads and have harmful effects on the low voltage side of the transformer.
 - b)
 - The current drawn while charging an electric vehicle creates a harmonic distortion and the total harmonic distortion changes as a function of time in the charging station cycle.
 - c)
 - Finally, when more than one charging station is fed from a common port, the total effects are greater than the effects of one charging station, and this will bring an upper limit for the number of charging stations that can be connected to the common port according to the relevant standards [15]. In addition, due to the increases over time, the limits in the standards will be exceeded and will cause problems in the electrical network.
 
5. ANN Analysis
6. Results
Author Contributions
Funding
Institutional Review Board Statement
Informed Consent Statement
Data Availability Statement
Conflicts of Interest
References
- Olcay, K.; Cetinkaya, N. Solar Power Plant Suggestion for Charging Electric Vehicles and The Effects of The System on The Electric Network and CO2 Emission. In Proceedings of the 2021 IEEE 2nd KhPI Week on Advanced Technology (KhPIWeek), Kharkiv, Ukraine, 13–17 September 2021; pp. 249–254. [Google Scholar] [CrossRef]
 - Qian, K.; Zhou, C.; Allan, M.; Yuan, Y. Modeling of Load Demand Due to EV Battery Charging in Distribution Systems. IEEE Trans. Power Syst. 2011, 26, 802–810. [Google Scholar] [CrossRef]
 - ACEA (The European Automobile Manufacturers’ Association). Making The Transition to Zero-Emission Progress Report 2022. Available online: https://www.acea.auto/publication/2022-progress-report-making-the-transition-to-zero-emission-mobility/ (accessed on 7 June 2022).
 - Hadley, S.W.; Tsvetkova, A.A. Potential Impacts of Plug-in Hybrid Electric Vehicles on Regional Power Generation. Electr. J. 2009, 20, 56–68. [Google Scholar] [CrossRef]
 - Lucas, A.; Bonavitacola, F.; Kotsakis, E.; Fulli, G. Grid harmonic impact of multiple electric vehicle fast charging. Electr. Power Syst. Res. 2015, 127, 13–21. [Google Scholar] [CrossRef]
 - Basu, M.; Gaughan, K.; Coyle, E. Harmonic distortion caused by EV battery chargers in the distribution systems network and its remedy. In Proceedings of the 39th International Universities Power Engineering Conference, UPEC 2004—Conference Proceedings, Bristol, UK, 6–8 September 2004; pp. 869–873. [Google Scholar]
 - Sun, Y.; De Jong, E.; Cuk, V.; Cobben, J.F.G. Ultra-fast charging station harmonic resonance analysis in the Dutch MV grid: Application of power converter harmonic model. CIRED-Open Access Proc. J. 2017, 10, 879–882. [Google Scholar] [CrossRef]
 - Richardson, P.; Flynn, D.; Keane, A. Impact assessment of varying penetrations of electric vehicles on low voltage distribution systems. In Proceedings of the IEEE PES General Meeting, Minneapolis, MN, USA, 25–29 July 2010; pp. 1–6. [Google Scholar] [CrossRef]
 - Bass, R.; Harley, R.; Lambert, F.; Rajasekaran, V.; Pierce, J. Residential harmonic loads and EV charging. In Proceedings of the 2001 IEEE Power Engineering Society Winter Meeting. Conference Proceedings (Cat. No.01CH37194), Columbus, OH, USA, 28 January 2001–1 February 2001; pp. 803–808. [Google Scholar] [CrossRef]
 - Fujun, T.; Ruiheng, X.; Dong, C.; Lijia, R.; Quanning, Y.; Yan, Z. Research on the harmonic characteristics of electric vehicle fast charging stations. In Proceedings of the 2017 2nd International Conference on Power and Renewable Energy (ICPRE), Chengdu, China, 20–23 September 2017; pp. 805–809. [Google Scholar] [CrossRef]
 - Cheng, L.; Wu, B.; Chen, H.; Ma, W.; Zhang, G. Load Forecasting and Harmonic Analysis for EV Charging Station. In Proceedings of the 2018 IEEE Innovative Smart Grid Technologies—Asia (ISGT Asia), Singapore, 22–25 May 2018; pp. 139–144. [Google Scholar] [CrossRef]
 - Marra, F.; Yang, G.Y.; Træholt, C.; Larsen, E.; Rasmussen, C.N.; You, S. Demand profile study of battery electric vehicle under different charging options. In Proceedings of the 2012 IEEE Power and Energy Society General Meeting, San Diego, CA, USA, 22–26 July 2012; pp. 1–7. [Google Scholar] [CrossRef]
 - Al-Roomi, A.R. Power Flow Test Systems Repository; Electrical and Computer Engineering, Dalhousie University: Halifax, NS, Canada, 2015; Available online: https://al-roomi.org/power-flow (accessed on 1 December 2022).
 - Hoevenaars, T.; LeDoux, K.; Colosino, M. Interpreting IEEE STD 519 and meeting its harmonic limits in VFD applications. In Proceedings of the IEEE Industry Applications Society 50th Annual Petroleum and Chemical Industry Conference, 2003. Record of Conference Papers, Houston, TX, USA, 15–17 September 2003; pp. 145–150. [Google Scholar] [CrossRef]
 - IEEE Std 519-2022 (Revision of IEEE Std 519-2014); IEEE Standard for Harmonic Control in Electric Power Systems. IEEE Standards Association: Piscataway, NJ, USA, 2022; pp. 1–31. [CrossRef]
 - Barr, R.A.; Gosbell, V.J. Power system harmonic voltage limits for the future. In Proceedings of the 2014 16th International Conference on Harmonics and Quality of Power (ICHQP), Bucharest, Romania, 25–28 May 2014; pp. 483–487. [Google Scholar] [CrossRef]
 - Sharma, P.; Saini, D.; Saxena, A. Fault Detection and Classification in Transmission Line Using Wavelet Transform and ANN. Bull. Electr. Eng. Inform. 2016, 5, 284–295. [Google Scholar] [CrossRef]
 - Jamil, M.; Sharma, S.K.; Singh, R. Fault detection and classification in electrical power transmission system using artificial neural network. Springer Plus 2015, 4, 334. [Google Scholar] [CrossRef] [PubMed]
 - Singh, S.; Mamatha, K.R.; Mamatha, K.R. Intelligent Fault Identification System for Transmission Lines Using Artificial Neural Network. IOSR J. Comput. Eng. 2014, 16, 23–31. Available online: www.iosrjournals.org (accessed on 5 December 2022). [CrossRef]
 - Mousavi Agah, S.M.; Abbasi, A. The impact of charging plug-in hybrid electric vehicles on residential distribution transformers. In Proceedings of the Iranian Conference on Smart Grids, Tehran, Iran, 24–25 May 2012; pp. 1–5. [Google Scholar]
 - Pothinun, T.; Premrudeepreechacharn, S. Power Quality Impact of Charging Station on MV Distribution Networks: A Case Study in PEA Electrical Power System. In 2018 53rd International Universities Power Engineering Conference (UPEC); IEEE: Piscataway, NJ, USA, 2018; pp. 1–6. [Google Scholar] [CrossRef]
 - Bosak, A.; Bosak, A.; Kulakovskyi, L.; Oboronov, T. Impact of EV Chargers on Total Harmonic Distortion in the Distribution System Network. In Proceedings of the 2019 IEEE 6th International Conference on Energy Smart Systems (ESS), Kyiv, Ukraine, 17–19 April 2019; pp. 329–333. [Google Scholar] [CrossRef]
 - Kütt, L.; Saarijärvi, E.; Lehtonen, M.; Mõlder, H.; Niitsoo, J. Current harmonics of EV chargers and effects of diversity to charging load current distortions in distribution networks. In Proceedings of the 2013 International Conference on Connected Vehicles and Expo (ICCVE), Las Vegas, NV, USA, 2–6 December 2013; pp. 726–731. [Google Scholar] [CrossRef]
 - Mazurek, P.; Chudy, A. An Analysis of Electromagnetic Disturbances from an Electric Vehicle Charging Station. Energies 2022, 15, 244. [Google Scholar] [CrossRef]
 - Basta, B.; Morsi, W.G. Low and high order harmonic distortion in the presence of fast charging stations. Int. J. Electr. Power Energy Syst. 2021, 126, 106557. [Google Scholar] [CrossRef]
 - Khan, W.; Ahmad, F.; Alam, M.S. Fast EV charging station integration with grid ensuring optimal and quality power exchange. Eng. Sci. Technol. Int. J. 2019, 22, 143–152. [Google Scholar] [CrossRef]
 - Robert, B.B.; Zimmerman, N. Impacts of Electric Vehicle Charging on Electric Power Distribution Systems. In Electrical and Computer Engineering Faculty Publications and Presentations; OTREC-SS-731; Transportation Research and Education Center (TREC): Portland, OR, USA, 2013. [Google Scholar] [CrossRef]
 


















| Bus | Pload (p.u.) | Qload (p.u.) | 
|---|---|---|
| 1 | 0 | 0 | 
| 2 | 0.217 | 0.127 | 
| 3 | 0.024 | 0.012 | 
| 4 | 0.076 | 0.016 | 
| 5 | 0.942 | 0.19 | 
| 6 | 0 | 0 | 
| 7 | 0.228 | 0.109 | 
| 8 | 0.3 | 0.3 | 
| 9 | 0 | 0 | 
| 10 | 0.058 | 0.02 | 
| 11 | 0 | 0 | 
| 12 | 0.112 | 0.075 | 
| 13 | 0 | 0 | 
| 14 | 0.062 | 0.016 | 
| 15 | 0.082 | 0.025 | 
| 16 | 0.035 | 0.018 | 
| 17 | 0.09 | 0.058 | 
| 18 | 0.032 | 0.009 | 
| 19 | 0.095 | 0.034 | 
| 20 | 0.022 | 0.007 | 
| 21 | 0.175 | 0.112 | 
| 22 | 0 | 0 | 
| 23 | 0.032 | 0.016 | 
| 24 | 0.087 | 0.067 | 
| 25 | 0 | 0 | 
| 26 | 0.035 | 0.023 | 
| 27 | 0 | 0 | 
| 28 | 0 | 0 | 
| 29 | 0.024 | 0.009 | 
| 30 | 0.106 | 0.019 | 
| 20 | 0.022 | 0.007 | 
| 21 | 0.175 | 0.112 | 
| 22 | 0 | 0 | 
| 23 | 0.032 | 0.016 | 
| 24 | 0.087 | 0.067 | 
| 25 | 0 | 0 | 
| 26 | 0.035 | 0.023 | 
| 27 | 0 | 0 | 
| 28 | 0 | 0 | 
| 29 | 0.024 | 0.009 | 
| Bus | Pload (p.u.) | Qload (p.u.) | 
|---|---|---|
| 1 | 0 | 0 | 
| 2 | 0.217 | 0.217 | 
| 3 | 0.942 | 0.191 | 
| 4 | 0.478 | −0.039 | 
| 5 | 0.076 | 0.016 | 
| 6 | 0.112 | 0.075 | 
| 7 | 0 | 0 | 
| 8 | 0 | 0 | 
| 9 | 0.295 | 0.166 | 
| 10 | 0.09 | 0.058 | 
| 11 | 0.035 | 0.018 | 
| 12 | 0.061 | 0.016 | 
| 13 | 0.135 | 0.058 | 
| 14 | 0.149 | 0.050 | 
| Bus | Pload (p.u.) | Qload (p.u.) | 
|---|---|---|
| 1 | 0 | 0 | 
| 2 | 0 | 0 | 
| 3 | 0 | 0 | 
| 4 | 1 | 0.15 | 
| 5 | 1 | 0.15 | 
| 6 | 1 | 0.15 | 
| Base Name | Values | 
|---|---|
| Sload | 100 MVA | 
| Vbase | 230 kV | 
| Zbase | 529 Ω | 
| IEEE 6-Bus | IEEE 14-Bus | IEEE 30-Bus | |||||||
|---|---|---|---|---|---|---|---|---|---|
| 1 Fast Charger | 3 Fast Chargers | 5 Fast Chargers | 1 Fast Charger | 3 Fast Chargers | 5 Fast Chargers | 1 Fast Charger | 3 Fast Chargers | 5 Fast Chargers | |
| Transformer primary current total harmonic distortion | 1.51% | 1.66% | 2.53% | 0.53% | 1.98% | 2.76% | 0.99% | 2.65% | 2.57% | 
| Transformer secondary/rectifier input current total harmonic distortion | 2.15% | 2.86% | 3.02% | 1.58% | 3.04% | 3.20% | 1.62% | 3.12% | 3.02% | 
| Transformer primary voltage total harmonic distortion | 0.01% | 0.01% | 0.01% | 0.07% | 0.07% | 0.03% | 0.16% | 0.05% | 0.05% | 
| Transformer secondary/rectifier input voltage total harmonic distortion | 0.94% | 95% | 1.02% | 1.01% | 1.18% | 1.21% | 4.29% | 1.09% | 1.10% | 
| Bus Voltage V at PCC (Point of Common Coupling) | Individual Harmonic (%) h ≤ 50 | THD (Total Harmonic Distortion) (%) | 
|---|---|---|
| V ≤ 1 KV | 5 | 8 | 
| 1 KV ≤ 69 kV | 3 | 5 | 
| 69 KV ≤ 161 kV | 1.5 | 2.5 | 
| 69 KV < | 1 | 1.5 | 
Disclaimer/Publisher’s Note: The statements, opinions and data contained in all publications are solely those of the individual author(s) and contributor(s) and not of MDPI and/or the editor(s). MDPI and/or the editor(s) disclaim responsibility for any injury to people or property resulting from any ideas, methods, instructions or products referred to in the content.  | 
© 2023 by the authors. Licensee MDPI, Basel, Switzerland. This article is an open access article distributed under the terms and conditions of the Creative Commons Attribution (CC BY) license (https://creativecommons.org/licenses/by/4.0/).
Share and Cite
Olcay, K.; Çetinkaya, N. Analysis of the Electric Vehicle Charging Stations Effects on the Electricity Network with Artificial Neural Network. Energies 2023, 16, 1282. https://doi.org/10.3390/en16031282
Olcay K, Çetinkaya N. Analysis of the Electric Vehicle Charging Stations Effects on the Electricity Network with Artificial Neural Network. Energies. 2023; 16(3):1282. https://doi.org/10.3390/en16031282
Chicago/Turabian StyleOlcay, Kadir, and Nurettin Çetinkaya. 2023. "Analysis of the Electric Vehicle Charging Stations Effects on the Electricity Network with Artificial Neural Network" Energies 16, no. 3: 1282. https://doi.org/10.3390/en16031282
APA StyleOlcay, K., & Çetinkaya, N. (2023). Analysis of the Electric Vehicle Charging Stations Effects on the Electricity Network with Artificial Neural Network. Energies, 16(3), 1282. https://doi.org/10.3390/en16031282
        
