Solar Hydrogen Variable Speed Control of Induction Motor Based on Chaotic Billiards Optimization Technique
Abstract
1. Introduction
- (1)
- Present the optimum design of a fuzzy-PID-based C-BO, which is used as speed regulator in a solar–hydrogen drive for induction-motor speed control;
- (2)
- Validate the novel application of a solar–hydrogen drive for induction motor speed and torque regulation;
- (3)
- Model the solar–hydrogen speed drive for an induction motor using Matlab/Simulink 2021a;
- (4)
- Examine the electrolysis features of PEM in various air conditions as a part of the proposed model;
- (5)
- Minimize the multi-dimensional objective-fitness function and the optimized objectives to achieve the minimum for speed-tracing torque-tracking errors, peak overshoot, rising time, and steady-state errors for speed and torque responses;
- (6)
- The proposed fuzzy-PID-based C-BO has reduced the speed-peak overshoot by 45.3% when compared to a fuzzy PID—PSO speed regulator and by 68.13% when compared to a PI–PSO speed controller in the case of a large-scale motor;
- (7)
- The proposed speed regulator has a 6.1% faster speed-rising time than a fuzzy-PID-based PSO and a 9.5% faster speed rising time than a PI–PSO speed controller;
- (8)
- Investigate the system using Matlab/Simulink 2021a and investigate it experimentally using DSpace 1104 to demonstrate the robustness and enhancement of C-BO-based fuzzy PID against fuzzy PID based PSO.
2. Hydrogen Production
Water Electrolysis
3. Proposed Model Setup
3.1. Photovoltaic Panel
3.2. Maximum Power Point Tracking
3.3. Current Controlled Converter
3.4. PEM Electrolysis
3.5. PEM Fuel-Cell Stack Modeling
3.6. Hydrogen Tank Modeling
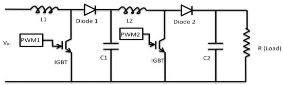
3.7. Proposed Double Stage Boost Converter Model
3.8. Indirect Rotor Field-Oriented Control (IRFOC)
3.9. Speed Regulator
3.9.1. Proportional Integral Regulator
3.9.2. Fuzzy PID
4. C-BO Technique
4.1. Billiards Optimization Approach
- (a)
- Initialization: the initial distribution of the balls’ space agents is as follows:
- (b)
- Identification: the placements of the ball and pocket are used to evaluate objective functions;
- (c)
- Pocket determination: the pocket of this algorithm plays two roles: (i) a ball objective, which offers the ability of the algorithm to utilize, and (ii) memory, which keeps track of the first highest solutions discovered. The goal of this memory is to enhance the BOA’s performance without raising the cost of computation. Each cycle updates the ideal ball positions using this memory;
- (d)
- Grouping the balls: the balls are grouped based on how accurate they are. The two types of balls are normal balls and cue balls. The first sets of those balls are normal balls and the second set are cue balls In an exceptional group, every cue ball has the same rank [34];
- (e)
- Giving a destination pocket to balls: each ordinal ball is provided with a destination pocket by selection using a roulette wheel. In the pockets, more features are promised in exchange for a lower fitness value. The chance of being mugged is as follows:
- (f)
- Ball-location updating: after the collision, the new locations of the normal balls are updated. The next positions for normal balls are as follows:
- (g)
- Testing the limits of the boundary conditions: the final ball placements may be beyond the desired range as a result of balls falling out of the table when their locations are updated. As a result, the size of the balls need to be adjusted;
- (h)
- Examining the termination circumstances: the process will be finished once certain requirements, such as the total number of iterations, have been satisfied. If the requirements are not met, the process will continue.
4.2. Chaotic Billiards Optimization Approach
5. Tuning Parameters and Simulation Process
6. Simulation Setup
7. Simulation Results
7.1. Large-Size Induction Motor
7.2. Small Size Induction Motor
7.3. Hydrogen Production
8. Experimental Results
9. Conclusions
Author Contributions
Funding
Data Availability Statement
Acknowledgments
Conflicts of Interest
Nomenclature
| is the photo current | |
| is the variable’s initial record for nth ball | |
| and | are the top and bottom boundaries for the mth variable |
| represents the pocket’s fitness value and indicates a selection pressure zero | |
| indicates the fitness of kth pocket | |
| and | signify new and old value of the mth parameter from the ordinary ball |
| sgnify the mth variable of the kth pocket | |
| Indicates a uniformly distributed random number in the range | |
| signify error rate | |
| and | represent the current and max iterative numbers, respectively |
| is ordinary ball velocity | |
| is the ball movement vector | |
| is the movement unit vector of nth ball ordinary after collision | |
| and | is the nth cue ball velocities after and before the collision |
| is location of nth cue ball before billiard stick | |
| is acceleration rate, and it equals to one |
References
- Szałek, A.; Pielecha, I.; Cieslik, W. Fuel cell electric vehicle (FCEV) energy flow analysis in real driving conditions (RDC). Energies 2021, 16, 5018. [Google Scholar] [CrossRef]
- De Souza, L.L.; Lora, E.E.; Palacio, J.C.; Rocha, M.H.; Renó, M.L.; Venturini, O.J. Comparative environmental life cycle assessment of conventional vehicles with different fuel options, plug-in hybrid and electric vehicles for a sustainable transportation system in Brazil. J. Clean. Prod. 2018, 203, 444–468. [Google Scholar] [CrossRef]
- Yang, X.; Pang, J.; Teng, F.; Gong, R.; Springer, C. The environmental co-benefit and economic impact of China’s low-carbon pathways: Evidence from linking bottom-up and top-down models. Renew. Sustain. Energy Rev. 2021, 13, 110438. [Google Scholar] [CrossRef]
- Curtin, J.; McInerney, C.; Gallachóir, B.Ó.; Hickey, C.; Deane, P.; Deeney, P. Quantifying stranding risk for fossil fuel assets and implications for renewable energy investment: A review of the literature. Renew. Sustain. Energy Rev. 2019, 116, 109402. [Google Scholar] [CrossRef]
- Olabi, A.G.; Obaideen, K.; Elsaid, K.; Wilberforce, T.; Sayed, E.T.; Maghrabie, H.M.; Abdelkareem, M.A. Assessment of the pre-combustion carbon capture contribution into sustainable development goals SDGs using novel indicators. Renew. Sustain. Energy Rev. 2022, 153, 111710. [Google Scholar] [CrossRef]
- He, X.; Wang, F.; Wallington, T.J.; Shen, W.; Melaina, M.W.; Kim, H.C.; De Kleine, R.; Lin, T.; Zhang, S.; Keoleian, G.A.; et al. Well-to-wheels emissions, costs, and feedstock potentials for light-duty hydrogen fuel cell vehicles in China in 2017 and 2030. Renew. Sustain. Energy Rev. 2021, 137, 110477. [Google Scholar] [CrossRef]
- Vargas, J.E.; Seabra, J.E. Fuel-cell technologies for private vehicles in Brazil: Environmental mirage or prospective romance? A comparative life cycle assessment of PEMFC and SOFC light-duty vehicles. Sci. Total Environ. 2021, 798, 149265. [Google Scholar] [CrossRef]
- Awasthi, A.; Scott, K.; Basu, S. Dynamic modeling and simulation of a proton exchange membrane electrolyzer for hydrogen production. Int. J. Hydrogen Energy 2011, 36, 14779–14786. [Google Scholar] [CrossRef]
- Castiglia, V.; Ciotta, P.; Di Tommaso, A.O.; Miceli, R.; Nevoloso, C. High performance foc for induction motors with low cost atsam3x8e microcontroller. In Proceedings of the 2018 7th International Conference on Renewable Energy Research and Applications (ICRERA), Paris, France, 14–17 October 2018; pp. 1495–1500. [Google Scholar]
- Xu, D.; Wang, B.; Zhang, G.; Wang, G.; Yu, Y. A review of sensorless control methods for AC motor drives. CES Trans. Electr. Mach. Systems. 2018, 2, 104–115. [Google Scholar] [CrossRef]
- Hannan, M.A.; Ali, J.A.; Mohamed, A.; Hussain, A. Optimization techniques to enhance the performance of induction motor drives: A review. Renew. Sustain. Energy Rev. 2018, 81, 1611–1626. [Google Scholar] [CrossRef]
- Saady, I.; Karim, M.; Bossoufi, B.; Motahhir, S.; Adouairi, M.S.; Majout, B.; Lamnadi, M.; Masud, M.; Al-Amri, J.F. Optimization for a photovoltaic pumping system using indirect field oriented control of induction motor. Electronics 2021, 10, 3076. [Google Scholar] [CrossRef]
- Errouha, M.; Derouich, A. Study and comparison results of the field oriented control for photovoltaic water pumping system applied on two cities in Morocco. Bull. Electr. Eng. Inform. 2019, 8, 1206–1212. [Google Scholar] [CrossRef]
- Massaq, Z.; Abounada, A.; Chbirik, G.; Ramzi, M.; Brahmi, A. Double Stage Solar PV Array Fed Sensorless Vector Controlled Induction Motor for Irrigational Purpose. In Proceedings of the 2019 7th International Renewable and Sustainable Energy Conference (IRSEC), Agadir, Morocco, 27–30 November 2019; pp. 1–6. [Google Scholar]
- Tang, Q.; Ge, X.; Liu, Y.C. Performance analysis of two different SVM-based field-oriented control schemes for eight-switch three-phase inverter-fed induction motor drives. In Proceedings of the 2016 IEEE 8th International Power Electronics and Motion Control Conference (IPEMC-ECCE Asia), Hefei, China, 22–26 May 2016; pp. 3374–3378. [Google Scholar]
- Dessouky, S.S.; Elbaset, A.A.; Alaboudy, A.H.; Ibrahim, H.A.; Abdelwahab, S.A. Performance improvement of a PV-powered induction-motor-driven water pumping system. In Proceedings of the 2016 Eighteenth International Middle East Power Systems Conference (MEPCON), Cairo, Egypt, 27–29 December 2016; pp. 373–379. [Google Scholar]
- Singh, B.; Sharma, U.; Kumar, S. Standalone photovoltaic water pumping system using induction motor drive with reduced sensors. IEEE Trans. Ind. Appl. 2018, 54, 3645–3655. [Google Scholar] [CrossRef]
- Ramulu, C.; Sanjeevikumar, P.; Karampuri, R.; Jain, S.; Ertas, A.H.; Fedak, V. A solar PV water pumping solution using a three-level cascaded inverter connected induction motor drive. Eng. Sci. Technol. Int. J. 2016, 19, 1731–1741. [Google Scholar] [CrossRef]
- Rahman, S.; Meraj, M.; Iqbal, A.; Tariq, M.; Maswood, A.I.; Ben-Brahim, L.; Al-ammari, R. Design and implementation of cascaded multilevel qZSI powered single-phase induction motor for isolated grid water pump application. IEEE Trans. Ind. Appl. 2019, 56, 1907–1917. [Google Scholar] [CrossRef]
- González, E.L.; Llerena, F.I.; Pérez, M.S.; Iglesias, F.R.; Macho, J.G. Energy evaluation of a solar hydrogen storage facility: Comparison with other electrical energy storage technologies. Int. J. Hydrogen Energy 2015, 40, 5518–5525. [Google Scholar] [CrossRef]
- Okundamiya, M.S. Size optimization of a hybrid photovoltaic/fuel cell grid connected power system including hydrogen storage. Int. J. Hydrogen Energy 2021, 46, 30539–30546. [Google Scholar] [CrossRef]
- Zeb, K.; Ali, Z.; Saleem, K.; Uddin, W.; Javed, M.A.; Christofides, N. Indirect field-oriented control of induction motor drive based on adaptive fuzzy logic controller. Electr. Eng. 2017, 99, 803–815. [Google Scholar] [CrossRef]
- Hasanien, H.M.; Muyeen, S.M. Design optimization of controller parameters used in variable speed wind energy conversion system by genetic algorithms. IEEE Trans. Sustain. Energy 2012, 3, 200–208. [Google Scholar] [CrossRef]
- Qais, M.H.; Hasanien, H.M.; Alghuwainem, S. Augmented grey wolf optimizer for grid-connected PMSG-based wind energy conversion systems. Appl. Soft Comput. 2018, 69, 504–515. [Google Scholar] [CrossRef]
- Hasanien, H.M. Performance improvement of photovoltaic power systems using an optimal control strategy based on whale optimization algorithm. Electr. Power Syst. Res. 2018, 157, 168–176. [Google Scholar] [CrossRef]
- Zambrana-Lopez, P.; Fernández-Quijano, J.; Fernandez-Lozano, J.J.; Garcia-Cerezo, A.; Rubio, P.M. Fuzzy logic tuning of a PI controller to improve the performance of a wind turbine on a semi-submersible platform under different wind scenarios. IFAC-Pap. 2020, 53, 12364–12371. [Google Scholar] [CrossRef]
- Ustun, S.V.; Demirtas, M. Optimal tuning of PI coefficients by using fuzzy-genetic for V/f controlled induction motor. Expert Syst. Appl. 2008, 34, 2714–2720. [Google Scholar] [CrossRef]
- Sahu, R.K.; Panda, S.; Sekhar, G.C. A novel hybrid PSO-PS optimized fuzzy PI controller for AGC in multi area interconnected power systems. Int. J. Electr. Power Energy Syst. 2015, 64, 880–893. [Google Scholar] [CrossRef]
- Abedini, M.; Mahmodi, E.; Mousavi, M.; Chaharmahali, I. A novel Fuzzy PI controller for improving autonomous network by considering uncertainty. Sustain. Energy Grids Netw. 2019, 18, 100200. [Google Scholar] [CrossRef]
- Kalaam, R.N.; Muyeen, S.M.; Al-Durra, A.; Hasanien, H.M.; Al-Wahedi, K. Optimisation of controller parameters for grid-tied photovoltaic system at faulty network using artificial neural network-based cuckoo search algorithm. IET Renew. Power Gener. 2017, 11, 1517–1526. [Google Scholar] [CrossRef]
- Zhao, J.; Lin, M.; Xu, D.; Hao, L.; Zhang, W. Vector control of a hybrid axial field flux-switching permanent magnet machine based on particle swarm optimization. IEEE Trans. Magn. 2015, 51, 1–4. [Google Scholar]
- Taieb, A.; Ferdjouni, A. A new design of fuzzy logic controller optimized by PSO-SCSO applied to SFO-DTC induction motor drive. Int. J. Electr. Comput. Eng. 2020, 10, 2088–8708. [Google Scholar] [CrossRef]
- Costa, B.L.; Bacon, V.D.; da Silva, S.A.; Angélico, B.A. Tuning of a PI-MR controller based on differential evolution metaheuristic applied to the current control loop of a shunt-APF. IEEE Trans. Ind. Electron. 2017, 64, 4751–4761. [Google Scholar] [CrossRef]
- Kaveh, A.; Khanzadi, M.; Moghaddam, M.R. Billiards-inspired optimization algorithm; a new meta-heuristic method. Structures 2020, 27, 1722–1739. [Google Scholar] [CrossRef]
- Anwar, S.; Khan, F.; Zhang, Y.; Djire, A. Recent development in electrocatalysts for hydrogen production through water electrolysis. Int. J. Hydrogen Energy 2021, 46, 32284–32317. [Google Scholar] [CrossRef]
- Kumar, S.S.; Himabindu, V. Hydrogen production by PEM water electrolysis–A review. Mater. Sci. Energy Technol. 2019, 2, 442–454. [Google Scholar]
- Fu, Q.; Mabilat, C.; Zahid, M.; Brisse, A.; Gautier, L. Syngas production via high-temperature steam/CO 2 co-electrolysis: An economic assessment. Energy Environ. Sci. 2010, 3, 1382–1397. [Google Scholar] [CrossRef]
- Mergel, J.; Carmo, M.; Fritz, D. Status on technologies for hydrogen production by water electrolysis. Transit. Renew. Energy Syst. 2013, 425–450. [Google Scholar] [CrossRef]
- Maskalick, N.J. High temperature electrolysis cell performance characterization. Int. J. Hydrogen Energy 1986, 11, 563–570. [Google Scholar] [CrossRef]
- Erdle, E.; Dönitz, W.; Schamm, R.; Koch, A. Reversibility and polarization behaviour of high temperature solid oxide electrochemical cells. Int. J. Hydrogen Energy 1992, 17, 817–819. [Google Scholar] [CrossRef]
- Laguna-Bercero, M.A. Recent advances in high temperature electrolysis using solid oxide fuel cells: A review. J. Power Sources 2012, 203, 4–16. [Google Scholar] [CrossRef]
- Brezak, D.; Kovač, A.; Firak, M. MATLAB/Simulink simulation of low-pressure PEM electrolyzer stack. Int. J. Hydrogen Energy 2022. [Google Scholar] [CrossRef]
- Gutiérrez-Martín, F.; Amodio, L.; Pagano, M. Hydrogen production by water electrolysis and off-grid solar PV. Int. J. Hydrogen Energy 2021, 46, 29038–29048. [Google Scholar] [CrossRef]
- Wang, C.; Nehrir, M.H. Power management of a stand-alone wind/photovoltaic/fuel cell energy system. IEEE Trans. Energy Convers. 2008, 23, 957–967. [Google Scholar] [CrossRef]
- Jahanbakhshi, M.H.; Etezadinejad, M. Modeling and current balancing of interleaved buck converter using single current sensor. In Proceedings of the 2019 27th Iranian Conference on Electrical Engineering (ICEE), Yazd, Iran, 30 April–2 May 2019; pp. 662–667. [Google Scholar]
- Ni, M.; Leung, M.K.; Leung, D.Y. Energy and exergy analysis of hydrogen production by a proton exchange membrane (PEM) electrolyzer plant. Energy Convers. Manag. 2008, 49, 2748–2756. [Google Scholar] [CrossRef]
- Karami, N.; Outbib, R.; Moubayed, N. Maximum power point tracking with reactant flow optimization of proton exchange membrane fuel cell. J. Fuel Cell Sci. Technol. 2013, 10, 14. [Google Scholar] [CrossRef]
- Kourosh Sedghisigarchi, A.F. Dynamic and transient analysis of power distribution systems with fuel cells-part I: Fuel-cell dynamic mode. IEEE Trans. Energy Convers. 2004, 19, 423–428. [Google Scholar] [CrossRef]
- Rahman, M.S.; Paul, S.; Riadh, R.R. Study of 1.26 KW–24 VDC Proton Exchange Membrane Fuel Cell’s (PEMFC’S) Parameters Output Behavior: Composition & Temperature. Electr. Comput. Eng. Int. J. 2015, 3, 43–59. [Google Scholar]
- Elnaghi, B.E.; Dessouki, M.E.; Abd-Alwahab, M.N.; Elkholy, E.E. Development and implementation of two-stage boost converter for single-phase inverter without transformer for PV systems. Int. J. Electr. Comput. Eng. 2020, 10, 2088–8708. [Google Scholar] [CrossRef]
- Elmahgoud, M.; Bossoifi, B.; Taoussi, M.; Elouanjli, N.; Derouich, A. Rotor field oriented control of doubly fed induction motor. In Proceedings of the 2019 5th International Conference on Optimization and Applications (ICOA), Kenitra, Morocco, 25–26 April 2019; pp. 1–6. [Google Scholar]
- Carbone, L.; Cosso, S.; Kumar, K.; Marchesoni, M.; Passalacqua, M.; Vaccaro, L. Induction Motor Field-Oriented Sensorless Control with Filter and Long Cable. Energies 2022, 15, 1484. [Google Scholar] [CrossRef]
- Marouane, R.; Malika, Z. Particle swarm optimization for tuning PI controller in FOC chain of induction motors. In Proceedings of the 2018 4th International Conference on Optimization and Applications (ICOA), Mohammedia, Morocco, 26–27 April 2018; pp. 1–5. [Google Scholar]
- Talla, J.; Leu, V.Q.; Šmídl, V.; Peroutka, Z. Adaptive speed control of induction motor drive with inaccurate model. IEEE Trans. Ind. Electron. 2018, 65, 8532–8542. [Google Scholar] [CrossRef]
- Hannan, M.A.; Ali, J.A.; Lipu, H.; Mohamed, A.; Ker, P.J.; Mahlia, I.; Mansor, M.; Hussain, A.; Muttaqi, K.M.; Dong, Z.Y. Role of optimization algorithms based fuzzy controller in achieving induction motor performance enhancement. Nat. Commun. 2020, 11, 1. [Google Scholar] [CrossRef]
- Ferdiansyah, I.; Rusli, M.R.; Praharsena, B.; Toar, H.; Purwanto, E. Speed control of three phase induction motor using indirect field oriented control based on real-time control system. In Proceedings of the 2018 10th International Conference on Information Technology and Electrical Engineering (ICITEE), Bali, Indonesia, 24–26 July 2018; pp. 438–442. [Google Scholar]
- Landry, J.F.; Dussault, J.P. AI optimization of a billiard player. J. Intell. Robot. Syst. 2007, 50, 399–417. [Google Scholar] [CrossRef]
- Lin, F.; Member, S.; Teng, L.; Yu, M. Radial Basis Function Network Control with Improved Particle Swarm Optimization for Induction Generator System. IEEE Trans. Power Electron. 2008, 23, 2157–2169. [Google Scholar] [CrossRef]
- Elgbaily, M.; Anayi, F.; Packianather, M. Genetic and particle swarm optimization algorithms based direct torque control for torque ripple attenuation of induction motor. Mater. Today Proc. 2022, 67, 577–590. [Google Scholar] [CrossRef]
- Aspalli, M.S.; Patil, S.J. Study of AI and PI controller using SVPWM technique for induction motor speed control. In Proceedings of the International Conference on Electrical Electronics, Communication, Computer, and Optimization Techniques ICEECCOT, Mysuru, India, 15–16 December 2017; pp. 676–681. [Google Scholar]
- Behara, R.K.; Saha, A.K. artificial intelligence control system applied in smart grid integrated doubly fed induction generator-based wind turbine: A review. Energies 2022, 15, 6488. [Google Scholar] [CrossRef]
- dos Santos Coelho, L.; Alotto, P. Multiobjective electromagnetic optimization based on a nondominated sorting genetic approach with a chaotic crossover operator. IEEE Trans. Magn. 2008, 44, 1078–1081. [Google Scholar] [CrossRef]
- Ma, Z.S. Chaotic populations in genetic algorithms. Appl. Soft Comput. 2012, 12, 2409–2424. [Google Scholar] [CrossRef]































| Optimization Technique | Advantages | Disadvantages |
|---|---|---|
| Levenberg–Marquardt algorithm [22] |
|
|
| Genetic algorithm [23] | The concept is easy to understand. GA search is performed from a population of points, not a single point. GA uses payoff (objective function) information, not derivatives. | It requires less information about the problem, but designing an objective function and obtaining the correct representation and operators can be difficult. It is computationally expensive, i.e., time-consuming. |
| Grey-wolf optimizer [24] | Fewer parameters, simple principles, and is implemented easily. | Low convergence speed, low solution accuracy, and easily falls into the local optimum. |
| Whale-optimization algorithm [25] | Stronger global search ability and better stability. | Low convergence and easy localization. |
| Cuckoo search algorithm [30] | Easier to apply, has fewer tuning parameters. | It has proven to very easily fall into local optimal solutions and has a slow rate of convergence. |
| Particle swarm optimization [31] | Has rapid convergence and fewer tuning parameters. | They often converge to some local optimization. |
| Parameters | Value |
|---|---|
| No. of series PV modules | 5 |
| No. of parallel PV strings | 66 |
| Module Maximum Power | 213.15 w |
| Module open-circuit voltage (Voc) | 36.3 V |
| Module short-circuit current (Isc) | 7.84 A |
| Module maximum power point voltage (Vmpp) | 29 V |
| Module maximum power point current (Impp) | 7.35 A |
| Temperature | 25 C |
| Irradiance | 1000 W/m2 |
| Parameters | Value |
|---|---|
| Voltage at the input end, | 42.0 V |
| Voltage at the output end, | 175.0 V |
| Duty cycle, | 0.758 |
| Switching frequency, | 20.0 KHz |
| Resistance, | 2.041 Ω |
| Minimum inductance, | 43.776 mH |
| Capacitance, | 18.89 µF |
| Current of inductor, | 10.42 A |
| Parameters | Value |
|---|---|
| Voltage at the input end, | 175.0 V |
| Voltage at the output end, | 729.1725 V |
| Duty cycle, | 0.758 |
| Switching frequency, | 20.0 KHz |
| Resistance, | 35.446 Ω |
| Minimum inductance, | 6.78 mH |
| Capacitance, | 1.74 µF |
| Current of inductor, | 2.404 A |
| e | NB | NM | NS | Z | PS | PM | PB |
|---|---|---|---|---|---|---|---|
| Δe | |||||||
| NB | NB | NB | NB | NM | NS | NVS | Z |
| NM | NB | NB | NM | NS | NVS | Z | PVS |
| NS | NB | NM | NS | NVS | Z | PVS | PS |
| Z | NM | NS | NVS | Z | PVS | PS | PM |
| PS | NS | NVS | Z | PVS | PS | PM | PB |
| PM | NVS | Z | PVS | PS | PM | PB | PB |
| PB | Z | PVS | PS | PM | PB | PB | PB |
| Technique | Induction Motor Size | Parameters |
|---|---|---|
| PI speed regulators optimized with PSO | 20 HP | Kp = 50.679 |
| Ki = 40.250 | ||
| 2.5 HP | Kp = 48.36 | |
| Ki = 36.253 | ||
| Fuzzy PID speed regulators optimized with C-BO | 20 HP | Kp = 30.2 |
| Kd = 40.1 | ||
| Ko = 100.32 | ||
| 2.5 HP | Kp = 29.12 | |
| Kd = 39.21 | ||
| Ko = 98.61 | ||
| Fuzzy PID speed regulators optimized with PSO | 20 HP | Kp = 28.43 |
| Kd = 38.43 | ||
| Ko = 103.5 | ||
| 2.5 HP | Kp = 26.15 | |
| Kd = 37.69 | ||
| Ko = 101.96 |
| Load (N.m) | Type | Tr (ms) | Tp (s) | Mp (%) | Steady-State Error (%) |
|---|---|---|---|---|---|
| 0 | PI-based PSO Fuzzy-PID-based PSO Fuzzy-PID-based C-BO | 31.05 29.55 28.08 | 0.049 0.040 0.040 | 9.1 5.3 2.9 | ±0.85 ±0.07 ±0.05 |
| 25 | PI-based PSO Fuzzy-PID-based PSO Fuzzy-PID-based C-BO | 26.15 25.98 24.97 | 0.054 0.043 0.043 | 6.6 4.44 2.00 | ±0.9 ±0.07 ±0.05 |
| 50 | PI-based PSO Fuzzy-PID-based PSO Fuzzy-PID-based C-BO | 25.40 24.90 23.85 | 0.057 0.046 0.046 | 6.1 3.8 2.2 | ±1 ±0.07 ±0.02 |
| Technique | Ave. | Std. Dev. |
|---|---|---|
| Using PI-based PSO | 0.814 | 0.0435 |
| Using fuzzy-PID based PSO | 0.0764 | 0.0052 |
| Using fuzzy-PID-based C-BO | 0.0435 | 0.0042 |
| Type | Tr (ms) | Tp (ms) | Mp (%) | Steady State Error (%) |
|---|---|---|---|---|
| Fuzzy-PID-based PSO Fuzzy-PID-based C-BO | 95.64 90.23 | 213.1 95.64 | 9.5 1.2 | ±0.07 ±0.05 |
Disclaimer/Publisher’s Note: The statements, opinions and data contained in all publications are solely those of the individual author(s) and contributor(s) and not of MDPI and/or the editor(s). MDPI and/or the editor(s) disclaim responsibility for any injury to people or property resulting from any ideas, methods, instructions or products referred to in the content. |
© 2023 by the authors. Licensee MDPI, Basel, Switzerland. This article is an open access article distributed under the terms and conditions of the Creative Commons Attribution (CC BY) license (https://creativecommons.org/licenses/by/4.0/).
Share and Cite
Elnaghi, B.E.; Abelwhab, M.N.; Ismaiel, A.M.; Mohammed, R.H. Solar Hydrogen Variable Speed Control of Induction Motor Based on Chaotic Billiards Optimization Technique. Energies 2023, 16, 1110. https://doi.org/10.3390/en16031110
Elnaghi BE, Abelwhab MN, Ismaiel AM, Mohammed RH. Solar Hydrogen Variable Speed Control of Induction Motor Based on Chaotic Billiards Optimization Technique. Energies. 2023; 16(3):1110. https://doi.org/10.3390/en16031110
Chicago/Turabian StyleElnaghi, Basem E., M. N. Abelwhab, Ahmed M. Ismaiel, and Reham H. Mohammed. 2023. "Solar Hydrogen Variable Speed Control of Induction Motor Based on Chaotic Billiards Optimization Technique" Energies 16, no. 3: 1110. https://doi.org/10.3390/en16031110
APA StyleElnaghi, B. E., Abelwhab, M. N., Ismaiel, A. M., & Mohammed, R. H. (2023). Solar Hydrogen Variable Speed Control of Induction Motor Based on Chaotic Billiards Optimization Technique. Energies, 16(3), 1110. https://doi.org/10.3390/en16031110

