Improved Isothermal Relaxation Current Measurement Based on Isolated Circuit for Nondestructive Evaluation of High-Voltage Cable Insulation
Abstract
:1. Introduction
1.1. Condition Evaluation of Cable Insulation
1.2. Isothermal Relaxation Current Method for Nondestructive Evaluation
1.3. Contribution of This Paper
2. Basic Method of IRC
2.1. Basic Principles of Dielectric Polarization and Depolarization
2.2. Theory of Isothermal Relaxation Current
2.3. Aging Model of Cable Insulation
3. Improved IRC Measurement System
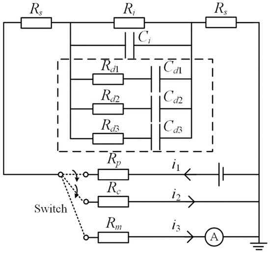
3.1. Modified IRC Method Based on Isolated Circuit
3.2. Three-Phase Simultaneous Measurement System
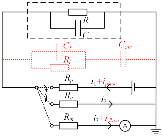
3.3. Verification of the Measurement System
4. Experiment Results
4.1. Influence Factor of IRC Experiment
4.2. A. Depolarization Time
4.3. B. Temperature
4.4. IRC Measurement Results of Aging Conditions
5. Conclusions
Author Contributions
Funding
Data Availability Statement
Conflicts of Interest
References
- Zhou, Y.; Peng, S.; Hu, J.; He, J. Polymeric insulation materials for HVDC cables: Development, challenges, and future perspective. IEEE Trans. Dielectr. Electr. Insul. 2017, 24, 1308–1318. [Google Scholar] [CrossRef]
- Wang, Y.; Wu, J.; Yi, S.; Yin, Y. Research of simultaneous measurement of space charge and conduction current in cross-linked polyethylene. In Proceedings of the 2016 International Conference on Condition Monitoring and Diagnosis (CMD), Xi’an, China, 25–28 September 2016. [Google Scholar]
- Ghorbani, H.; Jeroense, M.; Olsson, C.; Saltzer, M. HVDC Cable Systems—Highlighting Extruded Technology. IEEE Trans. Power Deliv. 2014, 29, 414–421. [Google Scholar] [CrossRef]
- Wang, Y.; Wu, J.; Yin, Y. Space charge behavior in low density polyethylene at low temperatures. IEEE Trans. Dielectr. Electr. Insul. 2017, 24, 3860–3868. [Google Scholar] [CrossRef]
- Iddrissu, I.; Lv, Z.; Rowland, M. The dynamic character of partial discharge in epoxy resin at different stages of treeing. In Proceedings of the 2016 IEEE International Conference on Dielectrics (ICD), Montpellier, France, 3–7 July 2016. [Google Scholar]
- Shekhar, A.; Feng, X.; Gattozzi, A.; Hebner, R.; Wardell, D.; Strank, S.; Rodrigo-Mor, A.; Ramírez-Elizondo, L.; Bauer, P. Impact of DC voltage enhancement on partial discharges in medium voltage cables—An empirical study with defects at semicon-dielectric interface. Energies 2017, 10, 1968. [Google Scholar] [CrossRef]
- Mazzanti, G.; Castellon, J.; Chen, G.; Fothergill, J.C.; Fu, M.; Hozumi, N.; Lee, J.H.; Li, J.; Marzinotto, M.; Mauseth, F.; et al. The insulation of HVDC extruded cable system joints. Part 1: Review of materials, design and testing procedures. IEEE Trans. Dielectr. Electr. Insul. 2019, 26, 964–972. [Google Scholar] [CrossRef]
- Kwaaitaal, T.; Eijnden, W. Dielectric loss measurement as a tool to determine electrical aging of extruded polymeric insulated power cables. IEEE Trans. Electr. Insul. 2007, EI-22, 101–105. [Google Scholar] [CrossRef]
- Kim, C.; Jin, Z.; Jiang, P.; Zhu, Z.; Wang, G. Investigation of dielectric behavior of thermally aged XLPE cable in the high-frequency range. Polym. Test. 2006, 25, 553–561. [Google Scholar] [CrossRef]
- Fothergill, J.; Dodd, S.; Dissado, L.; Liu, T.; Nilsson, U.H. The measurement of very low conductivity and dielectric loss in XLPE cables: A possible method to detect degradation due to thermal aging. IEEE Trans. Dielectr. Electr. Insul. 2011, 18, 1544–1553. [Google Scholar] [CrossRef]
- Li, Z.; Du, B. Polymeric insulation for high-voltage dc extruded cables: Challenges and development directions. IEEE Electr. Insul. Mag. 2018, 34, 30–43. [Google Scholar] [CrossRef]
- Lee, J.; Jeong, W.; Dinh, M.; Yu, I.-K.; Park, M. Comparative Analysis of XLPE and Thermoplastic Insulation-Based HVDC Power Cables. Energies 2023, 16, 167. [Google Scholar] [CrossRef]
- Yiwana, A.; Reddy, C. On the Anomalous Charging and Discharging Currents in LDPE under High Electric Fields. IEEE Trans. Dielectr. Electr. Insul. 2018, 25, 127–136. [Google Scholar]
- Beigert, M.; Kranz, H. Destruction free ageing diagnosis of power cable insulation using the isothermal relaxation current analysis. In Proceedings of the IEEE Conference on International Symposium on Electrical Insulation (ISEI), Pittsburgh, PA, USA, 5–8 June 1994. [Google Scholar]
- Simmons, J.; Tam, M. Theory of isothermal currents and the direct determination of trap parameters in semiconductors and insulators containing arbitrary trap distributions. Phys. Rev. B 1973, 7, 3706–3713. [Google Scholar] [CrossRef]
- Birkner, P. Field experience with a condition-based maintenance program of 20 kV XLPE distribution system using IRC-analysis. IEEE Trans. Power Deliv. 2004, 19, 3–8. [Google Scholar] [CrossRef]
- Zhu, X.; Yin, Y.; Wu, J.; Wang, X. Study on Aging Characteristics of XLPE Cable Insulation Based on Quantum Chemical Calculation. IEEE Trans. Dielectr. Electr. Insul. 2020, 27, 1942–1950. [Google Scholar] [CrossRef]
- Wang, Y.; Wu, J.; Yin, Y. A space-charge and relaxation-current based method for estimating electron and hole trap energy distribution. IEEE Trans. Dielectr. Electr. Insul. 2017, 24, 3839–3848. [Google Scholar] [CrossRef]
- Wu, J.; Yin, Y.; Li, X.; Wang, Y.; Xiao, D. The condition assessment -system of XLPE cables using the isothermal relaxation current technique. In Proceedings of the 2009 IEEE International Conference on the Properties and Applications of Dielectric Materials (ICPADM), Harbin, China, 19–23 July 2009. [Google Scholar]














| Method | Anti-Interference | Applied Voltage | Test Range | Test Time | Destructive |
|---|---|---|---|---|---|
| Infrared spectrum | High | No | Local | Long | Yes |
| Differential Scanning Calorimetry | High | No | Local | Long | Yes |
| Thermogravimetric analysis | High | No | Local | Long | Yes |
| Hardness | High | No | Local | Long | Yes |
| Elongation at break | High | No | Local | Long | Yes |
| Insulation resistance method | Low | High | Overall | Short | No |
| partial discharge method | Low | High | Overall | Short | No |
| dielectric loss tangent | Low | Low | Overall | Short | No |
| Voltage endurance test | Low | High | Overall | Long | Yes |
| DC leakage current method | Low | High | Overall | Short | Yes |
| Dielectric spectroscopy | Low | Low | Overall | Long | No |
| 0.1 Hz voltage endurance test | Low | High | Overall | Long | Yes |
| Isothermal relaxation current | High | Low | Overall | Short | No |
| Parameters | Unaged | Water | Air | ||
|---|---|---|---|---|---|
| 6 Months | 12 Months | 6 Months | 12 Months | ||
| I0 | −2.88 | −2.61 | −2.68 | −2.93 | −2.69 |
| τ1 | 3.558 | 2.62 | 4.92 | 3.7 | 3.2 |
| α1 | 7.508 | 17.99 | 6.82 | 10.87 | 15.41 |
| τ2 | 17.1 | 18.03 | 37.96 | 21.88 | 22.26 |
| α2 | 8.22 | 10.54 | 3.81 | 15.07 | 20.24 |
| τ3 | 204.68 | 204.68 | 332.59 | 146.61 | 253.52 |
| α3 | 0.54 | 1.7 | 1.35 | 4.37 | 2.96 |
| Q(τ2) | 124.42 | 196.46 | 173.4 | 337.51 | 397.29 |
| Q(τ3) | 237.3 | 456.36 | 461.4 | 774.58 | 974.96 |
| A | 1.91 | 2.32 | 2.66 | 2.29 | 2.45 |
Disclaimer/Publisher’s Note: The statements, opinions and data contained in all publications are solely those of the individual author(s) and contributor(s) and not of MDPI and/or the editor(s). MDPI and/or the editor(s) disclaim responsibility for any injury to people or property resulting from any ideas, methods, instructions or products referred to in the content. |
© 2023 by the authors. Licensee MDPI, Basel, Switzerland. This article is an open access article distributed under the terms and conditions of the Creative Commons Attribution (CC BY) license (https://creativecommons.org/licenses/by/4.0/).
Share and Cite
Gu, H.; Zhang, Y.; Shen, B.; Liu, Z.; Zhou, Y.; Wang, X.; Zhu, X.; Wang, Y. Improved Isothermal Relaxation Current Measurement Based on Isolated Circuit for Nondestructive Evaluation of High-Voltage Cable Insulation. Energies 2023, 16, 7892. https://doi.org/10.3390/en16237892
Gu H, Zhang Y, Shen B, Liu Z, Zhou Y, Wang X, Zhu X, Wang Y. Improved Isothermal Relaxation Current Measurement Based on Isolated Circuit for Nondestructive Evaluation of High-Voltage Cable Insulation. Energies. 2023; 16(23):7892. https://doi.org/10.3390/en16237892
Chicago/Turabian StyleGu, Huangjing, Yongkang Zhang, Bin Shen, Ziqi Liu, Yunjie Zhou, Xiaodi Wang, Xinyang Zhu, and Yalin Wang. 2023. "Improved Isothermal Relaxation Current Measurement Based on Isolated Circuit for Nondestructive Evaluation of High-Voltage Cable Insulation" Energies 16, no. 23: 7892. https://doi.org/10.3390/en16237892
APA StyleGu, H., Zhang, Y., Shen, B., Liu, Z., Zhou, Y., Wang, X., Zhu, X., & Wang, Y. (2023). Improved Isothermal Relaxation Current Measurement Based on Isolated Circuit for Nondestructive Evaluation of High-Voltage Cable Insulation. Energies, 16(23), 7892. https://doi.org/10.3390/en16237892

