Development of a Novel Control Scheme to Achieve the Minimum Unbalance Factor and Real Power Fluctuations under Asymmetrical Faults
Abstract
:1. Introduction
- Motivation and Incitement.
- Literature Review.
- Major Contributions and Manuscript Structure.
1.1. Motivation and Incitement
1.2. Literature Review
1.3. Major Contributions and Manuscript Structure
- Estimation of optimal angle injection (associated with the current distribution among its components) for the negative sequence current to achieve the minimum possible UF.
- Calculation of kn to achieve the minimum real power fluctuations for a particular distribution of negative sequence current phasor.
- Ensuring the current limit of the converter while achieving minimum UF and real power fluctuations.
- Comparison with the recommendations of recent grid codes (VDEAR-N-4110).
2. Layout of Test Setup
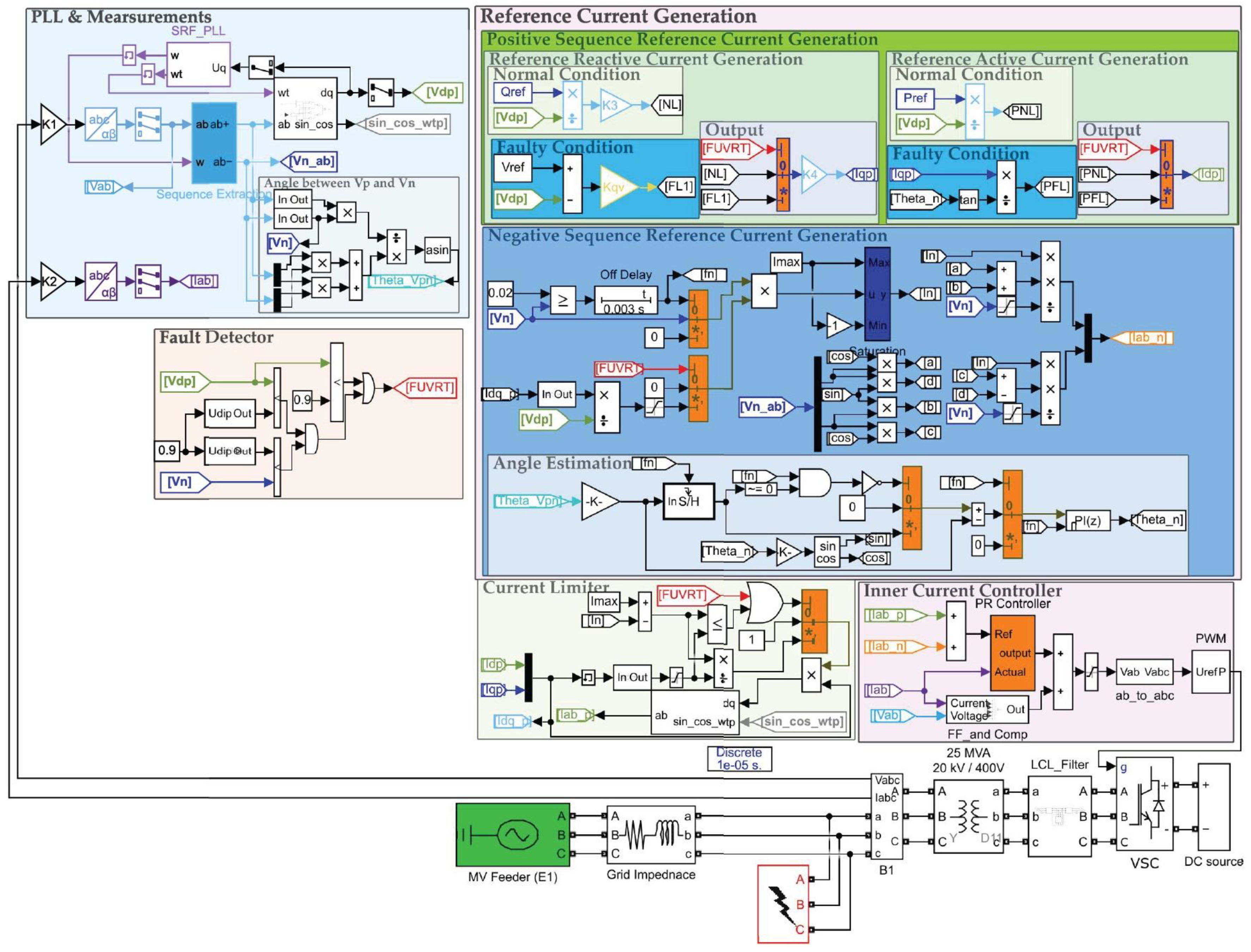
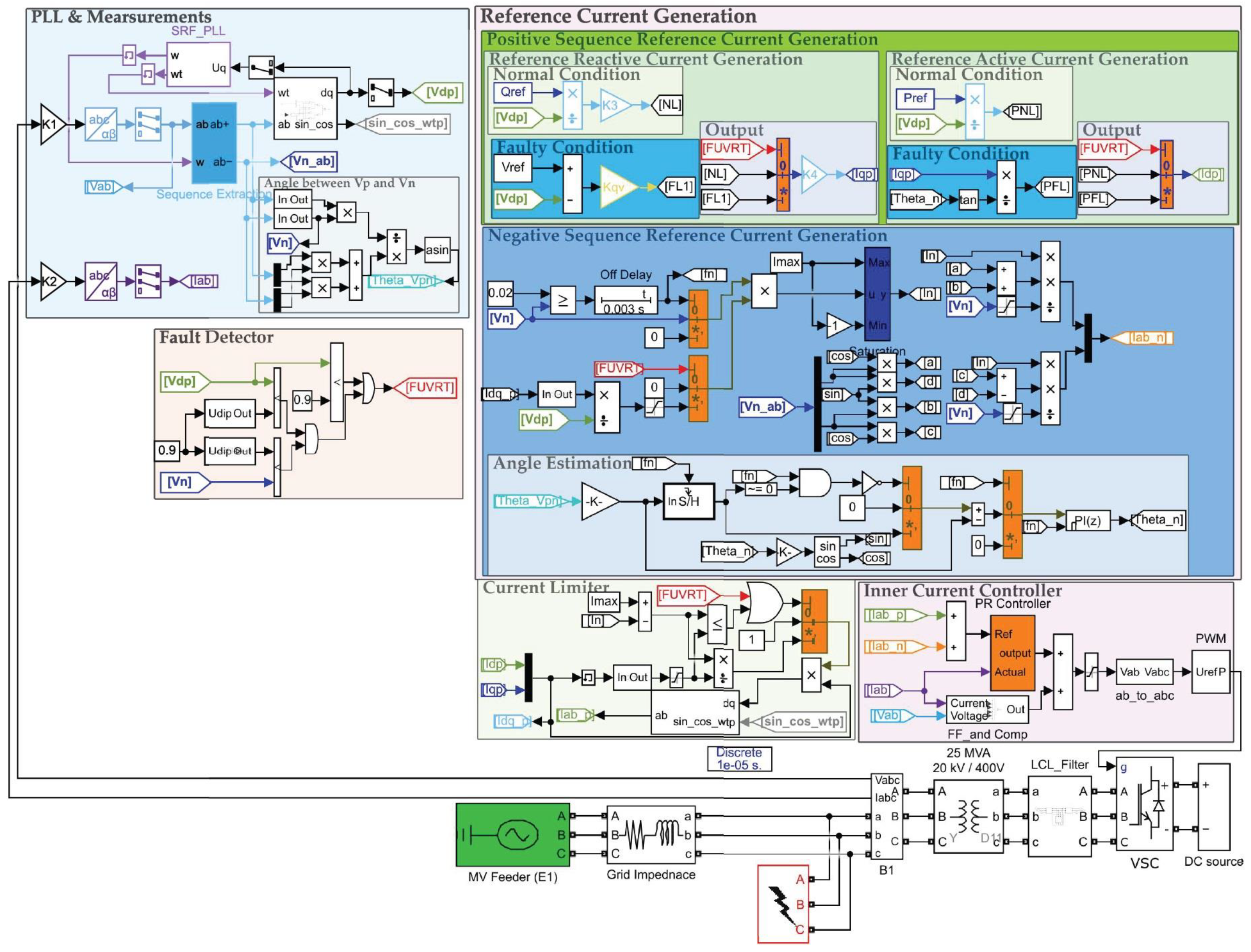
3. Control Scheme
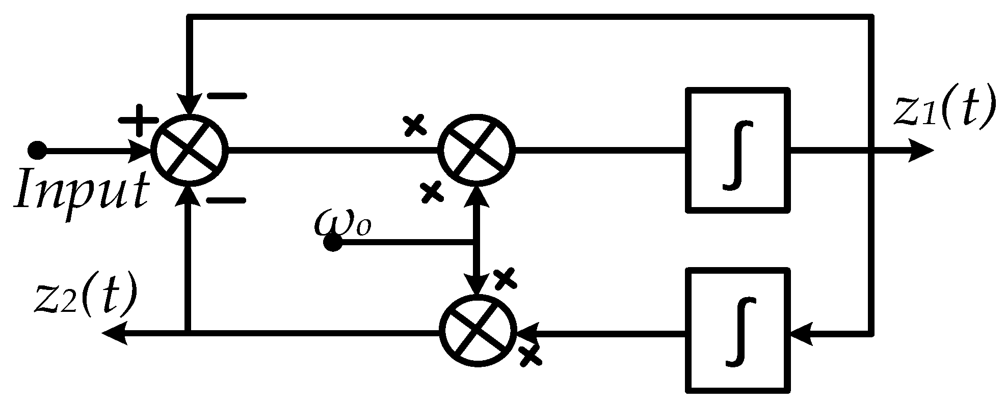
3.1. Sequence Extractor
3.2. Current Limiter
3.3. Reference Current Generator
3.3.1. Optimal Angle Estimation
- If the type of fault is the same, then the optimum angle for the minimum UF is also the same, but the corresponding angle between the voltage phasors of sequence components can be different.
- Moreover, keeping the same test conditions, the type of fault changes the optimum angle for the negative sequence current injection.
- When the fault is highly inductive, then the optimum angle is close to the grid code recommendations, but this is a rare case.
- In all the scenarios, the angle between voltage sequence phasors, corresponding to the optimal angle injection for the negative sequence current, is in good agreement with its initial value (columns 3 and 6).
3.3.2. k-Factors Calculations
4. Results and Discussions
4.1. Numerical Example
4.1.1. GCR Scheme
|i*p| ≈ 1.592; |i*n| ≈ 0.827
|i**n| = Minimum (imax, |i*n|) ≈ 0.827
|i**qn| ≈ 0.827; |i**dn| ≈ 0
x ≈ 0.234; |i**qp| ≈ 0.159; |i**dp| ≈ 0.337
|i**p| ≈ 0.373
|i**p| + |i**n| ≈ 1.2
4.1.2. MRPF Scheme
kn ≈ 1.037; |i*n| ≈ 0.479; |i*qn| ≈ 0.479; |i*dn| ≈ 0
|i**n| = Minimum (imax, |i*n|) ≈ 0.479
|i**qn| ≈ 0.479; |i**dn| ≈ 0
x ≈ 1.182; |i**qp| ≈ 0.721; |i**dp| ≈ 0
|i**p| ≈ 0.721
|i**p| + |i**n| ≈ 1.2
4.1.3. OAI Scheme
|i*n| ≈ 0.827; |i*qn| ≈ 0.622; |i*dn| ≈ 0.545
|i**n| = Minimum (imax, |i*n|) ≈ 0.827
|i**qn| ≈ 0.622; |i**dn| ≈ 0.545
x ≈ 0.246; |i**qp| ≈ 0.154; |i**dp| ≈ 0.34
|i**p| ≈ 0.373
|i**p| + |i**n| ≈ 1.2
4.1.4. OAI&MRPF Scheme
kn ≈ 1.019; |i*n| ≈ 0.473; |i*qn| ≈ 0.294; |i*dn| ≈ 0.371
|i**n| = Minimum (imax, |i*n|) ≈ 0.473
|i**qn| ≈ 0.294; |i**dn| ≈ 0.371
x ≈ 0.789; |i**qp| ≈ 0.451; |i**dp| ≈ 0.57
|i**p| ≈ 0.727
|i**p| + |i**n| ≈ 1.2
4.2. Simulation Results
4.2.1. Single Line to Ground Fault
4.2.2. Line-to-Line Fault
4.2.3. Double Line to Ground Fault
5. Conclusions
- The angle between the positive and negative sequence voltage phasors is used for the estimation of the optimal angle for the negative sequence current injection. The angle between the positive and negative sequence voltage phasors is dependent on the sequence extraction scheme and may cause inaccuracy due to the extraction scheme.
- Similarly, if the fault type changes during a fault, it can cause the wrong angle estimation for the negative sequence current injection.
Author Contributions
Funding
Data Availability Statement
Acknowledgments
Conflicts of Interest
Nomenclature
| Symbol | Description |
| vdc | DC link voltage |
| vg | Grid’s voltage phasor |
| Lg | Grid’s inductance |
| Rg | Grid’s resistance |
| Cf | Filter’s capacitance |
| Lf | Filter’s inductance |
| kp,n | k-factor for the positive and negative sequence currents |
| imax | Maximum converter’s current |
| p* | Reference real power |
| q* | Reference reactive power |
| vpoc | Three-phase voltage at point of connection (POC) |
| vαβ | Measured voltage components in stationary reference frame |
| vαβ,p | Positive sequence voltage components in stationary reference frame |
| ωp | Angular frequency for the positive sequence voltage |
| vdq,p | Positive sequence voltage components in rotating reference frame |
| vαβ,n | Negative sequence voltage components in stationary reference frame |
| |vp| | Positive sequence voltage phasor’s magnitude |
| |vn| | Negative sequence voltage phasor’s magnitude |
| φp,n | Initial angle of the corresponding voltage phasors |
| ∡vp,n | Angle between positive and negative sequence voltage phasors |
| iabc | Converter’s line currents |
| iαβ | Measured current components in stationary reference frame |
| |∆iqp| | Change in magnitude of reactive current injection for positive sequence |
| |∆iqn| | Change in magnitude of reactive current injection for negative sequence |
| i*dq,p | Positive sequence reference current components in rotating reference frame |
| |i*p| | Magnitude of the reference positive sequence current phasor |
| i*αβ,n | Negative sequence reference current components in stationary reference frame |
| i*dq,n | Negative sequence reference current components in rotating reference frame |
| |i*n| | Magnitude of the reference negative sequence current phasor |
| θp,n | Initial angle of the corresponding current phasors |
| x | Positive sequence current multiplier to ensure current limit |
| i**dq,p | Reference positive sequence current components in rotating reference frame after applying current limit |
| |i**p| | Magnitude of the reference positive sequence current phasor after applying current limit |
| i**dq,n | Reference negative sequence current components in rotating reference frame after applying current limit |
| |i**n| | Magnitude of the reference negative sequence current phasor after applying current limit |
| i**αβ | Reference current components in stationary reference frame after current limiter |
| v*αβ | Reference voltage components in stationary reference frame |
| v*abc | Converter’s reference phase voltage |
| ꞷo | Fundamental angular frequency for second-order generalized integrator |
| X/R | Reactance to resistance ratio |
References
- REN21. Renewables 2023 Global Status Report; REN21 Secretariat: Paris, France, 2023; Available online: https://www.ren21.net/wp-content/uploads/2019/05/GSR-2023_Energy-Supply-Module.pdf (accessed on 30 October 2023).
- IEA. Renewables 2022; IEA: Paris, France, 2022; Available online: https://www.iea.org/reports/renewables-2022 (accessed on 30 October 2023).
- Yamashita, K.; Renner, H.; Martinez Villanueva, S.; Vennemann, K.; Martins, J.; Aristidou, P.; Van Cutsem, T.; Song, Z.; Lammert, G.; Pabon Ospina, L.; et al. Modelling of Inverter-Based Generation for Power System Dynamic Studies; CIGRE: Paris, France, 2018. [Google Scholar]
- Martín-Martínez, S.; Gómez-Lázaro, E.; Molina-Garcia, A.; Vigueras-Rodriguez, A.; Milligan, M.; Muljadi, E. Participation of wind power plants in the Spanish power system during events. In Proceedings of the IEEE Power and Energy Society General Meeting, San Diego, CA, USA, 22–26 July 2012; pp. 1–8. [Google Scholar]
- Bollen, M.H.J.; IEEE Industry Applications Society; IEEE Power Electronics Society; IEEE Power Engineering Society. Understanding Power Quality Problems: Voltage Sags and Interruptions; IEEE Press: New York, NY, USA, 2000. [Google Scholar]
- Abubakar, M.; Akbari, H.; Renner, H. Development of reference current calculation scheme for grid-side converter during unbalanced faults. In Proceedings of the Second International Conference on Sustainable Mobility Applications, Renewables and Technology (SMART), Cassino, Italy, 23–25 November 2022; pp. 1–9. [Google Scholar]
- VDE-AR-N 4110; Technical Requirements for the Connection and Operation of Customer Installations to the Medium-Voltage Network. VDE: Frankfurt, Germany, 2018.
- Abubakar, M.; Hackl, P.; Renner, H.; Schürhuber, R. Investigation of Optimal Share of Active and Reactive Current Injection in Negative Sequence in Case of Unbalanced Faults in Grid Following Converter. In Proceedings of the Cigre B4 Colloquium 2023, Vienna, Austria, 12–14 September 2023. [Google Scholar]
- Aboelsaud, R.; Ibrahim, A.; Garganeev, A. Review of three-phase inverters control for unbalanced load compensation. Int. J. Power Electron. Drive Syst. (IJPEDS) 2019, 10, 242. [Google Scholar] [CrossRef]
- Azevedo, G.; Rocabert Delgado, J.; Cavalcanti, M.; Neves, F.; Rodriguez, P. A Negative-sequence Current Injection Method to Mitigate Voltage Imbalances in Microgrids. Eletrônica Potência 2011, 16, 296–303. [Google Scholar] [CrossRef]
- Villén, M.T.; Comech, M.P.; Martinez Carrasco, E.; Prada Hurtado, A.A. Influence of Negative Sequence Injection Strategies on Faulted Phase Selector Performance. Energies 2022, 15, 6018. [Google Scholar] [CrossRef]
- Li, X.; Wang, Z.; Zhu, L.; Guo, L.; Wang, C. Analytical Dual-Sequence Current Injections Feasible Region of Weak-Grid Connected VSC Under Asymmetric Grid Faults. IEEE Trans. Power Syst. 2022, 38, 5546–5559. [Google Scholar] [CrossRef]
- Abubakar, M.; Renner, H.; Schürhuber, R. Development of a Novel Control Scheme for Grid-Following Converter under Asymmetrical Faults. Energies 2023, 16, 1276. [Google Scholar] [CrossRef]
- Shabestary, M.M.; Mohamed, Y.A.R.I. Asymmetrical Ride-Through and Grid Support in Converter-Interfaced DG Units under Unbalanced Conditions. IEEE Trans. Ind. Electron. 2019, 66, 1130–1141. [Google Scholar] [CrossRef]
- Almeida, V.A.F.; Taranto, G.N.; Marinho, J.M.T. Phasor-domain Dynamic Model of Asymmetric Current Injection Controller for Converter-interfaced Generator. J. Mod. Power Syst. Clean Energy 2021, 9, 1269–1278. [Google Scholar] [CrossRef]
- Camacho, A.; Castilla, M.; Miret, J.; Velasco, M.; Guzman, R. Positive-Sequence Voltage Control, Full Negative-Sequence Cancellation, and Current Limitation for Static Compensators. IEEE J. Emerg. Sel. Top. Power Electron. 2021, 9, 6613–6623. [Google Scholar] [CrossRef]
- Jundi, J.; Guangya, Y.; Nielsen, A.H. Investigation of grid-connected voltage source converter performance under unbalanced faults. In Proceedings of the IEEE PES Asia-Pacific Power and Energy Engineering Conference (APPEEC), Xi’an, China, 25–28 October 2016; pp. 609–613. [Google Scholar]
- Wang, H.; Liu, Y.; Watson, N.R. Enhanced grid-tie converter control under unbalanced conditions with no PLL. In Proceedings of the 7th IEEE Workshop on the Electronic Grid (eGRID), Auckland, New Zealand, 29 November–2 December 2022; pp. 1–5. [Google Scholar]
- Wang, L.; Xu, Z.; Xiangyang, X.; Zhang, Y.; Zhou, K.; Tan, L.; Tan, X.; Wu, C.; Jiang, D. Research on ride-through control of power conversion system in energy storage converter under unbalanced grid voltage fault condition. In Proceedings of the China International Conference on Electricity Distribution (CICED), Changsha, China, 7–8 September 2022; pp. 925–929. [Google Scholar]
- Pal, S.; Mishra, M.; Verma, A.; Kasari, P.R.; Das, B.; Chakraborti, A. Control of grid connected converters under unbalanced grid faults. In Proceedings of the IEEE International Conference on Power Electronics, Drives and Energy Systems (PEDES), Chennai, India, 18–21 December 2018; pp. 1–6. [Google Scholar]
- Meligy, A.; Qoria, T.; Colak, I. Assessment of Sequence Extraction MethodsApplied to MMC-SDBC STATCOM Under Distorted Grid Conditions. IEEE Trans. Power Deliv. 2022, 37, 4923–4932. [Google Scholar] [CrossRef]
- Du, L.; Xiong, L.; Li, M.; Tang, Z.; Xiu, L.; Ma, X. Fast positive sequence component detection schemes based on delay operational period filter. CSEE J. Power Energy Syst. 2020, 9, 235–243. [Google Scholar] [CrossRef]
- Hamed, H.A.; Abdou, A.F.; Bayoumi, E.; El-Kholy, E.E. Effective design and implementation of GSS-PLL under voltage dip and phase interruption. IET Power Electron. 2018, 11, 1018–1028. [Google Scholar] [CrossRef]
- Pinto, J.; Carvalho, A.; Rocha, A.; Araújo, A. Comparison of DSOGI-Based PLL for Phase Estimation in Three-Phase Weak Grids. Electricity 2021, 2, 244–270. [Google Scholar] [CrossRef]
- Svensson, J.; Bongiorno, M.; Sannino, A. Practical Implementation of Delayed Signal Cancellation Method for Phase-Sequence Separation. IEEE Trans. Power Deliv. 2007, 22, 18–26. [Google Scholar] [CrossRef]
- Technical Connection Rules for Medium-Voltage (VDE-AR-N 4110). Available online: https://www.vde.com/en/fnn/topics/technical-connection-rules/tcr-for-medium-voltage (accessed on 9 October 2023).
- Gao, S.; Zhao, H.; Gui, Y. Dual grid voltage modulated direct power control of grid-connected voltage source converter under unbalanced network condition. In Proceedings of the IEEE Innovative Smart Grid Technologies—Asia (ISGT Asia), Chengdu, China, 21–24 May 2019; pp. 2167–2172. [Google Scholar]
- Li, X.; Lin, H. A Design Method of Phase-Locked Loop for Grid-Connected Converters Considering the Influence of Current Loops in Weak Grid. IEEE J. Emerg. Sel. Top. Power Electron. 2020, 8, 2420–2429. [Google Scholar] [CrossRef]
- Nowak, M.; Binkowski, T.; Piróg, S. Proportional-Resonant Controller Structure with Finite Gain for Three-Phase Grid-Tied Converters. Energies 2021, 14, 6726. [Google Scholar] [CrossRef]














| Grid’s Parameters | |||||||
|---|---|---|---|---|---|---|---|
| Voltage (L-L) | Frequency | Short Circuit Power | X/R | ||||
| 20 kV | 50 Hz | 100 MVA | 10 | ||||
| Filter’s Parameters | |||||||
| Inductance (Lf) | Capacitance (Cf) | ||||||
| 4.2 µH | 17.9 mF | ||||||
| Transformer’s Parameters | |||||||
| Type | Rated Frequency | Voltage | Rated Power | Reactance | Resistance | ||
| Dy11 | 50 Hz | 20 k/400 V | 25 MVA | 0.015 p.u | 1.2 × 10−3 p.u | ||
| Converter’s Parameters | |||||||
| Rated Voltage (L-L) | DC link voltage (vdc) | Rated Power | |||||
| 400 V | 800 V | 12 MVA | |||||
| (X/R)f | Fault Type | (∡vp,n)pre | UFmin | θn | (∡vp,n)min |
|---|---|---|---|---|---|
| (Deg) | (%) | (Deg) | (Deg) | ||
| 0 (pure resistive) | AB | 78.1 | 60.3 | 135 | 76.8 |
| BC | −41.3 | −43.2 | |||
| CA | −161.5 | −163.2 | |||
| ABG | 70 | 48.6 | 135 | 66.71 | |
| BCG | −50.7 | −53.3 | |||
| CAG | −176.3 | −173.3 | |||
| AG | 143.6 | 33.6 | 110 | 144 | |
| BG | 22.53 | 24 | |||
| CG | −96.4 | −96 | |||
| 1 | AB | 98.3 | 49.2 | 115 | 99 |
| BC | −19 | −21 | |||
| CA | −141.3 | −141 | |||
| ABG | 95.5 | 39.8 | 115 | 94.9 | |
| BCG | −22.4 | −25.1 | |||
| CAG | −145.4 | −145.1 | |||
| AG | 159.6 | 26.8 | 100 | 161.5 | |
| BG | 39.6 | 41.5 | |||
| CG | −79.8 | −78.5 | |||
| 5 | AB | 113.7 | 46.7 | 95 | 115.1 |
| BC | −6.6 | −4.9 | |||
| CA | −126.3 | −124.9 | |||
| ABG | 113.8 | 37.8 | 95 | 114.6 | |
| BCG | −7.4 | −5.4 | |||
| CAG | −127 | −125.4 | |||
| AG | 173.4 | 25.3 | 95 | 175.7 | |
| BG | 53.6 | 55.7 | |||
| CG | −66.5 | −64.3 | |||
| pure inductive | AB | 119.2 | 46.8 | 90 | 120.8 |
| BC | −1.5 | 0.8 | |||
| CA | −120.9 | −119.2 | |||
| ABG | 120.1 | 37.9 | 90 | 121.4 | |
| BCG | −1.1 | 1.4 | |||
| CAG | −120.8 | −118.6 | |||
| AG | 178 | 25.4 | 90 | 180 | |
| BG | 58.4 | 60 | |||
| CG | −62 | −60 |
| Fault Type | Parameter | GCR ≈ | MRPF ≈ | OAI ≈ | OAI&MRPF ≈ | UF Reduction with OAI (%) | Real Power Fluctuation Reduction with OAI, MRPF and OAI&MRPF (%) |
|---|---|---|---|---|---|---|---|
| SLG | Voltage unbalance factor (%) | 34 | 36.58 | 33.61 | 37 | 1.15 | [14.32, 97.3, 97.7] |
| Real power fluctuation amplitude | 0.782 | 0.021 | 0.67 | 0.0182 | |||
| Peak current in faulty phase(s) (p.u) | 1.15 | 1.15 | 1.19 | 1.17 | |||
| Positive sequence current magnitude | 0.661 | 0.879 | 0.662 | 0.876 | |||
| Negative sequence current magnitude | 0.539 | 0.321 | 0.538 | 0.324 | |||
| Numeric sum of pos. and neg. seq. currents | 1.2 | 1.2 | 1.2 | 1.2 | |||
| L-L | Voltage unbalance factor (%) | 62.73 | 66.51 | 60.28 | 65.01 | 3.9 | [12.03, 97.5, 97.9] |
| Real power fluctuation amplitude | 0.945 | 0.024 | 0.8313 | 0.02 | |||
| Peak current in faulty phase(s) (p.u) | 1.11 | 1.19 | 1.142 | 1.185 | |||
| Positive sequence current magnitude | 0.372 | 0.721 | 0.372 | 0.727 | |||
| Negative sequence current magnitude | 0.828 | 0.479 | 0.828 | 0.473 | |||
| Numeric sum of pos. and neg. seq. currents | 1.2 | 1.2 | 1.2 | 1.2 | |||
| DLG | Voltage unbalance factor (%) | 50.26 | 52.14 | 48.56 | 50.91 | 3.4 | [34.2, 96.8, 97] |
| Real power fluctuation amplitude | 0.543 | 0.0176 | 0.341 | 0.0164 | |||
| Peak current in faulty phase(s) (p.u) | 1.06 | 1.2 | 1.19 | 1.2 | |||
| Positive sequence current magnitude | 0.613 | 0.789 | 0.617 | 0.795 | |||
| Negative sequence current magnitude | 0.587 | 0.411 | 0.583 | 0.405 | |||
| Numeric sum of pos. and neg. seq. currents | 1.2 | 1.2 | 1.2 | 1.2 |
Disclaimer/Publisher’s Note: The statements, opinions and data contained in all publications are solely those of the individual author(s) and contributor(s) and not of MDPI and/or the editor(s). MDPI and/or the editor(s) disclaim responsibility for any injury to people or property resulting from any ideas, methods, instructions or products referred to in the content. |
© 2023 by the authors. Licensee MDPI, Basel, Switzerland. This article is an open access article distributed under the terms and conditions of the Creative Commons Attribution (CC BY) license (https://creativecommons.org/licenses/by/4.0/).
Share and Cite
Abubakar, M.; Renner, H.; Schürhuber, R. Development of a Novel Control Scheme to Achieve the Minimum Unbalance Factor and Real Power Fluctuations under Asymmetrical Faults. Energies 2023, 16, 7511. https://doi.org/10.3390/en16227511
Abubakar M, Renner H, Schürhuber R. Development of a Novel Control Scheme to Achieve the Minimum Unbalance Factor and Real Power Fluctuations under Asymmetrical Faults. Energies. 2023; 16(22):7511. https://doi.org/10.3390/en16227511
Chicago/Turabian StyleAbubakar, Muhammad, Herwig Renner, and Robert Schürhuber. 2023. "Development of a Novel Control Scheme to Achieve the Minimum Unbalance Factor and Real Power Fluctuations under Asymmetrical Faults" Energies 16, no. 22: 7511. https://doi.org/10.3390/en16227511
APA StyleAbubakar, M., Renner, H., & Schürhuber, R. (2023). Development of a Novel Control Scheme to Achieve the Minimum Unbalance Factor and Real Power Fluctuations under Asymmetrical Faults. Energies, 16(22), 7511. https://doi.org/10.3390/en16227511

