Next Article in Journal
Calibration of a Near-Wall Differential Reynolds Stress Model Using the Updated Direct Numerical Simulation Data and Its Assessment
Next Article in Special Issue
Including Shield Wires in the Analysis of Transient Processes Occurring in HVAC Transmission Lines
Previous Article in Journal
Autoignition Characterization of Hydrogen Directly Injected into a Constant-Volume Combustion Chamber through a Heavy-Duty Injector
Previous Article in Special Issue
Using Machine Learning in Electrical Tomography for Building Energy Efficiency through Moisture Detection
 
 
Font Type:
Arial Georgia Verdana
Font Size:
Aa Aa Aa
Line Spacing:
Column Width:
Background:
Article

Cooperation of the Plasma Reactor with a Converter Power Supply Equipped with a Transformer with Special Design

by
Grzegorz Komarzyniec
* and
Michał Aftyka
Faculty of Engineering and Computer Science, Lublin University of Technology, Nadbystrzycka 38A, 20-618 Lublin, Poland
*
Author to whom correspondence should be addressed.
Energies 2023, 16(19), 6825; https://doi.org/10.3390/en16196825
Submission received: 30 August 2023 / Revised: 17 September 2023 / Accepted: 24 September 2023 / Published: 26 September 2023
(This article belongs to the Special Issue Advanced Engineering and Medical Technologies in Energy Exploitation)

Abstract

:
Plasma generation by means of electrical discharge requires specialized power supply systems. The applicability of plasma for various plasma processes depends on its parameters, and these, in turn, depend on the parameters of power supply systems. Arc plasma can be unstable, generating a lot of electromagnetic interference, overvoltage and overcurrent. The power system of a plasma reactor must guarantee good plasma control characteristics, be immune to disturbances and ensure good cooperation with the power grid. This article analyzes the cooperation of a three-phase plasma reactor, with a gliding arc discharge and a power supply system of a new type. This system integrates an AC/DC/AC converter and a five-column transformer with a special design in a single device. Using the properties of magnetic circuits, it is possible to integrate the functions of ignition and sustaining the burning of the discharge in the reactor in a single transformer. The proper design of the transformer is crucial to achieve the good cooperation of the AC/DC/AC converter with both the plasma reactor and the power supply network. The presented power supply design shows a number of positive features, predisposing it to powering arc plasma reactors.

1. Introduction

The possibilities of shaping the plasma parameters in plasma reactors are limited and mainly consist mainly of the choice of the geometry of the electrodes and the material they are made of; the choice of the geometry of the discharge chamber; and the choice of the composition of the plasma-generating gas, its pressure and flow rate [1,2,3]. In the main, however, it is the power supply system that determines the plasma parameters. Plasma parameters can be influenced by (1) selecting the voltage between DC and AC, (2) selecting the frequency of the supply voltage, (3) selecting the value of the voltage, (4) selecting the shape of the voltage, (5) selecting the value of the current, (6) controlling the DC component and higher harmonics in the voltage and current and (7) generating magnetic fields [4,5,6].
Due to the wide variety of plasma reactor designs [7], even occurring within a single type, and the wide variety of plasma processes carried out with their participation, it is difficult to develop a single universal power supply system. In order to achieve high plasma process efficiencies, it is necessary to use specialized power supply systems, individually designed for a specific plasma reactor and a specific technological process [8].
To perform a well-recognized and reproducible plasma process, one can design a power system that requires no adjustment or requires the adjustment of only selected parameters within narrow limits [9,10]. Usually, this task is difficult because plasma reactors are rarely subject to full control. Plasma reactors are highly nonlinear receivers with stochastically varying operating parameters, generating strongly electromagnetic interference and significant overvoltages and overcurrents [11,12,13]. Therefore, it is expected that the power system ensures good cooperation with the power grid, reduces interference with any apparatuses located in the vicinity of the plasma reactor and provides a good working environment for people. Due to the wide variety of power system solutions, the wide variety of plasma reactor designs and the multitude of applications [14,15], it is difficult to specify the general requirements. Each case must be individually analyzed.
An indispensable component of any power supply is a transformer. In some cases, the transformer itself, in a suitable design, is a good source of power for plasma reactors. In order to improve the control characteristics, transformer systems are completed by circuits with semiconductor elements. The use of transistor converters makes it possible to smoothly regulate the current value, voltage value and frequency.
The authors of [16] present the problems of construction and the operation of several types of power supply systems for a three-phase plasma reactor with a gliding arc discharge. Of the studied power supplies, the power converter supply system (PCS) shown in Figure 1 manifested the most features predisposing it to powering plasma reactors. Despite the relatively poor control characteristics compared to other power supplies, this power supply guarantees the correct burning of the discharge in the reactor for plasma gases used in tests, with a specific chemical composition and certain physical parameters. A major advantage of a power supply is the ability to shape the plasma parameters by changing the frequency of the supply voltage. In the case of the PCS power supply, the intermediate transformer has a great influence on its cooperation with the plasma reactor. The transformer’s gear ratio, the dissipation reactance, the value of the magnetic induction in the core, the material of the core and the ability to carry fast-variable signals are the basic parameters to be taken into account. In the PCS power supply, the big operational problems are generated by the electronic ignition system. This system has a high failure rate and generates large conducted disturbances that interfere with the operation of the converter. The solution to these problems is to use a transformer that increases the voltage to the value required for the ignition of the discharge and is adapted to work with an electric discharge load.
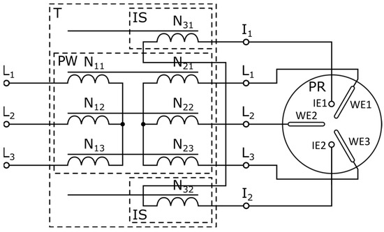
Of the power systems presented in [16] and only using a transformer in its design, a five-limb transformer (IFCTPS) with a special design (Figure 2) is characterized by good cooperation with the plasma reactor. Using the properties of the five-limb core, this transformer integrates the functions of igniting the discharge in the reactor and sustaining its burning in a single device.
The analyses that were carried out showed that combining the IFCTPS transformer with the converter derived from the PCS power supply obtains a power supply system that guarantees better cooperation with the plasma reactor than previously discussed designs. Better cooperation means ensuring good conditions for ignition, sustaining the discharge in the reactor, obtaining the widest possible control characteristics, ensuring good cooperation with the power grid and ensuring a low failure rate of the power supply.

2. Plasma Reactor

The problems of a plasma reactor power supply, presented in this article, focus on ensuring the optimal conditions for plasma generation in a three-phase plasma reactor with a gliding arc discharge [10] and its proper cooperation with the power supply system. The design of the plasma reactor is shown in Figure 3, while its technical parameters are given in Table 1. This reactor is used in gas decontamination processes.
The reactor is equipped with three knife-shaped metal working electrodes arranged around the axis of the cylindrical discharge chamber every 120°. Each electrode is powered by a separate phase of the three-phase power supply network. It is assumed that in gas decontamination processes the supply voltage of the working electrodes should not exceed 1.5 kV at the main frequency, while the supply current should be less than 5 A. The specified voltage, with the distances between the electrodes used in the reactor, is not sufficient for the spontaneous ignition of the arc discharge. For this reason, the reactor is equipped with one or two ignition electrodes. Separating the discharge ignition function from the discharge support function in the reactor allows for better control of the plasma parameters and significantly reduces the arc voltage.
The task of these electrodes is to reduce the breakdown strength of the gap between the working electrodes by ionizing them. Ignition electrodes are powered by voltages up to 20 kV at the main or elevated frequencies. The value of the current supplying these electrodes usually does not exceed 400 mA. With the given power supply parameters, electric sparks appear between the ignition electrodes. In a situation where there is only one ignition electrode, sparks jump from it to the working electrodes. The sparks initiated at the ignition electrodes ionize the gas, which is introduced into the space between the working electrodes.
Under normal conditions, i.e., at normal atmospheric pressure, at normal humidity and for typical electrode arrangements, the breakthrough voltage for air is about 30 kV/cm. In the case of the presented plasma reactor, the breakthrough voltages of plasma gases are different from those reported in the literature. This is due to the fact that the conditions in the plasma reactor chamber are far from normal, the working electrodes are knife-shaped and, in addition, on the ignition electrodes there is a burning discharge ionizing the space between the working electrodes.
The operation of the reactor is a cyclic operation. The arc discharge initiated on the working electrodes, under the influence of gasodynamic forces from the plasma-generating gas flowing into the reactor chamber, moves along the electrodes, increasing its length. The discharge is extinguished when the power supplied from the power system is unable to offset the energy losses of the intensively cooled and blown arc column. As soon as the discharge is extinguished, it is rebuilt as a result of the ignition electrodes. The length of the reactor’s cycle depends on its design parameters, the parameters of the plasma gas and the parameters of the power supply system [17,18,19]. The cyclic operation of a plasma reactor translates into a variable load on its power supply system. This system operates from a near-short-circuit state, when the electric arc is ignited, to an idle state, when the arc does not burn.

3. Power System of Plasma Reactor

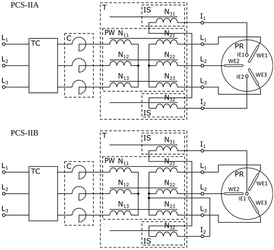
For the power supply of the presented plasma reactor, a new power supply system was developed, which was given the designation PCS-II. In the PCS-II power supply system (Figure 4), an AC/DC/AC transistor converter was connected to the transformer supplying the plasma reactor on its primary side. Chokes with an inductance of 20 mH were installed between the transformers and the converter. The ratings of the tested transformer design are given in Table 2.
The converter was built with a three-phase AC/DC transistor rectifier in a 6T+6D arrangement, a DC intermediate circuit, a capacitive filter and a three-phase transistor inverter (Figure 5). The rectifier circuit was equipped with an additional circuit for power factor improvement. The converter made it possible to regulate the value of the voltage supplying the transformer, to regulate the frequency in the range from 10 to 200 Hz and to regulate the discharge current in the reactor.
An important role in the power supply was played by a three-phase transformer, with a five-limb core, in a special design. This transformer matched the output parameters of the converter to those required by the plasma reactor, provided ignition of the discharge in the reactor and galvanically separated the two devices and filters’ conducted disturbances generated by the plasma reactor.
In three-phase five-limb core transformers, the side limbs of the core are not used to transform energy. The purpose of these limbs is to connect the top yoke of the core to the bottom yoke and create a low reluctance path for the in-phase magnetic fluxes. These fluxes in three-limb cores exit the core and close through the oil, air and structural elements of the transformer, which increases additional losses.
In the solution in question, the side limbs of the five-limb core were used to transform energy to a specific electricity consumer such as a plasma reactor. For this purpose, additional windings were mounted on the side limbs of the five-limb transformer. The arrangement of the windings on the five-limb core is shown in Figure 6. The presented solution allows for integration into a single device, which is a five-limb transformer, the functions of ignition of the discharge in the plasma reactor and the functions of sustaining the discharge. The great advantage of this solution is its simple design and high reliability. The division of the voltage required for the ignition of the discharge in the reactor into two windings significantly reduces the problems of isolation for high-voltage windings.
The phase windings of the transformer can be made as layer or disk windings. Selecting the number of disks, their dimensions and mutual arrangement can influence the value of the transformer’s dissipation reactance. The value of this reactance has a significant effect on the operating characteristics of the plasma reactor. These characteristics can also be shaped by including the current paths between the converter and transformer chokes with inductances, which are selected as needed.
In the studied power supply design, the transformer windings were made with copper wires, as layered. The parameters of the windings are given in Table 3.
Due to the design of the windings, the transformer has additional ratios between the primary windings and the side limbs’ windings. The values of these additional current and voltage ratios significantly depend on the values of the maximum fluxes present in the side limbs and the dissipation reactance of the side limbs’ windings. As a result, the current, voltage and winding ratios can have different values. The ratios of the tested transformer design are given in Table 4.
Four wound cores were used to construct the magnetic circuit of the five-limb transformer. The geometry of the core thus obtained is shown in Figure 7. The choice of such a solution was guided by the high availability of wound cores and the ease of assembly.
The effect of using wound cores is that the cross section of all the yoke parts and the side limbs of the transformer core is equal to half the cross section of the phase limb. In addition, there are vertical air gaps at the junction of two adjacent cores in the phase limbs. These gaps widen in the yoke sections, causing discontinuity.
The use, instead of wound cores, of a core composed of a package of shapes made of electrical sheets allows, at the stage of its design, for the selection of the values of fluxes in the side limbs. The distribution of fluxes in the yoke parts of a five-limb transformer depends on the permeance of the sections in which these fluxes occur. In turn, these permeances depend on the lengths, cross sections and magnetic permeabilities of these sections. Assuming that the maximum values of the phase limbs fluxes are equal to each other, the maximum values of the side limb fluxes can vary within the limits:
0 φ m 4 3 2 φ m
The case when φm4 = 0 corresponds to a three-limb transformer.
When selecting a transformer core, it is important to pay attention to the material from which it is made. The type of sheet metal used can significantly affect the performance characteristics of the plasma reactor and the parameters of the generated plasma. In this study, cores made of ET 120-27 electrical sheet were used.
The transformer windings can be connected in two ways (Figure 4), depending on the design of the plasma reactor ignition system. In both cases, the primary and secondary phase windings are connected in a star without a neutral conductor. The windings from the side limbs are connected in series, keeping the voltages induced in them compatible. The free ends of this connection are connected to the two ignition electrodes of the plasma reactor (Figure 4 PCS-IIA). Where the plasma reactor is equipped with one ignition electrode, the free end of one winding from the side limb is connected to the ignition electrode, and the free end of the other winding is connected to the neutral point of the star-connected secondary phase windings (Figure 4 PCS-IIB).

4. Cooperation of the Power Supply with the Plasma Reactor

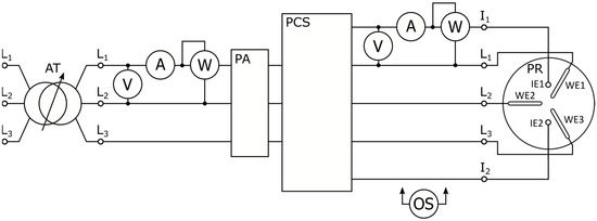
The power system was connected to the power grid and the plasma reactor according to the schematic shown in Figure 8. The system was powered from a three-phase 400 V grid through an ATS-FAZ3-23 autotransformer with a power of 23.4 kVA.
In order to measure magnetic fluxes, additional measuring windings were wound in the core of the transformer on the yokes and limbs. These windings were wound with 20 turns of copper wire. Fluxes were indirectly measured by recording the voltage on the measuring windings using a Tektronix TDS2024B oscilloscope (Tektronix, Beaverton, OR, USA).
Merazet LM-3 voltmeters, Merazet LE-3 ammeters, Merazet LW-1 wattmeters (Merazet SA, Poznań, Poland), a Tektronix DPO3054 oscilloscope, a Fluke Norma 5000 power analyzer (Fluke, Everett, WA, USA) and Tektronix P6015A high-voltage and Tektronix TCP0030 current probes were used for the measurements.
From the point of view of power supply operation, the most important aspect is their operation at the load of the plasma reactor, in which the electrical discharge is burning. The waveform of the phase voltage supplying one of the working electrodes of the reactor is shown in Figure 9. Figure 10 shows the current supplying this electrode. The waveforms were obtained for a discharge burning in argon, whose volumetric flow rate through the plasmotron nozzle was 2.8 m3/h. Sinusoidal current waveforms with strong voltage distortion, in the course of which distinct peaks associated with the ignition and quenching of the discharge are visible, are characteristic of intensively cooled electric arcs [20,21]. Such arc current and voltage waveforms, which are well-documented and described in the literature, allow for relatively easy control of the discharge parameters and control of the plasma process. It is also possible to carry out calculations and simulations of the plasma process using generally known mathematical models of the electric arc.
The voltage waveform between the ignition electrodes is shown in Figure 11, while Figure 12 shows the current supplied to the ignition electrodes. A large number of short-lived overvoltages is characteristic of spark discharges [22,23]. In the current, in turn, a large number of short-lived overvoltages are manifested. These deformations are the result of the strong dynamic interaction of the plasma-forming gas, flowing into the reactor discharge chamber, with the burning discharge between the ignition electrodes. As a result of this interaction, the initiated discharge channels are rapidly cooled and broken.
The use of two ignition electrodes in the plasma reactor (Figure 3), instead of one, significantly improves the operating conditions of the AC/DC/AC converter. In the case of a single ignition electrode, the discharges that initiate the arc ignition in the reactor occur for the working electrodes. In this situation, the overvoltages visible in the voltage in Figure 11 are superimposed on the phase voltages and transferred to the output side of the converter through the transformer.
Analyzing the course of magnetic fluxes in the core of a five-limb transformer, it is found that they are slightly deformed in the phase columns (Figure 13). The waveforms of these fluxes show numerous peaks and dips of a small value and short duration.
More distortion is observed in the fluxes in the side limb of the five-limb transformer (Figure 14). In these streams, in addition to distortion from the sinusoidal waveform, a very large number of peaks and dips similar in character to noise are observed. The source of this noise is the additional secondary windings wound on the side limbs of the transformer. The voltage occurring at the terminals of these windings is strongly deformed by spark discharges occurring at the reactor’s ignition electrodes (Figure 10). Such deformed voltage affects magnetic fluxes occurring in the side limbs, deforming them. It is difficult to estimate the frequency and value of this noise because these values depend on the intensity of the occurrence of spark discharges on the reactor ignition electrodes and their physical and electrical parameters. These parameters as well as the frequency of discharges are characterized by high variability.
A certain limitation in the use of the power supply is the relatively low current values that can be obtained for the discharge in the plasma reactor. The limitation of the upper range of current regulation takes place in the transformer as a result of the use of a core made of an ET 120-27 electrical sheet. A core made of such material has a limited ability to carry high-speed signals from the converter. Experience with other power supplies indicates that a core made of an amorphous material allows for a better power transfer from the converter to the plasma reactor.
In the power supply under study, the transformer windings were made as layered windings. Disc windings seem to be a better solution. The alternating arrangement of the primary and secondary winding discs makes it possible to achieve the desired dissipation reactance of the intermediate transformer. With a proper design of the windings, it seems possible to eliminate chokes from the output circuits of the AC/DC/AC converter.
The way in which the discharge develops in the reactor and what parameters it adopts significantly depend on the type of plasma gas. Figure 15 shows photos of the discharge obtained in a plasma reactor in atmospheric air, nitrogen, argon and helium. The reactor was powered from the power system discussed in the article and the discharges burned under the same gas–dynamic conditions and power parameters.
The voltage–current characteristics of the discharge burning in argon, helium, nitrogen and air are presented in Figure 15. The measurements were carried out at a volume flow of these gases of 1.6 m3/h.
The characteristics shown in Figure 16 strongly depend on the type of plasma-forming gas. The influence of the gas composition is particularly evident when comparing the characteristics obtained for a discharge burning in nitrogen and air. When the arc discharge burns in nitrogen with an increase in the current supplied to it, the arc voltage slightly decreases. Adding the admixtures of gases found in air to nitrogen, in the quantities in which they are found in air, causes an increase in the current of the arc, so its voltage significantly increases. By selecting the chemical composition of the plasma-generating gas, it is possible to influence not only the parameters of the generated plasma but also the operating characteristics of the plasma reactor and its power supply system. It should be borne in mind that uncontrolled changes in the chemical composition of the gas in the reactor’s discharge chamber can significantly affect the operation of the reactor as well as its electrical power supply system.
The physical parameters of the plasma-generating gas have a significant effect on the performance characteristics of the plasma reactor. Figure 17 and Figure 18 show the effect of the value of the volumetric flow of gases through the plasmotron nozzle on the variation in the discharge voltage and current. The characteristics plotted in Figure 17 and Figure 18 start from the value of the volume flow of gases at which the discharge in the reactor changes its character. For lower flow values, the discharge has the character of a typical electric arc. In the operation of the reactor, a slow movement of the arc is observed along the working electrodes with long periods of burning at their ends. This arc causes the strong erosion of the electrodes and significantly heats up the structural components of the reactor, though its plasma has a limited area of influence. In the ranges of gas flows for which the characteristics are plotted, the discharge in the plasma reactor is strongly blown. The discharge does not have a distinct arc column, and it resembles a glow discharge in its nature; on the working electrodes, there are many points of its attachment rapidly changing position. The plasma of the discharge is intensively cooled and covers a considerable volume of the reactor discharge chamber with its area. The upper limit of the characteristics shown in Figure 17 and Figure 18 is associated with the quenching of the discharge in the reactor. Above this limit, the effect of gas on the interelectrode space is so intense that it does not allow for the ignition of the discharge in the reactor. The obtained characteristics can be extended to higher values of the gas flow by changing the output parameters of the reactor power supply system.
Analyzing the apparent powers at the input and output of the power supply, it can be seen that the power supply draws many times more power from the power grid than the power given off by the electrical discharge (Figure 19). Analysis of the cosφ power factor shows that over the entire range of control of the power supplied to the plasma reactor, these factors, for all the plasma gases tested, range from 0.83 to 1. The measurements show that the powers of the converter system used as well as the intermediate transformer are significantly overestimated in relation to the maximum power of the discharge burning in the reactor. As a result, the calculated efficiency with which the power supply operates ranges from 15% in the lower range of the control characteristics to 65% in the upper range of the control characteristics. The type of plasma gas has a strong influence on the efficiency of the power pack. The power pack achieves the highest efficiencies when the plasma-generating gas is nitrogen, while the lowest efficiencies are achieved when the discharge burns in helium.
Analysis of the interaction of the power supply, loaded with the plasma reactor, with the power grid, in terms of harmonic content, showed a high value of the harmonic content coefficients in the current drawn from the grid (Figure 20) and a relatively small value of this coefficient for the grid voltage (Figure 21). In both cases, increasing the power supplied to the discharge reduces the value of the harmonic content factor. The type of plasma gas has a large influence on the value of this coefficient.

5. Summary

The presented design of the plasma reactor power supply has good operating characteristics. The power supply ensures the reliable ignition of the discharge in the reactor and stable plasma generation. Thanks to the integration of the functions of the ignition and discharge support in the intermediate transformer, a low failure rate of the power supply and improved operating conditions for the AC/DC/AC converter were achieved. The use of the converter in the power supply system makes it possible to regulate the plasma parameters.
The power supply allows for air discharge current regulation in the range of 0.4 A–1.4 A with discharge voltage regulation from 150 V to 680 V. For nitrogen, the current adjustment ranges from 0.4 A to 0.9 A over a voltage range of 580 V–610 V. For argon, current regulation can be accomplished in the range of 0.4 A–0.9 A in the voltage range of 600 V–980 V. For helium, the discharge current can be varied from 0.4 A to 1.55 A over a range of discharge voltage variations from 490 V to 610 V. In a situation where the discharge burns in atmospheric air, the power delivered to the reactor can be adjusted from 160 VA to 1160 VA. When nitrogen and helium are used as plasma gases, the power adjustment range is from 210 VA to 760 VA. When argon is the plasma gas, the power delivered to the plasma reactor can be adjusted from 370 VA to 610 VA. These characteristics are available in a range of gas-flow rates from 0.75 m3/h to 2 m3/h when the plasma gas is air or nitrogen. For argon or helium, the flow rates can range from 1.1 m3/h to 2.75 m3/h.
It is possible to expand the power supply system with systems for automatic control and by regulation of the plasma process. An important role in the presented power supply system was played by the transformer that mediates between the AC/DC/AC converter and the plasma reactor. This transformer had a major impact on the obtained performance characteristics of the entire system. The power supply system in question was characterized by a large excess of power, relative to the discharge power in the plasma reactor; as a result, it operated in a highly underloaded state. The material of the transformer core had a large impact on the transfer of power to the reactor. A clear improvement in the efficiency of the power supply can be achieved by using materials for the core that have the ability to carry fast-variable signals from the converter. However, it should be borne in mind that such materials transmit disturbances generated by the plasma reactor to the output of the converter.
The presented design of a gliding arc discharge plasma reactor power supply shows a number of positive features predisposing it to such applications. It also appears that the power supply has a large application capability for many plasma processes. Further work will focus on optimizing the device and developing design guidelines for this type of power supply.

Author Contributions

Conceptualization, G.K.; methodology, M.A.; validation, G.K. and M.A.; formal analysis, G.K.; investigation; M.A.; data curation, M.A.; writing—original draft preparation, G.K. and M.A.; writing—review and editing, G.K.; visualization, G.K. All authors have read and agreed to the published version of the manuscript.

Funding

This research received no external funding.

Data Availability Statement

Not applicable.

Conflicts of Interest

The authors declare no conflict of interest.

References

  1. Felea, C.I.; Dragos Astanei, D. Electrical characterization of the double crossing Glidarc reactor with cylindrical symmetry. In Proceedings of the International Conference on Optimization of Electrical and Electronic Equipment (OPTIM) & 2017 Intl Aegean Conference on Electrical Machines and Power Electronics (ACEMP), Brasov, Romania, 25–27 May 2017. [Google Scholar] [CrossRef]
  2. Nishime, T.M.C.; Werner, J.; Wannicke, N.; Mui, T.S.M.; Kostov, K.G.; Weltmann, K.-D.; Brust, H. Characterization and Optimization of a Conical Corona Reactor for Seed Treatment of Rapeseed. Appl. Sci. 2022, 12, 3292. [Google Scholar] [CrossRef]
  3. Barkhordari, A.; Karimian, S.; Rodero, A.; Krawczyk, D.A.; Iman Mirzaei, S.I.; Falahat, A. Carbon Dioxide Decomposition by a Parallel-Plate Plasma Reactor: Experiments and 2-D Modelling. Appl. Sci. 2021, 11, 10047. [Google Scholar] [CrossRef]
  4. Rablah, B.; Laberge, M.; Zawalski, W.; Wilkie, J. Pulse power systems for plasma experiments at general fusion. In Proceedings of the 2016 IEEE International Conference on Plasma Science (ICOPS), Banff, AB, Canada, 19–23 June 2016. [Google Scholar] [CrossRef]
  5. Creţu, D.; Burlică, R.; Astanei, D.; Dirlău, J.-D.; Beniugă, O. Energy efficiency evaluation of HV power supplies for non-thermal plasma generation. In Proceedings of the 8th International Conference on Modern Power Systems (MPS), Cluj-Napoca, Romania, 21–23 May 2019. [Google Scholar] [CrossRef]
  6. Ivankov, A.; Capela, T.; Rueda, V.; Bru, E.; Piquet, H.; Schitz, D.; Florez, D.; Diez, R. Experimental Study of a Nonthermal DBD-Driven Plasma Jet System Using Different Supply Methods. Plasma 2022, 5, 75–97. [Google Scholar] [CrossRef]
  7. Conrads, H.; Schmidt, M. Plasma generation and plasma sources. Plasma Sources Sci. Technol. 2000, 9, 441. [Google Scholar] [CrossRef]
  8. Stryczewska, H.D. Supply Systems of Non-Thermal Plasma Reactors. Construction Review with Examples of Applications. Appl. Sci. 2020, 10, 3242. [Google Scholar] [CrossRef]
  9. Hnatiuc, E.; Brisset, J.L.; Hnatiuc, B.; Burlica, R.; Roman, C. About electrochemical reactors with cold plasma discharges engineering. In Proceedings of the European Research in Cold Plasma Applications Conference, Iasi, Romania, 12–13 February 2007; ISBN 978-973-0-04933-6. [Google Scholar]
  10. Burlica, R.; Hnatiuc, E.; Pricop, C.H.; Felea, C. A comparative study of non-thermal plasma Glidarc reactors. In Proceedings of the International Conference on Optimization of Electrical and Electronic Equipment (OPTIM), Bran, Romania, 22–24 May 2014. [Google Scholar] [CrossRef]
  11. Beniugă, O.; Dîrlau, J.-D.; Astanei, D.; Burlică, R. Electromagnetic field radiation generated by pulsed non-thermal plasma discharge. In Proceedings of the 8th International Conference on Modern Power Systems (MPS), Cluj-Napoca, Romania, 21–23 May 2019. [Google Scholar] [CrossRef]
  12. Todirasi, G.; Hnatiuc, E.; Burlica, R.; Hnatiuc, B.; Gavril, B. Reduction of electromagnetic perturbations for cold plasma electrochemical reactors using electromagnetic screening. In Proceedings of the 12th International Conference on Optimization of Electrical and Electronic Equipment OPTIM 2010, Brasov, Romania, 20–22 May 2010; pp. 1343–1348. [Google Scholar] [CrossRef]
  13. Haruni, A.M.O.; Muttagi, K.M.; Negnevitsky, M. Analysis of harmonics and voltage fluctuation using different models of arc furnace. In Proceedings of the Australasian Universities Power Engineering Conference, Perth, WA, Australia, 9–12 December 2007. [Google Scholar] [CrossRef]
  14. Stryczewska, H.D.; Stępień, M.A.; Boiko, O. Plasma and Superconductivity for the Sustainable Development of Energy and the Environment. Energies 2022, 14, 4092. [Google Scholar] [CrossRef]
  15. Stryczewska, H.D.; Boiko, O. Applications of Plasma Produced with Electrical Discharges in Gases for Agriculture and Biomedicine. Appl. Sci. 2022, 12, 4405. [Google Scholar] [CrossRef]
  16. Komarzyniec, G.; Aftyka, M. Analysis of Plasma Reactor Interaction with the Power Grid Depending on the Power Supply Design. Appl. Sci. 2023, 13, 2279. [Google Scholar] [CrossRef]
  17. Sun, S.R.; Kolev, S.; Wang, H.X.; Bogaerts, A. Investigations of discharge and post-discharge in a gliding arc: A 3D computational study. Plasma Sources Sci. Technol. 2017, 26, 055017. [Google Scholar] [CrossRef]
  18. Hnatiuc, B.; Pellerin, S.; Burlica, R.; Hnatiuc, E. Electrical and physical proprieties of a gliding arc. In Proceedings of the XVIIth Symposium on Physics of Switching Arc, Brno, Czech Republic, 10–13 September 2007; ISBN 978-80-214-3370-0. [Google Scholar]
  19. Selerowicz, W.; Piechna, J.; Opalinska, T.; Ulejczyk, B. Experimental investigation of the dynamics and space range of the gliding arc in three-electrode system. IEEE Trans. Plasma Sci. 2011, 39, 2866–2867. [Google Scholar] [CrossRef]
  20. Emanuel, A.E.; Orr, J.A. An improved method of simulation of the arc voltage-current characteristic. In Proceedings of the 9th International Conference on Harmonics Quality of Power, Orlando, FL, USA, 1–4 October 2000; pp. 148–150. [Google Scholar] [CrossRef]
  21. Felea, I.C.; Hnatiuc, E.; Astanei, D. Characterization of cold plasma glidarc reactors. International Aegean Conference on Electrical Machines and Power Electronics (ACEMP) & International Conference on Optimization of Electrical and Electronic Equipment (OPTIM), Brasov, Romania, 2–3 September 2021. [Google Scholar] [CrossRef]
  22. Zhi-Bo, Z.; Yun, W.; Min, J.; Hui-Min, S.; Zheng-Zhong, S.; Ying-Hong, L. Modeling and optimization of the multichannel spark discharg. Chin. Phys. B 2017, 26, 065204. [Google Scholar]
  23. Liu, J.; Bi, M.; Jiang, H.; Gao, W. Evaluation of spark discharge. J. Electrost. 2020, 107, 103500. [Google Scholar] [CrossRef]
Figure 1. Converter power system PCS. PR—plasma reactor; T1, T2 and T3—transformers of reactor’s working electrodes’ power circuit; C—chokes; IS—ignition electrodes’ power circuit; N11, N12 and N13—primary windings; N21, N22 and N23—secondary windings; WE1, WE2 and WE3—plasma reactor’s working electrodes; IE1 and IE2—reactor’s ignition electrodes.
Figure 1. Converter power system PCS. PR—plasma reactor; T1, T2 and T3—transformers of reactor’s working electrodes’ power circuit; C—chokes; IS—ignition electrodes’ power circuit; N11, N12 and N13—primary windings; N21, N22 and N23—secondary windings; WE1, WE2 and WE3—plasma reactor’s working electrodes; IE1 and IE2—reactor’s ignition electrodes.
Energies 16 06825 g001
Figure 2. Transformer power system IFCTPS. PR—plasma reactor; T—transformer; PW—reactor working electrodes’ power circuit; IS—ignition electrodes’ power circuit; N11, N12 and N13—primary windings; N21, N22 and N23—secondary windings; N31 and N32—additional secondary windings; WE1, WE2 and WE3—plasma reactor’s working electrodes; IE1 and IE2—reactor’s ignition electrodes.
Figure 2. Transformer power system IFCTPS. PR—plasma reactor; T—transformer; PW—reactor working electrodes’ power circuit; IS—ignition electrodes’ power circuit; N11, N12 and N13—primary windings; N21, N22 and N23—secondary windings; N31 and N32—additional secondary windings; WE1, WE2 and WE3—plasma reactor’s working electrodes; IE1 and IE2—reactor’s ignition electrodes.
Energies 16 06825 g002
Figure 3. Three-phase plasma reactor with gliding arc discharge. (a) Overview drawing, (b) one-ignition electrode system and (c) two-ignition electrode system. WE—working electrodes; IE—ignition electrodes.
Figure 3. Three-phase plasma reactor with gliding arc discharge. (a) Overview drawing, (b) one-ignition electrode system and (c) two-ignition electrode system. WE—working electrodes; IE—ignition electrodes.
Energies 16 06825 g003
Figure 4. Converter power system PCS-II. PR—plasma reactor; T—transformer; PW—reactor’s working electrodes’ power circuit; IS—ignition electrodes’ power circuit; C—chokes; TC—AC/DC/AC transistor converter; N11, N12 and N13—primary windings; N21, N22 and N23—secondary windings; N31 and N32—additional secondary windings; WE1, WE2 and WE3—plasma reactor’s working electrodes; IE1 and IE2—reactor’s ignition electrodes.
Figure 4. Converter power system PCS-II. PR—plasma reactor; T—transformer; PW—reactor’s working electrodes’ power circuit; IS—ignition electrodes’ power circuit; C—chokes; TC—AC/DC/AC transistor converter; N11, N12 and N13—primary windings; N21, N22 and N23—secondary windings; N31 and N32—additional secondary windings; WE1, WE2 and WE3—plasma reactor’s working electrodes; IE1 and IE2—reactor’s ignition electrodes.
Energies 16 06825 g004
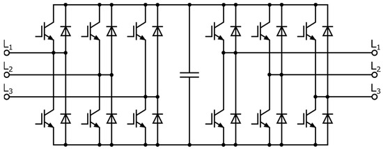
Figure 5. Construction of the AC/DC/AC converter.
Figure 5. Construction of the AC/DC/AC converter.
Energies 16 06825 g005
Figure 6. Location of windings on a five-limb core. N11, N12 and N13—primary windings; N21, N22 and N23—secondary windings; N31 and N32—additional secondary windings.
Figure 6. Location of windings on a five-limb core. N11, N12 and N13—primary windings; N21, N22 and N23—secondary windings; N31 and N32—additional secondary windings.
Energies 16 06825 g006
Figure 7. Geometry of the five-limb core.
Figure 7. Geometry of the five-limb core.
Energies 16 06825 g007
Figure 8. Measuring system. AT—autotransformer; V—voltmeter; A—ammeter; W—wattmeter; OS—oscilloscope; PA—power analyzer; PCS—power system of plasma reactor; PR—plasma reactor.
Figure 8. Measuring system. AT—autotransformer; V—voltmeter; A—ammeter; W—wattmeter; OS—oscilloscope; PA—power analyzer; PCS—power system of plasma reactor; PR—plasma reactor.
Energies 16 06825 g008
Figure 9. Voltage between the working electrodes.
Figure 9. Voltage between the working electrodes.
Energies 16 06825 g009
Figure 10. Current supplying the working electrode.
Figure 10. Current supplying the working electrode.
Energies 16 06825 g010
Figure 11. Voltage between the ignition electrodes.
Figure 11. Voltage between the ignition electrodes.
Energies 16 06825 g011
Figure 12. Current supplying the ignition electrode.
Figure 12. Current supplying the ignition electrode.
Energies 16 06825 g012
Figure 13. Voltages corresponding to fluxes occurring in the phase columns of a five-limb transformer.
Figure 13. Voltages corresponding to fluxes occurring in the phase columns of a five-limb transformer.
Energies 16 06825 g013
Figure 14. Voltages corresponding to fluxes occurring in the side limbs of a five-limb transformer.
Figure 14. Voltages corresponding to fluxes occurring in the side limbs of a five-limb transformer.
Energies 16 06825 g014
Figure 15. Discharges in a plasma reactor for different plasma gases. (a) Air, (b) nitrogen, (c) argon and (d) helium.
Figure 15. Discharges in a plasma reactor for different plasma gases. (a) Air, (b) nitrogen, (c) argon and (d) helium.
Energies 16 06825 g015
Figure 16. Voltage–current characteristics of the reactor discharge.
Figure 16. Voltage–current characteristics of the reactor discharge.
Energies 16 06825 g016
Figure 17. Characterisation of the variation in arc voltage as a function of changes in the volume flow of plasma-generating gases.
Figure 17. Characterisation of the variation in arc voltage as a function of changes in the volume flow of plasma-generating gases.
Energies 16 06825 g017
Figure 18. Characterisation of the variation in arc current as a function of changes in the volume flow of plasma-generating gases.
Figure 18. Characterisation of the variation in arc current as a function of changes in the volume flow of plasma-generating gases.
Energies 16 06825 g018
Figure 19. Variation characteristics of the power taken from the grid by the power supply as a function of arc power changes.
Figure 19. Variation characteristics of the power taken from the grid by the power supply as a function of arc power changes.
Energies 16 06825 g019
Figure 20. Harmonic content factor of the current drawn by the power supply as a function of changes in this current.
Figure 20. Harmonic content factor of the current drawn by the power supply as a function of changes in this current.
Energies 16 06825 g020
Figure 21. Coefficient of harmonic content in the voltage the power supply is supplied with as a function of variations in the current drawn from the grid.
Figure 21. Coefficient of harmonic content in the voltage the power supply is supplied with as a function of variations in the current drawn from the grid.
Energies 16 06825 g021
Table 1. Technical parameters of the plasma reactor.
Table 1. Technical parameters of the plasma reactor.
Number of working electrodes3
Number of ignition electrodes1 or 2
Height/width/thickness of the working electrodes140 mm/30 mm/2 mm
Working electrode spacing, bottom/top5 mm/50 mm
Working electrode materialsteel 0H18N9
Ignition electrodes materialtungsten ASTM B777 ET90, wire ∅1 mm
Height of the discharge chamber500 mm
Discharge chamber diameter114 mm
Material of the discharge chamberquartz glass
Material of the electrode mounting ringaluminum PA6 (2017A)
Current passes of the electrode holderscopper DIN CuCrZr
Insulation of the electrode holdersceramic AL- 70
Gas inlet nozzle∅5 mm
Table 2. Power supply ratings.
Table 2. Power supply ratings.
Primary voltage, U1V230
Secondary voltage, U2kV1.5
Secondary voltage of side limb winding, U3kV1.9
Primary current, I1A15.8
Secondary current, I2A2.4
Secondary current of side limb winding, I3mA350
Table 3. Parameters of transformer windings.
Table 3. Parameters of transformer windings.
Number of windings of the primary winding, N1550
Number of windings of the phase secondary winding, N23600
Number of windings of the secondary winding of side limb, N325,000
Wire cross section of the primary windingmm26
Wire cross section of the secondary windingmm20.78
Wire cross section of the secondary winding of side limbmm20.12
Table 4. Transformer ratios.
Table 4. Transformer ratios.
Ratios between primary and secondary windingsRatios between primary and secondary windings of side limbs
TurnsVoltageCurrentTurnsVoltageCurrent
ϑ n = N 2 N 1 ϑ u = U 2 U 1 ϑ i = I 1 I 2 ϑ 3 n = N 3 N 1 ϑ 3 u = U 3 U 1 ϑ 3 i = I 1 I 3
6.56.56.545.58.245.5
Disclaimer/Publisher’s Note: The statements, opinions and data contained in all publications are solely those of the individual author(s) and contributor(s) and not of MDPI and/or the editor(s). MDPI and/or the editor(s) disclaim responsibility for any injury to people or property resulting from any ideas, methods, instructions or products referred to in the content.

Share and Cite

MDPI and ACS Style

Komarzyniec, G.; Aftyka, M. Cooperation of the Plasma Reactor with a Converter Power Supply Equipped with a Transformer with Special Design. Energies 2023, 16, 6825. https://doi.org/10.3390/en16196825

AMA Style

Komarzyniec G, Aftyka M. Cooperation of the Plasma Reactor with a Converter Power Supply Equipped with a Transformer with Special Design. Energies. 2023; 16(19):6825. https://doi.org/10.3390/en16196825

Chicago/Turabian Style

Komarzyniec, Grzegorz, and Michał Aftyka. 2023. "Cooperation of the Plasma Reactor with a Converter Power Supply Equipped with a Transformer with Special Design" Energies 16, no. 19: 6825. https://doi.org/10.3390/en16196825

APA Style

Komarzyniec, G., & Aftyka, M. (2023). Cooperation of the Plasma Reactor with a Converter Power Supply Equipped with a Transformer with Special Design. Energies, 16(19), 6825. https://doi.org/10.3390/en16196825

Note that from the first issue of 2016, this journal uses article numbers instead of page numbers. See further details here.

Article Metrics

Back to TopTop