Energy Performance and Thermal Comfort Delivery Capabilities of Solid-Desiccant Rotor-Based Air-Conditioning for Warm to Hot and Humid Climates—A Critical Review
Abstract
:1. Introduction
2. Revisiting the Goal of Air-Conditioning Installation in the Built Environment
2.1. Thermal Comfort Factors and Requirements in Built Environment
2.2. Adaptive Approach to Thermal Comfort
2.3. Indoor Air Quality
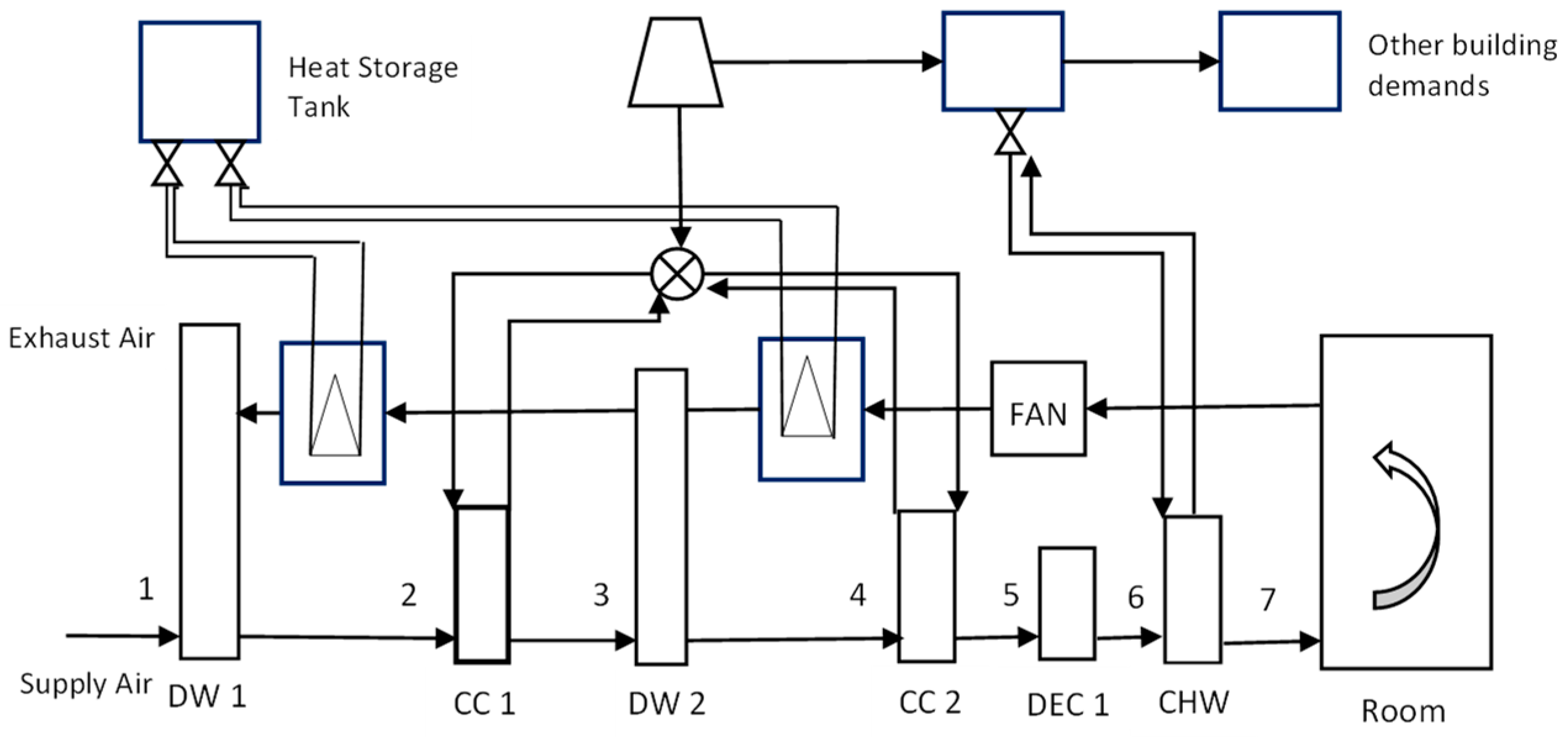
3. Overview of Research/Studies on Solid-Desiccant-Based Air-Conditioning
3.1. Single-Rotor System Configurations
3.1.1. Single Rotor—Basic Configuration
3.1.2. Simple Configuration with an Enthalpy Exchanger
3.1.3. Single-Rotor System with Cooling Supplied by Chilled Water
3.2. Two-Stage Dehumidification System
3.2.1. Two-Stage Dehumidification Systems with Ventilation and Recirculation Modes
3.2.2. Two-Stage Dehumidification System with Chilled Water as the Cooling Medium
4. Potential Advantages and Drawbacks of the Desiccant-Based Air-Conditioning System
4.1. Potential Advantages
4.2. Drawbacks
4.2.1. Inevitable Heating of Air While Being Dehumidified
4.2.2. Need for Desiccant Regeneration and Low Thermal COP Paradox
4.2.3. Limited Options for Regeneration Heat Sources
4.2.4. Limited Options for Reliable Cooling
4.2.5. Low Electrical COP
4.2.6. Counterintuitive Addition of Moisture to Air during the Evaporative Cooling Process
4.2.7. Thermal Comfort Performance Delivery Questioned
5. Conclusions and Future Research Directions
- The solid-desiccant rotor as the core component of this technology to provide the air dehumidification suffers from significant thermal performance degradation due to the need for (a) significant heat for the desiccant regeneration and (b) recooling of air as it exits the rotor.
- The initial and noble case for reducing reliance on the electricity powered by fossil fuels suffers setbacks due to the lack of alternative reliable fossil-free energy sources to provide the regeneration heat. This is further exacerbated by the generally low system thermal performance.
- Inclusion of direct evaporative coolers in many system configurations practically nullifies the initial goal of dehumidifying the air before it is admitted to a conditioned space. The use of dew point coolers that do not humidify the air as the substitute may potentially improve the system thermal performance. However, further studies are required to evaluate this potential.
- The points mentioned above seem to have led to the development of the solid-desiccant rotor-cooling technology with more components that thermally nullify each other’s roles in bringing about air conditions suitable for the thermal comfort of occupants of an air-conditioned space.
- Recent studies have started turning away from open-cycle sorption cooling with the desiccant rotor being one of its core components.
- Currently, thermal and electrical COPs are the main indices for evaluating performance of the desiccant-solid systems. However, these indices lack common references when comparing competing technologies. Widely acceptable performance indices need to be developed to enable a proper evaluation of the viability of this technology against its competing counterparts, in particular conventional vapor-compression air-conditioning systems. These indices should take into account the thermal and electrical performance as well as the thermal comfort delivery capability of each technology.
- A recent surge in popularity of PV systems has provided the option of achieving thermal comfort from a cleaner energy source using conventional vapor-compression refrigeration technologies.
- A breakthrough in the solid-desiccant rotor cooling system, component design, and performance improvement seems the only pathway for this technology to maintain its relevance. To date, this has not been convincingly demonstrated.
Author Contributions
Funding
Data Availability Statement
Conflicts of Interest
References
- Perez-Lombard, L.; Ortiz, J.; Pout, C. A review on buildings energy consumption information. Energy Build. 2008, 40, 394–398. [Google Scholar] [CrossRef]
- Li, X.W.; Wen, J. Review of building energy modeling for control and operation. Renew. Sustain. Energy Rev. 2014, 37, 517–537. [Google Scholar] [CrossRef]
- Shaw, A.; Luxton, R.E. A comprehensive method of improving part load air conditioning performance. ASHRAE Trans. 1988, 94, 442. [Google Scholar]
- Sekhar, S.C.; Luxton, R.E.; Shaw, A. Design methodology for cost effective air conditioning in humid climates. In Proceedings of the ASHRAE Far East Conference on Air conditioning in Hot Climates, Kuala Lumpur, Malaysia, 25–28 October 1989; ASHRAE: Atlanta, GA, USA, 1989. [Google Scholar]
- Sekhar, S.C. Life Cycle Design of Dehumidifiers in Air Conditioning. Ph.D. Thesis, University of Adelaide, Adelaide, Australia, 1990. [Google Scholar]
- Çengel, Y.A.; Boles, M.A.; Kanoģlu, M. Thermodynamics: An Engineering Approach, 9th ed.; McGraw-Hill Education: New York, NY, USA, 2018. [Google Scholar]
- Henning, H.-M. Solar assisted air conditioning of buildings—An Overview. Appl. Therm. Eng. 2007, 27, 1734–1749. [Google Scholar] [CrossRef]
- ANSI/ASHRAE Standard 55-2017; Thermal Environmental Conditions for Human Occupancy. ASHRAE Inc.: Atlanta, GA, USA, 2017.
- Fanger, P.O. Thermal Comfort: Analysis and Applications in Environmental Engineering; McGraw Hill Book Company: New York, NY, USA, 1970. [Google Scholar]
- ANSI/ASHRAE Standard 55-1981; Thermal Environmental Conditions for Human Occupancy. ASHRAE Inc.: Atlanta, GA, USA, 1981.
- Nicol, J.F. Adaptive comfort—Editorial. Build Res. Inf. 2011, 39, 105–107. [Google Scholar] [CrossRef]
- de Dear, R.J.; Brager, G.S. Towards an adaptive model of thermal comfort and preference. ASHRAE Trans. 1998, 104, 145–167. [Google Scholar]
- Nicol, J.F.; Humphreys, M.A. Adaptive thermal comfort and sustainable thermal standards for buildings. Energy Build. 2002, 34, 563–572. [Google Scholar] [CrossRef]
- Halawa, E.; van Hoof, J. The adaptive approach to thermal comfort: A critical overview. Energy Build. 2012, 51, 101–110. [Google Scholar] [CrossRef]
- Feriadi, H.; Wong, N.H. Thermal comfort for naturally ventilated houses in Indonesia. Energy Build. 2004, 36, 614–626. [Google Scholar] [CrossRef]
- Bhikhoo, N.; Hashemi, A.; Cruickshank, H. Improving Thermal Comfort of Low-Income Housing in Thailand through Passive Design Strategies. Sustainability 2017, 9, 1440. [Google Scholar] [CrossRef]
- Damiati, S.A.; Zaki, S.A.; Rijal, H.B.; Wonorahardjo, S. Field study on adaptive thermal comfort in office buildings in Malaysia, Indonesia, Singapore, and Japan during hot and humid season. Build Environ. 2016, 109, 208–223. [Google Scholar] [CrossRef]
- Mishra, A.K.; Ramgopal, M. An adaptive thermal comfort model for the tropical climatic regions of India (Köppen climate type A). Build Environ. 2015, 85, 134–143. [Google Scholar] [CrossRef]
- Ekasiwi, S.N.N.; Majid, N.H.A.; Hokoi, S.; Oka, D.; Takagi, N.; Uno, T. Field survey of air conditioner temperature settings in hot, humid climates, part 1: Questionnaire results on use of air conditioners in houses during sleep. J. Asian Archit. Build. Eng. 2013, 12, 141–148. [Google Scholar] [CrossRef]
- Dean, B.; Dulac, J.; Morgan, T.; Remme, U.; Motherway, B. The Future of Cooling: Opportunities for Energy-Efficient Air Conditioning; International Energy Agency: Paris, France, 2018; Available online: https://www.iea.org/futureofcooling/ (accessed on 20 December 2021).
- Mori, H.; Shigekane, H.; Kubota, T.; Arethusa, M.T. Comparative analysis of factors influencing window-opening behavior in residential buildings of Southeast Asia. In Proceedings of the International Joint-Conference Senvar-Inta-Avan 2015 “Wisdom of the Tropics: Past Present & Future”, Johor, Malaysia, 24–26 November 2015; pp. 144–153. [Google Scholar]
- Wyndham, C. Thermal comfort in the hot humid tropics of Australia. Br. J. Ind. Med. 1963, 20, 110–117. [Google Scholar] [CrossRef]
- Tsutsumi, H.; Tanabe, S.; Harigaya, J.; Iguchi, Y.; Nakamura, G. Effect of humidity on human comfort and productivity after step changes from warm and humid environment. Build Environ. 2007, 42, 4034–4042. [Google Scholar] [CrossRef]
- WHO Website. Q&A: Ventilation and Air Conditioning in Public Spaces and Buildings and COVID-19. 2020. Available online: https://www.who.int/news-room/q-a-detail/q-a-ventilation-and-air-conditioning-in-public-spaces-and-buildings-and-covid-19 (accessed on 7 September 2020).
- GHHIN Website. Heat and COVID-19 Information Series—Issues for Heat Action Planners and City Authorities—Air Conditioning and Ventilation Global Heat Health Information Network Website. 2020. Available online: http://www.ghhin.org/heat-and-covid-19/ac-and-ventilation (accessed on 7 September 2020).
- Kosonen, R.; Tan, F. The effect of perceived indoor air quality on productivity loss. Energy Build. 2004, 36, 981–986. [Google Scholar] [CrossRef]
- Wargocki, P.; Wyon, D.P.; Matysiak, B.; Irgens, S. Supply rate on the performance of school work by children. In Proceedings of the 10th International Conference on Indoor Air Quality and Climate, Beijing, China, 4–9 September 2005; Volume 1, pp. 368–372. [Google Scholar]
- Narayanan, R.; Halawa, E.; Jain, S. Dehumidification capabilities of a Solid Desiccant Evaporative Cooling System with an Enthalpy Exchanger Operating in Subtropical and Tropical Climates. Energies 2019, 12, 2704. [Google Scholar] [CrossRef]
- Meckler, G. Two-Stage Desiccant Dehumidification in Commercial Building HVAC Systems. ASHRAE Trans. 1989, 95, 1116–1123. [Google Scholar]
- Ruivo, C.R.; Hernández, F.F.; López, J.M.C. Influence of the desiccant wheel effectiveness method approaches, with fix and variable effectiveness parameters, on the performance results of an airport air-conditioning system. Energy Convers. Manag. 2015, 94, 458–471. [Google Scholar] [CrossRef]
- Dezfouli, M.M.S.; Mat, S.; Pirasteh, G.; Sahari, K.S.M.; Sopian, K.; Ruslan, M.H. Simulation analysis of the four configurations of solar desiccant system using evaporative cooling in tropical weather in Malaysia. Int. J. Photo Energy 2014, 2014, 843617. [Google Scholar] [CrossRef]
- Hands, S.; Sethuvenkatraman, S.; Peristy, M.; Rowe, D.; White, S. Performance analysis & energy benefits of a desiccant based solar assisted trigeneration system in a building. Renew Energy 2016, 85, 865–879. [Google Scholar]
- Sultan, M.; El-Sharkawyb, I.I.; Miyazaki, T.; Saha, B.B.; Koyama, S. An overview of solid desiccant dehumidification and air conditioning systems. Renew. Sustain. Energy Rev. 2015, 46, 16–29. [Google Scholar] [CrossRef]
- Rafique, M.M.; Gandhidasan, P.; Rehman, S.; Al-Hadhrami, L.M. A review on desiccant based evaporative cooling systems. Renew. Sustain. Energy Rev. 2015, 45, 145–159. [Google Scholar] [CrossRef]
- Jani, D.B.; Mishra, M.; Sahoo, P.K. Solid desiccant air conditioning—A state of the art review. Renew. Sustain. Energy Rev. 2016, 60, 1451–1469. [Google Scholar] [CrossRef]
- Goldworthy, S.; White, S. Optimisation of a desiccant cooling system design with indirect evaporative cooler. Int. J. Refrig. 2011, 34, 148–158. [Google Scholar] [CrossRef]
- Yamaguchi, S.; Saito, K. Numerical and experimental performance analysis of rotary desiccant wheels. Int. J. Heat Mass Transf. 2013, 60, 51–60. [Google Scholar] [CrossRef]
- Waugaman, D.G.; Kini, A.; Kettleborough, C.F. A Review of Desiccant Cooling Systems. J. Energy Resour. Technol. 1993, 115, 1–8. [Google Scholar] [CrossRef]
- Kettleborough, C.F.; Ullah, M.R.; Waugaman, D.G. Desiccant Cooling Systems—A Review. In Proceedings of the Third Symposium on Improving Building Systems in Hot and Humid Climates, Arlington, TX, USA, 18–19 November 1986; Available online: https://oaktrust.library.tamu.edu/bitstream/handle/1969.1/6878/ESL-HH-86-11-18.pdf?sequence=3&isAllowed=y (accessed on 10 July 2020).
- Zouaoui, A.; Zili-Ghedira, L.; Nasrallah, S.B. Open solid desiccant cooling air systems: A review and comparative study. Renew. Sustain. Energy Rev. 2016, 54, 889–917. [Google Scholar] [CrossRef]
- Sahlot, M.; Riffat, S.B. Desiccant cooling systems: A review. Int. J. Low-Carbon Technol. 2016, 11, 489–505. [Google Scholar] [CrossRef]
- Jani, D.B.; Mishra, M.; Sahoo, P.K. A critical review on application of solar energy as renewable regeneration heat source in solid desiccant—Vapor compression hybrid cooling system. J. Bldg. Eng. 2018, 18, 107–124. [Google Scholar] [CrossRef]
- Brown, J.S.; Domanski, P.A. Review of alternative cooling technologies. Appl. Therm. Eng. 2014, 64, 252–262. [Google Scholar] [CrossRef]
- Maclaine, I.L.; Banks, P.J. Coupled heat and mass transfer in regenerators prediction using an analogy with heat transfer. Int. J. Heat Mass Transf. 1972, 15, 1225–1242. [Google Scholar] [CrossRef]
- Kodama, A.; Hirayama, T.; Goto, M.; Hirose, T.; Critoph, R.E. The use of psychrometric charts for the optimisation of a thermal swing desiccant wheel. Appl. Therm. Eng. 2001, 21, 1657–1674. [Google Scholar] [CrossRef]
- Bongs, C.; Morgenstern, A.; Lukito, Y.; Henning, H.-M. Advanced performance of an open desiccant cycle with internal evaporative cooling. Sol. Energy 2014, 104, 103–114. [Google Scholar] [CrossRef]
- Ge, T.S.; Dai, Y.J.; Li, Y.; Wang, R.Z. Simulation investigation on solar powered desiccant coated heat exchanger cooling system. Appl. Energy 2012, 93, 532–540. [Google Scholar] [CrossRef]
- Li, Z.; Michiyuki, S.; Takeshi, F. Experimental study on heat and mass transfer characteristics for a desiccant-coated fin-tube heat exchanger. Int. J. Heat Mass Transf. 2015, 89, 641–651. [Google Scholar] [CrossRef]
- Commonwealth of Australia (Department of Industry). Product Profile: Solar Hot Water Heaters. Commonwealth of Australia (Department of Industry)—Equipment Energy Efficiency (E3) Committee. 2014. Available online: https://www.energyrating.gov.au/sites/default/files/documents/Product-Profile_Solar-Water-Heaters_August-2014.pdf (accessed on 7 July 2020).
- Halawa, E.; Chang, K.C.; Yoshinaga, M. Thermal performance evaluation of solar water heating systems in Australia, Taiwan and Japan—A comparative review. Renew. Energy 2015, 83, 1279–1286. [Google Scholar] [CrossRef]
- Gifford, J. Australian Rooftop Solar Surged to Record Highs before Lockdown—PV Magazine. 2020. Available online: https://www.pv-magazine.com/2020/04/03/australian-rooftop-solar-surged-to-record-highs-before-lockdown/ (accessed on 11 September 2021).
- Fong, K.F.; Lee, C.K.; Chow, T.T.; Fong, A.M.L. Investigation on solar hybrid desiccant cooling system for commercial premises with high latent cooling load in subtropical Hong Kong. Appl. Therm. Eng. 2011, 31, 3393–3401. [Google Scholar] [CrossRef]
- Lee, S.H.; Lee, W.L. Site verification and modelling of desiccant-based system as an alternative to conventional air-conditioning systems for wet markets. Energy 2003, 55, 1076–1083. [Google Scholar] [CrossRef]
- Kubota, M.; Hanada, T.; Yabe, S.; Matsuda, H. Regeneration characteristics of desiccant rotor with microwave and hot-air heating. Appl. Therm. Eng. 2013, 50, 1576–1581. [Google Scholar] [CrossRef]
- Bruno, F. On-site experimental testing of a novel dew point evaporative cooler. Energy Build. 2011, 43, 3475–3483. [Google Scholar] [CrossRef]
- Bruno, F.; Halawa, E. Performance Evaluation of Dew Point Coolers Installed at Mt Barker and Brighton High Schools; Final Report to Seeley International Pty Ltd.: Adelaide, Australia, 2019. [Google Scholar]
- Belusko, M.; Liddle, R.; Alemu, A.; Halawa, E.; Bruno, F. Performance Evaluation of a CO2 Refrigeration System Enhanced with a Dew Point Cooler. Energies 2019, 12, 1079. [Google Scholar] [CrossRef]
- Bruno, F.; Belusko, M.; Halawa, E. CO2 Refrigeration and Heat Pump Systems—A Comprehensive Review. Energies 2019, 12, 2959. [Google Scholar] [CrossRef]
- Ando, K.; Kodama, A.; Hirose, T.; Goto, M.; Okano, H. Experimental study on a process design for adsorption desiccant cooling driven with a low-temperature heat. Adsorption 2005, 11, 631–636. [Google Scholar] [CrossRef]
- Ma, Y.; Guan, L. Performance analysis of solar desiccant-evaporative cooling for a commercial building under different Australian climates. Procedia Eng. 2015, 121, 528–535. [Google Scholar] [CrossRef]
- Ma, Y.; Guan, L.; Brown, R. Techno-economic Analysis of a Solar Desiccant-Evaporative Cooling System with Different Collector Types for Australian Office Buildings. In Proceedings of the 2015 Asia–Pacific Solar Research Conference, Brisbane, Australia, 8–9 December 2015. [Google Scholar]
- Ma, Y.; Saha, S.C.; Miller, W.; Guan, L. Comparison of Different Solar-Assisted Air Conditioning Systems for Australian Office Buildings. Energies 2017, 10, 1463. [Google Scholar] [CrossRef]
- Tavakol, P.; Behbahaninia, A. Presentation of two new two-stage desiccant cooling cycles based on heat recovery and evaluation of performance based on energy and exergy analysis. J. Build. Eng. 2018, 20, 455–466. [Google Scholar] [CrossRef]
- Pandelidis, D.; Pacak, A.; Cichoń, A.; Anisimov, S.; Drag, P.; Vager, B.; Vasilijev, V. Multi-stage desiccant cooling system for moderate climate. Energy Convers. Manag. 2018, 177, 77–90. [Google Scholar] [CrossRef]











Disclaimer/Publisher’s Note: The statements, opinions and data contained in all publications are solely those of the individual author(s) and contributor(s) and not of MDPI and/or the editor(s). MDPI and/or the editor(s) disclaim responsibility for any injury to people or property resulting from any ideas, methods, instructions or products referred to in the content. |
© 2023 by the authors. Licensee MDPI, Basel, Switzerland. This article is an open access article distributed under the terms and conditions of the Creative Commons Attribution (CC BY) license (https://creativecommons.org/licenses/by/4.0/).
Share and Cite
Halawa, E.; Bruno, F. Energy Performance and Thermal Comfort Delivery Capabilities of Solid-Desiccant Rotor-Based Air-Conditioning for Warm to Hot and Humid Climates—A Critical Review. Energies 2023, 16, 6032. https://doi.org/10.3390/en16166032
Halawa E, Bruno F. Energy Performance and Thermal Comfort Delivery Capabilities of Solid-Desiccant Rotor-Based Air-Conditioning for Warm to Hot and Humid Climates—A Critical Review. Energies. 2023; 16(16):6032. https://doi.org/10.3390/en16166032
Chicago/Turabian StyleHalawa, Edward, and Frank Bruno. 2023. "Energy Performance and Thermal Comfort Delivery Capabilities of Solid-Desiccant Rotor-Based Air-Conditioning for Warm to Hot and Humid Climates—A Critical Review" Energies 16, no. 16: 6032. https://doi.org/10.3390/en16166032
APA StyleHalawa, E., & Bruno, F. (2023). Energy Performance and Thermal Comfort Delivery Capabilities of Solid-Desiccant Rotor-Based Air-Conditioning for Warm to Hot and Humid Climates—A Critical Review. Energies, 16(16), 6032. https://doi.org/10.3390/en16166032

