Advanced Diagnostic Approach for High-Voltage Insulators: Analyzing Partial Discharges through Zero-Crossing Rate and Fundamental Frequency Estimation of Acoustic Raw Data
Abstract
1. Introduction
- Firstly, it introduces a method that does not rely on extensive training datasets for neural networks or artificial intelligence models. This departure from traditional machine learning approaches eliminates the need for large-scale data collection and time-consuming training processes.
- Furthermore, the proposed technique offers distinct advantages for acoustic inspections, particularly in the context of energized substations. By enabling online diagnosis directly in the field, it enhances the efficiency and effectiveness of HV glass insulator assessments. This capacity empowers maintenance teams to make real-time decisions and take proactive measures to ensure the reliable operation of equipment.
- Categorizing PDs according to type (using the proposed methodology) and understanding the spatial distribution of acquired acoustic emissions (via the measuring device) enables the assessment of the severity of these phenomena and the associated risks to electrical equipment. The potential offered by the proposed technique can be further enhanced when integrated with regular acoustic inspections and the historical monitoring of the equipment.
- Finally, the technique greatly mitigates challenges associated with interpreting acoustic data in the electrical sector. Presently, acoustic signal interpretation heavily relies on the experience of inspectors and, often, the subjective act of listening to signals using headphones or auscultation devices. This reliance on human expertise inherently introduces limitations and inconsistencies. The proposed method offers a standardized approach, reducing reliance on individual experience and establishing a more reliable and objective framework for acoustic signal analysis.
2. Mathematical Basis of the Proposed Method
2.1. Zero-Crossing Rate (ZCR)
2.2. Fundamental Frequency Estimation
3. Laboratory Experiments
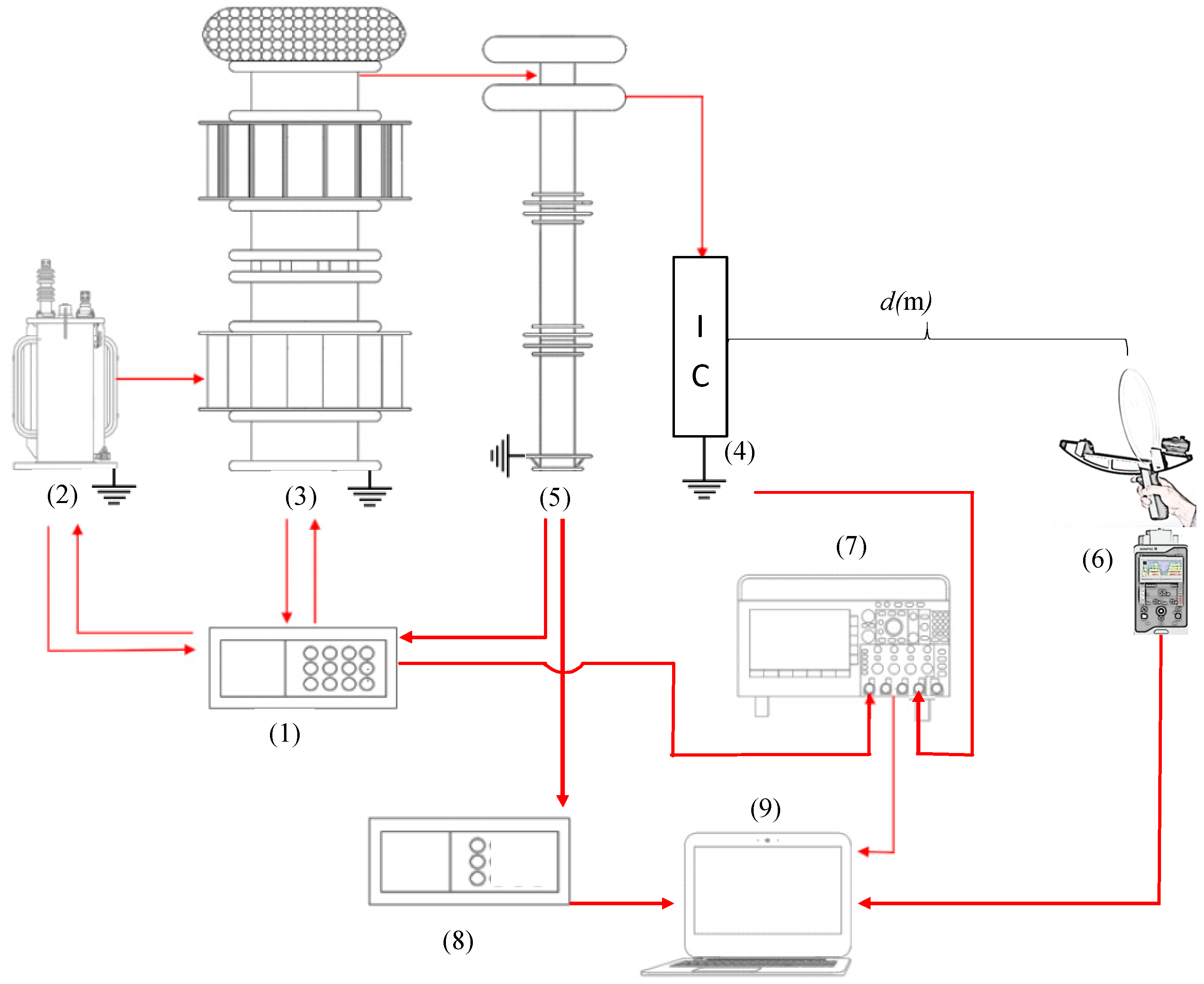
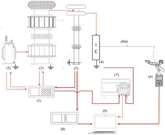
3.1. Measurement Methodology
- Resonant controller;
- Power transformer;
- Resonant source;
- Device under test—insulator chain (IC);
- Capacitive divider;
- Digital Digital ultrasound testing device, positioned at a distance of 12.5 m from the device under test;
- Oscilloscope;
- Acquisition system of the capacitive divider;
- Computer.
3.2. Description of Artificial Pollution
3.3. Ultrasound Measurement Process
4. Application of the Proposed Method
4.1. ZCR Evaluation for the Test Cases
4.2. Fundamental Frequency Estimation for the Test Cases
4.3. Algorithm for Classification of PDs
5. Validation of the Proposed Method
| Voltage (kV) | 60 | 70 | 80 |
|---|---|---|---|
| ZCR | 0.5209 | 0.3856 | 0.2713 |
| Fundamental Frequency Estimation (Hz) | 54.316 k | 59.9959 | 18.316 k |
| Result of the Proposal | Normal | Anomaly Corona | Anomaly Superficial |
| Amplitude and Frequency Spectrogram | Figure 15 | Figure 17 | Figure 19 |
| PRPD and interpretation | Normal | Corona | Superficial |
| PRPD Apparent Charge Signals | Figure 16 | Figure 18 | Figure 20 |
6. Measurements in Field
7. Conclusions
Author Contributions
Funding
Data Availability Statement
Acknowledgments
Conflicts of Interest
References
- IEC Standard 60060-1:2010; High Voltage Test Techniques, Part 1: General Definitions and Test Requirements. International Electrotechnical Commission: Geneva, Switzerland, 2010.
- Küchler, K. High Voltage Engineering: Fundamentals, Technology, Applications; Springer: Berlin/Heidelberg, Germany, 2018. [Google Scholar]
- IEC Standard 60060-2:2010; High Voltage Test Techniques, Part 2: Measuring Systems. International Electrotechnical Commission: Geneva, Switzerland, 2010.
- Lundgaard, L.; Runde, M.; Skyberg, B. Acoustic diagnosis of gas insulated substations: A theoretical and experimental basis. IEEE Trans. Power Deliv. 1990, 5, 1751–1760. [Google Scholar] [CrossRef]
- Howells, E.; Norton, E.T. Detection of Partial Discharges in Transformers Using Acoustic Emission Techniques. IEEE Trans. Power Appar. Syst. 1978, PAS-97, 1538–1549. [Google Scholar] [CrossRef]
- He, Y. An overview of acoustic emission inspection and monitoring technology in the key components of renewable energy systems. Mech. Syst. Signal Process. 2021, 148, 107146. [Google Scholar] [CrossRef]
- Maraaba, L.; Al-Soufi, K.; Ssennoga, T.; Memon, A.M.; Worku, M.Y.; Alhems, L.M. Contamination Level Monitoring Techniques for High-Voltage Insulators: A Review. Energies 2022, 15, 7656. [Google Scholar] [CrossRef]
- Corso, M.P.; Perez, F.L.; Stefenon, S.F.; Yow, K.-C.; Ovejero, R.G.; Leithardt, V.R.Q. Classification of Contaminated Insulators Using k-Nearest Neighbors Based on Computer Vision. Computers 2021, 10, 112. [Google Scholar] [CrossRef]
- Stefenon, S.F.; Zanetti Freire, R.; dos Santos Coelho, L.; Meyer, L.H.; Bartnik Grebogi, R.; Gouvêa Buratto, W.; Nied, A. Electrical Insulator Fault Forecasting Based on a Wavelet Neuro-Fuzzy System. Energies 2020, 13, 484. [Google Scholar] [CrossRef]
- Stefenon, S.F.; Ribeiro, M.H.; Nied, A.; Mariani, V.C.; Coelho, L.D.; Leithardt, V.R.; Silva, L.A.; Seman, L.O. Hybrid Wavelet Stacking Ensemble Model for Insulators Contamination Forecasting. IEEE Access 2021, 9, 66387–66397. [Google Scholar] [CrossRef]
- Nasir, A.; Al-geelani, M.; Piah, A.M.; Shaddad, R.Q. Characterization of acoustic signals due to surface discharges on H.V. Glass insulators using wavelet radial basis function neural networks. Appl. Soft Comput. 2012, 12, 1239–1246. [Google Scholar] [CrossRef][Green Version]
- Nasir, A.; Al-geelani, M.; Piah, A.M.; Bashir, N. A review on hybrid wavelet regrouping particle swarm optimization neural networks for characterization of partial discharge acoustic signals. Renew. Sustain. Energy Rev. 2015, 45, 20–35. [Google Scholar] [CrossRef]
- Mahmoudi, J.; Moussavi, S.Z.; Naderi, P. Partial discharge diagnosis of ceramic pin insulators considering cost-worth analysis: Case study in a medium voltage feeder. IEEE Trans. Dielectr. Electr. Insul. 2017, 24, 2493–2502. [Google Scholar] [CrossRef]
- Stefenon, S.F.; Seman, L.O.; Neto, N.F.; Meyer, L.H.; Nied, A.; Yow, K.C. Echo State network applied for classification of medium voltage insulators. Int. J. Electr. Power Energy Syst. 2022, 134, 107336. [Google Scholar] [CrossRef]
- Giannakopoulos, T.; Pikrakis, A. Introduction to Audio Analysis: A MATLAB Approach; Elsevier: Amsterdam, The Netherlands; Academic Press: Cambridge, MA, USA, 2014. [Google Scholar]
- Erman, L.D. An Environment and System for Machine Understanding of Connected Speech. Ph.D. Thesis, Stanford University, Stanford, CA, USA, 1974. [Google Scholar]
- Guimarães, D.A. Digital Transmission: A Simulation-Aided Introduction with VisSim/Comm; Springer Science & Business Media: Berlin/Heidelberg, Germany, 2010. [Google Scholar]
- Poularikas, A.D. Understanding Digital Signal Processing with MATLAB and Solutions; CRC Press: Boca Raton, FL, USA, 2017. [Google Scholar]
- Electrovidro/Seves. Isoladores de Suspensão de Vidro Temperado SEDIVER; Electrovidro: Rio de Janeiro, Brasil, 2019; Available online: https://bit.ly/3vJSQWs (accessed on 1 May 2023).
- Dehlinger, N.; Stone, G. Surface partial discharge in hydrogenerator stator windings: Causes, symptoms, and remedies. IEEE Electr. Insul. Mag. 2020, 36, 7–18. [Google Scholar] [CrossRef]
- Lundgaard, L.E. Partial discharge. XIII. Acoustic partial discharge detection-fundamental considerations. IEEE Electr. Insul. Mag. 1992, 8, 25–31. [Google Scholar] [CrossRef]
























| Case | Condition | Voltage Range (kV) |
|---|---|---|
| 1 | Clean and undamaged insulator chain. | 10 to 100 |
| 2 | Partial pollution with saline solution. Location: Upper element of the insulator chain. | 10 to 80 |
| 3 | Total pollution with saline solution. Location: All elements of the insulator chain. | 10 to 70 |
| 4 | Partial pollution with mud. Location: Upper element of the insulator chain. | 10 to 120 |
| 5 | Partial pollution with mud. Location: Upper and intermediate elements of the insulator chain. | 10 to 120 |
| 6 | Total pollution with mud. Location: All elements of the insulator chain. | 10 to 100 |
| 7 | Upper element of the insulator chain with partial and surface damages. | 10 to 130 |
| Voltage (kV) | Fundamental Frequency Estimation (Hz) | ||||||
|---|---|---|---|---|---|---|---|
| Test Case 1 | Test Case 2 | Test Case 3 | Test Case 4 | Test Case 5 | Test Case 6 | Test Case 7 | |
| 10 | 64.000 k | 64.000 k | 0.1667 | 23.362 k | 23.359 k | 56.933 k | 64.000 k |
| 20 | 11.938 k | 0.1000 | 9.0617 k | 23.363 k | 23.361 k | 23.361 k | 64.000 k |
| 30 | 59.9538 | 23.366 k | 0.2666 | 23.360 k | 23.359 k | 23.358 k | 64.000 k |
| 40 | 10.429 k | 11.957 k | 23.856 k | 23.361 k | 60.0315 | 60.0003 | 64.000 k |
| 50 | 60.0072 | 60.0068 | 16.846 k | 23.359 k | 23.355 k | 59.9697 | 60.0334 |
| 60 | 60.0358 | 60.0033 | 20.218 k | 60.0280 | 60.0092 | 60.0032 | 60.0321 |
| 70 | 60.0326 | 19.074 k | 21.831 k | 60.0220 | 60.0005 | 20.596 k | 60.0225 |
| 80 | 59.9981 | 20.194 k | - | 20.841 k | 60.0037 | 59.9699 | 19.290 k |
| 90 | 60.0329 | - | - | 60.0332 | 19.725 k | 59.9692 | 9.9998 |
| 100 | 19.424 k | - | - | 20.991 k | 19.846 k | 19.853 k | 59.9972 |
| 110 | - | - | - | 19.317 k | 19.901 k | - | 59.9862 |
| 120 | - | - | - | 19.640 k | 19.835 k | - | 19.443 k |
| 130 | - | - | 19.110 k | ||||
| Voltage (kV) | Results | ||||||
|---|---|---|---|---|---|---|---|
| Test Case 1 | Test Case 2 | Test Case 3 | Test Case 4 | Test Case 5 | Test Case 6 | Test Case 7 | |
| 10 | N | N | N | N | N | N | N |
| 20 | N | N | N | N | N | N | N |
| 30 | N | N | N | N | N | N | N |
| 40 | AI | N | AI | N | N | N | N |
| 50 | AC | N | AI | N | N | N | N |
| 60 | AC | AC | AS | AC | AC | AC | N |
| 70 | AC | AS | AS | AC | AC | AS | AC |
| 80 | AC | AS | - | AC | AC | AC | AS |
| 90 | AC | - | - | AS | AS | AC | AI |
| 100 | AS | - | - | AS | AS | AS | AC |
| 110 | - | - | - | AS | AS | - | AC |
| 120 | - | - | - | AS | AS | - | AS |
| 130 | - | - | - | - | - | - | AS |
| Measurement Number | 1 | 2 |
|---|---|---|
| Location | 230 kV Sector, vertical insulation chain | 230 kV Sector, vertical insulation chain |
| Phase | B | A |
| ZCR | 0.3924 | 0.2831 |
| Fundamental Frequency Estimation (Hz) | 60.01111 | 21.164 k |
| Results of the Proposal | Anomaly corona | Anomaly superficial |
| Figures | Figure 21 | Figure 22 |
| Amplitude and Frequency Spectrograms | Figure 23 | Figure 24 |
Disclaimer/Publisher’s Note: The statements, opinions and data contained in all publications are solely those of the individual author(s) and contributor(s) and not of MDPI and/or the editor(s). MDPI and/or the editor(s) disclaim responsibility for any injury to people or property resulting from any ideas, methods, instructions or products referred to in the content. |
© 2023 by the authors. Licensee MDPI, Basel, Switzerland. This article is an open access article distributed under the terms and conditions of the Creative Commons Attribution (CC BY) license (https://creativecommons.org/licenses/by/4.0/).
Share and Cite
Maresch, K.; Freitas-Gutierres, L.F.; Oliveira, A.L.; Borin, A.S.; Cardoso, G., Jr.; Damiani, J.S.; Morais, A.M.; Correa, C.H.; Martins, E.F. Advanced Diagnostic Approach for High-Voltage Insulators: Analyzing Partial Discharges through Zero-Crossing Rate and Fundamental Frequency Estimation of Acoustic Raw Data. Energies 2023, 16, 6033. https://doi.org/10.3390/en16166033
Maresch K, Freitas-Gutierres LF, Oliveira AL, Borin AS, Cardoso G Jr., Damiani JS, Morais AM, Correa CH, Martins EF. Advanced Diagnostic Approach for High-Voltage Insulators: Analyzing Partial Discharges through Zero-Crossing Rate and Fundamental Frequency Estimation of Acoustic Raw Data. Energies. 2023; 16(16):6033. https://doi.org/10.3390/en16166033
Chicago/Turabian StyleMaresch, Kaynan, Luiz F. Freitas-Gutierres, Aécio L. Oliveira, Aquiles S. Borin, Ghendy Cardoso, Jr., Juliano S. Damiani, André M. Morais, Cristian H. Correa, and Erick F. Martins. 2023. "Advanced Diagnostic Approach for High-Voltage Insulators: Analyzing Partial Discharges through Zero-Crossing Rate and Fundamental Frequency Estimation of Acoustic Raw Data" Energies 16, no. 16: 6033. https://doi.org/10.3390/en16166033
APA StyleMaresch, K., Freitas-Gutierres, L. F., Oliveira, A. L., Borin, A. S., Cardoso, G., Jr., Damiani, J. S., Morais, A. M., Correa, C. H., & Martins, E. F. (2023). Advanced Diagnostic Approach for High-Voltage Insulators: Analyzing Partial Discharges through Zero-Crossing Rate and Fundamental Frequency Estimation of Acoustic Raw Data. Energies, 16(16), 6033. https://doi.org/10.3390/en16166033

