Virtual Synchronous Generator (VSG) Control Strategy Based on Improved Damping and Angular Frequency Deviation Feedforward
Abstract
1. Introduction
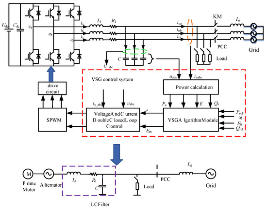
2. Fundamentals of VSG Active Control
3. Traditional VSG Power Characteristics and Problems
3.1. Static Characteristics and Their Problems
3.2. Dynamic Performance and Their Problems
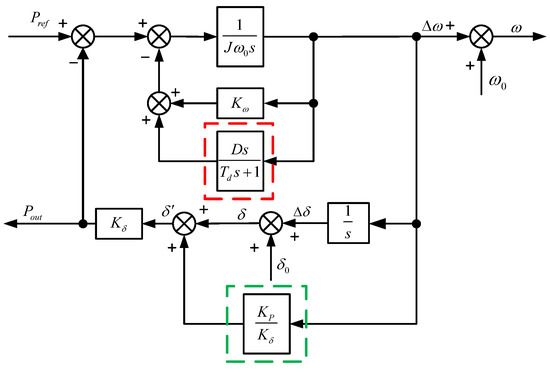
4. VSG Control Strategy Based on Improved Damping and Angular Frequency Deviation Feedforward
4.1. Steady-State Performance
4.2. Dynamic Performance
4.2.1. The Effect of Td on the Dynamic Performance of the System
4.2.2. The Effect of Kp on the Dynamic Performance of the System
5. Simulation and Experimental Verifications
5.1. Simulation Verification
5.2. Experimental Verification
6. Conclusions
- (1)
- The VSG characteristics mainly depended on the inertia coefficient J and the damping coefficient D; the influence of the two parameters on the dynamic and static indicators was mutually restricted and there was a contradiction. An increase in the virtual inertia resulted in a larger J and a smaller angular frequency change rate, but reduced the damping ratio, which is not conducive to system stability. With an increase in the damping coefficient D, although the system stability became better and the maximum active overshoot decreased, the system adjustment time became longer.
- (2)
- By adding a transient damping control to the damping control link, the steady-state error of the VSG when D was too large changed. At the same time, the compensation deviation of angular frequency feedforward was superimposed on the active power, which accelerated the speed of the VSG tracking active power instructions, reducing the active overshoot and adjustment time in the dynamic process and taking into account the dynamic static characteristics of the VSG.
- (3)
- The simulation results showed that the VSG control strategy with improved damping and angular frequency deviation feedforward could effectively suppress the active oscillation and eliminate steady-state errors.
Author Contributions
Funding
Data Availability Statement
Conflicts of Interest
References
- Sun, Y.; Zhao, Z.; Yang, M.; Jia, D.; Pei, W.; Xu, B. Overview of energy storage in renewable energy power fluctuation mitigation. CSEE J. Power Energy Syst. 2020, 6, 160–173. [Google Scholar]
- Li, C.; Zhang, J.; Feng, X.; Li, G.; Guo, L. Analysis and Thinking on Promoting Coordinated and Orderly Development of New Energy and Energy Storage. In Proceedings of the 10th Renewable Power Generation Conference (RPG 2021), Online Conference, 14–15 October 2021. [Google Scholar]
- Ma, N.; Yin, H.; Wang, K. Prediction of the Remaining Useful Life of Supercapacitors at Different Temperatures Based on Improved Long Short-Term Memory. Energies 2023, 16, 5240. [Google Scholar] [CrossRef]
- Azab, M. Flexible PQ control for single-phase grid-tied photovoltaic inverter. In Proceedings of the 2017 IEEE International Conference on Environment and Electrical Engineering and 2017 IEEE Industrial and Commercial Power Systems Europe (EEEIC/I&CPS Europe), Milan, Italy, 6–9 June 2017. [Google Scholar]
- Zafar, S.; Amin, M.A.; Javaid, B.; Khalid, H.A. On Design of DC-Link Voltage Controller and PQ Controller for Grid Connected VSC for Microgrid Application. In Proceedings of the 2018 International Conference on Power Generation Systems and Renewable Energy Technologies (PGSRET), Islamabad, Pakistan, 10–12 September 2018. [Google Scholar] [CrossRef]
- Adib, A.; Mirafzal, B.; Wang, X.; Blaabjerg, F. On Stability of Voltage Source Inverters in Weak Grids. IEEE Access 2018, 6, 4427–4439. [Google Scholar] [CrossRef]
- Lao, K.-W.; Deng, W.; Sheng, J.; Dai, N. PQ-Coupling Strategy for Droop Control in Grid-Connected Capacitive-Coupled Inverter. IEEE Access 2019, 7, 31663–31671. [Google Scholar] [CrossRef]
- Meng, X.; Liu, J.; Liu, Z. A Generalized Droop Control for Grid-Supporting Inverter Based on Comparison between Traditional Droop Control and Virtual Synchronous Generator Control. IEEE Trans. Power Electron. 2019, 34, 5416–5438. [Google Scholar] [CrossRef]
- Fang, J.; Tang, Y.; Li, H.; Li, X. A Battery/Ultracapacitor Hybrid Energy Storage System for Implementing the Power Management of Virtual Synchronous Generators. IEEE Trans. Power Electron. 2018, 33, 2820–2824. [Google Scholar] [CrossRef]
- Liu, J.; Miura, Y.; Ise, T. Comparison of dynamic characteristics between virtual synchronous generator and droop control in inverter-based distributed generators. IEEE Trans. Power Electron. 2016, 31, 3600–3611. [Google Scholar] [CrossRef]
- Wang, M.; Meng, K.; Yuan, L.; Liang, Z. Comparative Synthetic Inertia Assessment between Droop and Virtual Synchronous Generator Control for Weak Grids Integration. In Proceedings of the 2022 IEEE 5th International Electrical and Energy Conference (CIEEC), Nanjing, China, 27–29 May 2022. [Google Scholar]
- Yi, Z.; Chen, Z.; Yin, K.; Wang, L.; Wang, K. Sensing as the key to the safety and sustainability of new energy storage devices. Prot. Control. Mod. Power Syst. 2023, 8, 27. [Google Scholar] [CrossRef]
- Zhong, Q.-C.; Weiss, G. Synchronverters: Inverters That Mimic Synchronous Generators. IEEE Trans. Ind. Electron. 2011, 58, 1259–1267. [Google Scholar] [CrossRef]
- Zhong, Q.-C.; Nguyen, P.-L.; Ma, Z.; Sheng, W. Self-Synchronized Synchronverters: Inverters without a Dedicated Synchronization Unit. IEEE Trans. Power Electron. 2014, 29, 617–630. [Google Scholar] [CrossRef]
- Wu, H.; Ruan, X.; Yang, D.; Chen, X.; Zhao, W.; Lv, Z.; Zhong, Q.-C. Small-Signal Modeling and Parameters Design for Virtual Synchronous Generators. IEEE Trans. Ind. Electron. 2016, 63, 4292–4303. [Google Scholar] [CrossRef]
- Shintai, T.; Miura, Y.; Ise, T. Oscillation Damping of a Distributed Generator Using a Virtual Synchronous Generator. IEEE Trans. Power Deliv. 2014, 29, 668–676. [Google Scholar] [CrossRef]
- Liu, J.; Miura, Y.; Bevrani, H.; Ise, T. Enhanced Virtual Synchronous Generator Control for Parallel Inverters in Microgrids. IEEE Trans. Smart Grid 2017, 8, 2268–2277. [Google Scholar] [CrossRef]
- Soni, N.; Doolla, S.; Chandorkar, M.C. Improvement of Transient Response in Microgrids Using Virtual Inertia. IEEE Trans. Power Deliv. 2013, 28, 1830–1838. [Google Scholar] [CrossRef]
- Shi, R.; Zhang, X.; Hu, C.; Xu, H.; Gu, J.; Cao, W. Self-tuning virtual synchronous generator control for improving frequency stability in autonomous photovoltaic-diesel microgrids. J. Mod. Power Syst. Clean Energy 2018, 6, 482–494. [Google Scholar] [CrossRef]
- Li, Z.; Jia, X. An Improved VSG Control Strategy Based on the Amplitude-frequency Characteristics of Virtual Power. IEEE Access 2019, 7, 101096–101105. [Google Scholar] [CrossRef]
- Li, C.; Yang, Y.; Cao, Y.; Wang, L.; Blaabjerg, F. Frequency and Voltage Stability Analysis of Grid-Forming Virtual Synchronous Generator Attached to Weak Grid. IEEE J. Emerg. Sel. Top. Power Electron. 2022, 10, 2662–2671. [Google Scholar] [CrossRef]
- Alipoor, J.; Miura, Y.; Ise, T. Power System Stabilization Using Virtual Synchronous Generator with Alternating Moment of Inertia. IEEE J. Emerg. Sel. Top. Power Electron. 2015, 3, 451–458. [Google Scholar] [CrossRef]
- Liu, J.; Miura, Y.; Ise, T. Fixed-Parameter Damping Methods of Virtual Synchronous Generator Control Using State Feedback. IEEE Access 2019, 7, 99177–99190. [Google Scholar] [CrossRef]














| Parameters | Value |
| Rated power, S | 150 kW |
| Rated frequency, f | 50 Hz |
| Rated phase voltage, Udc | 311 V |
| Filter inductor, L | 1.5 mH |
| Filter capacitor, C | 600 μF |
| Line inductance, Lg | 0.8 mH |
| Rotational inertia, J | 5 kg·m2 |
| Active droop, Kω | 25 |
| Damping factor D | 25 |
| Damping time, Td | 1 s |
| Angular frequency deviation coefficient, Kp | 5000 |
Disclaimer/Publisher’s Note: The statements, opinions and data contained in all publications are solely those of the individual author(s) and contributor(s) and not of MDPI and/or the editor(s). MDPI and/or the editor(s) disclaim responsibility for any injury to people or property resulting from any ideas, methods, instructions or products referred to in the content. |
© 2023 by the authors. Licensee MDPI, Basel, Switzerland. This article is an open access article distributed under the terms and conditions of the Creative Commons Attribution (CC BY) license (https://creativecommons.org/licenses/by/4.0/).
Share and Cite
Wang, S.; Xie, Y. Virtual Synchronous Generator (VSG) Control Strategy Based on Improved Damping and Angular Frequency Deviation Feedforward. Energies 2023, 16, 5635. https://doi.org/10.3390/en16155635
Wang S, Xie Y. Virtual Synchronous Generator (VSG) Control Strategy Based on Improved Damping and Angular Frequency Deviation Feedforward. Energies. 2023; 16(15):5635. https://doi.org/10.3390/en16155635
Chicago/Turabian StyleWang, Sue, and Yuxin Xie. 2023. "Virtual Synchronous Generator (VSG) Control Strategy Based on Improved Damping and Angular Frequency Deviation Feedforward" Energies 16, no. 15: 5635. https://doi.org/10.3390/en16155635
APA StyleWang, S., & Xie, Y. (2023). Virtual Synchronous Generator (VSG) Control Strategy Based on Improved Damping and Angular Frequency Deviation Feedforward. Energies, 16(15), 5635. https://doi.org/10.3390/en16155635
