Next Article in Journal
On the Potential of District-Scale Life Cycle Assessments of Buildings
Previous Article in Journal
Virtual Synchronous Generator (VSG) Control Strategy Based on Improved Damping and Angular Frequency Deviation Feedforward
Previous Article in Special Issue
A Fuzzy Logic Control for Maximum Power Point Tracking Algorithm Validated in a Commercial PV System
 
 
Font Type:
Arial Georgia Verdana
Font Size:
Aa Aa Aa
Line Spacing:
Column Width:
Background:
Review

A Comprehensive Review of Reduced Device Count Multilevel Inverters for PV Systems

by
Abdul Jabbar Memon
1,
Mukhtiar Ahmed Mahar
1,
Abdul Sattar Larik
1 and
Muhammad Mujtaba Shaikh
2,*
1
Department of Electrical Engineering, Mehran University of Engineering and Technology, Jamshoro 76062, Pakistan
2
Department of Basic Sciences and Related Studies, Mehran University of Engineering and Technology, Jamshoro 76062, Pakistan
*
Author to whom correspondence should be addressed.
Energies 2023, 16(15), 5638; https://doi.org/10.3390/en16155638
Submission received: 15 May 2023 / Revised: 2 July 2023 / Accepted: 7 July 2023 / Published: 26 July 2023

Abstract

This article presents a comprehensive review of reduced device count multilevel inverter (RDC MLI) topologies for PV systems. Multilevel inverters are widely used in medium-voltage and high-power applications such as wireless power transform applications, flexible AC transmission (FACT), active filters, AC motor drives, high-voltage DC transmission (HVDC), and renewable energy sources due to their high modularity and high-power quality output. Multilevel inverters have the ability to diminish the harmonics content in the output voltage by applying various modulation techniques. The literature in this field showed that the high-power quality and high modularity of the output demand an undeniable need for multilevel inverter topology. Research in this field has identified various multilevel inverter topologies, each possessing their own merits and demerits. The ubiquitous availability of multilevel inverter topologies illustrates the complexity of their accurate selection. To avoid such complexity, this review shows the state of the art of various reduced device count (RDC) multilevel inverter (MLI) topologies. Details of the various RDC MLIs, along with their comparisons, are provided in this paper. This review will be an important reference tool for future work on RDC MLI for photovoltaic (PV) systems.

1. Introduction

Due to the latest development in fast switching solid state devices, power electronics technology is expanding in the areas of residential, commercial, industrial, aerospace, electric vehicles, motor drives, and power system utilities [1,2,3]. The switch mode action of semiconductor devices increases the efficiency of power electronic systems by up to 99% [1]. Day-by-day demand for modern power system networks is increasing, thus various steps, including integration of renewable energy sources, upgradation of existing generation systems, and building of new lines to enhance transmission line capacities are required to meet demand [4]. Expanding power generation and transmission systems increases problems for power system planners. Various renewable energy resources are integrated with power system networks through inverters. Square wave and quasi-square wave inverters were used for power conversion and had poor quality output due to high harmonic content. These drawbacks were overcome by the conventional multilevel inverters introduced in 1975.
A multilevel inverter is superior to a two-level inverter in terms of efficiency, performance, and better harmonic spectrum. However, the increased number of levels tends to increase the number of devices and gate drivers for switches, making the overall design complex, bulky, and uneconomical for medium-voltage applications. Therefore, reducing the number of devices without reducing the output voltage level is a key area of research in the field of multilevel inverters. This has given rise to the concept of RDC MLIs. Several topologies have recently been proposed to reduce the number of devices in multilevel inverters. The popularity of RDC MLIs is increasing due to lower harmonics and less radio frequency interference in the output. Moreover, these converters have low power dissipation and lower voltage stress on solid-state devices [5,6,7,8,9,10]. The reduced device count multilevel inverters reduce the harmonics in the output voltage waveform by varying the number of levels, resulting in fewer switching devices and trigger circuits, diodes, capacitors, and other devices [6,11,12,13,14,15,16,17,18,19]. These topologies make it possible to use the device effectively and simplify the overall system design compared with available conventional designs. Several topologies have recently been proposed to reduce the number of devices in multilevel inverters. The following sections discuss recent studies that have been conducted on current trends in the era of multilevel inverters.
Siddique, Marif Daula et al. [20] suggested a new single-phase topology with a reduced number of switches and DC voltage sources with higher numbers of voltage levels. Three different algorithms were also proposed for a cascaded connection. The 71 levels were obtained at the output by implementing the selective harmonic elimination pulse width modulation (PWM) technique.
Bana, Prabhat Ranjan et al. [21] reviewed RDC MLI and recently developed topologies in renewable energy and drive applications. The study also presented comparisons between various topologies.
Kanaujia, Anoop Kumar, and Sanjiv Kumar [22] proposed an RDC MLI for open-end winding induction motor (OEWIM) drive applications. A hybrid flying capacitor (FC) configuration supported one OEWIM terminal, whereas another terminal was provided for a three-level-cascaded H-bridge inverter. A three-level FC cascaded to obtain a capacitor-fed H-bridge. A practical solution for a nine-level active-neutral-point-clamped switched capacitor MLI with an alleviated capacitor charging current is presented in [23]. Elias et al. [24] proposed a hybrid MLI based on series connection of half-bridge and full-bridge for its level generation together with a T-type inverter. The proposed MLI generated an 11-level line output voltage. However, the research consisted of more components, which made the system uneconomical.
Several review articles on multilevel inverters have been published. Gupta, K.K. et al. [6] presented quantitative and qualitative features of some reduced device count multilevel inverters in 2016. Multilevel inverters are single DC as well as multi-DC sources. Single DC source multilevel inverters reduce the cost and complexity of the circuit and are available in a compact size. A review of transformer-based single DC source multilevel inverters was conducted by J. Singh et al. [12]. A number of studies focused on the use of MLIs for applications, including wind energy, induction motors, fuel cells, and traction [25,26,27,28,29,30,31,32,33,34,35,36,37,38,39,40,41,42,43,44,45,46,47,48]. Latran, M. B., and A. Teke [44] reviewed 100 papers on grid-connected inverters. P. Kala and Arora [48] also conducted a review of hybrid multilevel inverters for grid-connected applications.
This review offers a single reference containing a considerable number of studies on multilevel inverter topologies: over 120 papers reporting on different RDC MLI topologies published up to the year 2022 have been compiled. This article reviews several MLI topologies, providing a brief discussion and comparison. This article concludes with comparisons of reduced count device MLIs based on MLI type, modulation scheme, calculated parameter, software used, and controller implementation. Tables containing summaries of the conclusions are also provided.
The research paper has been organized as follows: Section 2 gives an overview of conventional MLIs. Section 3 presents a comprehensive review of recently developed reduced device count MLIs. Section 4 gives a comparative analysis of reduced device count multilevel inverters. Section 5 presents applications of RDC MLI to the PV system, and Section 6 contains conclusions with insights on some future topics.

2. Conventional Multilevel Inverters

Multilevel inverters synthesize the AC output voltage waveform in multiple steps but with less distortion compared with conventional inverters [6,11]. This lower distortion makes MLI popular in medium-voltage and high-power applications. A conventional two-level inverter is used for low-voltage applications due to limitations of switching losses that occur due to high switching frequency and device ratings. High power is achieved by switching several solid-state devices in MLI together with several lower voltage DC levels and thus reducing the voltage stress on a solid-state switch. Moreover, these topologies require less space for installation, are low cost, and have high efficiency, a modular structure, less complexity, and fewer devices [12,13,14,15,16,17].
The MLIs generate the required high voltage without the use of transformers with low harmonics. Due to these remarkable features, MLIs are widely used in photovoltaic systems [10,18,19], wind energy conversion systems [8,25], fuel cells [26], traction [27,28,29], induction motors [30,31], active filters [32,33], wireless power transforms [34], HVDC [35,36], electric vehicles [37], and flexible AC transmission systems [38,39,40]. The MLI input is DC, which is obtained from wind conversion systems, fuel cells, photovoltaic panels, or energy storage devices. The classical multilevel inverters are illustrated in Figure 1, and their salient aspects are further reviewed in the next subsections.

2.1. Diode-Clamped/Neutral-Point-Clamped Multilevel Inverter (DC-MLI)

A diode-clamped multilevel inverter was proposed in 1981 by Nabae, Takashi, and Agae [41]. DC-MLI has small leakage current, high efficiency [42,43], and simple construction. It is composed of switching devices, diodes, and capacitors. A five-level DC-MLI is shown in Figure 2. In a k-level MLI, the switching devices S d , DC link capacitors C DC , and clamping diodes C d can be expressed as in Equations (1), (2) and (3), respectively [41,44]. The voltage across each capacitor is the same and is given by Equation (4) [45]. DC-MLI requires more clamping diodes as the levels increase [46]. The line voltages have 2 k 1 levels.
𝑆d = 2 × (k − 1)
𝐶d = (k − 1) × (k − 2)
𝐶𝐷𝐶 = (k − 1)
V o l t a g e   a c c r o s s   e a c h   c a p a c i t o r = V d c k 1

2.2. Capacitor Clamped/Flying Capacitor Multilevel Inverter

In 1992, Meynard proposed the first multilevel flying capacitor inverter (FC MLI). For a k-level single-phase FC MLI, the number of required switching devices, balancing capacitors C b and DC link capacitors are computed using Equations (5)–(7). A single-phase FC MLI circuit diagram is shown in Figure 3. The line voltage has 2   ( k 1 ) levels.
𝑆d = 2 × (k − 1)
C b = k 1 k 2 2
𝐶𝐷𝐶 = (k − 1)
The FC MLI reduces the harmonics in the output voltage waveform, thereby avoiding the demand of filters. In addition, these converters can control active and reactive power. The FC MLI increases the cost based on an increase in the number of levels due to more capacitor requirements.

2.3. Cascaded H-Bridge Multilevel Inverter (CHB-MLI)

The CHB-MLI topology requires several isolated DC sources, whereas DC MLI and FC MLI only need a single DC source [47]. The CHB-MLI do not require balancing capacitors and clamping diodes. CHB-MLI is a hybrid combination of a series of connected single-phase two-level voltage source converters. The two-level converter, also called a H-bridge converter, includes four switching semiconductor devices and a single DC source [48]. In CHB, output levels can be increased by adding DC sources. These DC sources can be acquired from photovoltaic cells [41], biomass, fuel cells, and batteries. CHB can be referred as symmetrical when the magnitude of the DC sources is the same. Similarly, the CHB is known as asymmetric when the DC sources possess different magnitudes. Unlike DC MLI and FC MLI, CHB-MLI requires fewer devices for the same output voltage level. Moreover, these inverters possess important characteristics, such as reliability, modularity, low cost, and high efficiency [49,50,51,52,53,54,55]. CHB suffers from the drawback in a way that it requires separate DC sources for power conversion. The circuit diagram of single phase CHB-MLI is shown in Figure 4a. If n represents the number of cells in a single phase symmetric CHB, then output levels ( k ) and maximum output voltage V o can be found using Equations (8) and (9), respectively. Similarly, output voltage levels in a single phase asymmetric CHB can be selected by a geometric progression (GP) with a binary and a trinary factor. The output voltage levels are given by Equation (10) and peak output voltage by Equation (11) for the binary operation. Similarly, the output voltage levels for the trinary operation are expressed in Equations (12) and (13), respectively. The GP with a binary factor of 2 for number of voltage levels at the output of CHB multilevel is given in Equation (10), where k is the number of levels, and n is the number of sources. For example, if two sources are connected with a CHB multilevel inverter, the number of levels that will be generated at the output becomes 7 according to Equation (10). Similarly, the GP with trinary factor of 3 for the number of levels will be 9 (when n = 2 ) according to Equation (12). The switching devices for symmetric and asymmetric CHB can be found by Equation (14). Figure 4b describes variations in the number of levels versus the number of sources in symmetrical and asymmetrical (binary, trinary) CHB-MLIs. Moreover, the number of levels are expressed in logarithm scale on y-axis in Figure 4b to clearly express the relative variation versus number of sources and type of CHB: symmetrical/asymmetrical (binary, trinary). It can be observed that the progression is arithmetic (linear) in the case of symmetrical CHB, whereas it is approximately a GP for binary asymmetric CHB and purely a GP for the case of trinary asymmetric CHB.
k = (2 × n) + 1
Vo = n × Vdc
k = 2n+1 − 1
Vo = (2n − 1) × Vdc
k = 3n
V 0 = 3 n 1 V d c 2
𝑆d = 2 × (k − 1)
The CHB-MLIs with a single DC source are classified as listed below [12]:
  • Cascaded transformer;
  • PWM inverter cascaded transformer;
  • Forward converter cascaded transformer;
  • Stacked inverter with cascaded transformer;
  • Z-source cascaded transformer.
The comparison of conventional topologies [5,30,48,56,57] are given in Table 1, where m is the number of inverter levels. The number of components that are required in five level topologies are compared in Figure 5.
When it comes to the modulation scheme as an implementation factor, the space vector modulation control scheme leads to proper matching between the converter and the control scheme in NPC and CHB cases, whereas the matching is undesirable in the case of FC. On the other hand, the selective harmonic elimination pulse width modulation control scheme leads to most appropriate, proper, and undesirable matching between the converter and control scheme in the cases of NPC, FC, and CHB, respectively. For the cases of NPC and FC, proper matching, while most appropriated for the CHB, can be achieved between the converter and the sinusoidal pulse width modulation control scheme.

3. Reduced Device Count Multilevel Inverter Topologies

The reduced device count multilevel inverters have minimized the harmonics in the output voltage waveforms by varying the number of levels with a fewer switching devices, their triggering circuits, diodes, capacitors, and other devices. These topologies require a single DC source or several isolated DC sources to produce a multilevel output voltage. Multiple source topology includes symmetric and asymmetric. In symmetric topology, all the DC sources have the same magnitude, whereas, in asymmetric topology, all the DC sources possess different magnitudes. DC sources in symmetric topologies may differ in practice due to the shading effects of PV panels or different charging states of batteries. These problems are overcome by battery balancing systems [58,59]. Several reduced device count topologies have been recently developed, which are categorized in Figure 6. A comprehensive review of most recently developed topologies is presented in this section further.

3.1. Cascaded Half-Bridge Multilevel Inverters (CHB-MLI)

Cascaded half-bridge multilevel inverters are categorized as with or without a H-bridge. A CHB-MLI with full H-bridge topologies is composed of level generated and polarity generated parts [15,16,60,61,62,63,64,65]. The level generated part is the main part that produces positive and zero levels. The other polarity generated part is also called an auxiliary part, which generates a negative level. Another category of cascaded half-bridge MLI topologies is without a polarity changer that does not require a H-bridge inverter [66,67,68,69,70]. A cascaded half-bridge multilevel CHB-MLI converter is depicted in Figure 7 and is documented in [16,66,71], which solely consists of unidirectional switching devices and can operate in symmetrical or asymmetric mode. The basic unit, called a sub-cell, consists of a DC source and two unidirectional switching devices. It generates a positive and a zero level. The switching devices are never operated simultaneously due to short circuit across a DC source. The negative level is generated by the H-bridge inverter.
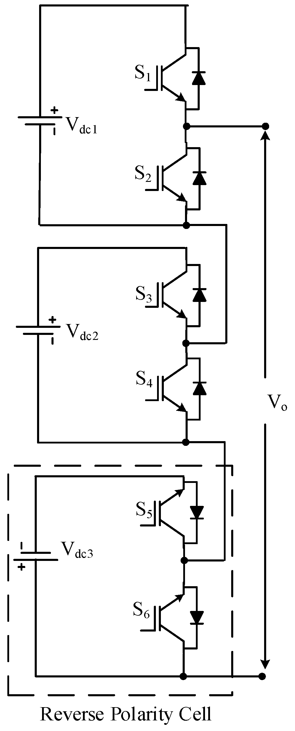
Mahrous et al. [66] presented an asymmetric cascaded half-bridge (ACHB) topology with a reverse polarity DC source half-bridge cell that generated the negative level for the topology. The magnitude of a DC source of a reverse polarity is the summation of all DC sources connected in the topology. This topology does not require polarity changer. Therefore, this MLI reduces the number of switching devices, switching losses, costs, and sizes. The seven-level asymmetric multilevel inverter is shown in Figure 8.

3.2. Bidirectional Switch Multilevel Inverter

These topologies can be configured without a polarity changer [17] or with a polarity changer [72,73,74,75,76,77,78,79,80]. The topology with a polarity changer is employed with bidirectional and unidirectional switching devices. But, the topology without a polarity changer is only designed with bidirectional devices.
The asymmetric bidirectional switch multilevel inverter (ABS MLI) was presented by Ebrahim Babaei et al. [17]. The basic unit of this topology consisted of four common emitter bidirectional switching devices and a DC source that generated a three-step quasi-square waveform. By increasing the number of DC sources ( n ), the output level could be extended to a higher level. An extended thirteen-level ABS MLI is shown in Figure 9. The MLI topology of the asymmetric bidirectional switch can be cascaded using sub-cells [17,81].
Ebrahimi et al. [80] presented the topology based on a multilevel module (MLM), as shown in Figure 10. In this topology, the multilevel module produces a positive polarity voltage with the help of bidirectional switching devices and DC sources. The different configurations of bidirectional switches are available in [82]. At the end of MLM, an H-bridge polarity generator is connected, which alternates the polarity and produces an output voltage waveform that has positive and negative levels. The polarity changer is composed of unidirectional devices. The asymmetrical source arrangement is not possible in this topology.
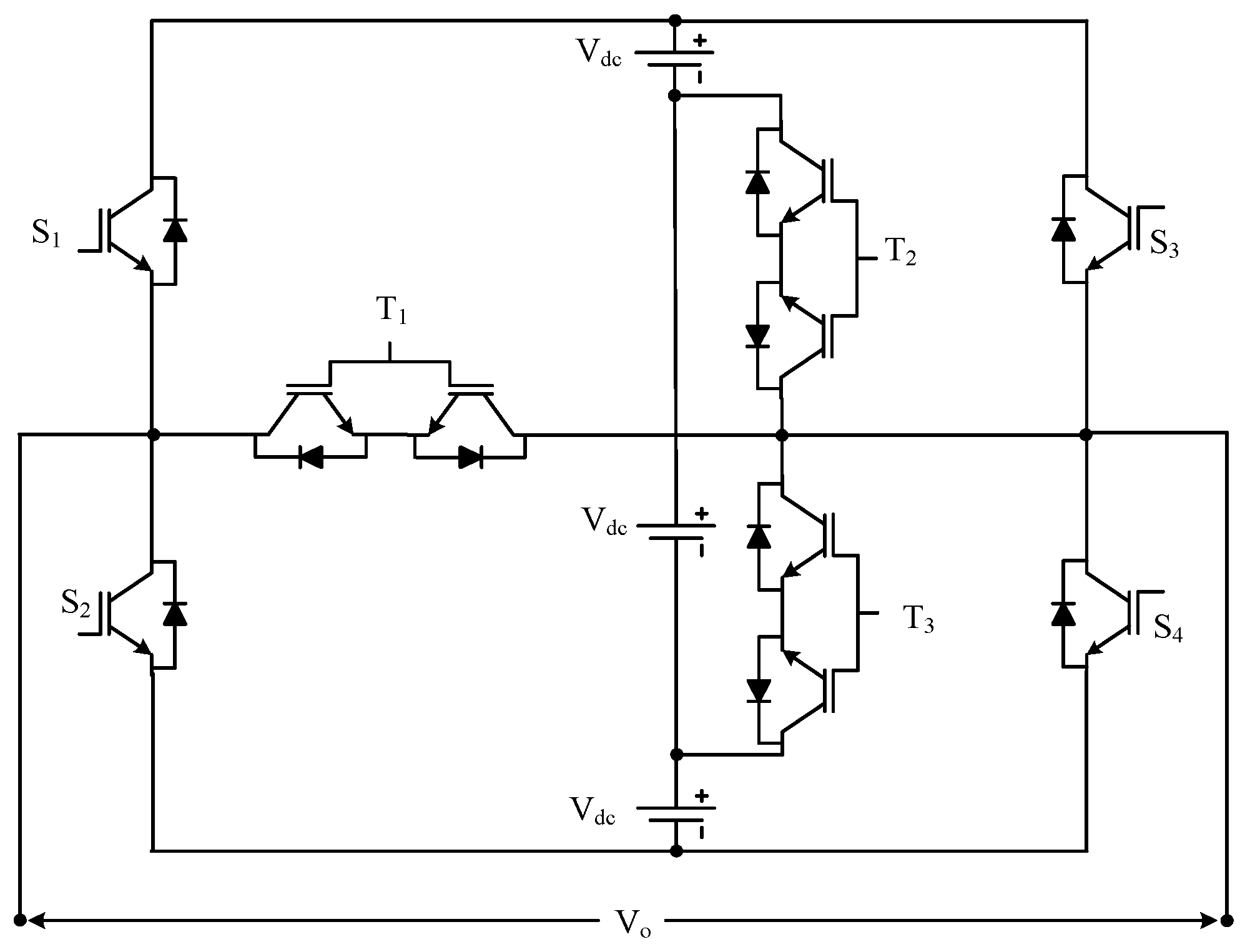
A transistor-clamped multilevel inverter (TC MLI) topology reported in [72,73,74,75,76,77,78,79] is a combination of bidirectional and unidirectional switching devices. Bidirectional switching devices (S1, S2 and S3) are used to generate the levels of topology, whereas unidirectional devices (Q1, Q2, Q3, and Q4) are used for a polarity generation. This topology needs fewer devices compared to conventional topologies. Figure 11 shows a transistor-clamped MLI. In Figure 11, since the insulated gate bipolar transistors are connected, the converter is said to be a transistor clamped multilevel inverter. The transistors (Q1, Q2, Q3, and Q4) are unidirectional transistors, and this part is connected as a polarity changer in Figure 11.

3.3. DC Switched Sources MLI

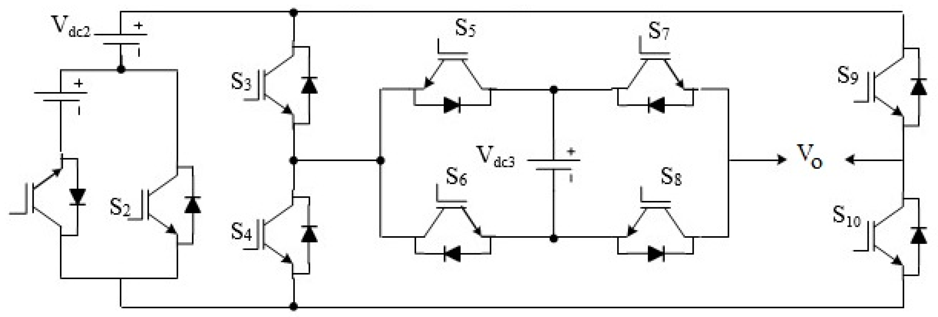
The series-connected switched sources (SCSS) topology developed by Gupta and Jain [71] comprises multiple DC sources connected in opposite polarities with switching devices. It does not require a two-level full bridge voltage source inverter to change the polarity. The basic unit includes a single DC source and two unidirectional switching devices. Figure 12 shows the circuit diagram of this topology. The five-level SCSS topology needs six switching devices, whereas the conventional five-level CHB requires eight switching devices. Therefore, the SCSS topology synthesizes the output voltage waveform with a lesser number of devices, unlike the CHB. The switching losses, conduction losses, and triggering circuit complexities are also minimized.
Hinago and Koizumi [83] introduced a novel switched-series-parallel-sources (SSPS) topology consisting of an H-bridge, as shown in Figure 13. With the use of an LC filter, the harmonic distortion is further reduced in this topology [83].

3.4. Switched Capacitor Multilevel Inverter

The switched capacitor topologies produce more output voltage levels with several capacitors and switching devices, but fewer symmetrical and asymmetric DC sources are required [84,85,86,87,88,89,90,91,92,93,94,95,96].
The hybrid-switched capacitor multilevel inverter (HSCMLI) that includes switched capacitors is presented by Fong et al. [84] and is shown in Figure 14. HSCMLI is a combination of a switched capacitor unit, a bidirectional switched MLI, and an H-bridge. The topology provides the bidirectional power flow, which is most suitable for motor drives, particularly for regenerative braking. The SCMLI topology is further simplified by replacing some active switches into diodes, such as when used as a grid, tie inverter for renewable energy farms, or drive high displacing power factor loads.
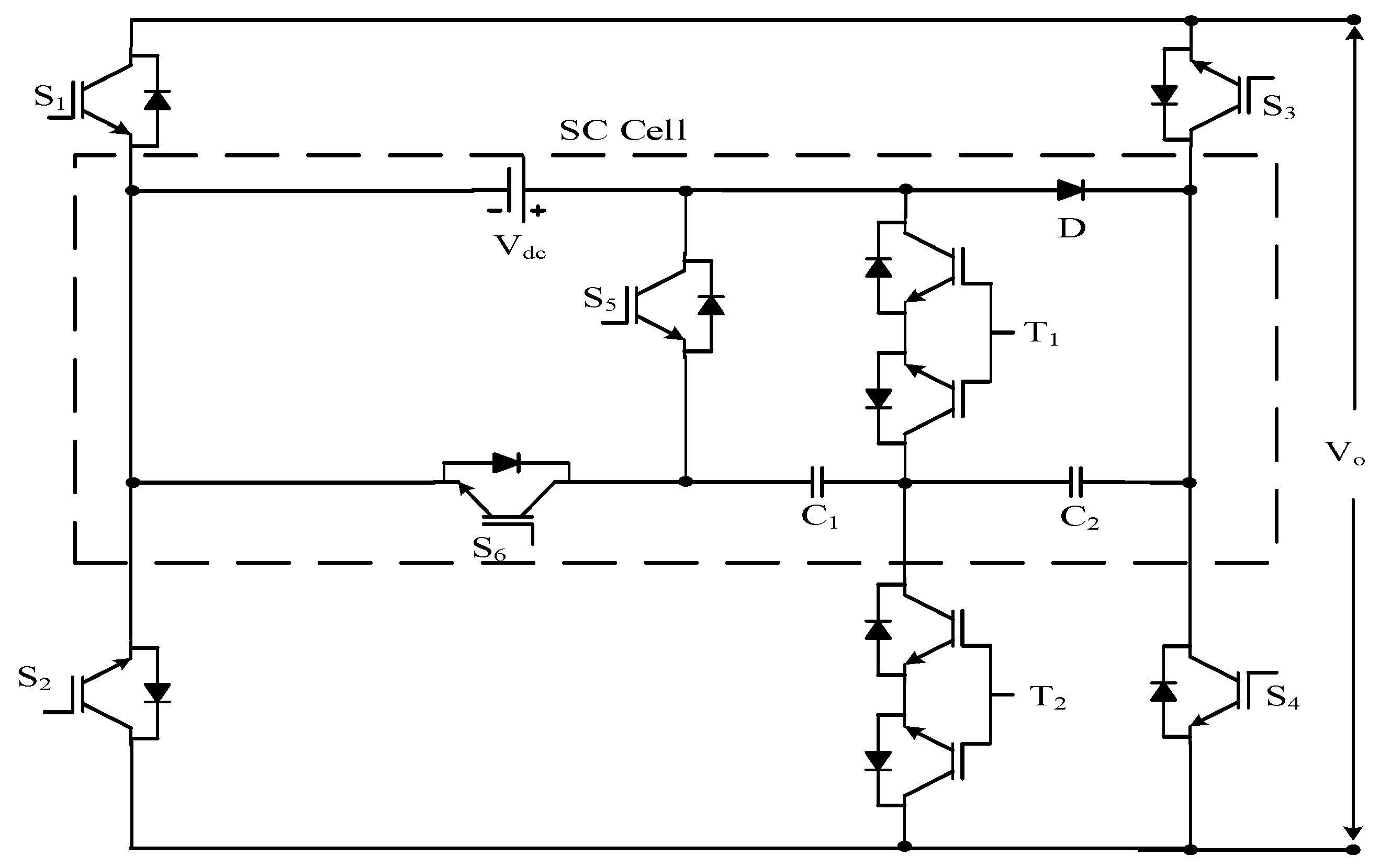
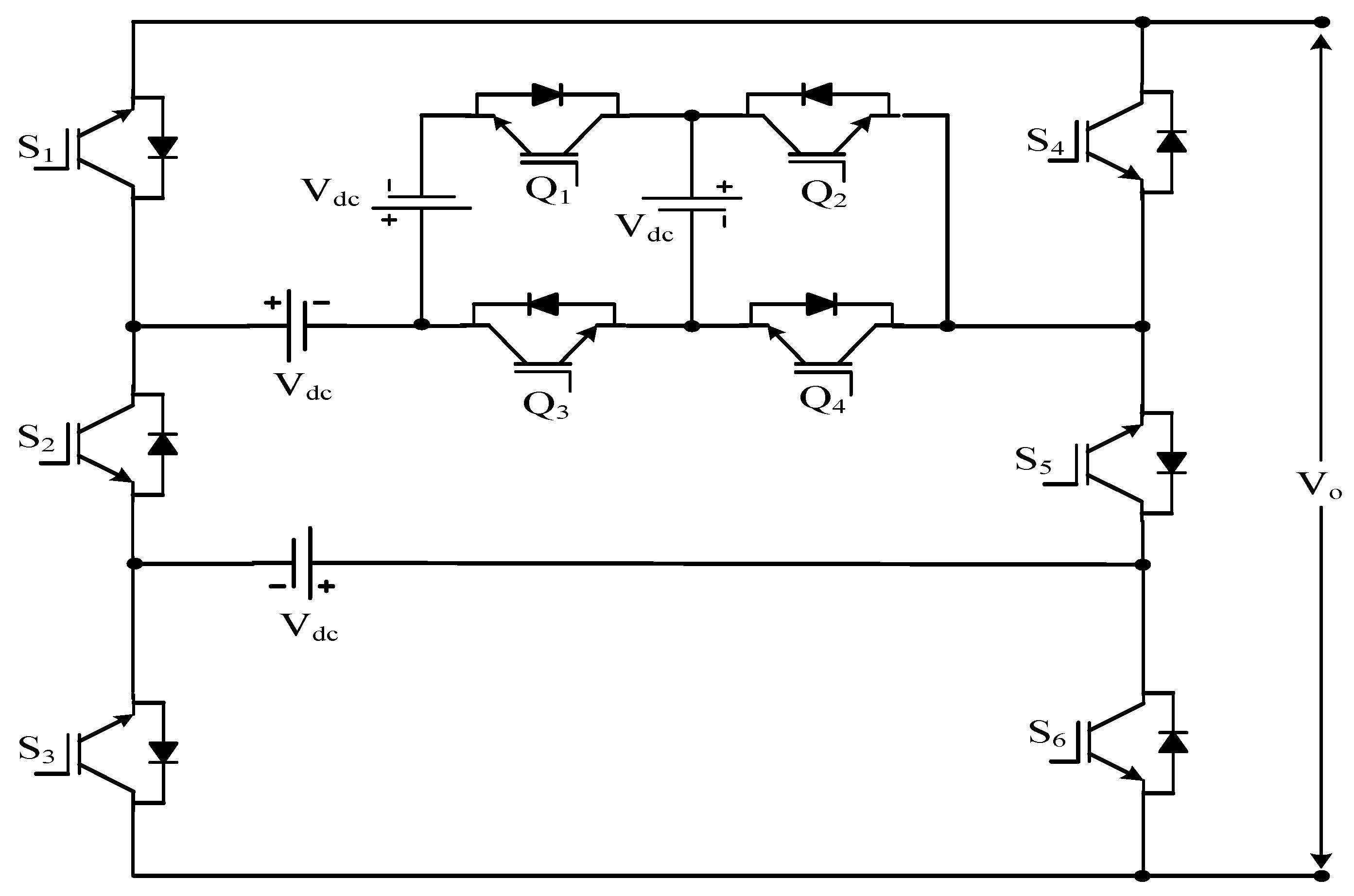
Another topology of a switched capacitor is known as the sub-multilevel inverter (SMLI) [85], which is capable of boosting and possesses self-charge balancing property. It generates polarity for a high number of output voltage levels (k) without using the H-bridge. The basic unit of SMLI consists of a pair stage of switched capacitor converter (SSC), two half bridges, and two unidirectional switches. This topology is operated in symmetric as well as asymmetric mode. An asymmetrical 17 level SMLI is shown in Figure 15.
Barzegarkhoo et al. [86] presented a new boost capacitor MLI BSCMLI topology with boosting property. The basic unit generates nine levels in the output voltage, which is composed of a switched capacitor (SC) cell and one bidirectional and four unidirectional switching devices. Figure 16 shows the boost SCMLI. The proposed topology is capable of boosting and possesses self-charge balancing properties. It also generates more voltage levels with reduced switching devices compared to conventional CHB.

3.5. Developed H-Bridge Multilevel Inverters

Babaei et al. [97] introduced a new H-bridge topology, which was also referred to as the developed H-bridge topology in that study. The developed H-bridge topology in [97] needs a lower number of switching devices to synthesize the output voltage. The basic unit includes two DC sources and six unidirectional switching devices that generate the output voltages of seven levels. The basic unit of topologies in [97] can be easily configured by adding an additional DC source and two unidirectional switching devices in a conventional two-level H-bridge converter. The proposed unit should operate with asymmetric voltage sources, otherwise the unit of topology operates at voltage levels lower than seven. The basic circuit arrangement unit of the topology is given in Figure 17 [97,98].
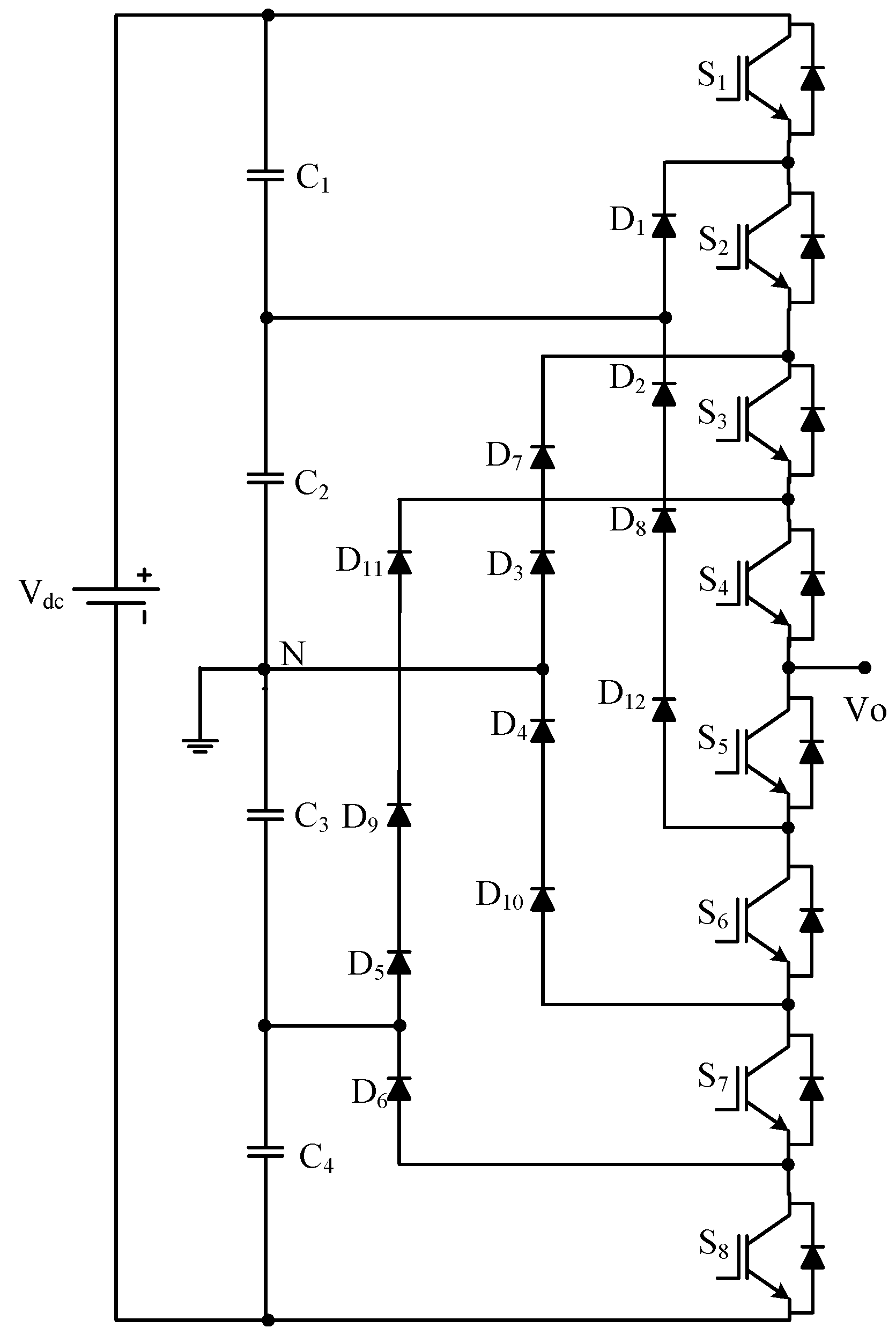
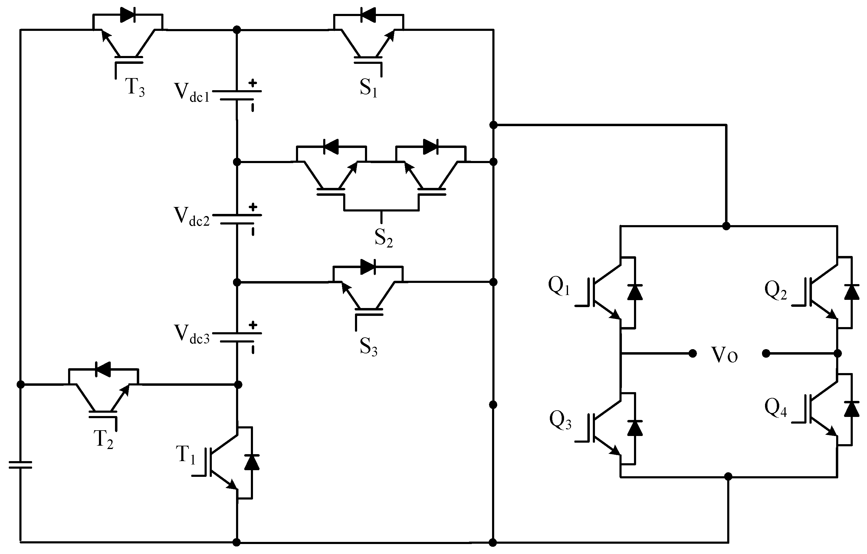
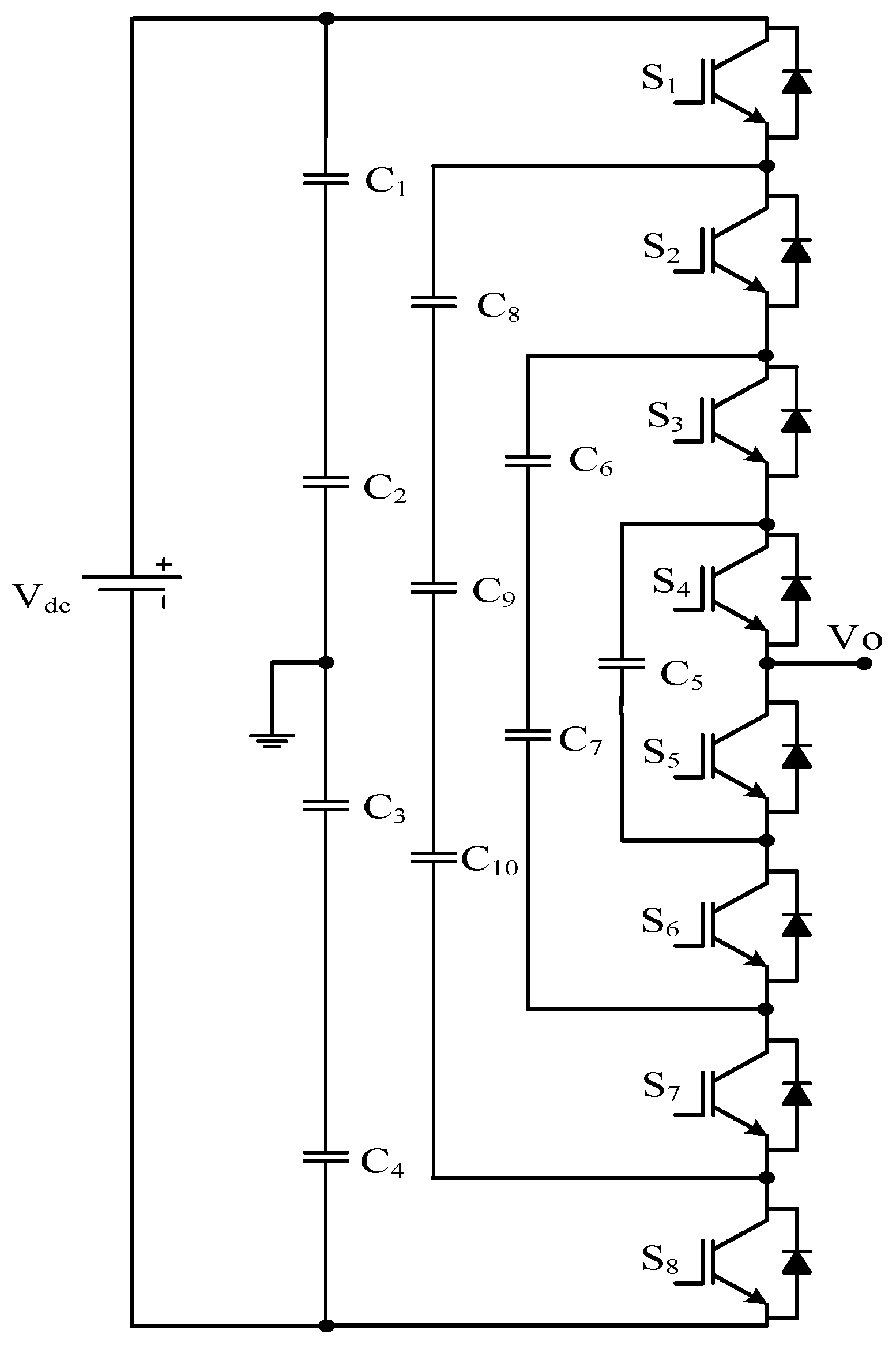
Sarbanzadeh et al. [99] presented a submodule structure for MLI. The basic sub module unit of topology in a cascaded connection is shown in Figure 18. Each sub module includes four isolated DC sources, two bidirectional devices, and six unidirectional devices. In the structure of the sub module, two Vdc1 and two Vdc2 are used with different magnitudes (for example, Vdc1 = Vdc and Vdc2 = 3Vdc). The basic unit generates an output voltage waveform of seventeen levels with positive and negative polarities, and it does not require an H-bridge polarity generator. The cascaded structure of sub modules is used either symmetrically or asymmetrically.
A switch ladder multilevel inverter (SLMLI) was proposed by Alishah et al. [100]. The basic unit of the SLMLI topology is a combination of four DC sources, six unidirectional devices, and two bidirectional devices. An extended form of the basic unit is given in Figure 19, which generates 31 levels in the output voltage waveform. This extended topology has a high modularity and a connected SLMLI number in a cascaded connection to assure more voltage levels [100].
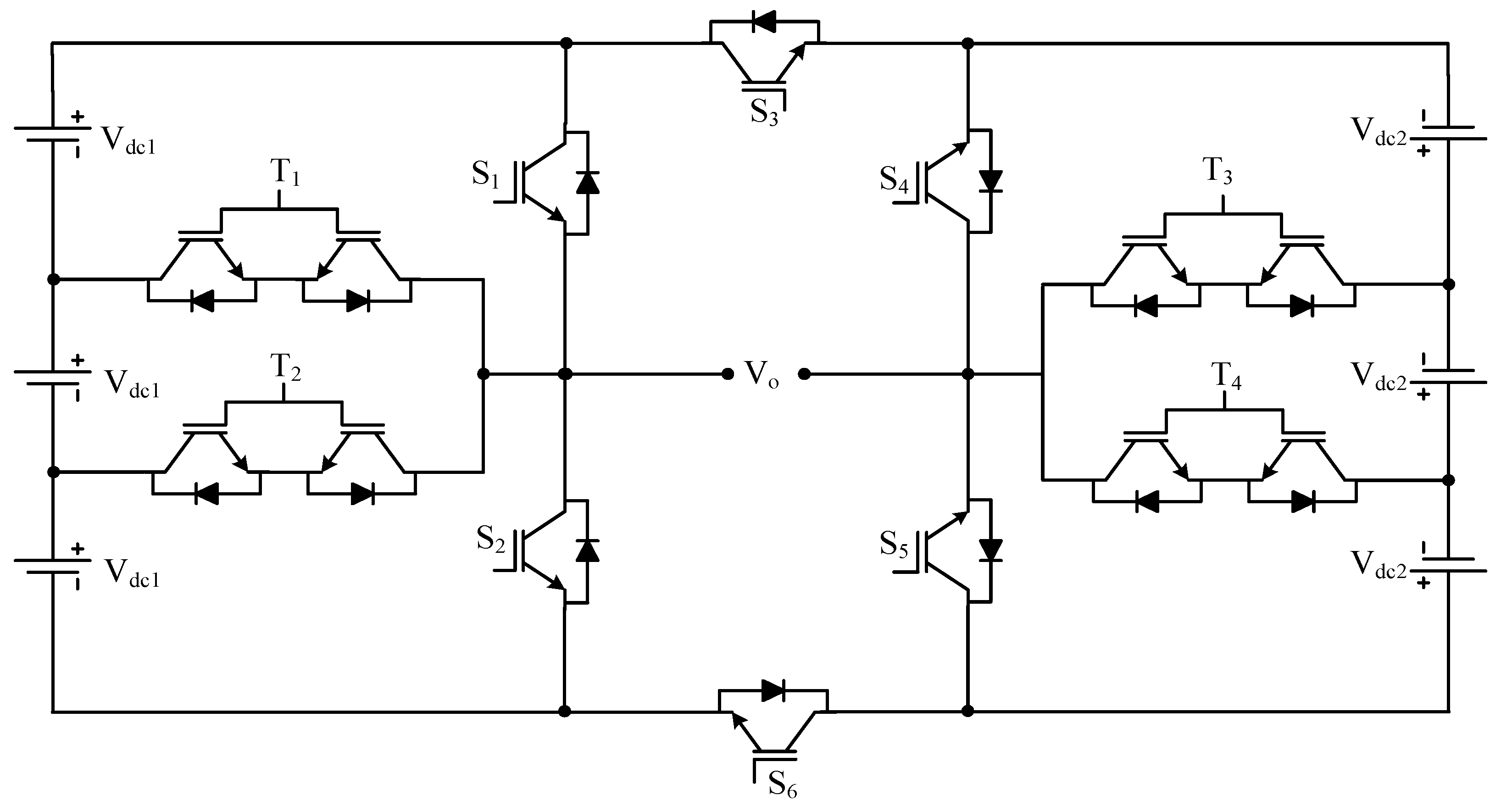
Lee et al. [101] presented a cascaded topology that includes a compact module. The topology has a lower number of switching devices and provides mitigation against voltage spikes generated during the dead time. In inductive loads, the topology has well facilitated the smooth flow of inductive current by providing a freewheeling path. A 7-level cascaded compact module multilevel inverter (CCMMLI) is shown in Figure 20.

3.6. Packed U-Cell Multilevel Inverter (PUCMLI)

A packed U-cell (PUC) MLI topology can produce a higher number of levels of the output voltage with a reduction in devices unlike the conventional multilevel inverters. Therefore, less power losses are generated, a lesser number of triggering circuits are needed, and the complexity of the topology is reduced [102,103,104,105]. The basic unit of this topology comprises of a DC source or a capacitor and two unidirectional switching devices. Figure 21 shows a 7-level single phase PUC topology introduced by Al-Haddad et al. [102]. The same author controls even more the dynamics of the PUC topology by using a hysteresis controller in [104].

3.7. Other Reduced Device Count Multilevel Inverter

Oskuee et al. [106] proposed a multilevel voltage source inverter (MVSI), which had a reduced number of components that included switching devices and their triggering circuits in comparison to the conventional CHB-MLI. Subsequently, conduction losses, switching losses, costs, and complexities of the MVSI topology are minimized significantly. This topology is a symmetric topology. If there is an inequality in the DC sources, then the output voltage has undesirable harmonics. The circuit diagram of a nine-level MVSI topology is given in Figure 22.
Samadaei et al. [107] introduced an asymmetrical square T (ST) module based multilevel inverter. The basic unit of this topology, as shown in Figure 23, generates 17 levels in the output voltage without using a H-bridge. The basic unit extends in a cascaded connection to generate more levels of the output voltage.
Siddique et al. [108] presented a double H-bridge MLI, which produced more levels compared to the conventional CHB-MLI. This topology is shown in Figure 24.

4. Comparative Study of Reduced Device Count MLIs

The focus of reduced device count multilevel inverters is to generate more levels in output voltage waveform with use of a minimum number of devices. For this regard, comparisons are made in this section. The details of the component and the output voltages of several reduced device count multilevel inverters are tabulated in Table 2. The comparison of switching devices versus the number of levels is made and is shown in Figure 25, which clearly shows that the RDC multilevel inverters have fewer switching devices compared to classical CHBs. An asymmetric cascaded half-bridge MLI (Figure 8) uses less switching devices to generate a specific level compared to all RDC multilevel inverters reviewed in this paper. The topologies given in (Figure 9, Figure 15, Figure 17 and Figure 21) also have less numbers of switching devices. The RDC topology illustrated in Figure 20 needs the highest switching devices as the levels increase. The topologies as shown in Figure 9, Figure 10 and Figure 11 have bi-directional switches and have bidirectional power flow capabilities that are suitable for applications, such as renewable energy systems, motor drives, and FACTS controllers. Figure 26 shows the number of DC sources with respect to the number of levels of RDC multilevel inverters. The ACHB and PUC topologies have more reduced number of DC sources at specific levels in comparison to the RDC multilevel inverters. The RDC topologies given in Figure 7, Figure 10, Figure 18 and Figure 20 demand the highest DC sources as the levels increase. The research works of various authors related to RDC multilevel inverters are summarized in Table 3.

5. Reduced Device Count Multilevel Inverters in Photovoltaic Systems

Nowadays, the focus of researchers in this field is also devoted mainly to improve the design of multilevel inverters (a review on previous trends appears in [109]) in such a way that not only their power consumption is reduced but their harmonic contents are also minimized with less number of switching devices and their control circuitries. For this purpose, many topologies of multilevel inverters have been recently developed with a lower number of switching devices that give a multi-level output that is closer to a harmonic-free sinusoidal waveform. Some recently developed multilevel inverters for PV applications are discussed as under:
Regarding single-phase MLIs, as in [110], Sambasivam Rajalakshmi et al. [111] proposed a single-phase-modified multilevel inverter for PV applications. This topology requires nine switching devices, three diodes, and three DC sources for thirteen levels at the output voltage. Prabhat Ranjan Bana [112] proposed a reduced device count multilevel inverter, which was configured with a H-bridge-based MLI and a level-doubling circuit. The polarity changer was also used to generate negative voltage levels. The output voltage of the MLI was controlled with the selective harmonic elimination pulse width modulation (SHE-PWM) technique.
Prem Ponnusamy et al. [113] developed the dual-source multilevel inverter for PV system. The MLI consisted of level generator and polarity changer. The MLI was tested with symmetric and asymmetric modes of operation using nearest-level modulation (NLM). Alireza Pourfaraj [114] proposed a single-phase dual-mode interleaved multilevel inverter. A step-up chopper was integrated with this inverter, which enabled it to operate in step-up and step-down modes. This topology also consisted of polarity changer. Nirmal Mukundan et al. [115] integrated a support vector machine (SVM) converter with a newly developed multilevel inverter. The positive levels were generated with a level generator, whereas negative levels were changed with polarity changer.
The comparison of recent reduced device count multilevel inverter topologies for PV system is summarized in Table 4.
Several modulation techniques are available for reduced device count multilevel inverters. A modulation technique is an essential part of multilevel inverters. The number of levels and contents of harmonics in the output voltage is controlled by these techniques. The various types of modulation techniques are shown in Figure 27. Multicarrier PWM techniques consist of modulators, reference signals, and carrier waves. The carrier wave is either a triangular wave or an inverted cosine wave.

6. Conclusions

This paper contains a detailed discussion of classical multilevel inverters. Their features and limitations are also given in detail. The main focus of this paper is on reduced device count multilevel inverters. More than 120 studies on different RDC MLI topologies published up to 2022 have been reviewed and summarized. This paper provides a paradigm for RDC MLIs based on the switching configuration. A comparison between the number of levels, the number of switching devices, and the number of DC sources required for several RDC multilevel inverters is also presented. The information on these inverters is useful for researchers developing new RDC MLI topologies. Recently, several newly proposed topologies were introduced by researchers who synthesized a higher number of levels of the output voltage with a reduced number of power electronic devices. Therefore, this paper has reviewed the recently developed reduced device count topologies. This paper also provides a paradigm of RDC multilevel inverter topologies for a PV system that will be a constructive tool for readers to select an appropriate topology for this application. From the review, it is concluded that RDC topologies have gained popularity in various power utility and industrial applications over the last few years because the topologies reached a certain level of maturity. There is still a lot of space to conduct research on RDC multilevel inverters for further optimization. A few future directions on RDC MLIs are the following:
Fault-tolerant operations;
Integration with PV systems, wind-energy-conversion systems, fuel cells, etc.;
Speed control of drives;
Asymmetric operation such as natural, binary, and trinary progression;
Cascaded and hybrid configurations;
Implementation of modulation and control schemes.

Author Contributions

Conceptualization, A.J.M. and M.A.M.; methodology, A.S.L. and M.M.S.; software, A.J.M., M.A.M. and M.M.S.; validation, A.J.M., M.A.M., A.S.L. and M.M.S.; formal analysis, A.J.M.; investigation, A.J.M., M.A.M., A.S.L. and M.M.S.; resources, M.A.M.; data curation, A.J.M. and M.M.S.; writing—original draft preparation, A.J.M.; writing—review and editing, M.A.M., A.S.L. and M.M.S.; visualization, M.A.M. and M.M.S.; supervision, M.A.M., A.S.L. and M.M.S.; project administration, M.A.M., A.S.L. and M.M.S.; funding acquisition, A.J.M. All authors have read and agreed to the published version of the manuscript.

Funding

This research received no external funding.

Data Availability Statement

All data are available within this article.

Acknowledgments

The authors are thankful to the Mehran University of Engineering and Technology Jamshoro, Pakistan, for their support while conducting this research.

Conflicts of Interest

The authors declare no conflict of interest.

References

  1. Bose, B.K. Global energy scenario and impact of power electronics in 21st century. IEEE Trans. Ind. Electron. 2013, 60, 2638–2651. [Google Scholar] [CrossRef]
  2. Wang, G.; Konstantinou, G.; Townsend, C.D.; Pou, J.; Vazquez, S.; Demetriades, G.D.; Agelidis, V.G. A review of power electronics for grid connection of utility-scale battery energy storage systems. IEEE Trans. Sustain. Energy 2016, 7, 1778–1790. [Google Scholar] [CrossRef]
  3. Hegazy, O.; Barrero, R.; Van Mierlo, J.; Lataire, P.; Omar, N.; Coosemans, T. An advanced power electronics interface for electric vehicles applications. IEEE Trans. Power Electron. 2013, 28, 5508–5521. [Google Scholar] [CrossRef]
  4. Sahito, A.A.; Halepoto, I.A.; Uqaili, M.A.; Memon, Z.A.; Larik, A.S.; Mahar, M.A. Analyzing the impacts of distributed generation integration on distribution network: A corridor towards smart grid implementation in Pakistan. Wirel. Pers. Commun. 2015, 85, 545–563. [Google Scholar] [CrossRef]
  5. Colak, I.; Kabalci, E.; Bayindir, R. Review of multilevel voltage source inverter topologies and control schemes. Energy Convers. Manag. 2011, 52, 1114–1128. [Google Scholar] [CrossRef]
  6. Gupta, K.K.; Ranjan, A.; Bhatnagar, P.; Sahu, L.K.; Jain, S. Multilevel inverter topologies with reduced device count: A review. IEEE Trans. Power Electron. 2016, 31, 135–151. [Google Scholar] [CrossRef]
  7. Ceglia, G.; Grau, V.; Guzman, V.; Sanchez, C.; Ibanez, F.; Walter, J.; Millan, A.; Gimenez, M.I. A new multilevel inverter topology. In Proceedings of the Fifth IEEE International Caracas Conference on Devices, Circuits and Systems, 2004, Punta Cana, Dominican Republic, 3–5 November 2004; IEEE: Piscataway, NJ, USA, 2004. [Google Scholar]
  8. Merahi, F.; Berkouk, E.M. Back-to-back five-level converters for wind energy conversion system with DC-bus imbalance minimization. Renew. Energy 2013, 60, 137–149. [Google Scholar] [CrossRef]
  9. Mekhilef, S.; Kadir, M.N.A. Novel vector control method for three-stage hybrid cascaded multilevel inverter. IEEE Trans. Ind. Electron. 2011, 58, 1339–1349. [Google Scholar] [CrossRef]
  10. Sumithira, T.; Kumar, A.N. Elimination of harmonics in multilevel inverters connected to solar photovoltaic systems using ANFIS: An experimental case study. J. Appl. Res. Technol. 2013, 11, 124–132. [Google Scholar] [CrossRef]
  11. Daher, S. Analysis, Design and Implementation of a High Efficiency Multilevel Converter for Renewable Energy Systems; Kassel University Press: Kassel, Germany, 2006. [Google Scholar]
  12. Singh, J.; Dahiya, R.; Saini, L.M. Recent research on transformer based single DC source multilevel inverter: A review. Renew. Sustain. Energy Rev. 2017, 82, 3207–3224. [Google Scholar] [CrossRef]
  13. Alishah, R.S.; Nazarpour, D.; Hosseini, S.H.; Sabahi, M. New hybrid structure for multilevel inverter with fewer number of components for high-voltage levels. IET Power Electron. 2014, 7, 96–104. [Google Scholar] [CrossRef]
  14. Babaei, E.; Dehqan, A.; Sabahi, M. A new topology for multilevel inverter considering its optimal structures. Electr. Power Syst. Res. 2013, 103, 145–156. [Google Scholar] [CrossRef]
  15. Babaei, E.; Kangarlu, M.F.; Mazgar, F.N. Symmetric and asymmetric multilevel inverter topologies with reduced switching devices. Electr. Power Syst. Res. 2012, 86, 122–130. [Google Scholar] [CrossRef]
  16. Babaei, E.; Hosseini, S.H. New cascaded multilevel inverter topology with minimum number of switches. Energy Convers. Manag. 2009, 50, 2761–2767. [Google Scholar] [CrossRef]
  17. Babaei, E.; Hosseini, S.; Gharehpetian, G.; Haque, M.T.; Sabahi, M. Reduction of dc voltage sources and switches in asymmetrical multilevel converters using a novel topology. Electr. Power Syst. Res. 2007, 77, 1073–1085. [Google Scholar] [CrossRef]
  18. Sonti, V.; Jain, S.; Bhattacharya, S. Analysis of the modulation strategy for the minimization of the leakage current in the PV grid-connected cascaded multilevel inverter. IEEE Trans. Power Electron. 2017, 32, 1156–1169. [Google Scholar] [CrossRef]
  19. Selvaraj, J.; Rahim, N.A. Multilevel inverter for grid-connected PV system employing digital PI controller. IEEE Trans. Ind. Electron. 2009, 56, 149–158. [Google Scholar] [CrossRef]
  20. Siddique, M.D.; Mekhilef, S.; Shah, N.M.; Sarwar, A.; Iqbal, A.; Tayyab, M.; Ansari, M.K. Low switching frequency based asymmetrical multilevel inverter topology with reduced switch count. IEEE Access 2019, 7, 86374–86383. [Google Scholar] [CrossRef]
  21. Bana, P.R.; Panda, K.P.; Naayagi, R.T.; Siano, P.; Panda, G. Recently developed reduced switch multilevel inverter for renewable energy integration and drives application: Topologies, comprehensive analysis and comparative evaluation. IEEE Access 2019, 7, 54888–54909. [Google Scholar] [CrossRef]
  22. Kanaujia, A.K.; Sanjiv, K. A Reduced Switch Count Hybrid Fifteen-level Inverter for an Open-End Winding Induction Motor (OEWIM) Drive. In Proceedings of the 2018 8th IEEE India International Conference on Power Electronics (IICPE), Jaipur, India, 13–15 December 2018; IEEE: Piscataway, NJ, USA, 2018. [Google Scholar]
  23. Pal, P.K.; Jana, K.C.; Siwakoti, Y.P.; Majumdar, S.; Blaabjerg, F. An active-neutral-point-clamped switched-capacitor multilevel inverter with quasi-resonant capacitor charging. IEEE Trans. Power Electron. 2022, 37, 14888–14901. [Google Scholar] [CrossRef]
  24. Elias MF, M.; Abd Rahim, N.; Rosli, N.F. A Three-Phase Hybrid Multilevel Inverter with Enhanced Pulse-Width Modulation Strategy. IEEE Trans. Power Electron. 2022, 38, 4714–4726. [Google Scholar] [CrossRef]
  25. Yaramasu, V.; Wu, B. Predictive control of a three-level boost converter and an NPC inverter for high-power PMSG-based medium voltage wind energy conversion systems. IEEE Trans. Power Electron. 2014, 29, 5308–5322. [Google Scholar] [CrossRef]
  26. Ozpineci, B.; Tolbert, L.M.; Su, G.J.; Du, Z. Optimum fuel cell utilization with multilevel DC-DC converters. In Proceedings of the Nineteenth Annual IEEE Applied Power Electronics Conference and Exposition, 2004—APEC’04, Anaheim, CA, USA, 22–26 February 2004; IEEE: Piscataway, NJ, USA, 2004. [Google Scholar]
  27. Stynski, S.; San-Sebastian, J.; Malinowski, M.; Etxeberria-Otadui, I. Analysis of multilevel PWM converter based on FLC modules for an AC traction application. In Proceedings of the 2009 IEEE International Conference on Industrial Technology, Churchill, VIC, Australia, 10–13 February 2009; IEEE: Piscataway, NJ, USA, 2009. [Google Scholar]
  28. Carpita, M.; Marchesoni, M.; Pellerin, M.; Moser, D. Multilevel converter for traction applications: Small-scale prototype tests results. IEEE Trans. Ind. Electron. 2008, 55, 2203–2212. [Google Scholar] [CrossRef]
  29. Etxeberria-Otadui, I. Analysis of a H-NPC topology for an AC traction front-end converter. In Proceedings of the 2008 13th International Power Electronics and Motion Control Conference, Poznan, Poland, 1–3 September 2008; IEEE: Piscataway, NJ, USA, 2008. [Google Scholar]
  30. Malla, J.M.R.; Malla, S.G. Five level parallel inverter for DTC-SVM of induction motor. WSEAS Trans. Power Syst. 2010, 5, 273–286. [Google Scholar]
  31. Khoucha, F.; Lagoun, S.M.; Marouani, K.; Kheloui, A.; Benbouzid, M.E.H. Hybrid cascaded H-bridge multilevel-inverter induction-motor- drive direct torque control for automotive applications. IEEE Trans. Ind. Electron. 2010, 57, 892–899. [Google Scholar] [CrossRef]
  32. Panda, A.K.; Patnaik, S.S. Analysis of cascaded multilevel inverters for active harmonic filtering in distribution networks. Int. J. Electr. Power Energy Syst. 2015, 66, 216–226. [Google Scholar] [CrossRef]
  33. Lada, M.Y.; Mohamad, S.S.; Gani, J.A.M.; Nawawi, M.R.M.; Kim, G.C. Reduction of harmonic using single phase shunt active power filter based on instantaneous power theory for cascaded multilevel inverter. In Proceedings of the 2016 IEEE International Conference on Power and Energy (PECon), Melaka, Malaysia, 28–29 November 2016; IEEE: Piscataway, NJ, USA, 2016. [Google Scholar]
  34. Takasaki, M.; Miura, Y.; Ise, T. Wireless power transfer system for gate power supplies of modular multilevel converters. In Proceedings of the 2016 IEEE 8th International Power Electronics and Motion Control Conference (IPEMC-ECCE Asia), Hefei, China, 22–26 May 2016; IEEE: Piscataway, NJ, USA, 2016. [Google Scholar]
  35. Wang, Y.; Marquardt, R. Future HVDC-grids employing modular multilevel converters and hybrid DC-breakers. In Proceedings of the 2013 15th European Conference on Power Electronics and Applications (EPE), Lille, France, 2–6 September 2013; IEEE: Piscataway, NJ, USA, 2013. [Google Scholar]
  36. Prieto-Araujo, E.; Junyent-Ferré, A.; Collados-Rodríguez, C.; Clariana-Colet, G.; Gomis-Bellmunt, O. Control design of Modular Multilevel Converters in normal and AC fault conditions for HVDC grids. Electr. Power Syst. Res. 2017, 152, 424–437. [Google Scholar] [CrossRef]
  37. Zheng, Z.; Wang, K.; Xu, L.; Li, Y. A hybrid cascaded multilevel converter for battery energy management applied in electric vehicles. IEEE Trans. Power Electron. 2014, 29, 3537–3546. [Google Scholar] [CrossRef]
  38. Gaigowal, S.R.; Renge, M. Some studies of Distributed Series FACTS Controller to control active power flow through Transmission Line. In Proceedings of the 2013 International Conference on Power, Energy and Control (ICPEC), Dindigul, India, 6–8 February 2013; IEEE: Piscataway, NJ, USA, 2013. [Google Scholar]
  39. Kakkar, V.; Agarwal, N. Recent trends on FACTS and D-FACTS. In Proceedings of the 2010 Modern Electric Power Systems, Wroclaw, Poland, 20–22 September 2010; IEEE: Piscataway, NJ, USA, 2010. [Google Scholar]
  40. Sirisukprasert, S.; Liu, Y.; Xu, Z.; Zhang, B.; Zhou, X.; Hawley, J.; Huang, A.Q. Power stage and control design for the ETO-based cascaded- multilevel converter for FACTS applications. In Proceedings of the 4th International Power Electronics and Motion Control Conference, 2004—IPEMC 2004, Xi’an, China, 14–16 August 2004; IEEE: Piscataway, NJ, USA, 2004. [Google Scholar]
  41. Rohner, S.; Bernet, S.; Hiller, M.; Sommer, R. Modulation, losses, and semiconductor requirements of modular multilevel converters. IEEE Trans. Ind. Electron. 2010, 57, 2633–2642. [Google Scholar] [CrossRef]
  42. Zhang, L.; Sun, K.; Feng, L.; Wu, H.; Xing, Y. A family of neutral point clamped full-bridge topologies for transformerless photovoltaic grid-tied inverters. IEEE Trans. Power Electron. 2013, 28, 730–739. [Google Scholar] [CrossRef]
  43. Abu-Rub, H.; Holtz, J.; Rodriguez, J.; Baoming, G. Medium-voltage multilevel converters—State of the art, challenges, and requirements in industrial applications. IEEE Trans. Ind. Electron. 2010, 57, 2581–2596. [Google Scholar] [CrossRef]
  44. Latran, M.B.; Teke, A. Investigation of multilevel multifunctional grid connected inverter topologies and control strategies used in photovoltaic systems. Renew. Sustain. Energy Rev. 2015, 42, 361–376. [Google Scholar] [CrossRef]
  45. Rashid, M.H. Power Electronics Handbook; Butterworth-Heinemann: Oxford, UK, 2017. [Google Scholar]
  46. Yuan, X.; Barbi, I. Fundamentals of a new diode clamping multilevel inverter. IEEE Trans. Power Electron. 2000, 15, 711–718. [Google Scholar] [CrossRef]
  47. Vishvakarma, R.P.; Singh, S.; Shukla, T. Multilevel inverters and its control strategies: A comprehensive review. In Proceedings of the 2012 2nd International Conference on Power, Control and Embedded Systems, Allahabad, India, 17–19 December 2012; IEEE: Piscataway, NJ, USA, 2012. [Google Scholar]
  48. Kala, P.; Arora, S. A comprehensive study of classical and hybrid multilevel inverter topologies for renewable energy applications. Renew. Sustain. Energy Rev. 2017, 76, 905–931. [Google Scholar] [CrossRef]
  49. Villanueva, E.; Correa, P.; Rodriguez, J.; Pacas, M. Control of a single-phase cascaded H-bridge multilevel inverter for grid-connected photovoltaic systems. IEEE Trans. Ind. Electron. 2009, 56, 4399–4406. [Google Scholar] [CrossRef]
  50. Alonso, O.; Sanchis, P.; Gubia, E.; Marroyo, L. Cascaded H-bridge multilevel converter for grid connected photovoltaic generators with independent maximum power point tracking of each solar array. In Proceedings of the IEEE 34th Annual Conference on Power Electronics Specialist, 2003—PESC’03, Acapulco, Mexico, 15–19 June 2003; IEEE: Piscataway, NJ, USA, 2003. [Google Scholar]
  51. Cortés, P.; Wilson, A.; Kouro, S.; Rodriguez, J.; Abu-Rub, H. Model predictive control of multilevel cascaded H-bridge inverters. IEEE Trans. Ind. Electron. 2010, 57, 2691–2699. [Google Scholar] [CrossRef]
  52. Corzine, K.; Familiant, Y. A new cascaded multilevel H-bridge drive. IEEE Trans. Power Electron. 2002, 17, 125–131. [Google Scholar] [CrossRef]
  53. Song, W.; Huang, A.Q. Fault-tolerant design and control strategy for cascaded H- bridge multilevel converter-based STATCOM. IEEE Trans. Ind. Electron. 2010, 57, 2700–2708. [Google Scholar] [CrossRef]
  54. Wei, S.; Wu, B.; Li, F.; Sun, X. Control method for cascaded H-bridge multilevel inverter with faulty power cells. In Proceedings of the Eighteenth Annual IEEE Applied Power Electronics Conference and Exposition, 2003—APEC’03, Miami Beach, FL, USA, 9–13 February 2003; IEEE: Piscataway, NJ, USA, 2003. [Google Scholar]
  55. Barrena, J.A.; Marroyo, L.; Vidal, M.R.; Apraiz, J.R.T. Individual voltage balancing strategy for PWM cascaded H-bridge converter-based STATCOM. IEEE Trans. Ind. Electron. 2008, 55, 21–29. [Google Scholar] [CrossRef]
  56. Franquelo, L.G.; Rodriguez, J.; Leon, J.I.; Kouro, S.; Portillo, R.; Prats, M.A. The age of multilevel converters arrives. IEEE Ind. Electron. Mag. 2008, 2, 28–39. [Google Scholar] [CrossRef]
  57. Deng, F.; Tian, Y.; Zhu, R.; Chen, Z. Fault-tolerant approach for modular multilevel converters under submodule faults. IEEE Trans. Ind. Electron. 2016, 63, 7253–7263. [Google Scholar] [CrossRef]
  58. Maharjan, L.; Inoue, S.; Akagi, H.; Asakura, J. State-of-charge (SOC)-balancing control of a battery energy storage system based on a cascade PWM converter. IEEE Trans. Power Electron. 2009, 24, 1628–1636. [Google Scholar] [CrossRef]
  59. Ge, B.; Liu, Y.; Abu-Rub, H.; Peng, F.Z. State-of-Charge Balancing Control for a Battery-Energy-Stored Quasi- Z-Source Cascaded-Multilevel-Inverter-Based Photovoltaic Power System. IEEE Trans. Ind. Electron. 2018, 65, 2268–2279. [Google Scholar] [CrossRef]
  60. Kotb, K.M.; Hassan, A.E.-W.; Rashad, E.M. Simplified sinusoidal pulse width modulation for cascaded half-bridge multilevel inverter. In Proceedings of the 2016 Eighteenth International Middle East Power Systems Conference (MEPCON), Cairo, Egypt, 27–29 December 2016; IEEE: Piscataway, NJ, USA, 2016. [Google Scholar]
  61. Suresh, Y.; Venkataramanaiah, J.; Panda, A.K.; Dhanamjayulu, C.; Venugopal, P. Investigation on cascade multilevel inverter with symmetric, asymmetric, hybrid and multi-cell configurations. Ain Shams Eng. J. 2017, 8, 263–276. [Google Scholar] [CrossRef]
  62. Shahir, F.M.; Babaei, E. 16-level basic topology for cascaded multilevel inverters with reduced number of components. In Proceedings of the IECON 2016 42nd Annual Conference of the IEEE Industrial Electronics Society, Florence, Italy, 23–26 October 2016; IEEE: Piscataway, NJ, USA, 2016. [Google Scholar]
  63. Karaarslan, K.; Arifoglu, B.; Beser, E.; Camur, S. Half-bridge Cascaded Multilevel Inverter Based Series Active Power Filter. J. Power Electron. 2017, 17, 777–787. [Google Scholar] [CrossRef]
  64. Ramani, K.; Sathik, M.A.J.; Sivakumar, S. A new symmetric multilevel inverter topology using single and double source sub-multilevel inverters. J. Power Electron. 2015, 15, 96–105. [Google Scholar] [CrossRef]
  65. Al-Judi, A.; Bierk, H.; Nowicki, E. A modified cascaded multilevel inverter with reduced switch count employing bypass diodes. In Proceedings of the 2009 IEEE Vehicle Power and Propulsion Conference, Dearborn, MI, USA, 7–10 September 2009; IEEE: Piscataway, NJ, USA, 2009. [Google Scholar]
  66. Ahmed, M.; Sheir, A.; Orabi, M. Asymmetric cascaded half-bridge multilevel inverter without polarity changer. Alex. Eng. J. 2017, 57, 2415–2426. [Google Scholar] [CrossRef]
  67. Batschauer, A.L.; Mussa, S.A.; Heldwein, M.L. Three-phase hybrid multilevel inverter based on half-bridge modules. IEEE Trans. Ind. Electron. 2012, 59, 668–678. [Google Scholar] [CrossRef]
  68. Konstantinou, G.S.; Agelidis, V.G. Performance evaluation of half-bridge cascaded multilevel converters operated with multicarrier sinusoidal PWM techniques. In Proceedings of the 2009 4th IEEE Conference on Industrial Electronics and Applications, Xi’an, China, 25–27 May 2009; IEEE: Piscataway, NJ, USA, 2009. [Google Scholar]
  69. Vahedi, H.; Al-Haddad, K. Half-bridge based multilevel inverter generating higher voltage and power. In Proceedings of the 2013 IEEE Electrical Power & Energy Conference, Halifax, NS, Canada, 21–23 August 2013; IEEE: Piscataway, NJ, USA, 2013. [Google Scholar]
  70. Luo, H.X.; Wang, L.; Wu, Q.H.; Ma, X.X. One cycle control for a half-bridge cascaded multilevel inverter. In Proceedings of the 2016 IEEE Innovative Smart Grid Technologies-Asia (ISGT-Asia), Melbourne, VIC, Australia, 28 November–1 December 2016; IEEE: Piscataway, NJ, USA, 2016. [Google Scholar]
  71. Gupta, K.K.; Jain, S. A novel multilevel inverter based on switched DC sources. IEEE Trans. Ind. Electron. 2014, 61, 3269–3278. [Google Scholar] [CrossRef]
  72. Ceglia, G.; Guzman, V.; Sanchez, C.; Ibanez, F.; Walter, J.; Gimenez, M. A new simplified multilevel inverter topology for DC–AC conversion. IEEE Trans. Power Electron. 2006, 21, 1311–1319. [Google Scholar] [CrossRef]
  73. Rahim, N.A.; Chaniago, K.; Selvaraj, J. Single-phase seven-level grid-connected inverter for photovoltaic system. IEEE Trans. Ind. Electron. 2011, 58, 2435–2443. [Google Scholar] [CrossRef]
  74. Wu, F.; Duan, J.; Feng, F. Modified single-carrier multilevel sinusoidal pulse width modulation for asymmetrical insulated gate bipolar transistor-clamped grid-connected inverter. IET Power Electron. 2015, 8, 1531–1541. [Google Scholar] [CrossRef]
  75. Rahim, N.A.; Elias, M.F.M.; Hew, W.P. Transistor-clamped H-bridge based cascaded multilevel inverter with new method of capacitor voltage balancing. IEEE Trans. Ind. Electron. 2013, 60, 2943–2956. [Google Scholar]
  76. Gautam, S.P.; Gupta, S.; Kumar, L. Reliability improvement of transistor clamped H-bridge-based cascaded multilevel inverter. IET Power Electron. 2017, 10, 770–781. [Google Scholar] [CrossRef]
  77. Choudhary, R.; Sarkar, I. Single phase five level Transistor Clamped inverter with multi-band hysteresis current control. In Proceedings of the 2016 IEEE 6th International Conference on Power Systems (ICPS), New Delhi, India, 4–6 March 2016; IEEE: Piscataway, NJ, USA, 2016. [Google Scholar]
  78. Halim, W.A.; Rahim, N.A.; Azri, M. Generalized selective harmonic elimination modulation for transistor-clamped H-bridge multilevel inverter. J. Power Electron. 2015, 15, 964–973. [Google Scholar] [CrossRef][Green Version]
  79. Elias, M.F.M.; Rahim, N.A.; Ping, H.W.; Uddin, M.N. Asymmetrical cascaded multilevel inverter based on transistor- clamped H-bridge power cell. IEEE Trans. Ind. Appl. 2014, 50, 4281–4288. [Google Scholar] [CrossRef]
  80. Ebrahimi, J.; Babaei, E.; Gharehpetian, G.B. A new multilevel converter topology with reduced number of power electronic components. IEEE Trans. Ind. Electron. 2012, 59, 655–667. [Google Scholar] [CrossRef]
  81. Babaei, E. Optimal topologies for cascaded sub-multilevel converters. J. Power Electron. 2010, 10, 251–261. [Google Scholar] [CrossRef]
  82. Klumpner, C.; Blaabjerg, F. Using reverse-blocking IGBTs in power converters for adjustable-speed drives. IEEE Trans. Ind. Appl. 2006, 42, 807–816. [Google Scholar] [CrossRef]
  83. Hinago, Y.; Koizumi, H. A single-phase multilevel inverter using switched series/parallel dc voltage sources. IEEE Trans. Ind. Electron. 2010, 57, 2643–2650. [Google Scholar] [CrossRef]
  84. Fong, Y.C.; Ye, Y.; Raman, S.R.; Cheng, K.W. A hybrid multilevel inverter employing series-parallel switched- capacitor unit. In Proceedings of the 2017 IEEE Applied Power Electronics Conference and Exposition (APEC), Tampa, FL, USA, 26–30 March 2017; IEEE: Piscataway, NJ, USA, 2017. [Google Scholar]
  85. Zamiri, E.; Vosoughi, N.; Hosseini, S.H.; Barzegarkhoo, R.; Sabahi, M. A new cascaded switched-capacitor multilevel inverter based on improved series–parallel conversion with less number of components. IEEE Trans. Ind. Electron. 2016, 63, 3582–3594. [Google Scholar] [CrossRef]
  86. Barzegarkhoo, R.; Moradzadeh, M.; Zamiri, E.; Kojabadi, H.M.; Blaabjerg, F. A new boost switched-capacitor multilevel converter with reduced circuit devices. IEEE Trans. Power Electron. 2018, 33, 6738–6754. [Google Scholar] [CrossRef]
  87. Lee, S. Single-Stage Switched-Capacitor Module (S3CM) Topology for Cascaded Multilevel Inverter. IEEE Trans. Power Electron. 2018, 33, 8204–8207. [Google Scholar] [CrossRef]
  88. Barzegarkhoo, R.; Kojabadi, H.M.; Zamiry, E.; Vosoughi, N.; Chang, L. Generalized structure for a single phase switched-capacitor multilevel inverter using a new multiple dc link producer with reduced number of switches. IEEE Trans. Power Electron. 2016, 31, 5604–5617. [Google Scholar] [CrossRef]
  89. Kanimozhi, M.; Geetha, P. A new boost switched capacitor multilevel inverter using different multi carrier PWM techniques. In Proceedings of the 2014 International Conference on Circuits, Power and Computing Technologies [ICCPCT-2014], Nagercoil, India, 20–21 March 2014; IEEE: Piscataway, NJ, USA, 2014. [Google Scholar]
  90. Raman, S.R.; Cheng, K.W.E.; Ye, Y. Multi-input switched-capacitor multilevel inverter for high-frequency ac power distribution. IEEE Trans. Power Electron. 2018, 33, 5937–5948. [Google Scholar] [CrossRef]
  91. Zeng, J.; Wu, J.; Liu, J.; Guo, H. A Quasi-Resonant Switched-Capacitor Multilevel Inverter with Self-Voltage Balancing for Single-Phase High-Frequency AC Microgrids. IEEE Trans. Ind. Inform. 2017, 13, 2669–2679. [Google Scholar] [CrossRef]
  92. Taghvaie, A.; Adabi, J.; Rezanejad, M. A Multilevel Inverter Structure Based on a Combination of Switched-Capacitors and DC Sources. IEEE Trans. Ind. Inform. 2017, 13, 2162–2171. [Google Scholar] [CrossRef]
  93. Taghvaie, A.; Adabi, J.; Rezanejad, M. A self-balanced step-up multilevel inverter based on switched-capacitor structure. IEEE Trans. Power Electron. 2018, 33, 199–209. [Google Scholar] [CrossRef]
  94. Cao, D.; Peng, F.Z. Zero-current-switching multilevel modular switched-capacitor DC–DC converter. IEEE Trans. Ind. Appl. 2010, 46, 2536–2544. [Google Scholar] [CrossRef]
  95. Sandeep, N.; Yaragatti, U.R. A Switched-Capacitor-Based Multilevel Inverter Topology with Reduced Components. IEEE Trans. Power Electron. 2017, 33, 5538–5542. [Google Scholar] [CrossRef]
  96. Babaei, E.; Gowgani, S.S. Hybrid multilevel inverter using switched capacitor units. IEEE Trans. Ind. Electron. 2014, 61, 4614–4621. [Google Scholar] [CrossRef]
  97. Babaei, E.; Alilu, S.; Laali, S. A new general topology for cascaded multilevel inverters with reduced number of components based on developed H-bridge. IEEE Trans. Ind. Electron. 2014, 61, 3932–3939. [Google Scholar] [CrossRef]
  98. Babaei, E.; Laali, S. Optimum structures of proposed new cascaded multilevel inverter with reduced number of components. IEEE Trans. Ind. Electron. 2015, 62, 6887–6895. [Google Scholar] [CrossRef]
  99. Sarbanzadeh, M.; Babaei, E.; Hosseinzadeh, M.A.; Cecati, C. A new sub-multilevel inverter with reduced number of components. In Proceedings of the IECON 2016 42nd Annual Conference of the IEEE Industrial Electronics Society, Florence, Italy, 23–26 October 2016; IEEE: Piscataway, NJ, USA, 2016. [Google Scholar]
  100. Alishah, R.S.; Hosseini, S.H.; Babaei, E.; Sabahi, M. Optimal design of new cascaded switch-ladder multilevel inverter structure. IEEE Trans. Ind. Electron. 2017, 64, 2072–2080. [Google Scholar] [CrossRef]
  101. Lee, S.S.; Sidorov, M.; Idris, N.R.N.; Heng, Y.E. A Symmetrical Cascaded Compact-Module Multilevel Inverter (CCM-MLI) With Pulsewidth Modulation. IEEE Trans. Ind. Electron. 2018, 65, 4631–4639. [Google Scholar] [CrossRef]
  102. Ounejjar, Y.; Al-Haddad, K.; Gregoire, L.-A. Packed U cells multilevel converter topology: Theoretical study and experimental validation. IEEE Trans. Ind. Electron. 2011, 58, 1294–1306. [Google Scholar] [CrossRef]
  103. Babadi, A.N.; Salari, O.; Mojibian, M.J.; Bina, M.T. Modified Multilevel Inverters with Reduced Structures Based on PackedU-Cell. IEEE J. Emerg. Sel. Top. Power Electron. 2018, 6, 874–887. [Google Scholar] [CrossRef]
  104. Ounejjar, Y.; Al-Haddad, K.; Dessaint, L.A. A novel six-band hysteresis control for the packed U cells seven-level converter: Experimental validation. IEEE Trans. Ind. Electron. 2012, 59, 3808–3816. [Google Scholar] [CrossRef]
  105. Metri, J.I.; Vahedi, H.; Kanaan, H.Y.; Al-Haddad, K. Real-time implementation of model-predictive control on seven-level packed U-cell inverter. IEEE Trans. Ind. Electron. 2016, 63, 4180–4186. [Google Scholar] [CrossRef]
  106. Oskuee, M.R.J.; Karimi, M.; Ravadanegh, S.N.; Gharehpetian, G.B. An innovative scheme of symmetric multilevel voltage source inverter with lower number of circuit devices. IEEE Trans. Ind. Electron. 2015, 62, 6965–6973. [Google Scholar] [CrossRef]
  107. Samadaei, E.; Sheikholeslami, A.; Gholamian, S.A.; Adabi, J. A square T-type (ST-Type) module for asymmetrical multilevel inverters. IEEE Trans. Power Electron. 2018, 33, 987–996. [Google Scholar] [CrossRef]
  108. Siddique, M.D.; Iqbal, A.; Sarwar, A.; Mekhilef, S. Analysis and implementation of a new asymmetric double H-bridge multilevel inverter. Int. J. Circuit Theory Appl. 2021, 49, 4012–4026. [Google Scholar] [CrossRef]
  109. Salem, M.; Richelli, A.; Yahya, K.; Hamidi, M.N.; Ang, T.-Z.; Alhamrouni, I. A Comprehensive Review on Multilevel Inverters for Grid-Tied System Applications. Energies 2022, 15, 6315. [Google Scholar] [CrossRef]
  110. Hammami, M.; Grandi, G. A single-phase multilevel PV generation system with an improved ripple correlation control MPPT algorithm. Energies 2017, 10, 2037. [Google Scholar] [CrossRef]
  111. Rajalakshmi, S.; Rangarajan, P. Investigation of modified multilevel inverter topology for PV system. Microprocess. Microsyst. 2019, 71, 102870. [Google Scholar] [CrossRef]
  112. Bana, P.R.; Panda, K.P.; Panda, G. Power quality performance evaluation of multilevel inverter with reduced switching devices and minimum standing voltage. IEEE Trans. Ind. Inform. 2019, 16, 5009–5022. [Google Scholar] [CrossRef]
  113. Ponnusamy, P.; Sivaraman, P.; Almakhles, D.J.; Padmanaban, S.; Leonowicz, Z.; Alagu, M.; Ali, J.S.M. A new multilevel inverter topology with reduced power components for domestic solar PV applications. IEEE Access 2020, 8, 187483–187497. [Google Scholar] [CrossRef]
  114. Pourfaraj, A.; Monfared, M.; Heydari-doostabad, H. Single-phase dual-mode interleaved multilevel inverter for PV applications. IEEE Trans. Ind. Electron. 2019, 67, 2905–2915. [Google Scholar] [CrossRef]
  115. Cm, N.M.; Vineeth, K.; Kurmar, S.S.; Jayaprakash, P. An Improved H- Bridge Multilevel Inverter-Based Multi-Objective Photovoltaic Power Conversion System. IEEE Trans. Ind. Appl. 2021, 57, 6339–6349. [Google Scholar]
  116. Bhukya, M.N.; Kota, V.R.; Depuru, S.R. A simple, efficient, and novel standalone photovoltaic inverter configuration with reduced harmonic distortion. IEEE Access 2019, 7, 43831–43845. [Google Scholar] [CrossRef]
  117. Kurian, G.M.; Jeyanthy, P.A.; Devaraj, D. FPGA implementation of FLC-MPPT for harmonics reduction in sustainable photovoltaic system. Sustain. Energy Technol. Assess. 2022, 52, 102192. [Google Scholar]
  118. Prabaharan, N.; Palanisamy, K. Analysis and integration of multilevel inverter configuration with boost converters in a photovoltaic system. Energy Convers. Manag. 2016, 128, 327–342. [Google Scholar] [CrossRef]
  119. Bana, P.R.; Panda, K.P.; Padmanaban, S.; Mihet-Popa, L.; Panda, G.; Wu, J. Closed-loop control and performance evaluation of reduced part count multilevel inverter interfacing grid-connected PV system. IEEE Access 2020, 8, 75691–75701. [Google Scholar] [CrossRef]
  120. Janardhan, K.; Mittal, A.; Ojha, A. Performance investigation of stand-alone solar photovoltaic system with single phase micro multilevel inverter. Energy Rep. 2020, 6, 2044–2055. [Google Scholar] [CrossRef]
  121. Ramesh, A.; Sait, H.H. An approach towards selective harmonic elimination switching pattern of cascade switched capacitor twenty nine-level inverter using artificial bee colony algorithm. Microprocess. Microsyst. 2020, 79, 103292. [Google Scholar] [CrossRef]
  122. Gopal, Y.; Kumar, Y.N.V.; Kumari, A.; Prakash, O.; Chowdhury, S.; Almehizia, A.A. Reduced Device Count for Self Balancing Switched-Capacitor Multilevel Inverter Integration with Renewable Energy Source. Sustainability 2023, 15, 8000. [Google Scholar] [CrossRef]
  123. El Ouardi, H.; El Gadari, A.; Mokhlis, M.; Ounejjar, Y.; Bejjit, L.; Al-Haddad, K. A Novel MPPT Technique Based on Combination between the Incremental Conductance and Hysteresis Control Applied in a Standalone PV System. Eng 2023, 4, 964–976. [Google Scholar] [CrossRef]
Figure 1. Conventional MLI classification.
Figure 1. Conventional MLI classification.
Energies 16 05638 g001
Figure 2. Five level DC MLI.
Figure 2. Five level DC MLI.
Energies 16 05638 g002
Figure 3. Five level FC MLI.
Figure 3. Five level FC MLI.
Energies 16 05638 g003
Figure 4. Five-level CHB MLI. (a). Symmetric. (b). Sources vs. levels in symmetric and asymmetric (binary, trinary) CHB MLI.
Figure 4. Five-level CHB MLI. (a). Symmetric. (b). Sources vs. levels in symmetric and asymmetric (binary, trinary) CHB MLI.
Energies 16 05638 g004
Figure 5. Comparison of five level topologies based on components.
Figure 5. Comparison of five level topologies based on components.
Energies 16 05638 g005
Figure 6. Reduced device count MLI.
Figure 6. Reduced device count MLI.
Energies 16 05638 g006
Figure 7. Cascaded half-bridge MLI using sub cells.
Figure 7. Cascaded half-bridge MLI using sub cells.
Energies 16 05638 g007
Figure 8. Cascaded half-bridge MLI with reverse polarity cell.
Figure 8. Cascaded half-bridge MLI with reverse polarity cell.
Energies 16 05638 g008
Figure 9. A 13-level asymmetric bidirectional switch MLI.
Figure 9. A 13-level asymmetric bidirectional switch MLI.
Energies 16 05638 g009
Figure 10. Multilevel module multilevel inverter.
Figure 10. Multilevel module multilevel inverter.
Energies 16 05638 g010
Figure 11. Five-level transistor-clamped MLI.
Figure 11. Five-level transistor-clamped MLI.
Energies 16 05638 g011
Figure 12. Five-level SCSS MLI.
Figure 12. Five-level SCSS MLI.
Energies 16 05638 g012
Figure 13. Switched series parallel DC sources multilevel inverter.
Figure 13. Switched series parallel DC sources multilevel inverter.
Energies 16 05638 g013
Figure 14. A 13-level hybrid SCMLI.
Figure 14. A 13-level hybrid SCMLI.
Energies 16 05638 g014
Figure 15. A 17-level hybrid SMLI.
Figure 15. A 17-level hybrid SMLI.
Energies 16 05638 g015
Figure 16. A 9-level boost SCMLI.
Figure 16. A 9-level boost SCMLI.
Energies 16 05638 g016
Figure 17. Developed H-bridge MLI.
Figure 17. Developed H-bridge MLI.
Energies 16 05638 g017
Figure 18. Cascaded MLI with sub module.
Figure 18. Cascaded MLI with sub module.
Energies 16 05638 g018
Figure 19. A 31-level switch-ladder MLI.
Figure 19. A 31-level switch-ladder MLI.
Energies 16 05638 g019
Figure 20. A 7-level cascaded compact module MLI.
Figure 20. A 7-level cascaded compact module MLI.
Energies 16 05638 g020
Figure 21. A 7-level packed U-cell MLI.
Figure 21. A 7-level packed U-cell MLI.
Energies 16 05638 g021
Figure 22. A nine-level asymmetric multilevel voltage source inverter.
Figure 22. A nine-level asymmetric multilevel voltage source inverter.
Energies 16 05638 g022
Figure 23. A 17-level asymmetric ST module type MLI.
Figure 23. A 17-level asymmetric ST module type MLI.
Energies 16 05638 g023
Figure 24. Asymmetric double H-bridge MLI.
Figure 24. Asymmetric double H-bridge MLI.
Energies 16 05638 g024
Figure 25. Comparison of switching devices vs. no. of levels of reduced switched count MLIs.
Figure 25. Comparison of switching devices vs. no. of levels of reduced switched count MLIs.
Energies 16 05638 g025
Figure 26. Comparison of DC sources vs. no. of levels of reduced switched count MLIs.
Figure 26. Comparison of DC sources vs. no. of levels of reduced switched count MLIs.
Energies 16 05638 g026
Figure 27. Modulation techniques for RDC MLI.
Figure 27. Modulation techniques for RDC MLI.
Energies 16 05638 g027
Table 1. Comparison of classical multilevel inverters.
Table 1. Comparison of classical multilevel inverters.
Sr No.Implementation FactorsNPCFCCHB
1Switching devices 2 k 1 2 k 1 2 ( k 1 )
2DC sources 1 1 ( k 1 ) / 2
3Voltage levels 2 ( k 1 ) 2 k 1 k = 2 n + 1
( f o r   s y m m e t r i c a l )
k = 2 n + 1 1
( f o r   b i n a r y )
k = 3 n
( f o r   t r i n a r y )
4Clamping diodes ( k 1 ) ( k 2 ) 0 0
5DC side capacitors ( k 1 ) ( k 1 ) ( k 1 ) / 2
6Freewheeling diodes 2 ( k 1 ) 2 ( k 1 ) 2 ( k 1 )
7Balancing capacitor 0 ( k 1 ) ( k 2 ) / 2 0
8Carrier waves ( k 1 ) ( k 1 ) ( k 1 )
9ModularityLowHighHigh
10Design complexityLowMediumHigh
11StructureSymmetric, bulkySymmetric, bulkySymmetric, light
12Switch/source utilizationPoorGoodGood
13Implementation complexityLowMediumHigh
14Control concernVoltage balancingVoltage setupPower sharing
15RedundancyLinePhase and linePhase
16Fault toleranceDifficultEasyEasy
17CostLowHighMedium
18Introduced byNabae, Takashi, and AkagiMeynardBaker and Bannister
19Introduced year198119921975
Table 2. Component and output voltage details of reduced device count multilevel inverters.
Table 2. Component and output voltage details of reduced device count multilevel inverters.
Number   of   Required   Switching
Devices   ( S d )
Output   Voltage
Levels   ( k )
Type
RDC-MLI
ofFigureReference
k + 3
(symmetrical)
2 ln 2 k + 1 l n 2
k + 9
(asymmetrical)
2
2 n + 1
(symmetrical)
2 n + 1 1 4 n 1
(asymmetrical)
Cascaded half-bridge MLI using sub cellsFigure 7[16]
2 n
Where n is number of cells
2 n 1 Cascaded half- bridge MLI with reverse polarity cellFigure 8[66]
2 n + 1 n   n + 1 + 1 BS-MLIFigure 9[17]
2 n + 1 2 n + 1 MLM MLIFigure 10[71]
  6 n + 4 1 + 2 n + 2 + 2 2 n + 1 SMLIFigure 15[85]
6 n + 2 8 n + 1 BSCMLIFigure 16[86]
4 n + 2 2 n + 1 1 Developed
H-bridge MLI
Figure 17[97]
8 ns
Where ns is number of sub modules
8 n s + 1 Cascaded MLI with sub moduleFigure 18[99]
10 ncm
Where ncm is number of cascaded modules
6 n c m + 1 CCMMLIFigure 20[101]
2   n c + 2
Where nc is total number of capacitors and DC sources
2 n c + 1 1 PUCMLIFigure 21[102]
12 nst
Where nst is number of ST modules
16 n s t + 1 ST module type
MLI
Figure 23[107]
2 n h + 8
Where nh is number of half-bridge configured sources
6 n h + 9 Double H-bridge MLIFigure 24[108]
Table 3. Comparison details of reduced device count multilevel inverter.
Table 3. Comparison details of reduced device count multilevel inverter.
ReferenceAuthor (Year)MLI TypeModulation SchemeCalculated ParametersSoftwareControllerSummary
[16]Babaei, E et al. (2009)Cascaded half-bridge MLIFundamental switching frequency techniqueTHD, output voltagePSCAD89C52 ATMEL
micro-controller
Reduced device count topology sub cells were presented, which were extended to form a cascaded connection. Three algorithms were also presented to find out the components and voltage levels. The method was validated with simulation and experimental results.
[17]Babaei, E et al. (2007)common emitter bi-directional switch based MLISwitching angleTHD,
Standing voltage
PSCAD/EMTDC89C52 ATMEL
micro-controller
RSB-MLI was proposed for the series connection of sub multilevel inverters. Theoretical issues were verified with simulated and experimental results with new 49-level inverter.
[60]Kotb, K.M et al. (2016)cascaded half-bridge inverterIPD (In phase deposition), POD (Phase opposite deposition), APOD (Alternative POD)THDMATLAB/
Simulink
NI PCI-6013Multicarrier PWM techniques were employed in a 15-level cascaded half-bridge inverter.
[66]Ahmed, M et al. (2017)asymmetric cascaded half-bridge inverterselective harmonic eliminationTHDMATLAB/
Simulink
DSP TMS320F28335
controller
Authors introduced the topology with reverse polarity cell; therefore, it did not require polarity changer, thus reducing the switching devices, costs, and complexities of the circuit.
[71]Gupta, K.K. and Jain, S (2014)SCSS-MLIPD-SPWMTHD,
conduction losses, switching losses
MATLAB/
Simulink
DS1103 dSpaceA novel topology and its principle of operation was presented. The simulation results of this topology were also compared with conventional topologies.
[80]Ebrahimi, J et al. (2012)MLM-based MLI-THD, conduction losses, switching lossesPSCAD/EMTDCATMEL 89C52
micro-controller
The multilevel module based MLI was proposed in this study. Various optimal structures related with reduced device count were also presented. The proposed topology was evaluated with its prototype hardware and simulation.
[81]Babaei, E (2010)CHB-MLI
using sub cells
switching angle--PSCAD/EMTDC89C52 ATMEL
micro-controller
The authors developed bi-directional based topologies in this study. Authors presented how the basic units can be extended, and also these extended units were configured in a cascaded connection. The performances of these topologies were validated with simulated and prototype results.
Table 4. Comparison of recent reduced device count MLIs for PV system.
Table 4. Comparison of recent reduced device count MLIs for PV system.
ReferenceYearMLIModulation SchemeCalculated
Parameters
SoftwareControllerMPPT
Algorithm
PV
Configuration
Configuration k * S d * n *
[111]2019Modified CHB984PD, POD, APODTHD,
output voltage
MATLAB/ SimulinkPIC 16F877A
Micro-controller
-Standalone
[112]2019Reduced switch H- bridge-based (RSHB) MLI with LDC9177SHE-PWM
PD-PWM
THD,
output voltage
MATLAB/ SimulinkArduino Mega 2560Incremental
conductance (IC)
Standalone
[113]2020Dual source multilevel inverter9112NLMTHD,
output voltage, voltage stress, switching and conduction losses,
efficiency
MATLAB/ SimulinkFPGA Spartan 6 processor-Standalone
[114]2019Dual-mode interleaved
multilevel inverter
101PWMTHD,
Power loss
STMicroelectronics
STM32F407 DSP
-Grid connected
[115]2021Improved H- bridge multilevel inverter652PWMTHD,
Power loss, total standing
voltage
MATLAB/ Simulink (R2009a)dSPACE Micro Lab BoxICGrid connected
[116]2019Modified H-bridge MLI3184PWMTHDMATLAB/ SimulinkFPGA SpartanArtificial neural networkStandalone
[117]2022Cascaded H-
bridge sub-MLI
1573PD-CPWMTHDMATLAB/ SimulinkXilinx Spartan 3E-500 FPGAFuzzy logicStandalone
[118]2016CHB with
double level circuit
13144PD-CPWMTHD,
Power loss
MATLAB/ SimulinkdSpace 1104 controllerPerturb and observe (P & O)Standalone
[119]2020Voltage level
boost (VLB) MLI
15105PD-CPWMTHD,
Power loss
MATLAB/ SimulinkDSP controllerICGrid connected
[120]2020Micro multilevel inverter552PD-CPWMTHD,
Power loss
MATLAB/ Simulinkd-SPACE 1104P & OStandalone
[121]2020Switched capacitor MLI2993SHE- PWMTHD,
Power loss
MATLAB/ SimulinkDSPIC30F2010
controller
Grey Wolf optimization technique and fuzzy logic controlStandalone
[122]2023Switched capacitor MLI781Anti predatory particle swarm optimizationTHDMATLAB/ Simulink-Fuzzy controllerStandalone
[123]2023S-packed U-cells551PWMTHDMATLAB/ Simulink-IC with hysteresis controlGrid connected
* k  (number of levels),  S d  (number of switches) and  n  (number of PV sources).
Disclaimer/Publisher’s Note: The statements, opinions and data contained in all publications are solely those of the individual author(s) and contributor(s) and not of MDPI and/or the editor(s). MDPI and/or the editor(s) disclaim responsibility for any injury to people or property resulting from any ideas, methods, instructions or products referred to in the content.

Share and Cite

MDPI and ACS Style

Memon, A.J.; Mahar, M.A.; Larik, A.S.; Shaikh, M.M. A Comprehensive Review of Reduced Device Count Multilevel Inverters for PV Systems. Energies 2023, 16, 5638. https://doi.org/10.3390/en16155638

AMA Style

Memon AJ, Mahar MA, Larik AS, Shaikh MM. A Comprehensive Review of Reduced Device Count Multilevel Inverters for PV Systems. Energies. 2023; 16(15):5638. https://doi.org/10.3390/en16155638

Chicago/Turabian Style

Memon, Abdul Jabbar, Mukhtiar Ahmed Mahar, Abdul Sattar Larik, and Muhammad Mujtaba Shaikh. 2023. "A Comprehensive Review of Reduced Device Count Multilevel Inverters for PV Systems" Energies 16, no. 15: 5638. https://doi.org/10.3390/en16155638

APA Style

Memon, A. J., Mahar, M. A., Larik, A. S., & Shaikh, M. M. (2023). A Comprehensive Review of Reduced Device Count Multilevel Inverters for PV Systems. Energies, 16(15), 5638. https://doi.org/10.3390/en16155638

Note that from the first issue of 2016, this journal uses article numbers instead of page numbers. See further details here.

Article Metrics

Back to TopTop