Next Article in Journal
Performance Assessment of Horizontal Ground Heat Exchangers under a Greenhouse in Quebec, Canada
Previous Article in Journal
Comparative Study of Passivity, Model Predictive, and Passivity-Based Model Predictive Controllers in Uninterruptible Power Supply Applications
 
 
Font Type:
Arial Georgia Verdana
Font Size:
Aa Aa Aa
Line Spacing:
Column Width:
Background:
Article

Application of Nonlinear Optimization for Fault Location in Transmission Lines with Series Compensation Protected by Varistors

by
Simone Aparecida Rocha
1,
Rodrigo Tomas Nogueira Cardoso
1,
Eduardo Gonzaga Da Silveira
2,* and
Alex-Sander Amavel Luiz
2
1
Postgraduate Program in Mathematical and Computational Modeling, Centro Federal de Educação Tecnológica de Minas Gerais, Belo Horizonte 30180-001, Brazil
2
Department of Electrical Engineering, Centro Federal de Educação Tecnológica de Minas Gerais, Belo Horizonte 30180-001, Brazil
*
Author to whom correspondence should be addressed.
Energies 2023, 16(15), 5595; https://doi.org/10.3390/en16155595
Submission received: 19 June 2023 / Revised: 14 July 2023 / Accepted: 18 July 2023 / Published: 25 July 2023
(This article belongs to the Section F1: Electrical Power System)

Abstract

:
This paper introduces a novel approach to fault localization in transmission lines with series compensation using nonlinear optimization. The objective function minimization provides information on the fault distance and the current at which the protective varistor starts conducting. Terminal source data, the maximum current capacity of the capacitor, and the operating curve of the metal oxide varistor protection element are not required. The proposed method successfully met the predefined objectives, with a maximum error of 1.13% in simulated scenarios. In validating the method using real cases from a Brazilian energy concessionaire, the errors were below 0.5%.

1. Introduction

Technological advancements and industrial growth in a nation are accompanied by an increase in energy consumption and have a significant relationship with the expansion of the electrical sector. The generated energy is conveyed to consumers through the electric power system (EPS), a structure composed of interconnected elements for the constitution of a large electrical network, which can contain thousands of buses and equipment such as synchronous generators, power transformers, measuring and protection transformers, circuit breakers, reactors, capacitors, loads, and transmission lines (TL). During transmission, electrical losses occur, and the energy transport capacity is limited based on the number of existing lines. These structures can stretch for hundreds of kilometers and are exposed to weather conditions such as lightning strikes, storms, strong winds, pollution, high insolation, and even vandalism, which are capable of causing short circuits (faults) and disrupting their normal operation, which can lead to instability in the electrical system and even blackouts if a point of equilibrium is not reached.
The occurrence of a fault in a transmission line represents a phenomenon that is difficult to predict. In the event of delayed restoration or unavailability of the line, electric utility companies may be subject to fines from regulatory agencies for the electrical system. Once the situation is diagnosed, it is in the interest of the utility companies to isolate the faulty part of the electrical system, ensure its prompt restoration, and meet the existing load demand quickly and accurately.
The increasing global demand for electrical energy directly influences planning actions for generation expansion and transmission sizing. One strategy to increase transmission capacity and improve the quality of the transmitted energy through the transmission line is series compensation, achieved by inserting a capacitor bank (CB) and its protection elements in series with the line. This approach postpones the need for investments in the construction of new transmission systems in the case of existing lines and brings advantages to the system in which it is implemented [1], contributing to the increase in power transmission capacity of the line, improvement of stability after a transient, reduction in the need for voltage control equipment such as shunt capacitors, improvement of power division among lines, which can reduce overall system losses, cost savings compared to other technically feasible alternatives, and reduced environmental impact, which is highly relevant in today’s context compared to the construction of a new line. However, the insertion of capacitors and their protective element, the Metal Oxide Varistor (MOV), alters the line impedance [2,3], modifying the operation of the electrical system and requiring new methodologies for line protection tasks and fault location [4,5], making fault location estimation complex and challenging.
This paper presents results from the application of nonlinear optimization (NLO) using a genetic algorithm for fault location in transmission lines with series compensation (TLC) simulated in the Alternative Transients Program (ATP) [6]. The objective functions of the problem are formulated considering the presence of the capacitor and MOV. One of the achieved objectives of the proposed methodology is the possibility of practical implementation in electric utility companies using the same data used for a transmission line without series compensation (voltage and current measurements at both terminals and impedance and admittance parameters) as by Johns and Jamali [7], only adding the capacitance value of the capacitor bank. Therefore, this paper contributes by eliminating the need for an operating curve or parameters of the metal oxide varistor (MOV) and the values of source impedances, which are often not accurately known. This feature reduces the method’s dependence on specific electrical system parameters. Despite this reduction in dependency, the proposed method maintains precision, as demonstrated in the presented results. In addition to simulated cases, a novelty presented is the application to real short-circuit cases, made possible by utilizing oscillograms provided by a Brazilian power utility.
A literature review of the benefits and challenges related to series compensation in transmission lines is presented in [8]. A significant portion of the research available in the literature addresses the problem analytically, and some studies propose the use of computational intelligence. Only a small number of proposals use optimization techniques. A mathematical analysis of the series compensation model is presented in [9], considering that at the fault point, the difference in voltages calculated from both terminals is zero. Voltage and current measurements from both ends of the line and the values of source impedances are used to obtain the fault point voltages and estimate the fault location. The proposal used the pattern search method to find the fault distance and a polynomial fit based on the theory presented by Goldsworthy [10] to represent the capacitor/varistor set. In [11], a fault location proposal for compensated lines is presented using numerical methods. The source impedances were calculated based on voltage and current values during normal operation (pre-fault). To handle the nonlinearity of the MOV/capacitor set, the linearized model proposed by [10] was used. In [12], the differential evolution algorithm was used for the minimization of an objective function formulated based on fault resistance, fault type, fault distance, and transmission line parameters. The source impedances were considered input data, and the linearized model proposed by [9] was also used. In [13], fault location in series-compensated lines is approached by solving an optimization problem. The proposed objective functions are formulated to cover fault situations where the MOV does not act and unsynchronized measurements of voltages and currents from the two-line terminals are available. Three population algorithms are used to minimize the simulated data. The determination of the admittance matrix for the system equations requires the values of the source impedances.

2. Series Compensation in Transmission Lines

Series compensation began to be used at higher voltage levels starting in the 1950s when the Swedish State Power Board and the Bonneville Power Administration in the United States installed capacitor banks with a capacity of 25 MVar in 220 kV systems [14]. From the operational perspective of a transmission line, performance indicators such as transmission losses in joules, reactive power consumption, voltage regulation, and stability margin must be observed [15]. An important parameter for determining the optimal load on the TL is the surge impedance load (SIL). According to [16], under operating conditions far from the SIL, the voltage variation along the line is greater, and the transmitted power is related to the length. For short lines up to 80 km, it is possible to operate with powers up to three times higher than the SIL. As the length of the line increases, this value decreases. For example, the limit for lines of 200 km is 1.8 × SIL, and for lines with a length of 300 km, it is recommended to operate with up to 1.4 × SIL. The voltages at the sending ( V S ) and receiving ( V R )   terminals, as a function of the angular difference between the voltages (δ) at the busbars, are indicated in Equation (1).
V S = V S δ ; V R = V R 0 °
Approximating a real transmission line with losses by an ideal lossless line, the transmitted powers can be obtained using Equations (2) and (3), where X n represents the nominal series reactance of the line.
P = V S V R X n sen δ
Q = V S V R c o s δ V R 2 X n
The maximum current allowed is related to the thermal limit of the conductors [16], is estimated in the project, and depends, among other factors, on the ambient temperature, wind speed, and solar radiation. In Figure 1, the decay of the conductors at a height of D1 is represented, which occurs in a situation of the nominal current. At height D2, due to the increase in transmitted power, the line is at its thermal limit in the condition of maximum current capacity.
The power limits of a transmission line, considering thermal and operational aspects, are described in [1] and illustrated in Figure 2.
In short transmission lines, current capacity represents a limiting factor for the load flow. In medium and long transmission lines, the situation is typically delimited by operational limits, with the longitudinal reactance often reaching values that restrict power flow to levels lower than the maximum supported by the cables. It can be observed that as the length of the line increases, the relevance of series compensation expands, which can be evaluated as an alternative to increasing power transfer capacity with reduced environmental impact and avoiding or postponing investments in the construction of new transmission lines.

2.1. Compensation Degree

The compensation degree (k) is defined as the ratio between the capacitive reactance of the bank ( X C N ) and the inductive reactance of the transmission line, as stated in Equation (4).
k = X C N X n
Rewriting Equation (4) in terms of the compensation degree leads to Equation (5).
P = V S V R X n X C N sen δ = V S V R X n ( 1 k ) s e n δ
The effect of the compensation degree on the transmission capacity for a 500 kV line is presented in Figure 3.
In practice, the series compensation degree typically varies from 25% to 75% [17,18]. For a fixed angular difference between the voltages at the line terminals, the transmission capacity increases with the compensation degree. According to [19], for the same transmitted power value, the angular difference decreases with an increase in the compensation level, resulting in improved dynamic stability of the system.

2.2. Protection of Capacitor Banks

As they are connected in series with transmission lines, capacitor banks are subjected to voltage and current transients related to short circuits. It is essential to use a protection system to limit the voltage at the capacitor terminals and prevent equipment damage. In this regard, the protection system should be specified to limit the maximum overvoltage that each capacitor unit must withstand. For voltages below the determined limit, the CB should operate normally. According to [1], the metal oxide varistor (MOV) is among the main protection devices, characterized by its high nonlinearity. Figure 4 shows the operating curve of a MOV with a maximum withstand voltage of 283 kV to protect a 55.62 μF capacitor bank.
A simplified system is represented in Figure 5. When the overvoltage across the capacitor reaches or exceeds the trigger level, the varistor starts conducting, diverting the current. After the fault is eliminated, the operating conditions are restored. The spark gap starts conducting to protect the varistor when the voltage reaches a predetermined limit, and the circuit breaker is closed if the varistor’s temperature limit is exceeded, preventing equipment damage due to overheating.

2.3. Position of Capacitors in the Transmission Line

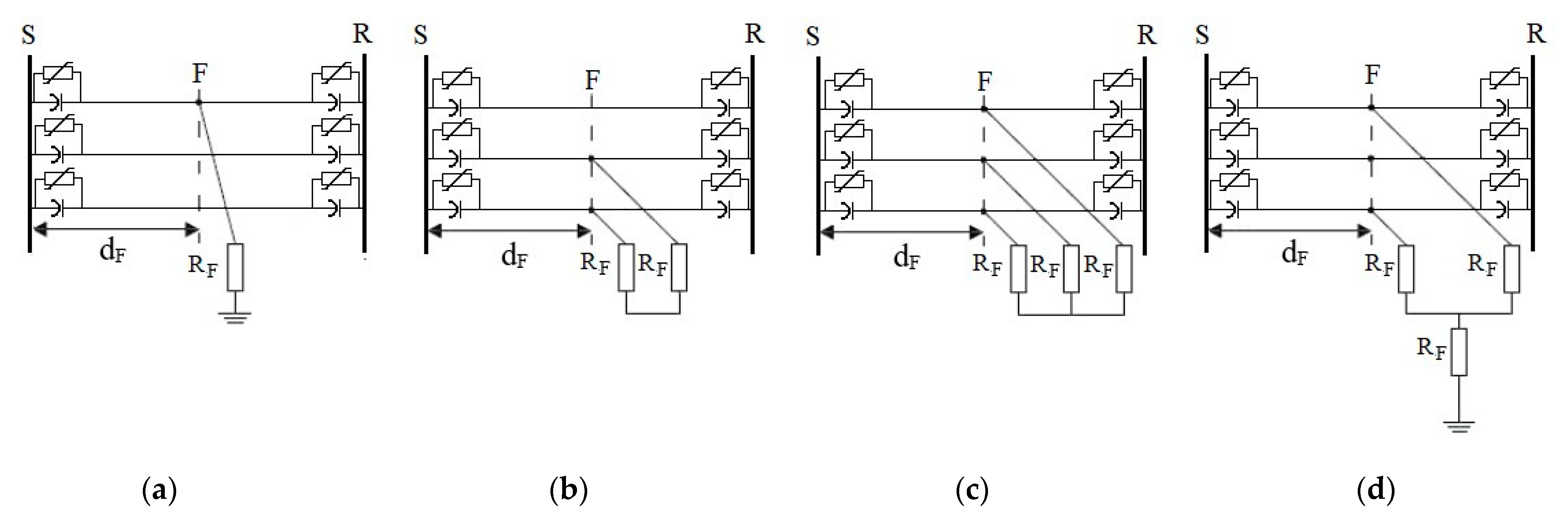
The location of the capacitor affects the voltage profile, which smoothly varies along the line with normal load current but undergoes a sudden change at the equipment location. As described in [5,20], the capacitor’s position also alters the line segment where a fault would cause voltage inversion, current inversion, or subsynchronous oscillation. The four general positions of the CB are shown in Figure 6. The equipment can be inserted at one or both ends of the line or along the line, such as at the midpoint or one-third of its length [21]. From the perspective of the voltage profile, placing capacitors in the middle of the line is more effective. However, in practice, compensation at the line’s ends is more common, as installing capacitors along the line requires the construction of a substation to accommodate the CB and its protection and control equipment.

3. Steps of the Process

Before solving the fault location problem by minimizing the objective function, preprocessing routines are applied to prepare the data. Figure 7 presents the basic steps involved in the algorithm’s development.
The process begins with reading the voltage and current data from the line’s two terminals, obtained from simulations such as an ATP output file or from recorders installed in substations in COMTRADE format [22]. Next, the fault instant is determined, allowing the separation of the pre-fault and fault periods. The preconditioning of the signals starts with low-pass filtering, removing higher frequencies using a 2nd order Butterworth filter at 100 Hz. After this step, the sampling frequency of 16 points per cycle at the fundamental frequency is obtained through data interpolation [23]. The least squares method of [24] is used to estimate the phasors associated with the fundamental frequency. The next step is fault classification, where the voltage and current phasors involved in the short circuit and the objective function to be used by the algorithm in the fault location are selected. An example of the fault detection and classification steps is presented in [25]. At the end of the described steps, the voltage and current data are used to minimize the objective function (F), which estimates the distance to the fault point. The steps indicated in Figure 7 were implemented in the MATLAB software (Version 9.4–R2018a, MathWorks).

4. Proposed Optimization Algorithm

4.1. Fault Dynamics

In modeling the problem, it is necessary to consider the dynamics of the capacitor and varistor sets. To illustrate the process, the single-line diagram of a transmission line that connects the electrical substation of the city of S. J. Piauí and the power station of Sobradinho, in the Northeast region of Brazil with a length of 211 km, 500 kV, and 70% compensation (XCN = 47.69 Ω), is represented in Figure 8.
Field data from an actual BCG fault that occurred on this line is presented in Figure 9. The oscillogram was obtained from the digital disturbance recorder at substation S. J. Piauí, where the capacitor bank is installed.
Figure 10 provides a detailed view of the currents in the transmission line, spark gap, capacitor bank, and MOV (The voltage–current characteristic is represented in Figure 4) for phases B and C, corresponding to the BC fault shown in Figure 9.
Based on the values from Figure 10, the phasors associated with the fundamental frequency are estimated, and the results are presented in Figure 11. In the figure, there is a representation of the current threshold of the MOV (or protective current) Ith with a value equal to 1750 A.
In phase B, between 0.191 s and 0.232 s, varistor conduction is observed. At 0.210 s, the spark gap triggers and remains active until the fault is cleared at 0.265 s. In phase C, varistor conduction starts at 0.194 s and continues until 0.265 s. The current flows through the capacitor for 0.233 s. It is noted that there was no spark gap conduction, which may have caused overheating of the varistor.

4.2. Capacitor/Varistor Set Modeling

During a fault, when the voltage at the capacitor terminals reaches the operational limit due to the maximum allowable current, the varistor starts conducting, diverting part of the current. Due to its nonlinear properties, the MOV conducts current only during a portion of each half-cycle while protecting the capacitor from overvoltage. Considering the short-circuit period where there is no spark gap conduction and no bypass breaker for thermal protection of the varistor, mathematical modeling of the event is proposed by Goldsworthy [10]. In this model, the overlap of the currents in the capacitor and the MOV is equivalent to the fault current of the line, and although the capacitor is placed in parallel with a highly nonlinear device, the resulting total current through the obtained equivalent remains sinusoidal. The model, represented in Figure 12, considers a series circuit where the equivalent resistance ( R C ) and reactance ( X C ) of the set are functions of the line current and can be determined from the representation of the electrical system in an electromagnetic transient program.
Values of currents ranging from one to six times the capacitor’s rated current are used to obtain polynomial approximations of R C   and X C as functions of the short-circuit current [10], given by Equations (6) and (7), respectively, where I p u = i L I t h is the ratio of the transmission line current to the varistor’s conducting current threshold.
R C = X C N 0.0745 + 0.49 e 0.243 I p u 35.0 e 5.01 I p u 0.6 e 1.4 I p u
X C = X C N ( 0.1010 0.0057 I p u + 2.088 e 0.8566 I p u )
In Figure 13, the behavior of R C and X C can be observed. The current of 1 pu represents the maximum allowable value in the capacitor without varistor conduction, meaning the current is lower than I t h . For values below Ipu, the model is equivalent to the fixed capacitor reactance of the compensation. Typically, the capacitor’s protective level current is equal to 2 to 2.5 times the rated current of the capacitor. If I p u < 1 , the MOV is out of the circuit, and Z e q = −j X C N .
As the current increases, the capacitive reactance of the model decreases and the resistance value increases, indicating that the higher the current, the longer the varistor conduction time and the lower the effective impedance of the system. When the current reaches very high values, the system becomes more resistive, with a low percentage of capacitive reactance remaining. An analysis of Equations (6) and (7) shows that to obtain R C and X C , the nominal capacitance value and the current threshold are required, which is the same current I t h   at which MOV conduction starts.

4.3. Development of Objective Functions

The proposed objective functions for the problem are developed considering the fact that the voltages along a transmission line, calculated from terminals S and R, are equal at the fault point. Figure 14 represents a single-phase transmission line of length ℓ, compensated at both ends, with a fault at a distance d F from terminal S.
The voltages at points S’ and R’ are given respectively by Equations (8) and (9), with Z e q 1 e Z e q 2 obtained from Equations (10) and (11), using Equations (12)–(15).
V S = V S Z e q 1 I S
V R = V R Z e q 2 I R
Z e q 1 = R C 1 j X C 1
Z e q 2 = R C 2 j X C 2
R C 1 = X C N 0.0745 + 0.49 e 0.243 I S / I t h 35.0 e 5.01 I S / I t h 0.6 e 1.4 I S / I t h
X C 1 = X C N 0.1010 0.0057 I S / I t h + 2.088 e 0.8566 I S / I t h
R C 2 = X C N 0.0745 + 0.49 e 0.243 I R / I t h 35.0 e 5.01 I R / I t h 0.6 e 1.4 I R / I t h
X C 2 = X C N 0.1010 0.0057 I R / I t h + 2.088 e 0.8566 I R / I t h
Determining the R C and X C are essential for the proposed formulation. X C N , I S and I R values are input data. The I t h current and the fault distance d F are considered problem variables. Figure 15 represents the transmission line from Figure 14 with the linearized models of the capacitor/MOV set.
Usually, the currents I S and I R during a fault are different. Thus, R C 1 R C 2 and X C 1 X C 2 . The value obtained in the R C calculation is important in solving the problem. If it is negative, it means that the short circuit was not sufficient for the conduction of the MOV. In this case, the reactance value of the capacitor bank should be adopted, resulting in Equations (16) and (17).
Z e q 1 = j X C N
Z e q 2 = j X C N
The voltage calculated along the line from points S’ e R’ is obtained by Equations (18) and (19), where γ is the propagation constant and Z C is the characteristic impedance.
V S F ( d F ) = c o s h ( γ d F ) V S Z C s i n h ( γ d F ) I S
V R F ( d F ) = c o s h [ γ ( l d F ) ] V R Z C s i n h [ γ ( l d F ) ] I R
For a three-phase system, V S   a n d   V R are vectors of order 3 × 1, Equations (20) and (21), the propagation matrix constant γ ~ and the characteristic Z ~ C of order 3 × 3. The voltages along the transmission line are obtained using the matrix representations in Equations (22) and (23).
V ¯ a b c , S = R C 1 a , s j X C 1 a , s R C 1 b , s j X C 1 b , s R C 1 c , s j X C 1 c , s I a , s I b , s I c , s
V ¯ a b c , R = R C 2 a , R j X C 2 a , R R C 2 b , R j X C 2 b , R R C 2 c , R j X C 2 c , R I a , R I b , R I c , R
V ¯ a b c , S F d F = e γ ~ d F + e γ ~ d F 2 V ¯ a b c , S + e γ ~ d F e γ ~ d F 2 Z ~ C I ¯ a b c , S
V ¯ a b c , R F d F = e γ ~ ( l d F ) + e γ ~ ( l d F ) 2 V ¯ a b c , R + e γ ~ ( l d F ) e γ ~ ( l d F ) 2 Z ~ C I ¯ a b c , R
The distance to the fault point and the varistor trip current are obtained based on the type of fault, with the minimization of one of the objective functions expressed in Table 1.
The advantage of the proposed objective functions is that they do not rely on data from equivalent terminal sources or the manufacturer’s current/voltage characteristic curve for the varistors protecting the capacitors. In other words, the fault location solution can be achieved with the same information as a line without compensation, as in the classic method of Johns and Jamali [7], only requiring the nominal reactance value of the CB.
A detailed analysis of the functions in Table 1 reveals that they are quasi-convex functions that can be subjected to nonlinear optimization (NLO) techniques for minimization purposes.

4.4. Techniques Applied to Fault Location

The proposed NLO problem involves the minimization of a nonlinear objective function f : D f R n R , over all vectors, x D f   to find a particular solution x * D f R n such that x D f , f ( x * ) f x as described in [26]. In this context, fault location can be estimated by minimizing one of the functions F d F , I t h presented in Table 1, and it is conducted as in Algorithm 1. Initially, a set of points d F , I t h D f is randomly generated to compose a population of candidate individuals for possible minimization solutions. In an iterative process, genetic crossover and mutation operators, followed by evaluation and selection processes, are executed to generate a surviving population. Each evaluation results in a fitness value relative to the value of F d F , I t h , and is associated with the possibility of the individual remaining in the surviving population. The evolution of the population over iterations occurs according to an established stopping criterion, and the algorithm returns a set of individuals in a region close to the optimal point.
Algorithm 1. Genetic Algorithm (x)
Energies 16 05595 i001
The polarized real genetic algorithm (PRGA) described in [27] was used for the minimization. In this algorithm, the population is divided into two parts to form pairs, with a 50% probability of crossover occurring. When a crossover is performed, two new individuals are generated according to the law expressed in Equation (24), where x g   is the newly generated individual and e, x 1 e x 2 are the ancestral individuals.
x g = α x 1 + 1 τ x 2   , 0.1 < τ < 1.1
The probability of the first individual being chosen in a polarized manner is 30%. If the crossover is not polarized, τ is adopted with a uniform probability distribution is adopted within the range of possible values for the newly generated individuals. If it is polarized, θ 1 e θ 2 are randomly and independently chosen with a uniform probability distribution in the interval between 0 and 1, according to Equation (25). The second individual is always chosen without polarization. This process ensures that the new individuals are generated within a line segment that contains the points x 1 e x 2 .
τ = 1.4 · θ 1 · θ 2 0.2
The selection of a new population is considered elitism. If the best individual has not been selected to be part of the next population, it is reintroduced by randomly excluding another element. Additionally, if a solution is located outside the search space, it is reflected back into the feasible region. Figure 16 corresponds to the last generation of the PRGA execution for a simulated fault 12.8 km from the terminal of a compensated transmission line of 256 km.

5. Fault Location: Simulated Cases

The electrical system used to generate the results of the proposed methodology is based on data from a 256 km transmission line in the central–west region of Brazil. The single-line diagram and the typical tower are represented in Figure 17 and Figure 18.
Figure 19 shows the ATP circuit used to generate fault files for the Serra da Mesa 1—Gurupi line, with the aim of applying and evaluating the developed method. Each of the two CBs has a capacitance of 135 µF, allowing for a compensation close to 60%. The transmission line model used was the distributed and frequency-variable parameter model by Martí [28].
From the ATP, variations in the location of the short circuit were simulated every 10% of the line length, along with the RF value and different types of faults. The fault model is represented in Figure 20.
In Table 2, the electrical parameters for the terminal sources and an ideally transposed transmission line with a soil resistivity of 1000 Ωm and a frequency of 60 Hz are presented.
In the event of a fault, after the detection and classification steps, the PRGA is applied to locate the fault. Figure 21 shows the objective function graph for a simulated AG fault, which occurred at 176.4 km.
Figure 22 shows the percentage location errors obtained for BC, ABC, AG, and ACG faults, simulated every 10% of the 256 km transmission line length, calculated as a function of the total transmission line length, according to Equation (26).
E r r o r ( % ) = ( e s t i m a t e d l o c a t i o n s i m u l a t e d l o c a t i o n ) × 100 l i n e l e n g t h
Figure 23 shows the current threshold for MOV—Ith which was obtained in the minimization of the objective function for the AG faults in Figure 22. The MOV remains the same for all simulations; however, the value of Ith, due to errors in the data preprocessing process and the minimization of the objective function, is estimated with different values, but around 2000 A. The errors obtained in the fault location process are less than 1.3%, even for high fault resistance values, which is acceptable in this engineering problem.
Table 3 shows the average and maximum errors obtained for the faults in Figure 22.
In Table 4, the errors for simulated AT faults in ATP are presented for a resistivity of 100 Ωm, but using the transmission line parameters from Table 2, they are obtained for a resistivity of 1000 Ω. With this change, there was a slight increase in errors, but they remained close to 1%. Regarding data synchronization, with a 30-degree angular difference between the currents and voltages at the line terminals, the errors increased significantly. One solution to this problem is to synchronize the measured values at both terminals using the line parameters and pre-fault measurements. Another approach, as proposed in [29], also allows for unsynchronized data.

6. Fault Location: Real Cases

The proposed method was applied to locate faults on the 211 km compensated transmission line of item 4.1 caused by atmospheric discharge using oscillograms provided by a Brazilian power utility. The results are in Table 5.

7. Conclusions

This paper presents a new proposal for fault location in transmission lines with series capacitors. Analytically, objective functions dependent on various fault types were developed, considering the modifications caused by the inclusion of series capacitors together with protective varistors, which exhibit nonlinear behavior. When minimized, these functions estimate the fault location and the current at which the varistors initiate conduction to protect the capacitors against overvoltage.
Compared to the fault location process in uncompensated transmission lines, the proposed method only requires additional information on the capacitor bank capacitance value, making it a simple approach regarding input parameters and feasible for field applications. The main contribution of this proposal is that it does not require knowledge of the characteristics or data of the metal oxide varistor (MOV) or the values of source impedances, simplifying the problem formulation and reducing the method’s dependence on electrical system parameters without decreasing precision in the results. The errors obtained for real fault cases indicate the viability of the methodology for applications in electric power companies. Further studies are ongoing, as it has been observed through oscillograms of real analyzed faults that it is necessary to investigate whether there is conduction through the spark gap during the fault, diverting the current from the capacitor and the MOV, which can influence the voltage and current data window used in the problem. The application of the method to systems with thyristor-controlled series capacitors (TCSC) is also being evaluated.

Author Contributions

Conceptualization, E.G.D.S., S.A.R., R.T.N.C., and A.-S.A.L.; methodology, E.G.D.S., S.A.R., and R.T.N.C.; validation, E.G.D.S. and S.A.R.; formal analysis, E.G.D.S., S.A.R., and A.-S.A.L.; writing—original draft preparation, E.G.D.S. and S.A.R.; writing—review and editing, E.G.D.S. and S.A.R.; supervision, R.T.N.C. and A.-S.A.L. All authors have read and agreed to the published version of the manuscript.

Funding

This research received no external funding. The APC was funded by Centro Federal de Educação Tecnológica de Minas Gerais.

Data Availability Statement

The data that support the findings of this study are available upon request from the authors.

Acknowledgments

The author would like to Companhia Hidro Elétrica do São Francisco–Eletrobras Chesf for providing the data and thus contributing to the research and the validation of the methods applied.

Conflicts of Interest

The authors declare no conflict of interest.

References

  1. Anderson, P.M.; Henville, F.C.; Rifaat, R.; Johnson, B.; Meliopoulos, S. Series-Compensated Line Protection. In Power System Protection, 2nd ed.; Wiley-IEEE Press: Moscow, Russia, 2022; pp. 575–642. [Google Scholar]
  2. Taheri, R.; Eslami, M.; Damchi, Y. Single-end current-based algorithm for fault location in series capacitor compensated transmission lines. Int. J. Electr. Power Energy Syst. 2020, 123, 106254. [Google Scholar] [CrossRef]
  3. Ghazizadeh-Ahsaee, M. Time-domain based fault location for series compensated transmission lines without requiring fault type. Electr. Power Syst. Res. 2020, 181, 106171. [Google Scholar] [CrossRef]
  4. Chen, K.; Huang, C.; He, J. Fault detection, classification and location for transmission lines and distribution systems: A review on the methods. High Volt. 2016, 1, 25–33. [Google Scholar] [CrossRef]
  5. Bains, T.P.S.; Sidhu, T.S.; Xu, Z.; Voloh, I.; Zadeh, M.R.D. Impedance-Based Fault Location Algorithm for Ground Faults in Series-Capacitor-Compensated Transmission Lines. IEEE Trans. Power Deliv. 2018, 33, 189–199. [Google Scholar] [CrossRef]
  6. EMTP Center. Alternative Transients Program Rule Book; EMTP Center: Leuven, Belgium, 1990. [Google Scholar]
  7. Johns, A.T.; Jamali, S. Accurate Fault Location Technique for Power Transmission Line. IEEE Proc. 1990, 137, 395–402. [Google Scholar] [CrossRef]
  8. Ordóñez, C.A.; Gómez-Expósito, A.; Maza-Ortega, J.M. Series Compensation of Transmission Systems: A Literature Survey. Energies 2021, 14, 1717. [Google Scholar] [CrossRef]
  9. Manassero Junior, G.; Di Santo, S.G.; Rojas, D.G. Fault location in series-compensated transmission lines based on heuristic method. Electr. Power Syst. Res. 2016, 140, 950–957. [Google Scholar] [CrossRef]
  10. Goldsworthy, D.L. A Linearized Model for Mov-Protected Series Capacitors. IEEE Trans. Power Syst. 1987, 2, 953–957. [Google Scholar] [CrossRef]
  11. Firouzjah, K.G. Fault Location for Transmission Lines Compensated with MOV-Protected Series Capacitors using Voltage Phasors. IET Sci. Meas. Technol. 2019, 13, 392–402. [Google Scholar] [CrossRef]
  12. Di Santo, S.G.; Albertini, A.D.R.; Tiferes, R.R. Optimization-Based Fault Location Algorithm for Series-Compensated Power Transmission Lines. IEEE Access 2022, 10, 46864–46877. [Google Scholar] [CrossRef]
  13. Huynh, D.C.; Truong, T.H.; Dunnigan, M.W. Fault Location on Series-Compensated Transmission Lines of a Power System. In Proceedings of the IEEE 2nd International Conference on Smart Technologies for Power, Energy and Control, Bilaspur, Chhattisgarh, India, 19–22 December 2021; pp. 1–6. [Google Scholar]
  14. Zakonjšek, J.; Bapuji, S.; Aggarwal, R.K.; Krebs, R. Protection, Control and Monitoring of Series Compensated Networks. Cigré 2010, 10, 209–266. [Google Scholar]
  15. Gatta, F.M.; Lauria, D.; Quaia, S.; Lauria, S. Analytical Methods for Series Compensation of a Transmission Line. Int. J. Electr. Power Energy Syst. 2023, 145, 108647. [Google Scholar] [CrossRef]
  16. Zhang, X.-P.; Rehtanz, C.; Pal, B. Flexible AC Transmission Systems: Modelling and Control; Springer: Berlin/Heidelberg, Germany, 2012; pp. 1–26. [Google Scholar]
  17. Hingorani, N.G.; Gyugyi, L. Static Series Compensators: GCSC, TSSC, TCSC, and SSS. In Understanding FACTS: Concepts and Technology Flexible AC Transmission Systems, 1st ed.; Wiley-IEEE Press: New York, NY, USA, 2000. [Google Scholar]
  18. Altuve, H.J.; Mooney, J.B.; Alexander, G.E. Advances in series-compensated line protection. In Proceedings of the 2009 62nd Annual Conference for Protective Relay Engineers, College Station, TX, USA, 30 March–2 April 2009; pp. 263–275. [Google Scholar]
  19. IEEE PC37.116/D1.13; IEEE Guide for Protective Relay Application to Transmission-Line Series Capacitor Banks. IEEE: Piscataway, NJ, USA, 2018; pp. 1–96.
  20. Hoq, M.T.; Taylor, N. Distance Protection of Series Capacitor Compensated Lines: Practical Considerations, Industrial Status and Development. Electricity 2021, 2, 168–186. [Google Scholar] [CrossRef]
  21. Sahani, M.; Dash, P.K. Fault location estimation for series-compensated double-circuit transmission line using parameter optimized variational mode decomposition and weighted P-norm random vector functional link network. Appl. Soft Comput. 2019, 85, 105860. [Google Scholar] [CrossRef]
  22. IEEE Std C37.111-2013 (IEC 60255-24 Edition 2.0); IEEE/IEC Measuring Relays and Protection Equipment—Part 24: Common Format for Transient Data Exchange (COMTRADE) for Power Systems. IEEE: Piscataway, NJ, USA, 2013; pp. 1–73.
  23. Phadke, A.G.; Thorp, J.S. Computer Relaying for Power Systems; John Wiley & Sons: New York, NY, USA, 1998; pp. 1–289. [Google Scholar]
  24. Sachdev, M.S.; Baribeau, M.A. A New Algorithm for Digital Impedance Relays. IEEE Trans. Power Appar. Syst. 1979, 6, 2232–2240. [Google Scholar] [CrossRef]
  25. Silveira, E.G.; Paula, H.R.; Rocha, S.A.; Pereira, C.S. Hybrid fault diagnosis algorithms for transmission lines. Electr. Eng. 2018, 100, 1689–1699. [Google Scholar] [CrossRef]
  26. Luenberger, D.G.; Ye, Y. Linear and Nonlinear Programming; Springer: Berlin/Heidelberg, Germany, 2008. [Google Scholar]
  27. Takahashi, R.H.C.; Vasconcelos, J.A.; Ramiraz, A.; Krahenbuhl, L. A multiobjective methodology for evaluating genetic operators. IEEE Trans. Magn. 2003, 39, 1321–1324. [Google Scholar] [CrossRef]
  28. Yu, T.C.; Martí, J.R. A robust phase-coordinates frequency-dependent underground cable model (zCable) for the EMTP. IEEE Trans. Power Deliv. 2003, 18, 189–194. [Google Scholar] [CrossRef]
  29. Silveira, E.G.; Pereira, C.S. Transmission Line Fault Location Using Two-Terminal Data Without Time Synchronization. IEEE Trans. Power Syst. 2007, 22, 498–499. [Google Scholar] [CrossRef]
Figure 1. Effect of conductor temperature on sag.
Figure 1. Effect of conductor temperature on sag.
Energies 16 05595 g001
Figure 2. Power limits of a transmission line.
Figure 2. Power limits of a transmission line.
Energies 16 05595 g002
Figure 3. Influence of the degree of compensation on the transmitted active power.
Figure 3. Influence of the degree of compensation on the transmitted active power.
Energies 16 05595 g003
Figure 4. Voltage-current characteristics of a MOV.
Figure 4. Voltage-current characteristics of a MOV.
Energies 16 05595 g004
Figure 5. Capacitor bank protection by varistors.
Figure 5. Capacitor bank protection by varistors.
Energies 16 05595 g005
Figure 6. Capacitor bank general positions: (a) at one end of the line. (b) in the middle of the line. (c) at one end of the line. (d) at both ends of the line.
Figure 6. Capacitor bank general positions: (a) at one end of the line. (b) in the middle of the line. (c) at one end of the line. (d) at both ends of the line.
Energies 16 05595 g006
Figure 7. Flowchart of the fault location process.
Figure 7. Flowchart of the fault location process.
Energies 16 05595 g007
Figure 8. Compensated line transmission—Brazil’s electrical system.
Figure 8. Compensated line transmission—Brazil’s electrical system.
Energies 16 05595 g008
Figure 9. Voltages and currents for a BCG fault.
Figure 9. Voltages and currents for a BCG fault.
Energies 16 05595 g009
Figure 10. Currents in the transmission line, capacitor bank, and in protective equipment—BCG fault. (a) Phase B. (b) Phase C.
Figure 10. Currents in the transmission line, capacitor bank, and in protective equipment—BCG fault. (a) Phase B. (b) Phase C.
Energies 16 05595 g010aEnergies 16 05595 g010b
Figure 11. Dynamics of real short-circuit—Current phasor module: (a) Phase B. (b) Phase C.
Figure 11. Dynamics of real short-circuit—Current phasor module: (a) Phase B. (b) Phase C.
Energies 16 05595 g011aEnergies 16 05595 g011b
Figure 12. Linearized model for the impedance of a varistor.
Figure 12. Linearized model for the impedance of a varistor.
Energies 16 05595 g012
Figure 13. Effective resistance and reactance of the capacitor and MOV set. (a) R C . (b) X C .
Figure 13. Effective resistance and reactance of the capacitor and MOV set. (a) R C . (b) X C .
Energies 16 05595 g013
Figure 14. Fault event on a series compensated transmission line.
Figure 14. Fault event on a series compensated transmission line.
Energies 16 05595 g014
Figure 15. Impedance model for the series capacitor–MOV.
Figure 15. Impedance model for the series capacitor–MOV.
Energies 16 05595 g015
Figure 16. Fault location and MOV conduction current: PRGA.
Figure 16. Fault location and MOV conduction current: PRGA.
Energies 16 05595 g016
Figure 17. Partial single-line diagram of the studied system.
Figure 17. Partial single-line diagram of the studied system.
Energies 16 05595 g017
Figure 18. Typical transmission tower.
Figure 18. Typical transmission tower.
Energies 16 05595 g018
Figure 19. Model in ATP for short-circuit simulation on compensated lines.
Figure 19. Model in ATP for short-circuit simulation on compensated lines.
Energies 16 05595 g019
Figure 20. Types of faults: (a) AG (b) BC (c) ABC (d) ACG.
Figure 20. Types of faults: (a) AG (b) BC (c) ABC (d) ACG.
Energies 16 05595 g020
Figure 21. Objective function: fault BG.
Figure 21. Objective function: fault BG.
Energies 16 05595 g021
Figure 22. Location errors.
Figure 22. Location errors.
Energies 16 05595 g022
Figure 23. Ith values for AT faults.
Figure 23. Ith values for AT faults.
Energies 16 05595 g023
Table 1. Objective functions: fault location on compensated lines.
Table 1. Objective functions: fault location on compensated lines.
Type of Fault F d F , I t h
AG | V ¯ a , S F V ¯ a , R F |
BG V ¯ b , S F V ¯ b , R F
CG V ¯ c , S F V ¯ c , R F
AB/ABG V ¯ a , S F V ¯ a , R F + V ¯ b , S F V ¯ b , R F
AC/ACG V ¯ a , S F V ¯ a , R F + V ¯ c , S F V ¯ c , R F
BC/BCG V ¯ b , S F V ¯ b , R F + V ¯ c , S F V ¯ c , R F
ABC V ¯ a , S F V ¯ a , R F + V ¯ b , S F V ¯ b , R F + V ¯ c , S F V ¯ c , R F
Table 2. Line and source parameters used for simulations.
Table 2. Line and source parameters used for simulations.
ElementPositive SequenceZero Sequence
r1 (ohm)x1 (ohm)c1 (nF)r0 (ohm)x0 (ohm)c0 (nF)
Line4.082968.24094156.02104.4487371.24351858.68
Send source (ZS)1.014.0226-0.7519.0-
Remote source (ZR)15.25125.0-18.5133.9999-
Table 3. Fault distance errors—Simulated cases.
Table 3. Fault distance errors—Simulated cases.
DescriptionType of Fault
BCABCAGACG
RF (ohms)02.5502.55030100030100
Average error (%)0.660.720.830.550.530.630.270.10.390.440.360.26
Maximum error (%)0.931.011.130.810.860.910.430.390.750.770.540.50
Table 4. Fault distance errors: zero sequence and data synchronization.
Table 4. Fault distance errors: zero sequence and data synchronization.
FaultAverage Error (%)Maximum Error (%)
zero sequence0.561.23
Data nonsynchronized13.3432.07
Table 5. Fault distance errors—Real cases.
Table 5. Fault distance errors—Real cases.
LineVoltage (kV)Length (km)TypeLocation (km)Inspection Results (km)Error (%)
1500211AG7.17.00.05
BCG129.38132.321.39
Disclaimer/Publisher’s Note: The statements, opinions and data contained in all publications are solely those of the individual author(s) and contributor(s) and not of MDPI and/or the editor(s). MDPI and/or the editor(s) disclaim responsibility for any injury to people or property resulting from any ideas, methods, instructions or products referred to in the content.

Share and Cite

MDPI and ACS Style

Rocha, S.A.; Cardoso, R.T.N.; Da Silveira, E.G.; Luiz, A.-S.A. Application of Nonlinear Optimization for Fault Location in Transmission Lines with Series Compensation Protected by Varistors. Energies 2023, 16, 5595. https://doi.org/10.3390/en16155595

AMA Style

Rocha SA, Cardoso RTN, Da Silveira EG, Luiz A-SA. Application of Nonlinear Optimization for Fault Location in Transmission Lines with Series Compensation Protected by Varistors. Energies. 2023; 16(15):5595. https://doi.org/10.3390/en16155595

Chicago/Turabian Style

Rocha, Simone Aparecida, Rodrigo Tomas Nogueira Cardoso, Eduardo Gonzaga Da Silveira, and Alex-Sander Amavel Luiz. 2023. "Application of Nonlinear Optimization for Fault Location in Transmission Lines with Series Compensation Protected by Varistors" Energies 16, no. 15: 5595. https://doi.org/10.3390/en16155595

APA Style

Rocha, S. A., Cardoso, R. T. N., Da Silveira, E. G., & Luiz, A.-S. A. (2023). Application of Nonlinear Optimization for Fault Location in Transmission Lines with Series Compensation Protected by Varistors. Energies, 16(15), 5595. https://doi.org/10.3390/en16155595

Note that from the first issue of 2016, this journal uses article numbers instead of page numbers. See further details here.

Article Metrics

Back to TopTop