Analysis of Interharmonics Generation in Induction Motors Driven by Variable Frequency Drives and AC Choppers
Abstract
1. Introduction
2. Theoretical Background
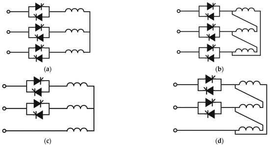
2.1. AC Chopper or Soft Starter on Induction Motor
2.2. Interharmonics on Variable Speed Drives
2.3. Torsional Analysis
2.4. Time-Frequency Analysis Based on Wavelet Synchrosqueezing Transform and Clustering Method
3. Methodology
4. Results
4.1. Preliminary Results
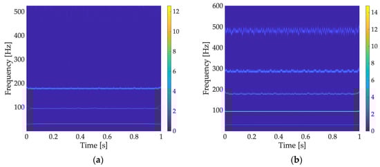
4.2. Interharmonics Generated by Soft Starter
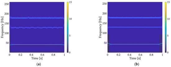
4.3. Voltage Interharmonics on Induction Motors Generated by VFDs
4.4. Input Current Interharmonics Generated by ADS
4.5. Interharmonic Mitigation Strategies in AC Drives
5. Discussion
6. Conclusions
Author Contributions
Funding
Data Availability Statement
Conflicts of Interest
References
- Yang, J.; Wang, T.; Wang, Z. Analysis of subsynchronous oscillation propagation characteristics caused by interharmonics in wind integrated power system. In Proceedings of the 2019 IEEE Power Energy Society General Meeting (PESGM), Atlanta, GA, USA, 4–8 August 2019; pp. 1–5. [Google Scholar]
- Zhang, X.P.; Yan, Z. Energy quality: A definition. IEEE Open Access J. Power Energy 2020, 7, 430–440. [Google Scholar] [CrossRef]
- Drapela, J.; Halpin, M.; Langella, R.; Meyer, J.; Mueller, D.; Sharma, H.; Testa, A.; Watson, N.R.; Zech, D. Issues and challenges related to interharmonic distortion limits. In Proceedings of the 2020 19th International Conference on Harmonics and Quality of Power (ICHQP), Dubai, United Arab Emirates, 6–7 July 2020; pp. 1–6. [Google Scholar]
- Testa, A.; Akram, M.F.; Burch, R.; Carpinelli, G.; Chang, G.; Dinavahi, V.; Xu, W. Interharmonics: Theory and modeling. IEEE Trans. Power Deliv. 2007, 22, 2335–2348. [Google Scholar] [CrossRef]
- Kůs, V.; Peroutka, Z.; Drabek, P. Non-characteristic harmonics and interharmonics of power electronic converters. In Proceedings of the CIRED 2005-18th International Conference and Exhibition on Electricity Distribution, Turin, Italy, 6–9 June 2005; pp. 1–5. [Google Scholar]
- Geethalakshmi, B.; Babu, K.; Santhoshma, S.S. Analysis of interharmonics in conventional and matrix converter fed adjustable speed drives. In Proceedings of the 2012 IEEE 5th India International Conference on Power Electronics (IICPE), Delhi, India, 6–8 December 2012; pp. 1–6. [Google Scholar]
- Ravindran, V.; Busatto, T.; Rönnberg, S.K.; Meyer, J.; Bollen, M.H. Time-varying interharmonics in different types of grid-tied PV inverter systems. IEEE Trans. Power Deliv. 2019, 35, 483–496. [Google Scholar] [CrossRef]
- Ravindran, V.; Rönnberg, S.K.; Bollen, M.H. Interharmonics in PV systems: A review of analysis and estimation methods; considerations for selection of an apt method. IET Renew. Power Gener. 2019, 13, 2023–2032. [Google Scholar] [CrossRef]
- Sangwongwanich, A.; Blaabjerg, F. Interharmonics reduction in photovoltaic systems with random sampling MPPT technique. In Proceedings of the 2019 IEEE Energy Conversion Congress and Exposition (ECCE), Baltimore, MD, USA, 29 September–3 October 2019; pp. 4760–4765. [Google Scholar]
- Chen, W.; Yu, X.; Han, X.; Jia, Y.; Chang, X.; Guo, X. Analysis of forced SSOs excited by subsynchronous interharmonics from DPMSG-based wind farms. IEEE Trans. Sustain. Energy 2020, 12, 978–989. [Google Scholar] [CrossRef]
- Monteiro, H.L.; Camponogara, Â.; Ribeiro, M.V.; Duque, C.A.; Poor, H.V. A DFT-based method for estimating interharmonics in wind power generation. IET Smart Grid 2022, 5, 332–346. [Google Scholar] [CrossRef]
- Hou, J.; Ding, G.; Wu, C.; Pan, Z.; Wang, J. An Interharmonic Suppression Control Scheme in PV System Based on DC-Link Voltage Perturbation Reduction. In Proceedings of the 2021 IEEE 5th Conference on Energy Internet and Energy System Integration (EI2), Taiyuan, China, 22–24 October 2021; pp. 2695–2700. [Google Scholar]
- Mao, M.; Xu, Z.; Li, J.; Li, H. A Phase-shifting DC-link Voltage Control Strategy for Parallel Inverters to Suppress Interharmonics in PV Systems. IEEE J. Emerg. Sel. Top. Power Electron. 2023, 11, 3163–3172. [Google Scholar] [CrossRef]
- Feola, L.; Langella, R.; Papič, I.; Testa, A. Selective interharmonic compensation to improve statcom performance for light flicker mitigation. IEEE Trans. Power Deliv. 2018, 33, 2442–2451. [Google Scholar] [CrossRef]
- Stewart, B.G. Modelling harmonic propagation in HVDC system power cables. In Proceedings of the 2021 IEEE Electrical Insulation Conference (EIC), Denver, CO, USA, 7–28 June 2021; pp. 202–205. [Google Scholar]
- San Martin, J.; Pontt, J.; Bello, F.; Aguilera, R. Interharmonics power losses estimation in power transformer fed high power cycloconverter drive. In Proceedings of the 2008 IEEE Industry Applications Society Annual Meeting, Edmonton, AB, Canada, 5–9 October 2018; pp. 1–5. [Google Scholar]
- Aravena, P.; Morán, L.; Dixon, J.; Joos, G. Active compensation of sub and interharmonics in cycloconverter-fed grinding mill drives. In Proceedings of the 2010 IEEE Industry Applications Society Annual Meeting, Houston, TX, USA, 3–7 October 2010; pp. 1–5. [Google Scholar]
- Uz-Logoglu, E.; Salor, O.; Ermis, M. Real-time detection of interharmonics and harmonics of AC electric arc furnaces on GPU framework. IEEE Trans. Ind. Appl. 2019, 55, 6613–6623. [Google Scholar] [CrossRef]
- Lin, H.C. Sources, effects, and modelling of interharmonics. Math. Probl. Eng. 2014, 2014, 730362. [Google Scholar] [CrossRef]
- Tayjasanant, T.; Wang, W.; Li, C.; Xu, W. Interharmonic-flicker curves. IEEE Trans. Power Deliv. 2005, 20, 1017–1024. [Google Scholar] [CrossRef]
- Tayjasanant, T.; Xu, W. A case study of flicker/interharmonic problems caused by a variable frequency drive. In Proceedings of the 2004 11th International Conference on Harmonics and Quality of Power, Lake Placid, NY, USA, 12–15 September 2004; pp. 72–76. [Google Scholar]
- Kim, T.; Rylander, M.; Powers, E.J.; Grady, W.M.; Arapostathis, A. LED lamp flicker caused by interharmonics. In Proceedings of the 2008 IEEE Instrumentation and Measurement Technology Conference, Victoria, BC, Canada, 12–15 May 2008; pp. 1920–1925. [Google Scholar]
- Saidur, R. A review on electrical motors energy use and energy savings. Renew. Sustain. Energy Rev. 2010, 14, 877–898. [Google Scholar] [CrossRef]
- Donolo, P.; Bossio, G.; De Angelo, C.; García, G.; Donolo, M. Voltage unbalance and harmonic distortion effects on induction motor power, torque and vibrations. Electr. Power Syst. Res. 2016, 140, 866–873. [Google Scholar] [CrossRef]
- Riaz, M.T.; Afzal, M.M.; Aaqib, S.M.; Ali, H. Analysis and evaluating the effect of harmonic distortion levels in industry. In Proceedings of the 2021 4th International Conference on Energy Conservation and Efficiency (ICECE), Lahore, Pakistan, 16–17 March 2021; pp. 1–7. [Google Scholar]
- Ghaseminezhad, M.; Doroudi, A.; Hosseinian, S.H.; Jalilian, A. Analysis of voltage fluctuation impact on induction motors by an innovative equivalent circuit considering the speed changes. IET Gener. Transm. Distrib. 2017, 11, 512–519. [Google Scholar] [CrossRef]
- Gnaciński, P.; Pepliński, M.; Hallmann, D. Thermal transients of induction machine under changeable voltage unbalance. In Proceedings of the 2018 XIII International Conference on Electrical Machines (ICEM), Alexandroupoli, Greece, 3–6 September 2018; pp. 1338–1343. [Google Scholar]
- Ghaseminezhad, M.; Doroudi, A.; Hosseinian, S.H.; Jalilian, A. An investigation of induction motor saturation under voltage fluctuation conditions. J. Magn. 2017, 22, 306–314. [Google Scholar] [CrossRef]
- Ghaseminezhad, M.; Doroudi, A.; Hosseinian, S.H.; Jalilian, A. Investigation of increased ohmic and core losses in induction motors under voltage fluctuation conditions. Iran. J. Sci. Technol. Trans. Electr. Eng. 2019, 43, 373–382. [Google Scholar] [CrossRef]
- Gnaciński, P.; Pepliński, M.; Murawski, L.; Szeleziński, A. Vibration of induction machine supplied with voltage containing subharmonics and interharmonics. IEEE Trans. Energy Convers. 2019, 34, 1928–1937. [Google Scholar] [CrossRef]
- Gnaciński, P.; Hallmann, D.; Muc, A.; Klimczak, P.; Pepliński, M. Induction Motor Supplied with Voltage Containing Symmetrical Subharmonics and Interharmonics. Energies 2022, 15, 7712. [Google Scholar] [CrossRef]
- Gnaciński, P.; Klimczak, P. High-Power induction motors supplied with voltage containing subharmonics. Energies 2020, 13, 5894. [Google Scholar] [CrossRef]
- Gnaciński, P.; Hallmann, D.; Klimczak, P.; Muc, A.; Pepliński, M. Effects of voltage interharmonics on cage induction motors. Energies 2021, 14, 1218. [Google Scholar] [CrossRef]
- Rifai, M.R.; Ortmeyer, T.H.; McQuillan, W.J. Evaluation of current interharmonics from AC drives. IEEE Trans. Power Deliv. 2000, 15, 1094–1098. [Google Scholar] [CrossRef]
- Gonzalez-Abreu, A.D.; Osornio-Rios, R.A.; Jaen-Cuellar, A.Y.; Delgado-Prieto, M.; Antonino-Daviu, J.A.; Karlis, A. Advances in power quality analysis techniques for electrical machines and drives: A review. Energies 2022, 15, 1909. [Google Scholar] [CrossRef]
- Riyaz, A.; Iqbal, A.; Moinoddin, S.; MoinAhmed, S.K.; Abu-Rub, H. Comparative performance analysis of Thyristor and IGBT based induction motor soft starters. Int. J. Eng. Sci. Technol. 2009, 1, 90–105. [Google Scholar] [CrossRef]
- Zenginobuz, G.; Cadirci, I.; Ermis, M.; Barlak, C. Performance optimization of induction motors during voltage-controlled soft starting. IEEE Trans. Energy Convers. 2004, 19, 278–288. [Google Scholar] [CrossRef]
- Khaledian, P.; Johnson, B.K.; Hemati, S. Harmonic mitigation and a practical study of torque harmonics in induction motor startup. In Proceedings of the 2018 IEEE Power Energy Society General Meeting (PESGM), Portland, OR, USA, 5–10 August 2018; pp. 1–5. [Google Scholar]
- Rashevskaya, M.; Yanchenko, S.; Tsyruk, S.; Kudrin, B. Assessing non-stationary power quality phenomena of induction motors. In Proceedings of the 2017 18th International Conference on Computational Problems of Electrical Engineering (CPEE), Kutna Hora, Czech Republic, 11–13 September 2017; pp. 1–4. [Google Scholar]
- Rashevskaya, M.; Yanchenko, S.; Tsyruk, S. Assessment of non-stationary harmonic distortion related to adjustable speed induction motor and soft starters. In Proceedings of the 2018 20th International Symposium on Electrical Apparatus and Technologies (SIELA), Bourgas, Bulgaria, 3–6 June 2018; pp. 1–4. [Google Scholar]
- Antonino-Daviu, J.A.; Corral-Hernandez, J.; Resina-Muñoz, E.; Climente-Alarcon, V. A study of the harmonics introduced by soft-starters in the induction motor starting current using continuous time-frequency transforms. In Proceedings of the 2015 IEEE 13th International Conference on Industrial Informatics (INDIN), Cambridge, UK, 22–24 July 2015; pp. 777–781. [Google Scholar]
- De Rosa, F.; Langella, R.; Sollazzo, A.; Testa, A. On the interharmonic components generated by adjustable speed drives. IEEE Trans. Power Deliv. 2005, 20, 2535–2543. [Google Scholar] [CrossRef]
- Chang, G.W.; Chen, S.K. An analytical approach for characterizing harmonic and interharmonic currents generated by VSI-fed adjustable speed drives. IEEE Trans. Power Deliv. 2005, 20, 2585–2593. [Google Scholar] [CrossRef]
- Soltani, H.; Davari, P.; Kumar, D.; Zare, F.; Blaabjerg, F. Effects of DC-link filter on harmonic and interharmonic generation in three-phase adjustable speed drive systems. In Proceedings of the 2017 IEEE Energy Conversion Congress and Exposition (ECCE), Cincinnati, OH, USA, 1–5 October 2017; pp. 675–681. [Google Scholar]
- Soltani, H.; Blaabjerg, F.; Zare, F.; Loh, P.C. Effects of passive components on the input current interharmonics of adjustable-speed drives. IEEE J. Emerg. Sel. Top. Power Electron. 2015, 4, 152–161. [Google Scholar] [CrossRef]
- Soltani, H.; Davari, P.; Loh, P.C.; Blaabjerg, F.; Zare, F. Input current interharmonics in adjustable speed drives caused by fixed-frequency modulation techniques. In Proceedings of the 2016 IEEE Applied Power Electronics Conference and Exposition (APEC), Long Beach, CA, USA, 20–24 March 2016; pp. 229–235. [Google Scholar]
- Soltani, H.; Davari, P.; Zare, F.; Loh, P.C.; Blaabjerg, F. Characterization of input current interharmonics in adjustable speed drives. IEEE Trans. Power Electron. 2016, 32, 8632–8643. [Google Scholar] [CrossRef]
- Soltani, H.; Davari, P.; Zare, F.; Blaabjerg, F. Effects of modulation techniques on the input current interharmonics of adjustable speed drives. IEEE Trans. Ind. Electron. 2017, 65, 167–178. [Google Scholar] [CrossRef]
- Soltani, H.; Davari, P.; Blaabjerg, F.; Zare, F. Performance evaluation of electronic inductor based adjustable speed drives with respect to line current interharmonics. In Proceedings of the 2017 IEEE Applied Power Electronics Conference and Exposition (APEC), Tampa, FL, USA, 26–30 March 2017; pp. 3171–3178. [Google Scholar]
- Zhang, D.; Xu, W.; Liu, Y. On the phase sequence characteristics of interharmonics. IEEE Trans. Power Deliv. 2005, 20, 2563–2569. [Google Scholar] [CrossRef]
- Basic, D. Input current interharmonics of variable-speed drives due to motor current imbalance. IEEE Trans. Power Deliv. 2010, 25, 2797–2806. [Google Scholar] [CrossRef]
- Chang, G.W.; Chen, S.K.; Su, H.J.; Wang, P.K. Accurate assessment of harmonic and interharmonic currents generated by VSI-fed drives under unbalanced supply voltages. IEEE Trans. Power Deliv. 2010, 26, 1083–1091. [Google Scholar] [CrossRef]
- Li, M.; Wang, X.; Tan, J. The analysis of interharmonics generated by VSI-fed adjustable speed drives considering mechanical load fluctuations. In Proceedings of the 2012 Power Engineering and Automation Conference, Wuhan, China, 18–20 September 2012; pp. 1–5. [Google Scholar]
- Yang, D.; Zhou, Z.; Liu, Y.; Jiang, J. Modeling of dual-PWM adjustable speed drives for characterizing input interharmonics due to torque oscillations. IEEE J. Emerg. Sel. Top. Power Electron. 2020, 9, 1565–1577. [Google Scholar] [CrossRef]
- Delgado-Arredondo, P.A.; Romero-Troncoso, R.J.; Duque-Pérez, O.; Morinigo-Sotelo, D.; Osornio-Rios, R.A. Vibration, Acoustic Noise Generation and Power Quality in Inverter-Fed Induction Motors. In Proceedings of the 2019 IEEE 12th International Symposium on Diagnostics for Electrical Machines, Power Electronics and Drives (SDEMPED), Toulouse, France, 27–30 August 2019; pp. 412–418. [Google Scholar]
- Feese, T.; Maxfield, R. Torsional vibration problem with motor/ID fan system due to PWM variable frequency drive. In Proceedings of the 37th Turbomachinery Symposium; Texas A&M University, Turbomachinery Laboratories: College Station, TX, USA, 2008. [Google Scholar]
- Schramm, S.; Sihler, C.; Song-Manguelle, J.; Rotondo, P. Damping torsional interharmonic effects of large drives. IEEE Trans. Power Electron. 2009, 25, 1090–1098. [Google Scholar] [CrossRef]
- Mauri, M.; Rossi, M.; Bruha, M. Generation of torsional excitation in a variable-speed-drive system. In Proceedings of the 2016 International Symposium on Power Electronics, Electrical Drives, Automation and Motion (SPEEDAM), Capri, Italy, 22–24 June 2016; pp. 516–521. [Google Scholar]
- Spangenberg, U. Variable frequency drive harmonics and interharmonics exciting axle torsional vibration resulting in railway wheel polygonisation. Int. J. Veh. Mech. Mobil. 2019, 58, 1744–5159. [Google Scholar] [CrossRef]
- Nassif, A.B. Assessing the impact of harmonics and interharmonics of top and mudpump variable frequency drives in drilling rigs. IEEE Trans. Ind. Appl. 2019, 55, 5574–5583. [Google Scholar] [CrossRef]
- Bruha, M. Importance of control engineering to minimize torsional vibration in variable speed drive systems. In Proceedings of the 2016 Petroleum and Chemical Industry Conference Europe (PCIC Europe), Berlin, Germany, 14–16 June 2016; pp. 1–8. [Google Scholar]
- Mishra, S.; Palazzolo, A.B.; Han, X.; Li, Y.; Kulhanek, C. Torsional vibrations in open loop volts hertz variable frequency drive induction motor driven mechanical systems. In Proceedings of the 2020 IEEE Texas Power and Energy Conference (TPEC), College Station, TX, USA, 6–7 February 2020; pp. 1–6. [Google Scholar]
- Gnaciński, P.; Hallmann, D.; Pepliński, M.; Jankowski, P. The effects of voltage subharmonics on cage induction machine. Int. J. Electr. Power Energy Syst. 2019, 111, 125–131. [Google Scholar] [CrossRef]
- Gnaciński, P.; Hallmann, D.; Klimczak, P.; Muc, A.; Pepliński, M. Effects of Negative Sequence Voltage Subharmonics on Cage Induction Motors. Energies 2022, 5, 8797. [Google Scholar] [CrossRef]
- Holmes, D.G.; Lipo, T.A. Pulse Width Modulation for Power Converters: Principles and Practice; John Wiley Sons: Hoboken, NJ, USA, 2003; Chapter 3; pp. 99–104. [Google Scholar]
- Chen, C.I.; Chen, Y.C. Comparative study of harmonic and interharmonic estimation methods for stationary and time-varying signals. IEEE Trans. Ind. Electron. 2013, 61, 397–404. [Google Scholar] [CrossRef]
- Yu, M.; Wang, B.; Wang, W.B.; Jin, J. Application of synchrosqueezing wavelet transform in detection of harmonic and interharmonic. In Proceedings of the 2015 2nd International Workshop on Materials Engineering and Computer Sciences, Jinan, China, 10–11 October 2015; Atlantis Press: Amsterdam, The Netherlands, 2015; pp. 224–228. [Google Scholar]
- Weishi, M.; Jianhua, W.; Qing, K. Harmonic and inter-harmonic detection based on synchrosqueezed wavelet transform. In Proceedings of the 2016 IEEE Information Technology, Networking, Electronic and Automation Control Conference, Chongqing, China, 20–22 May 2016; pp. 428–432. [Google Scholar]
- Chang, G.W.; Lin, Y.L.; Liu, Y.J.; Sun, G.H.; Yu, J.T. A hybrid approach for time-varying harmonic and interharmonic detection using synchrosqueezing wavelet transform. Appl. Sci. 2021, 11, 752. [Google Scholar] [CrossRef]
- Daubechies, I.; Lu, J.; Wu, H.T. Synchrosqueezed wavelet transforms: An empirical mode decomposition-like tool. Appl. Comput. Harmon. Anal. 2011, 30, 243–261. [Google Scholar] [CrossRef]
- Lu, J.; Yang, Y. Subsynchronous oscillation detection using synchrosqueezing wavelet transforms and K-means clustering. In Proceedings of the 2020 5th Asia Conference on Power and Electrical Engineering (ACPEE), Chengdu, China, 4–7 June 2020; pp. 100–104. [Google Scholar]
- Khan, K.; Rehman, S.U.; Aziz, K.; Fong, S.; Sarasvady, S. DBSCAN: Past, present and future. In Proceedings of the Fifth International Conference on the Applications of Digital Information and Web Technologies (ICADIWT 2014), Bangalore, India, 17–19 February 2014; pp. 232–238. [Google Scholar]
- Birant, D.; Kut, A. ST-DBSCAN: An algorithm for clustering spatial–temporal data. Data Knowl. Eng. 2007, 60, 208–221. [Google Scholar] [CrossRef]
- Sabarad, J.; Kulkarni, G.H. Comparative analysis of SVPWM and SPWM techniques for multilevel inverter. In Proceedings of the 2015 International Conference on Power and Advanced Control Engineering (ICPACE), Bengaluru, India, 12–14 August 2015; pp. 232–237. [Google Scholar]
- Barzegaran, M.; Mohamed, A.; Youssef, T.; Mohammed, O. A Electromagnetic signature study of a power converter connected to an electric motor drive. IEEE Trans. Magn. 2014, 50, 201–204. [Google Scholar] [CrossRef]
- Rus-Casas, C.; Jiménez-Castillo, G.; Aguilar-Peña, J.D.; Fernández-Carrasco, J.I.; Muñoz-Rodríguez, F.J. Development of a prototype for monitoring photovoltaic self-consumption systems. Electronics 2020, 9, 67. [Google Scholar] [CrossRef]
- Ciancetta, F.; Fiorucci, E.; Ometto, A.; Fioravanti, A.; Mari, S.; Segreto, M.A. A Low-Cost IoT Sensors Network for Monitoring Three-Phase Induction Motor Mechanical Power Adopting an Indirect Measuring Method. Sensors 2021, 21, 754. [Google Scholar] [CrossRef]
- Martins, J.P.; Ferreira, J.C.; Monteiro, V.; Afonso, J.A.; Afonso, J.L. IoT and blockchain paradigms for EV charging system. Energies 2019, 12, 2987. [Google Scholar] [CrossRef]
- Tarasiuk, T. Comparative study of various methods of DFT calculation in the wake of IEC Standard 61000-4-7. IEEE Trans. Instrum. Meas. 2009, 58, 3666–3677. [Google Scholar] [CrossRef]
- IEC Std. 61000-4-7; Electromagnetic Compatibility (EMC)—Part 4–7: Testing and Measurement Techniques General Guide on Harmonics and Interharmonics Measurements and Instrumentation, for Power Supply Systems and Equipment Connected Thereto. International Electrotechnical Commission: Geneva, Switzerland, 2002.

























| Parameter | Value |
|---|---|
| Grid side voltage | 220 Vrms |
| Grid frequency | 60 Hz |
| Grid reactance | 0.1 mH |
| Conventional DC-link inductor | 1.25 mH |
| Conventional DC-link capacitor | F |
| SDLC capacitor | F |
| Modulation technique | SVPWM |
| Switching frequency | 10 kHz |
| Modulation index | 0.98 |
| Induction motor rated voltage | 220 V |
| Induction motor nominal power | 1.54 kW |
| Induction motor nominal current | 7 Amp |
| Moment inertia motor |
| Motor | Type | Rated Power (kW) | Number of Poles | Rated Speed (Rpm) | Rated Voltage (V) | Rated Current (A) |
|---|---|---|---|---|---|---|
| motor 1 | ABB-MBT ARM 71A (48) | 0.25 | 4 | 1610 | 220 Y | 1.0 |
| motor 2 | SIEMENS-1LE22011AB214AA3 | 0.746 | 4 | 1750 | 220 Y | 3.0 |
| Motor | Phase Control Type | Largest Current Interharmonic Amplitude (Amps) |
|---|---|---|
| motor 1 | Biphasic | 0.03 |
| Three-phase | 0.025 | |
| motor 2 | Biphasic | 0.1 |
| Three-phase | 0.08 |
| Motor | Manufacturer | Switching Frequency (Hz) | Largest Voltage Interharmonic Amplitude (Volts) |
|---|---|---|---|
| motor 1 | DF | 3k | 90.9 |
| AB | 4k | 26.5 | |
| GE | 5k | 28.5 | |
| motor 2 | DF | 3k | 93.9 |
| AB | 4k | 25.4 | |
| GE | 5k | 20.1 |
Disclaimer/Publisher’s Note: The statements, opinions and data contained in all publications are solely those of the individual author(s) and contributor(s) and not of MDPI and/or the editor(s). MDPI and/or the editor(s) disclaim responsibility for any injury to people or property resulting from any ideas, methods, instructions or products referred to in the content. |
© 2023 by the authors. Licensee MDPI, Basel, Switzerland. This article is an open access article distributed under the terms and conditions of the Creative Commons Attribution (CC BY) license (https://creativecommons.org/licenses/by/4.0/).
Share and Cite
Gudiño-Ochoa, A.; Jalomo-Cuevas, J.; Molinar-Solís, J.E.; Ochoa-Ornelas, R. Analysis of Interharmonics Generation in Induction Motors Driven by Variable Frequency Drives and AC Choppers. Energies 2023, 16, 5538. https://doi.org/10.3390/en16145538
Gudiño-Ochoa A, Jalomo-Cuevas J, Molinar-Solís JE, Ochoa-Ornelas R. Analysis of Interharmonics Generation in Induction Motors Driven by Variable Frequency Drives and AC Choppers. Energies. 2023; 16(14):5538. https://doi.org/10.3390/en16145538
Chicago/Turabian StyleGudiño-Ochoa, Alberto, Jaime Jalomo-Cuevas, Jesús Ezequiel Molinar-Solís, and Raquel Ochoa-Ornelas. 2023. "Analysis of Interharmonics Generation in Induction Motors Driven by Variable Frequency Drives and AC Choppers" Energies 16, no. 14: 5538. https://doi.org/10.3390/en16145538
APA StyleGudiño-Ochoa, A., Jalomo-Cuevas, J., Molinar-Solís, J. E., & Ochoa-Ornelas, R. (2023). Analysis of Interharmonics Generation in Induction Motors Driven by Variable Frequency Drives and AC Choppers. Energies, 16(14), 5538. https://doi.org/10.3390/en16145538

