Next Article in Journal
Efficient Management of Energy Consumption of Electric Vehicles Using Machine Learning—A Systematic and Comprehensive Survey
Next Article in Special Issue
A Systematic Review of Optimization Approaches for the Integration of Electric Vehicles in Public Buildings
Previous Article in Journal
Wood Chip Production Efficiency Depending on Chipper Type
Previous Article in Special Issue
An Adaptive Centralized Protection and Relay Coordination Algorithm for Microgrid
 
 
Font Type:
Arial Georgia Verdana
Font Size:
Aa Aa Aa
Line Spacing:
Column Width:
Background:
Article

Evaluation of Voltage Stability in Microgrid-Tied Photovoltaic Systems

1
Department of Information Technology in Industry, Technical University of Sofia, 1000 Sofia, Bulgaria
2
Department of Power Electronics, Technical University of Sofia, 1000 Sofia, Bulgaria
*
Author to whom correspondence should be addressed.
Energies 2023, 16(13), 4895; https://doi.org/10.3390/en16134895
Submission received: 8 June 2023 / Revised: 19 June 2023 / Accepted: 21 June 2023 / Published: 23 June 2023

Abstract

:
These days, with the significant increase in the use of renewable energy sources as additional energy sources connected to the distribution network, many challenges and difficulties arise in ensuring sustainability and reliability. The generation, transmission and distribution, in the current state of the electricity system, are facing quite dynamic changes. They are the result of the liberalization of the energy market, the increased use of renewable energy sources such as photovoltaic systems, wind turbines and the charging stations for hybrid and electric vehicles. The most important factors are related to the balancing of the energy system, the analysis of voltage stability, overcoming the consequences of the increase in short-circuit currents, increasing the transmission capacities of the system forming and distribution networks, as well as the accurate forecasting of the development of loads and consumption over the coming years. This article presents an analysis of the voltage stability in a smart microgrid for two different scenarios. The studied cases describe a linear low-voltage p-type microgrid with loads connected to it at different nodes. Data on the type and cross-section of the conductors of the studied power line are presented. Simulation studies were carried out to determine the limits of grid voltage stability when connecting photovoltaic plants with a set power. The simulation results are commented on and an analysis of the optimal operating mode of the system is realized. The model studies were implemented in the NEPLAN program environment. The research carried out allows an evaluation of the permissible limits for network stability when connecting photovoltaic plants. Through this evaluation, it can be determined how many and at which node the loads should be connected without causing an imbalance in the network. This is useful from the point of view of ensuring the sustainability and reliability of electrical energy in a microgrid.

1. Introduction

Recently, with the increase in harmful emissions caused by many pollutants and environmental problems, scientists are trying to implement more and more alternative energy sources. Such sources can be photovoltaic plants, wind turbines, oceans, waves and geothermal energy, etc. They can be more efficient and environmentally friendly than conventional ones. However, connecting them to the distribution network raises multiple challenges from a management point of view. The main requirements for the electric power system are the delivery of quality and reliable provision of electric power to each of the nodes of the electric transmission network. It is also necessary to ensure the sustainable operation of energy facilities, development of production power and vitality of the electricity market. The application of various energy efficiency measures would significantly help to ensure these requirements. The ability of the power system to maintain a stable voltage on all buses under normal conditions and when various disturbances occur is called voltage stability. When an event occurs in the power system, such as large load shedding, the occurrence of emergency modes, occurrence of short circuits, islanding operation and others, the voltage becomes unstable. This can lead to uncontrollable and progressive stress reduction and collapse.
Smart grids have the potential to change the way energy is produced, distributed and sold. They can improve the efficiency of energy systems and reduce environmental pollution by reducing carbon dioxide emissions. Here are some examples of smart grid applications in energy:
  • Energy grid management: Smart grids can be used to manage distribution networks and optimize energy production and distribution. They can provide an energy demand and regulate energy production to meet that demand.
  • Residential buildings: Smart grids can be used to optimize the energy management of residential properties. You can control HVAC systems, lighting and other energy efficiency systems. This can increase energy costs and increase carbon emissions.
  • Smart cities: Smart grids can be used to manage energy in large urban areas. They can optimize the management of transport, lighting and other systems to reduce energy costs and improve the lives of citizens.
Use of renewable energy sources: Smart grids can be used to optimize renewable energy sources such as solar and wind energy. They can control the production of energy from these sources and integrate it into the energy grid to be used by utilizing fossil fuels.
DC networks have advantages over AC networks such as smaller power transmission losses, bi-directional transmission and the relative ease of changing the power delivered to them. For their control, here are several approaches to voltage control in a DC microgrid. They are proportion integration control, fuzzy PI control and particle swarm operation [1].
Also, another significant issue in using renewable energy sources for power supply is the reduction in overall system inertia when replacing synchronous machines in the grid. The presence of synchronous motors connected to the power system ensures the necessary operating frequency and phase angle within the permissible limits. When an emergency event occurs, the synchronization of the power system may be disrupted. A lack of synchronization when connecting synchronous generators can cause significant problems in the dynamics under uncertainties, reducing the frequency stability in microgrids and especially in island mode. This problem can be solved with the use of the virtual inertia frequency control concept and its optimization with mathematical models [2].
Another reason for using smart microgrids is the increased requirements when adding additional loads. The built network often cannot cover the peak values in different operating modes. The implementation of such alternative energy sources in the power system can lead to significant difficulties in ensuring the essential requirements for the network such as stability, reliability and cost-effectiveness. Voltage fluctuation, frequency deviation and the uncertain nature of solar irradiation and wind sources are significant challenges for both grid-connected and standalone hybrid systems [3]. For this reason, a study of voltage stability, when connecting one or several PV plants in different nodes of a low-voltage transmission line, is presented in the current article.

2. Literature Review

The sustainability of micro-grids is a critical aspect, especially when considered in the context of the sustainability of the energy system as a whole. Micro-grids are decentralized energy systems that include small energy sources (such as solar panels, wind turbines, biogas generators) and are often connected to energy storage (such as batteries).
Here are some factors that are important to the sustainability of micro-grids:
  • Flexibility and control: Micro-grids need to be flexible and well managed in order to adapt to changing conditions and requirements. This includes power generation and distribution management, energy storage management and load management.
  • Self-resilience: The resilience of micro-grids is improved if they can be self-resilient in case of contingencies or accidents. This can be accomplished by incorporating backup power sources and storage systems that can provide power in the event of supply disruptions or other problems.
  • Communication infrastructure: The resilience of micro-grids is improved if they have a reliable and secure communication infrastructure. This allows the systems to communicate with each other, send control and monitoring data and respond quickly to changes in conditions.
  • Automation and control: The use of automated control and management systems can improve the resilience of micro-grids. They enable a quick and efficient response to changes in internal and external conditions, such as fluctuations in energy production or changes in electricity prices.
  • Safety and security: The resilience of micro-grids also depends on their security and protection against external threats and cyber-attacks. Securing systems and data, encrypting communications, and implementing security incident detection and response mechanisms are essential.
Building sustainable micro-grids requires a complex and well-designed approach, taking into account the specific conditions and requirements of the specific location and application.
Photovoltaic (solar) generators have significant potential to be integrated into smart grids due to their renewable nature and flexibility in deployment. When PV generators are included in the smart grid, they can provide several benefits and functionalities:
  • Power generation: Photovoltaic generators use the sun’s energy to produce electricity. When integrated into a smart grid, they can be used to produce energy to meet some or all of the needs of a local community or building.
  • Decentralized production: Photovoltaic generators provide the possibility of decentralized energy production. This means that energy can be produced close to the places of its use, which reduces losses during transportation and improves energy efficiency.
  • Integration of energy storage: Photovoltaic generators can be combined with energy storage systems such as batteries to provide continuous access to energy even when the sun is not shining. This increases the reliability and resilience of the smart grid.
  • Dynamic energy management: Smart grids can integrate energy management systems that monitor energy production and consumption. Thus, PV generators can be optimized to target the locations with the greatest need for energy or peak demand periods.
  • Interaction with other energy sources: Photovoltaic generators can be combined with other renewable energy sources, such as wind turbines or biogas generators, to achieve a more sustainable and balanced energy mix.
Thus, the integration of photovoltaic generators in smart grids contributes to increasing energy efficiency, sustainability and reducing carbon emissions.
MG stability is classified into the following categories: transient stability; voltage stability and weak signal stability [3]. These aspects of sustainability are discussed in great detail in [4,5]. There, MG transient stability is defined as “the ability of the MG system to maintain stability after being subjected to significant perturbations”. Such significant disturbances are, for example, structural changes in the MG, short-circuit faults and operation mode switching from grid-connected to isolated operation. In this sense, voltage stability is the ability of MG to maintain a voltage within certain limits. Voltage instabilities in MG are usually strongly related to reactive power balance, load dynamic characteristics, reactive power limitation and system operator operations. Due to the relatively small power and predominantly active nature of the load (the high R/X ratio), usually the voltage regulation of the MG is achieved by the modulation of the active power in the MG. On the other hand, MGs are also susceptible to small disturbances due to the specificity of the sources used for decentralized energy production, which are characterized by very small or no physical inertia characteristics. The absence of systemic damping in MG (which classical power sources have) leads to the presence of undamped oscillations when the system is subjected to small perturbations.
The ability of the system to maintain the load node voltages and reactive power balance is checked. In classical terminology, this resistance is defined as “load resistance”. Voltage stability under major disturbances refers to the stability of the system control voltages after a major disturbance, such as system failures, loss of load or loss of generation. Determining this form of stability requires studying the dynamic performance of the system for a period sufficient to capture devices such as load-changing transformers, generator fields and current limiters. High-stress studies can be investigated using nonlinear time-domain simulations that include proper modeling. Voltage stability under small disturbances refers to the operating state of the power system for small stable voltages; if the system has small disturbances, the voltage near the loads does not change or remains close to the values before the disturbance. The concept of small disturbance stability is related to the steady state and is analyzed using a small signal model of the system [4]. Figure 1 shows a block diagram for the purpose of describing voltage resistance disturbances. Small disturbances occur in electrically remote emergency modes. They are characterized by a disturbance of the power balance when remote large electrical loads or generator power fail. Big disturbances occur in nearby emergency modes such as short circuits in the network. Depending on the emergency mode, disturbances are characterized by a long or short transient process.
The aspects of improving stability by applying existing microgrid control methods and various industrial solutions are shown in Ref. [3] and a platform for obtaining different types of microgrid stability assessment is also proposed. Various stability improvement methods have been demonstrated for different types of microgrids. The research presented in Ref. [6] is focused on investigating the impact of line impedance and passive filter parameters on the stability of MG in grid-connected mode. Through a mathematical model, the limit of stability of the MG was determined, when its parameters were changed. In addition, a sensitivity analysis was performed based on a mathematical model to determine those parameters that most strongly influence the network’s resilience. The manuscript [7] presents research related to the assessment of the impact of voltage increase and reverse power flow limitation in the power system with a high concentration of decentralized power generation sources. The analysis was conducted on an example IEEE 13-bus test system, simulating the most critical scenario with both low power consumption and maximum power output from the power sources. A controller is proposed which reduces the effects of surge when operating in the considered worst-case critical microgrid scenario. In addition, the proposed control strategy reduces harmonic distortions, improves the power factor and maintains voltage stability. The functionality of microgrids is most often determined by the use of two indicators—stability and reliability. They depend strongly on system configuration and generation/consumption profiles [8]. This paper proposes a probabilistic risk framework by simultaneously considering the stability and reliability of microgrids. In this aspect, reliability is decomposed into shorter-term events, while stability is treated as probabilistic events that must be integrated into the risk assessment. Thus, it can provide a quantitative assessment of the operational risk of microgrids.
The vehicle-to-grid (V2G) concept applied to residential microgrids (MGs), with the idea of supporting system voltage and frequency regulation, is discussed in Ref. [9]. For this purpose, a power system stabilizer (PSS) was chosen, which was added to the excitation system to improve dynamic and transient stability and offer damping characteristics suitable for V2G regulation. The studied island residential MGs consist of diesel generators that are used as the main generation sources, residential loads and an EV aggregator. In Ref. [10], the use of an isolated DC microgrid is proposed to supply a single-family house with the necessary electrical energy and to generate oxy-hydrogen gas HHO, which is used for cooking. To ensure stable and smooth operation during large variations in energy production and consumption, the optimal management of energy flows has been synthesized. The performance of the proposed system is validated through MATLAB simulation. Ref. [11] proposed an emergency control strategy for transient microgrid stability based on parameter adjustment. First, the stability of the voltage-controlled inverter with the current limiter is analyzed. Second, a flexible parameter adjustment strategy considering various constraints is proposed. Finally, power trajectory prediction based on the application of artificial intelligence techniques is proposed. Grid-forming converters usually maintain the voltage and frequency of the isolated microgrid (MG). These converters are characterized by small inertia and strong nonlinearity, which pose a threat to microgrid stability. The structure of a multi-microgrid (MMG) is more complex than that of a microgrid. In Ref. [12], this paper established the dynamic MMG model dominated by network-forming converters. In the study, it is proposed that the droop factor and the inductance of the connecting line are determined as the main parameters affecting the stability of the system. This was carried out by analyzing the eigenvalues and participating factors of the system. In Ref. [13], data-driven modeling of the nonlinear transient dynamics of microgrid systems is presented. On this basis, a control synthesis was performed, and the proposed method can simultaneously calculate the control equations of different subsystems and is verified as robust to measure noises and disturbances. This paper highlights that with the advancement of data science, it is becoming a powerful tool for higher-order modeling and the analysis of nonlinear microgrid systems, which improves the overall stability and reliability of the microgrid.
Paper [14] demonstrates the possibilities of a deep-learning-based method for accurate online prediction of the resilience of microgrids consisting of different sources for decentralized energy production. The test results show that the proposed method significantly improves the reliability of the microgrid under complex operating conditions. Paper [15] presents a voltage stability analysis of direct current (DC) microgrids for spacecraft power needs where high levels of reliability are required. Bifurcation theory has been applied to determine the behavior of the system and identify the main causes of its voltage instability. The findings of this paper are applicable to similar classes of islanded (grid-forming) DC systems, including aerospace vehicles, shipboard systems and terrestrial micro- and nano-grids.
In Ref. [16], the mathematical model of a DC–DC converter was developed, which ensures the management of energy flows and the stability of a direct current network powered by hybrid voltage sources. An eigenvalue analysis of the modeled system was performed to investigate small-signal robustness. A controller with the main task of improving the stability of the system was synthesized and designed. The penetration of low-inertia resource-based power electronic devices and systems into power systems creates new challenges for system stability and requires the application of advanced stability assessment tools [17]. One such tool for assessing the stability of a network under a large signal is the determination of the system’s region of stability (ROS), that is, the portion of the system’s state space where variable trajectories converge to a stable equilibrium point. This paper proposes a sum-of-squares (SOS) technique for determining large-signal stability regions of microgrids, using the Lyapunov function. In Ref. [18], the results of studies on the dynamics of operation and control of DC islanded microgrids (DC MGs) are presented. The optimal operation of a stand-alone DC MG with controlled decay is proposed here through an optimization based on the application of artificial intelligence techniques that combines small-signal stability and objective functions related to economic and environmental constraints. The results are verified using numerical experiments with developed models. The technology of distributed control of power flows based on power electronic devices has significantly improved the regulation of DC microgrid systems. On the other hand, it enables the introduction of potential cybersecurity threats related to the communication process. Most often, the system is vulnerable to two types of attacks: denial of service (DoS) attacks and false data injection (FDI) attacks [19]. If both attacks occur simultaneously, they can destabilize the DC microgrid and threaten its safe operation. In order to ensure the stability of the system under hybrid attacks, intelligent control through a consensus-based secondary control strategy is proposed. The stability of the system is rigorously analyzed via the Lyapunov method. Numerical and experimental tests confirm the effectiveness of the proposed strategy.
In addition to the technologies used to manage energy flows in the distribution network, with the increase in connected renewable sources, it is necessary to ensure the quality monitoring of the system in real time. This leads to many difficulties and challenges in collecting data from the power system. In Ref. [20], a new scheme for virtual data collection was proposed to ensure security and efficiency. The main processes involved in the initial collection of the data and the challenges in its use were presented in detail and described alongside the main methods used, such as similarity analysis for reference station selection and PV data inference. Also, in addition to ensuring the sustainability and reliability of the power system, economic aspects must be considered [21]. The principle of economical consumption is used to ensure a balance of costs when connecting photovoltaic plants or wind turbines. It is a new method that uses minimum and maximum optimization to ensure low power costs and maximum power consumption, respectively. According to the presented principle of economical consumption, with the help of appropriate measures, it is possible to optimize energy from renewable sources. In Ref. [22], a method for improving the characteristics of microgrids based on optimal control synthesis is presented. In this sense, a CCE–PLL with constant and weak coupling independent of the GCC bandwidth is proposed. Through experiments, it has been confirmed that using CCE–PLL, the system has high resistance against changes in network impedance. From the literature review, it was concluded that despite numerous publications related to the sustainability of microgrids, research in this area is key to the development of the green and neutral transition. This is due to the growing need to join sources for decentralized energy production. In this aspect, it is necessary to apply a rational approach to evaluate the sustainability of microgrids depending on the connection point of photovoltaic generators. The idea is, by applying this approach, to evaluate the impact of connecting new energy sources to the conventional electricity distribution network.

3. Materials and Methods

In Figure 2, a schematic example of a radial system for the description of the voltage stability phenomena is presented [4,23,24]. The scheme has a constant input voltage Es, a load ZLD and ZLN is the impedance. The presented example is used for determination of the microgrid in which 6 nodes are connected.
The current can be described with the following equation [4]:
I = E Z L N + Z L D
where I and E are vectors and
Z L N = Z L N θ , Z L D = Z L D ϕ
The magnitude of the current can be described as follows:
I = E S Z L N cos θ + Z L D cos ϕ 2 + Z L N sin θ + Z L D sin ϕ 2
I = 1 F E S Z L N
where
F = 1 + Z L D Z L N 2 + 2 Z L D Z L N cos θ ϕ
The voltage is equal to
V R = Z L D I
The power of the load is equal to
P R = V R I cos ϕ
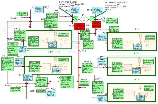
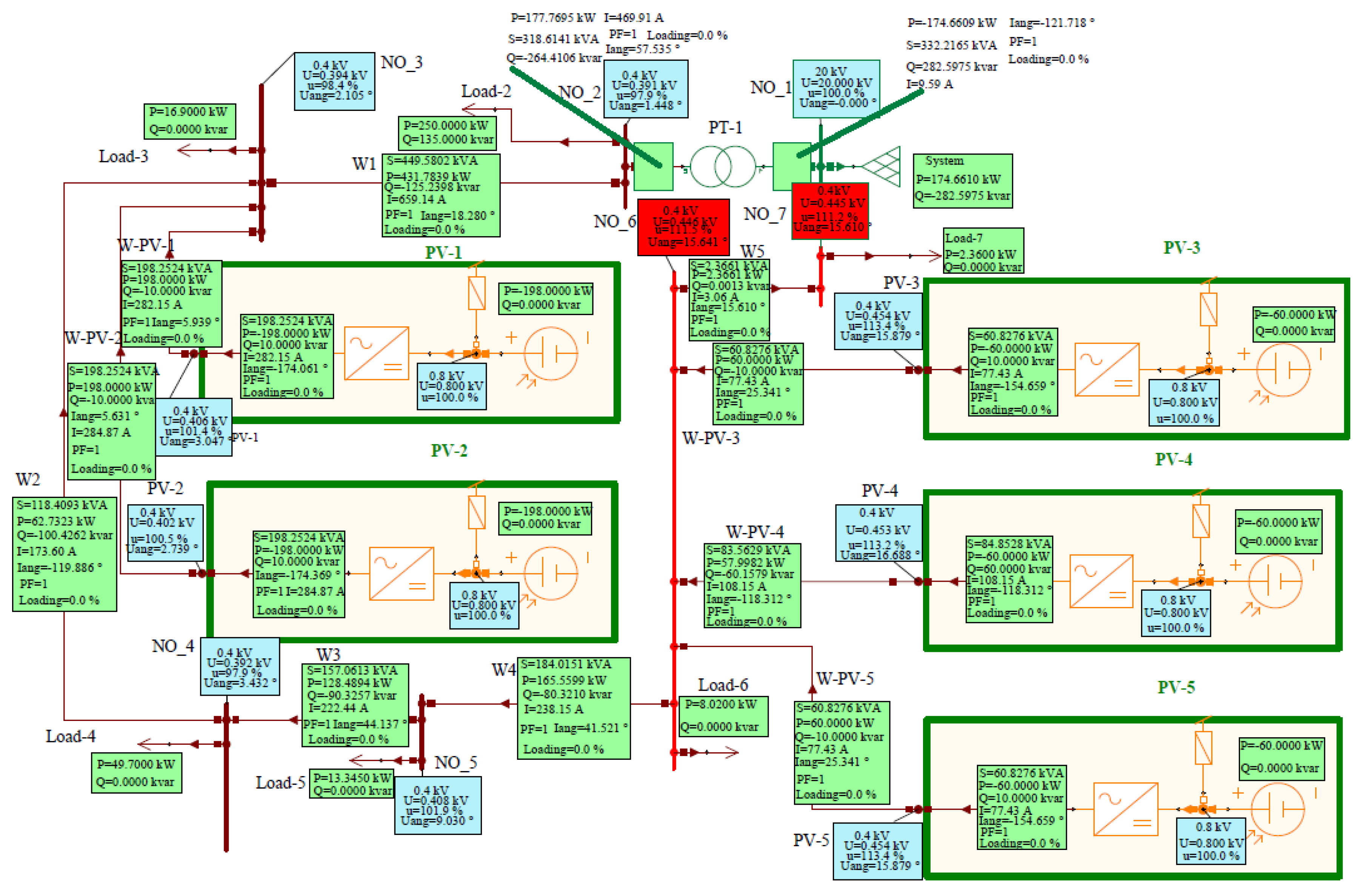
In Figure 3, a scheme of a studied single line microgrid is presented with all parameters included. The grid is a radial power line at a low voltage with a concentrated load realized with overhead lines. The model of the equivalent scheme is p-type.
It is powered by a generalized system and a power transformer with a voltage of 20/0.4 kV. The input data used in the model are presented in Table 1.
In Figure 4, a simulation model of the smart microgrid in NEPLAN, Version 5. 5. 3. software is presented. In this study, it is considered that only one terminal is connected to node 2, supplied by the power transformer. The other part of the circuit is represented by a complex load named “Load 2” with power P = 250 kW and Q = 135 kVar. The terminal loading is simulated by concentrated loads in a complex form. Several PV plants are connected to the considered microgrid. PV-1 and PV-2 are connected to node 3 with the following powers, respectively, 198 kW and 98 kW. PV-3, PV-4 and PV-5 with power equal to 30 kW each are connected to node 6. With this microgrid, two cases have been implemented in which the connection of photovoltaic plants with different capacities has been considered.

4. Results

Several static methods were used to evaluate and analyze the voltage stability of the presented microgrid: U-Q sensitivity method, Q-U modal analysis, U-Q curves and P-U curves. The results of the conducted research are presented in graphic and tabular form. The U-Q sensitivity method can be described by the following equation [4,5,6,7,8]:
Δ U = J R 1 · Δ Q
where
  • ΔU—variation in bus voltage magnitude;
  • ΔQ—variation in bus reactive power injection;
  • JR—Jacobian matrix.

4.1. Scenario 1

In Table 2, the results from the realized simulation are presented. The self-sensitivity of U–Q indicates which of the nodes are most susceptible to voltage variation. In the case of voltage stability, the sensitivity parameter is important because it defines the minimum and maximum limits of voltage deviation from 90% to 110% of the voltage. Bulgarian and European standardized norms [5] exist for the determination of the changes in these limits. The results are presented also in graphical form in Figure 5. It can be observed that in node 6, where PV-3, PV-4 and PV-5 are connected, the variation in the voltages is equal.
In Figure 6, the variation in the active power in the function of the voltage losses in each node is presented. From the diagram presented, it can be observed that with deviations beyond the set limits of 10%, the system becomes unstable in terms of voltage. These deviations from the acceptable limits can lead to a voltage drop. In this case, the synchronous machines in generator modes in the power system cannot maintain their set voltage, which would lead to unpredictable changes in its values.
The U-Q curves are obtained by simulating multiple load cases. U-Q curves present the required reactive power Q for achieving a necessary voltage level U. From the simulation studies, it can be concluded that there is a minimum point on the U-Q curve, which is critical. In this case, all points to the left of it are unstable. It is also observed that when the last point of the U-Q curve is above the horizontal axis, there is a deficit of reactive energy that must be filled in order not to cause a voltage collapse.
Figure 7 presents the P-U curves for the injection of random energy flows for Scenario 1. The P-U curve method is determined by the realization of multiple consecutive cases of studying the energy flows through the load. It defines a basic dependence of the bus voltage and the load in a certain area. One of the advantages of this method is that it is possible to specify a notification in the proximity of a voltage failure. By determining the location of this failure, the necessary energy can be injected at that point.

Q–U Modal Analysis

A modal analysis of the studied microgrid is presented, which can give us additional information about the instability of the system. The main features by which it can be determined are the eigenvalues and eigenvectors of the Jacobian matrix, presented in Figure 8. Of interest is the eigenvector with the smallest value. For example, if it is negative, we have instability; if it has a zero value, it has borderline instability according to the voltage of the microgrid. Figure 9 and Figure 10 show the participation factors for the respective nodes for the two smallest eigenvectors, 0.002 and 0.019, respectively. From the presented results, we can conclude that node 7 and PV-1 are the most critical nodes where there is a possibility to break the voltage stability, since they have the highest value as a participation factor. At negative values, the system is insensitive; at zero values, the system is at the limit of sensitivity; at positive values, the system is sensitive. The smallest values of the eigenvectors are of interest, since positive values are observed in the presented results; thus, the system should be voltage unstable. The highest sensitivity is in the node where in the presence of the smallest impact, the system would be led out of stability.
In Figure 11, the branch participation factor is presented. This shows us the most critical branches where voltage collapse can occur. It can be observed that the value of the power transformer is the highest. This happens because the largest amount of energy from the power source to the studied microgrid passes through the power transformer.

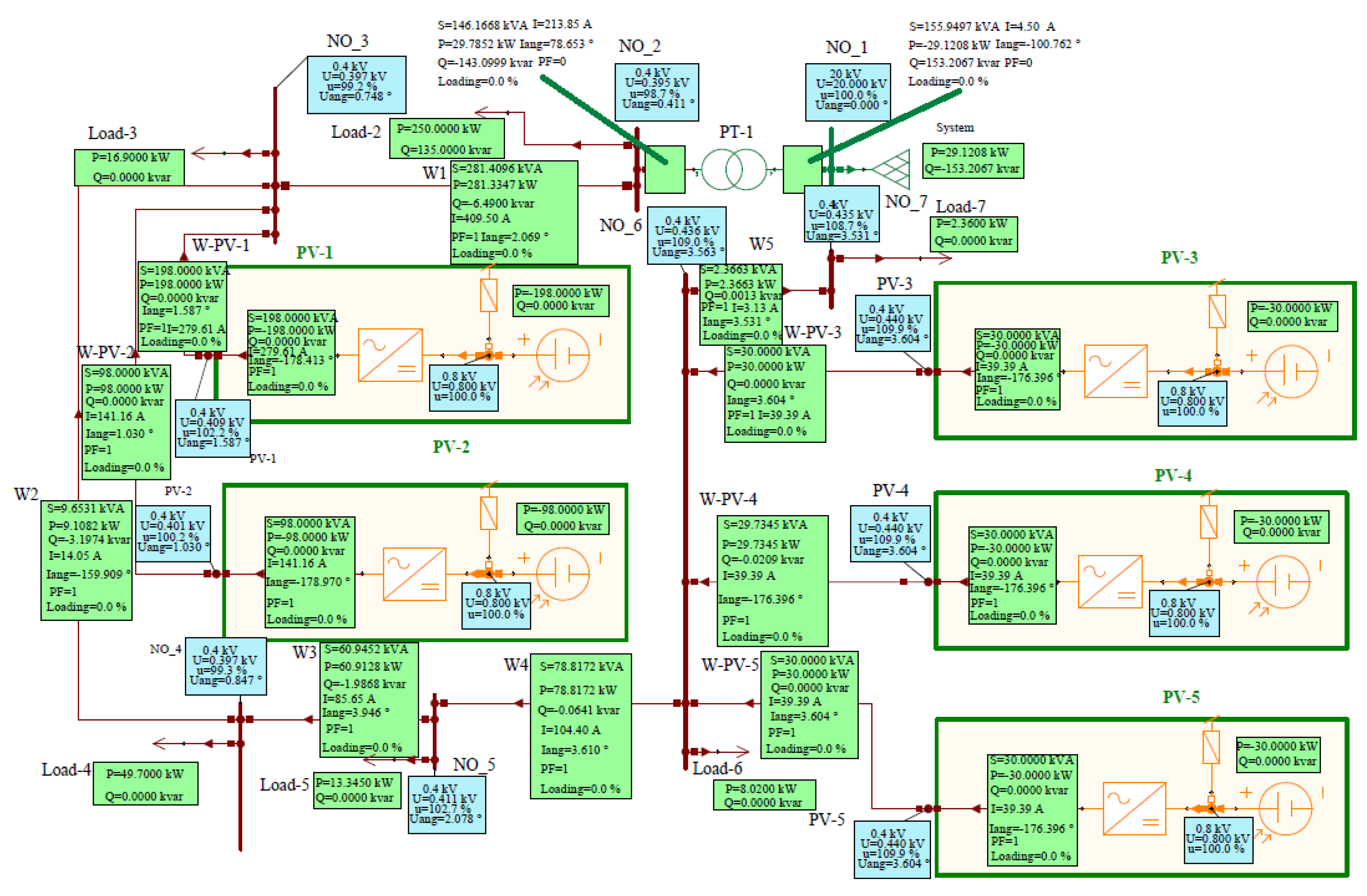
4.2. Scenario 2

A second case study was also carried out, where the powers of PV-1 and PV-2 were equal to 198 kW, and the powers of PV-3, PV-4 and PV-5 were increased twice, as shown in Figure 12. When calculating voltage stability using the static methods used, the energy flow distribution in the microgrid was first determined. When determining the flow distribution, the powers through the lines and the corresponding nodes were calculated, as well as the voltage in the nodes. It can be observed that in this scenario, a voltage overload in the set limits of the studied cases is observed at node 6, shown in a red color. This happens because each inverter regulates the output voltage of its own node, which is one of the reasons for the voltage increase beyond the regulated limits.
The results of the same static methods for the assessment and analysis of the voltage resistance of a smart microgrid have been implemented and presented. Figure 13 shows the sensitivity of the microgrid in individual nodes when connecting photovoltaic plants. A significant increase in sensitivity is observed at node 7 compared to node 6, where the three PV plants are connected. Because the connected load at node 7 is of lower power, its sensitivity has the largest value. This is a significant factor that must be taken into account when determining the technical feasibility of connecting a photovoltaic plant to microgrids.
Figure 14 shows the graphical changes of the U–Q Curves. From the results shown, the change in the sensitivity of the different nodes can be compared to scenario 1.
Figure 15 shows the changes in the P-U Curves. From the results presented, due to the increased values of the six photovoltaic plants connected in a node with a power of 60 kW each, the voltage is unstable in all nodes.
Figure 16, Figure 17, Figure 18 and Figure 19 present the results of modal analysis for scenario 2. A change in the values of the eigenvectors presented in Figure 16 is observed. Like scenario 1, the smallest values of the eigenvectors are evaluated. Despite the approximately equal values, a change in the participation factor of the nodes is observed. The high participation factor of node 7, shown in Figure 17, remains. The other node with the highest participation factor is no longer PV-1, but node 4, shown in Figure 18. The change in the values of the eigenvectors, as well as the participation factors of nodes and branches at eigenvalues 0.002 and 0.018, respectively, can be clearly seen.
Figure 19 shows the participation factor of the branches in the microgrid. An increased factor of participation in the overhead power lines W3 and W4 is observed, which can lead to a violation of the voltage resistance. Also, a slight decrease in the value of the power transformer is noticed. This is due to the change in the connection node of the photovoltaic plants in the studied microgrid and the change in their nominal power.

5. Discussion

In this paper, a single-line low-voltage microgrid with connected photovoltaic plants to the individual nodes is investigated. The main purpose of the realized research is to make a more detailed analysis and evaluation of the participation of hybrid inverters when connecting photovoltaic plants to the grid. Due to the specifics of the power system and control systems, an important parameter that must be regulated within specific limits is reactive power. When we consider low-voltage networks with connected household users, it is not considered. This problem significantly increases with the increase in the share of grid-connected renewable energy sources such as photovoltaic plants and wind turbines. Also, the connected charging stations needed to charge hybrid and electric vehicles have a significant influence. From the simulation studies presented, the analysis and evaluation of different networks with multiple connected loads can be carried out.
In this study, two different scenarios are presented. In scenario 1, the connected power from photovoltaic plants is permissible. From the obtained results, the network has voltage resistance without overloading. In scenario 2, a study was made with an increase in the connected power from photovoltaic plants. In this case, from the simulation results, it is observed that at these powers, voltage overload occurs in the studied microgrid. For this reason, this type of study is useful to consider when designing and connecting photovoltaic plants.
In future developments on this subject, it would be interesting to take reactive energy flows into account in order to more accurately size the network. Also, the study of the circuit parameters and the systems will control the voltage inverters connected to the network.

6. Conclusions

A simulation model of a microgrid was implemented and a voltage stability analysis with two different scenarios was realized in NEPLAN software. The presented model is imperfect because reactive loads are not considered in low-voltage networks. The presented grid is a single line and the equivalent schematic is p-type. In the presented microgrid, several photovoltaic plants with different power are connected. They are attached to several nodes in order to determine the voltage stability of the grid in terms of the several simulated studies implemented with different methodologies. Several methodologies are presented that can be used in ensuring network stability and reliability. Two cases are investigated in this paper. In the first case, the simulation results are presented, in which, when photovoltaic plants are connected, the sustainable operation of the network is observed even in the event of an emergency. In the second case, simulation studies were carried out, in which it is clearly seen that when an emergency event occurs, network instability occurs.
Simulation results for the particular microgrid are presented and discussed. This model is useful because a different microgrid with different powers and a different number of connected loads can be studied quite easily.
The main contribution of the manuscript consists of the presentation of a rational approach to assess the sustainability of micro-grids depending on the connection point of photovoltaic generators. The presented research will be developed and supplemented also from the point of view of the impact of connecting loads, such as charging stations to already built microgrids.
It would be useful to consider the time variation of the loads in the connected nodes in the presented model. With this improvement, the simulation model would be more accurate from the point of view of considering real objects, but at the same time it would pose new challenges in the description and study of a more detailed model. In this paper, the team has only considered static methods for assessing the resilience and voltage stability of a microgrid.
It is necessary to require communication between the individual inverters connected in the same node and the same smart grid to ensure the stability of operation of the individual plants and maintain the mode parameters of the electric network. However, this would lead to a deterioration in the cyber security of the power system. Due to these considerations, it is necessary to find an optimal engineering solution that provides the necessary protection and at the same time offers a thorough study and investigation of the problem.

Author Contributions

P.S., G.V. and N.H. were involved in the full process of producing this paper, including conceptualization, methodology, modeling, validation, visualization and the preparation of the manuscript. All authors have read and agreed to the published version of the manuscript.

Funding

The carried-out research was funded through the project “Modelling, Design and Control of Power Electronic Systems in Electric and Hybrid Vehicles”, KΠ-06-M57/2/16.11.2021, Bulgarian National Scientific Fund.

Institutional Review Board Statement

Not applicable.

Informed Consent Statement

Not applicable.

Data Availability Statement

Not applicable.

Conflicts of Interest

The authors declare no conflict of interest.

Abbreviations

The following abbreviations are used in this manuscript:
ACAlternative current;
DCDirect current;
MGMicrogrid;
PIProportional integral;
PVPhotovoltaic;
EsInput voltage [V];
ZLDLoad;
ZLNImpedance;
PPower;
wPower line;
lDistance [km];
R1Active resistance at direct sequence [Ω/km];
X1Reactance at direct sequence [Ω/km];
R0Active resistance at zero sequence [Ω/km];
X0Reactance at zero sequence [Ω/km];
IRNominal current [A].

References

  1. Yang, Z.; Wang, C.; Han, J.; Yang, F.; Shen, Y.; Min, H.; Hu, W.; Song, H. Analysis of Voltage Control Strategies for DC Microgrid with Multiple Types of Energy Storage Systems. Electronics 2023, 12, 1661. [Google Scholar] [CrossRef]
  2. Saleh, A.; Hasanien, H.M.; Turky, R.A.; Turdybek, B.; Alharbi, M.; Jurado, F.; Omran, W.A. Optimal Model Predictive Control for Virtual Inertia Control of Autonomous Microgrids. Sustainability 2023, 15, 5009. [Google Scholar] [CrossRef]
  3. Majumder, R. Some Aspects of Stability in Microgrids. IEEE Trans. Power Syst. 2013, 28, 3243–3252. [Google Scholar] [CrossRef]
  4. Kundur, P.; Balu, N.J.; Lauby, M.G. (Eds.) Power System Stability and Control; McGraw-Hill: New York, NY, USA, 1994; Volume 7. [Google Scholar]
  5. Krismanto, A.U.; Mithulananthan, N.; Shah, R.; Setiadi, H.; Islam, M.R. Small-Signal Stability and Resonance Perspectives in Microgrid: A Review. Energies 2023, 16, 1017. [Google Scholar] [CrossRef]
  6. Alnuman, H. Small Signal Stability Analysis of a Microgrid in Grid-Connected Mode. Sustainability 2022, 14, 9372. [Google Scholar] [CrossRef]
  7. Akinyemi, A.S.; Musasa, K.; Davidson, I.E. Analysis of voltage rise phenomena in electrical power network with high concentration of renewable distributed generations. Sci. Rep. 2022, 12, 7815. [Google Scholar] [CrossRef] [PubMed]
  8. Song, Y.; Sahoo, S.; Yang, Y.; Blaabjerg, F. Probabilistic Risk Evaluation of Microgrids Considering Stability and Reliability. IEEE Trans. Power Electron. 2023, 10302–10312. [Google Scholar] [CrossRef]
  9. Abubakr, H.; Yaqoob, M.; Barrios, M.A.; Agundis-Tinajero, G.D.; Farag, H.; Vasquez, J.C.; Guerrero, J.M. Inclusion of V2G and Power System Stabilizer for Residential Microgrid Applications. In Proceedings of the 2023 IEEE Conference on Power Electronics and Renewable Energy (CPERE), Luxor, Egypt, 15–17 February 2023; pp. 1–6. [Google Scholar] [CrossRef]
  10. Hendy, M.A.; Nayel, M.A. Sizing and Control of Isolated PV System for Self Sufficient House. In Proceedings of the 2023 IEEE Conference on Power Electronics and Renewable Energy (CPERE), Luxor, Egypt, 15–17 February 2023; pp. 1–6. [Google Scholar] [CrossRef]
  11. Zhao, H.; Peng, Y.; Zhao, F.; Shuai, Z. Transient Stability Emergency Control Strategy for Microgrids based on Parameter Rolling Regulation. In Proceedings of the 2023 5th Asia Energy and Electrical Engineering Symposium (AEEES), Chengdu, China, 23–26 March 2023; pp. 1004–1009. [Google Scholar] [CrossRef]
  12. Zhu, B.; Liu, Z.; Lei, H.; Liu, B.; Wang, D.; Mao, C. Stability Analysis of Multi-microgrid Dominated by Grid-forming Converter Based on Bifurcation Theory. In Proceedings of the 2023 5th Asia Energy and Electrical Engineering Symposium (AEEES), Chengdu, China, 23–26 March 2023; pp. 35–43. [Google Scholar] [CrossRef]
  13. Nandakumar, A.; Li, Y.; Zheng, H.; Zhao, J.; Zhao, D.; Zhang, Y.; Hong, T.; Chen, B. Data-Driven Modeling of Microgrid Transient Dynamics through Modularized Sparse Identification. IEEE Trans. Sustain. Energy 2023, 1–14. [Google Scholar] [CrossRef]
  14. Zhao, H.; Peng, Y.; Shuai, Z.; Zhao, F.; Shen, X. Online transient stability prediction method of microgrid considering different distributed energy resources’ interaction under current saturation. CSEE J. Power Energy Syst. 2023, 1–13. [Google Scholar] [CrossRef]
  15. Carbone, M.A.; Sajadi, A.; Murray, J.M.; Csank, J.T.; Loparo, K.A. Voltage Stability of Spacecraft Electric Power Systems for Deep Space Exploration. IEEE Access 2023, 11, 38828–38839. [Google Scholar] [CrossRef]
  16. Tripathy, Y.; Tyagi, B. Modelling and Small Signal Stability analysis of DC Microgrid. In Proceedings of the 2023 IEEE IAS Global Conference on Renewable Energy and Hydrogen Technologies (GlobConHT), Male, Maldives, 11–12 March 2023; pp. 1–6. [Google Scholar] [CrossRef]
  17. Hosseinpour, H.; MansourLakouraj, M.; Ben-Idris, M.; Livani, H. Large-signal Stability Analysis of Inverter-based Microgrids via Sum of Squares Technique. In Proceedings of the 2023 IEEE Texas Power and Energy Conference (TPEC), College Station, TX, USA, 13 February 2023; pp. 1–6. [Google Scholar] [CrossRef]
  18. Reddy, O.Y.J.J.; Chakraborty, A.K.; Guerrero, J.M. Stability Constrained Optimal Operation of Standalone DC Microgrids Considering Load and Solar PV Uncertainties. IEEE Trans. Power Deliv. 2023, 1–9. [Google Scholar] [CrossRef]
  19. Liu, X.-K.; Wang, S.-Q.; Chi, M.; Liu, Z.-W.; Wang, Y.-W. Resilient Secondary Control and Stability Analysis for DC Microgrids Under Mixed Cyber Attacks. IEEE Trans. Ind. Electron. 2023, 1–10. [Google Scholar] [CrossRef]
  20. Ge, L.; Du, T.; Li, C.; Li, Y.; Yan, J.; Rafiq, M.U. Virtual Collection for Distributed Photovoltaic Data: Challenges, Methodologies, and Applications. Energies 2022, 15, 8783. [Google Scholar] [CrossRef]
  21. Sun, B.; Li, Y.; Zeng, Y.; Chen, J.; Shi, J. Optimization planning method of distributed generation based on steady-state security region of distribution network. Energy Rep. 2022, 8, 4209–4222. [Google Scholar] [CrossRef]
  22. Lin, X.; Yu, R.; Yu, J.; Wen, H. Constant-Coupling-Effect-Based PLL for Synchronization Stability Enhancement of Grid-Connected Converter Under Weak Grids. IEEE Trans. Ind. Electron. 2022, 70, 11310–11323. [Google Scholar] [CrossRef]
  23. Farrokhabadi, M.; Canizares, C.A.; Simpson-Porco, J.W.; Nasr, E.; Fan, L.; Mendoza-Araya, P.A.; Tonkoski, R.; Tamrakar, U.; Hatziargyriou, N.D.; Lagos, D.; et al. Microgrid Stability Definitions, Analysis, and Examples. IEEE Trans. Power Syst. 2019, 35, 13–29. [Google Scholar] [CrossRef]
  24. Shezan, S.A.; Kamwa, I.; Ishraque, M.F.; Muyeen, S.M.; Hasan, K.N.; Saidur, R.; Rizvi, S.M.; Shafiullah, M.; Al-Sulaiman, F.A. Evaluation of Different Optimization Techniques and Control Strategies of Hybrid Microgrid: A Review. Energies 2023, 16, 1792. [Google Scholar] [CrossRef]
Figure 1. Block diagram of voltage stability phenomena.
Figure 1. Block diagram of voltage stability phenomena.
Energies 16 04895 g001
Figure 2. Schematic of radial system for describing voltage stability [4].
Figure 2. Schematic of radial system for describing voltage stability [4].
Energies 16 04895 g002
Figure 3. Scheme of the studied microgrid.
Figure 3. Scheme of the studied microgrid.
Energies 16 04895 g003
Figure 4. Simulation model of the studied microgrid.
Figure 4. Simulation model of the studied microgrid.
Energies 16 04895 g004
Figure 5. U–Q Self Sensitivity.
Figure 5. U–Q Self Sensitivity.
Energies 16 04895 g005
Figure 6. U-Q Curves.
Figure 6. U-Q Curves.
Energies 16 04895 g006
Figure 7. P–U Curves.
Figure 7. P–U Curves.
Energies 16 04895 g007
Figure 8. Eigenvalue of the Jacobian matrix.
Figure 8. Eigenvalue of the Jacobian matrix.
Energies 16 04895 g008
Figure 9. Bus participation factor with eigenvalue 0.002.
Figure 9. Bus participation factor with eigenvalue 0.002.
Energies 16 04895 g009
Figure 10. Bus participation factor with eigenvalue 0.019.
Figure 10. Bus participation factor with eigenvalue 0.019.
Energies 16 04895 g010
Figure 11. Branch participation factor.
Figure 11. Branch participation factor.
Energies 16 04895 g011
Figure 12. Microgrid in Scenario 2.
Figure 12. Microgrid in Scenario 2.
Energies 16 04895 g012
Figure 13. U–Q Self Sensitivity.
Figure 13. U–Q Self Sensitivity.
Energies 16 04895 g013
Figure 14. U-Q Curves.
Figure 14. U-Q Curves.
Energies 16 04895 g014
Figure 15. P–U Curves.
Figure 15. P–U Curves.
Energies 16 04895 g015
Figure 16. Eigenvalue of the Jacobian matrix.
Figure 16. Eigenvalue of the Jacobian matrix.
Energies 16 04895 g016
Figure 17. Bus participation with eigenvalue 0.002.
Figure 17. Bus participation with eigenvalue 0.002.
Energies 16 04895 g017
Figure 18. Bus participation with eigenvalue 0.018.
Figure 18. Bus participation with eigenvalue 0.018.
Energies 16 04895 g018
Figure 19. Branch participation factor.
Figure 19. Branch participation factor.
Energies 16 04895 g019
Table 1. Characteristics of the studied microgrid.
Table 1. Characteristics of the studied microgrid.
Power Line w1Power Line w2Power Line w3Power Line w4Power Line w5
Type of conductor4 ∗ 95 Al4 ∗ 95 Al4 ∗ 50 Al4 ∗ 35 Al4 ∗ 16 Al
Distance, l [km]0.010.070.160.1680.12
Active resistance at direct sequence, R1 [Ω/km]0.3080.3080.5940.831.795
Reactance at direct sequence, X1 [Ω/km]0.320.320.340.350.38
Active resistance at zero sequence, R0 [Ω/km]1.2321.2322.3763.327.18
Reactance at zero sequence, X0 [Ω/km]1.281.281.361.41.52
Rated current, IR [A]340340225180110
Table 2. U–Q Self Sensitivity.
Table 2. U–Q Self Sensitivity.
NameSensitivity [%/MVar]
1NO_7116.5825
2PV-591.8837
3PV-391.8837
4PV-491.8837
5NO_690.1140
6NO_559.0271
7NO_426.0595
8PV-118.8751
9PV-216.7312
10NO_311.8591
11NO_29.8780
Disclaimer/Publisher’s Note: The statements, opinions and data contained in all publications are solely those of the individual author(s) and contributor(s) and not of MDPI and/or the editor(s). MDPI and/or the editor(s) disclaim responsibility for any injury to people or property resulting from any ideas, methods, instructions or products referred to in the content.

Share and Cite

MDPI and ACS Style

Stanchev, P.; Vacheva, G.; Hinov, N. Evaluation of Voltage Stability in Microgrid-Tied Photovoltaic Systems. Energies 2023, 16, 4895. https://doi.org/10.3390/en16134895

AMA Style

Stanchev P, Vacheva G, Hinov N. Evaluation of Voltage Stability in Microgrid-Tied Photovoltaic Systems. Energies. 2023; 16(13):4895. https://doi.org/10.3390/en16134895

Chicago/Turabian Style

Stanchev, Plamen, Gergana Vacheva, and Nikolay Hinov. 2023. "Evaluation of Voltage Stability in Microgrid-Tied Photovoltaic Systems" Energies 16, no. 13: 4895. https://doi.org/10.3390/en16134895

APA Style

Stanchev, P., Vacheva, G., & Hinov, N. (2023). Evaluation of Voltage Stability in Microgrid-Tied Photovoltaic Systems. Energies, 16(13), 4895. https://doi.org/10.3390/en16134895

Note that from the first issue of 2016, this journal uses article numbers instead of page numbers. See further details here.

Article Metrics

Back to TopTop