An Adaptive Centralized Protection and Relay Coordination Algorithm for Microgrid
Abstract
1. Introduction
2. Literature Survey
- Initially the network structure is identified using a specified algorithm. For each change in the network structure, the topology is revised.
- Faults are induced in each line and the fault current through each relay is determined. The primary relay and back up relay have to be chosen accordingly for a fault based on the fault location. Similarly, the fault current at each location is identified.
- Load flow is carried out for the obtained structure. The minimum pick-up current calculated as 1.5 times rated current. The maximum pick-up current is calculated as 25% of maximum fault current.
- The time of operation of each relay is determined based on any one of the relay characteristics (normally inverse, very inverse, and extremely inverse).
- For example, the time of operation (top) of normally inverse characteristics of a relay is given bywhere α and β are constants, taken as 0.14 and 0.02, respectively for normal inverse characteristics. TMS represents Time Multiplier Setting, If represents the fault current and Ip represents pick-up current.
- The range of Time Multiplier Setting (TMS) and pick-up current forms the constraints. TMS varies from 0 to 1. Pick-up current varies from minimum (1.5 times rated current) to maximum value (25% of maximum fault current).
- The objective function for the optimization problem is defined in such a way as to minimize the overall operating time of relays. Then, an optimal solution is obtained based on any one of the optimization approaches.
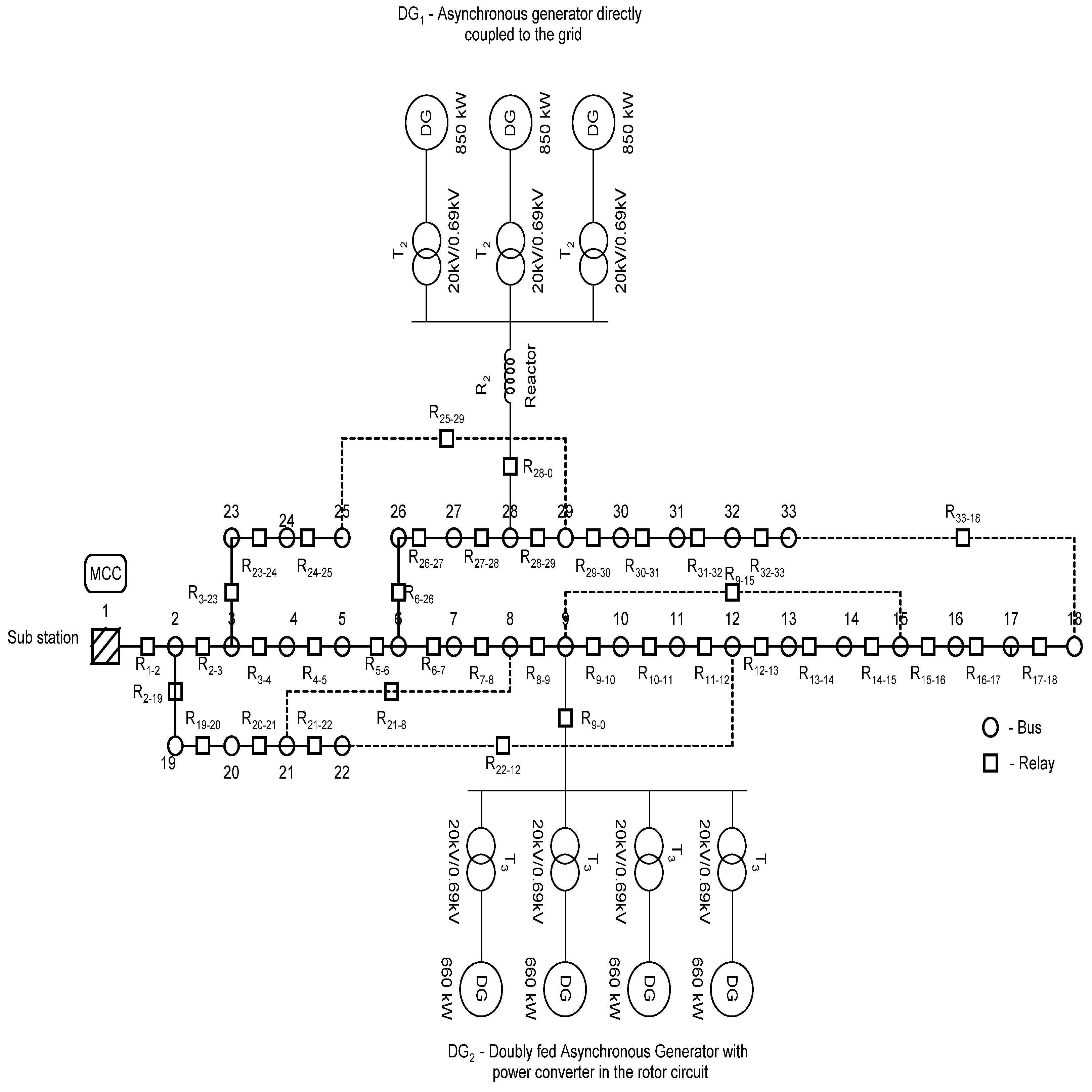
- An adaptive protection and relay coordination algorithm which suits microgrids with radial and looped configurations is presented. It is tested using matlab for IEEE 33 bus distribution system network-based microgrid.
- The performance analysis is carried out for the proposed algorithm.
- A comparison study is carried out between the proposed algorithm and similar work reported in literature.
3. Adaptive Centralized Microgrid Protection and Relay Coordination Scheme
3.1. Identification of Faulted Bus Using MCC
3.2. Microgrid Central Relay Coordination Algorithm
3.2.1. Protection and Relay Coordination Algorithm
- (i).
- Push relay that fails to open (assume Rb-c) into stack.
- (ii).
- From the mapping table, MCC determines the adjacent relay (Table 1) of failed relay. In this case, Rb-c is the failed relay. From the mapping table, Rb-c is connected between node b and c. MCC discards the node (b), which is already stored in faulted node sequence, and denotes the other node (c) as faulted source node.
3.2.2. Results and Discussion
4. Performance Measures
4.1. Speed of Operation
4.2. Sensitivity
4.3. Reliability
4.4. Selectivity
5. Comparison and Performance Analysis
6. Conclusions
Author Contributions
Funding
Data Availability Statement
Conflicts of Interest
References
- Lasseter, B. Role of Distributed Generation in Reinforcing the Critical Electric Power Infrastructure—Microgrids. IEEE WM Panel 2001, 1, 146–149. [Google Scholar]
- Ackermann, T.; Andersonn, G.; Soder, L. Distributed Generation: A definition. Electr. Power Syst. Res. 2001, 57, 195–204. [Google Scholar] [CrossRef]
- Guerrero, J.M.; Blaabjerg, F.; Li, Y.W.; Mohamed, Y.A.R.I.; Salama, M.M. Introduction to the Special Section on Distributed Generation and Microgrids. IEEE Trans. Ind. Electron. 2012, 60, 1251–1253. [Google Scholar] [CrossRef]
- Marhaba, M.S.; Farhangi, S.; Iman-Eini, H.; Iravani, R. Reactive power sharing improvement of droop controlled DFIG wind turbines in a microgrid. IET Gener. Transm. Distrib. 2018, 12, 842–849. [Google Scholar] [CrossRef]
- Laverty, D.M.; Best, R.J.; Morrow, D.J. Loss of mains protection system by application of phasor measurement unit technology with experimentally assesed threshold settings. IET Gener. Transm. Distrib. 2015, 9, 146–153. [Google Scholar] [CrossRef]
- Brearley, B.J.; Prabu, R.R. A review on issues and approaches for microgrid protection. Renew. Sustain. Energy Rev. 2017, 67, 988–997. [Google Scholar] [CrossRef]
- Alexandre, O.; Antonio, F. Adaptive network protection in microgrids. Int. J. Distrib. Energy Resour. 2009, 4, 201–225. [Google Scholar]
- Sharaf, H.M.; Zeineldin, H.H.; El-Saadany, E. Protection Coordination for Microgrids With Grid-Connected and Islanded Capabilities Using Communication Assisted Dual Setting Directional Overcurrent Relays. IEEE Trans. Smart Grid 2018, 9, 143. [Google Scholar] [CrossRef]
- Che, L.; Khodaiyar, M.E.; Shahidehpour, M. Adaptive protection system for microgrid. IEEE Electrif. Mag. 2014, 2, 66–80. [Google Scholar] [CrossRef]
- Senarathna, T.S.S.; Hemapala, K.T.M.U. Review of adaptive protection methods for microgrids. AIMS Energy 2019, 7, 557–578. [Google Scholar] [CrossRef]
- Najy, W.K.A.; Zeineldin, H.H.; Woon, W.L. Optimal protection coordination for microgrids with grid-connected and islanded capability. IEEE Trans. Ind. Electron. 2013, 60, 1668–1677. [Google Scholar] [CrossRef]
- Ghanbari, T.; Farjah, E. Unidirectional fault current limiter: An efficient interface between the microgrid and main network. IEEE Trans. Power Syst. 2013, 28, 1591–1598. [Google Scholar] [CrossRef]
- Ihamäki, J. Integration of Microgrids into Electricity Distribution Networks. Master’s Thesis, Lappeenranta University of Technology, Lappeenranta, Finland, 2012. [Google Scholar]
- Ustun, T.S. Design and Development of a Communication-Assisted Microgrid Protection System. Ph.D Thesis, School of Engineering and Science, Faculty of Health, Engineering and Science, Victoria University,, Footscray, Australia, 2013. [Google Scholar]
- Laaksonen, H.J. Protection principles for future microgrids. IEEE Trans. Power Electron. 2010, 25, 2910–2918. [Google Scholar] [CrossRef]
- Ustun, T.S.; Ozansoy, C.; Zayegh, A. Fault current coefficient and time delay assignment for microgrid protection system with central protection unit. IEEE Trans. Power Syst. 2013, 28, 598–606. [Google Scholar] [CrossRef]
- Ustun, T.S.; Ozansoy, C.; Zayegh, A. Modeling of a centralized microgrid protection system and distributed energy resources according to IEC 61850-7-420. IEEE Trans. Power Syst. 2012, 27, 1560–1567. [Google Scholar] [CrossRef]
- Ustun, T.S.; Ozansoy, C.; Zayegh, A. Differential Protection of Microgrids with Central Protection Unit Support. In Proceedings of the IEEE 2013 Tencon—Spring, Sydney, NSW, Australia, 17–19 April 2013; pp. 15–19. [Google Scholar] [CrossRef]
- Etemadi, A.H.; Iravani, R. Overcurrent and overload protection of directly voltage-controlled distributed resources in a microgrid. IEEE Trans. Ind. Electron. 2013, 60, 5629–5638. [Google Scholar] [CrossRef]
- Zamani, M.A.; Yazdani, A.; Sidhu, T.S. A communication-assisted protection strategy for inverter-based medium-voltage microgrids. IEEE Trans. Smart Grid 2012, 3, 2088–2099. [Google Scholar] [CrossRef]
- Zamani, M.A.; Sidhu, T.S.; Yazdani, A. Investigations into the control and protection of an existing distribution network to operate as a microgrid: A case study. IEEE Trans. Ind. Electron. 2014, 61, 1904–1915. [Google Scholar] [CrossRef]
- Sortomme, E.; Ren, J.; Venkata, S.S. A Differential Zone Protection Scheme for Microgrids. In Proceedings of the 2013 IEEE Power & Energy Society General Meeting, Vancouver, BC, Canada, 21–25 July 2013; pp. 1–5. [Google Scholar] [CrossRef]
- Haron, A.R.; Mohamed, A.; Shareef, H. Coordination of Overcurrent, Directional and Differential Relays for the Protection of Microgrid System. Procedia Technol. 2013, 11, 366–373. [Google Scholar] [CrossRef]
- Nthontho, M.P.; Chowdhury, S.P.; Winberg, S.; Chowdhury, S. Protection of Domestic Solar Photovoltaic Based Microgrid. In Proceedings of the 11th IET International Conference on Developments in Power Systems Protection (DPSP 2012), Birmingham, UK, 23–26 April 2012. [Google Scholar] [CrossRef]
- Brahma, S.M.; Girgis, A.A. Development of Adaptive Protection Scheme for Distribution Systems With High Penetration of Distributed Generation. IEEE Trans. Power Deliv. 2004, 19, 56–63. [Google Scholar] [CrossRef]
- Tong, X.; Wang, X.; Wang, R.; Huang, F.; Dong, X.; Hopkinson, K.M.; Song, G. The Study of a Regional Decentralized Peer-to-Peer Negotiation-Based Wide-Area Backup Protection Multi-Agent System. IEEE Trans. Smart Grid 2013, 4, 1197–1206. [Google Scholar] [CrossRef]
- Maleki, M.G.; Javadi, H.; Khederzadeh, M.; Farajzadeh, S. An Adaptive and Decentralized Protection Scheme for Microgrid Protection. Preprints.org 2019, 2019070251. Available online: https://www.preprints.org/manuscript/201907.0251/v1 (accessed on 8 July 2022). [CrossRef]
- Lin, H.; Liu, C.; Guerrero, J.M.; Vasquez, J.C. Distance Protection for Microgrids in Distribution System. In Proceedings of the IECON 2015—41st Annual Conference of the IEEE Industrial Electronics Society, Yokohama, Japan, 9–12 November 2015; pp. 731–736. [Google Scholar] [CrossRef]
- Lin, H.; Guerrero, J.M.; Vasquez, J.C.; Liu, C. Adaptive Distance Protection for Microgrids. In Proceedings of the IECON 2015—41st Annual Conference of the IEEE Industrial Electronics Society, Yokohama, Japan, 9–12 November 2015; pp. 725–730. [Google Scholar] [CrossRef]
- Kar, S.; Samantaray, S.R. Time-frequency transform-based differential scheme for microgrid protection. IET Gener. Transm. Distrib. 2014, 8, 310–320. [Google Scholar] [CrossRef]
- Kar, S.; Samantaray, S.R. Combined S-Transform and Data-Mining Based Intelligent Micro-Grid Protection Scheme. In Proceedings of the 2014 Students Conference on Engineering and Systems, Allahabad, India, 28–30 May 2014; pp. 1–5. [Google Scholar] [CrossRef]
- Saleh, S.A.; Ahshan, R.; Abu-Khaizaran, M.S.; Alsayid, B.; Rahman, M.A. Implementing and testing d-q WPT-based digital protection for microgrid systems. IEEE Trans. Ind. Appl. 2014, 50, 2173–2185. [Google Scholar] [CrossRef]
- Saleh, S.A. Signature-coordinated digital multirelay protection for microgrid systems. IEEE Trans. Power Electron. 2014, 29, 4614–4623. [Google Scholar] [CrossRef]
- Janssen, P. Monitoring, Protection and Fault Location in Power Distribution Using System-Wide-Measurements. Ph.D Thesis, Université Libre de Bruxelles, Brussels, Belgium, 2014. [Google Scholar]
- Li, X.; Dysko, A.; Burt, G.M. Traveling wave-based protection scheme for inverter-dominated microgrid using mathematical morphology. IEEE Trans. Smart Grid. 2014, 5, 2211–2218. [Google Scholar] [CrossRef]
- Salehi, V.; Mohamed, A.; Mazloomzadeh, A.; Mohammed, O.A. Laboratory-based smart power system, part II: Control, monitoring, and protection. IEEE Trans. Smart Grid 2012, 3, 1405–1417. [Google Scholar] [CrossRef]
- Sun, Y.; Cai, Z.; Zhang, Z.; Guo, C.; Ma, G.; Han, Y. Coordinated Energy Scheduling of a distributed multi microgrid system based on multi agent decisions. Energies 2020, 13, 4077. [Google Scholar] [CrossRef]
- Colson, C.M.; Nehrir, M.H. A Review of Challenges to Real-Time Power Management of Microgrids. In Proceedings of the 2009 IEEE Power & Energy Society General Meeting, Calgary, AB, Canada, 26–30 July 2009. [Google Scholar] [CrossRef]
- Coury, D.V.; Thorp, J.S.; Hopkinson, K.M.; Birman, K.P. Agent Technology Applied to Adaptive Relay Setting for Multi Terminal Lines. In Proceedings of the 2000 Power Engineering Society Summer Meeting (Cat. No.00CH37134), Seattle, WA, USA, 16–20 July 2000; Available online: https://ieeexplore.ieee.org/document/867549 (accessed on 5 September 2022).
- Kulasekera, A.L. Multi Agent Based Control and Protection for an Inverter Based Microgrid. Ph.D. Thesis, University of Moratuwa, Moratuwa, Sri Lanka, 2012; pp. 12–13. [Google Scholar]
- Birla, D.; Maheshwari, R.P.; Gupta, H.O. Time-overcurrent relay coordination: A review. Int. J. Emerg. Electr. Power Syst. 2005, 2, 1–13. [Google Scholar] [CrossRef]
- Gupta, A.; Swathika, O.V.G.; Hemamalini, S. Optimum Coordination of Overcurrent Relays in Distribution Systems Using Big-M and Dual Simplex Methods. In Proceedings of the 2015 International Conference on Computational Intelligence and Communication Networks (CICN), Jabalpur, India, 12–14 December 2015; pp. 1540–1543. [Google Scholar] [CrossRef]
- Bedekar, P.P.; Bhide, S.R.; Kale, V.S. Determining optimum TMS and PS of overcurrent relays using linear programming technique. In Proceedings of the The 8th Electrical Engineering/Electronics, Computer, Telecommunications and Information Technology (ECTI) Association of Thailand—Conference 2011, Khon Kaen, Thailand, 17–19 May 2011; pp. 700–703. [Google Scholar] [CrossRef]
- Kida, A.A.; Gallego, L.A. Optimal Coordination of Overcurrent Relays Using Mixed Integer Linear Programming. IEEE Lat. Am. Trans. 2016, 14, 1289–1295. [Google Scholar] [CrossRef]
- Ibrahim, D.K.; El Zahab, E.E.D.A.; Mostafa, S.A.E.A. New coordination approach to minimize the number of re-adjusted relays when adding DGs in interconnected power systems with a minimum value of fault current limiter. Int. J. Electr. Power Energy Syst. 2017, 85, 32–41. [Google Scholar] [CrossRef]
- Mohammadi, R.; Abyaneh, H.A.; Rudsari, H.M.; Fathi, S.H.; Rastegar, H. Overcurrent relays coordination considering the priority of constraints. IEEE Trans. Power Deliv. 2011, 26, 1927–1938. [Google Scholar] [CrossRef]
- Shih, M.Y.; Salazar, C.A.C.; Enríquez, A.C. Adaptive directional overcurrent relay coordination using ant colony optimisation. IET Gener. Transm. Distrib. 2015, 9, 2040–2049. [Google Scholar] [CrossRef]
- Tripathi, J.M.; Malik, S.K. An adaptive protection coordination strategy utilizing user defined characteristics of DOCRs in a microgrid. Electr. Power Syst. Res. 2023, 214, 108900. [Google Scholar] [CrossRef]
- Saha, D.; Datta, A.; Das, P. Optimal coordination of directional overcurrent relays in power systems using symbiotic organism search optimisation technique. IET Gener. Transm. Distrib. 2016, 10, 2681–2688. [Google Scholar] [CrossRef]
- Alkaran, D.S.; Vatani, M.R.; Sanjari, M.J.; Gharehpetian, G.B.; Naderi, M.S. Optimal Overcurrent Relay Coordination in Interconnected Networks by Using Fuzzy-Based GA Method. IEEE Trans. Smart Grid 2018, 9, 3091–3101. [Google Scholar] [CrossRef]
- Tjahjono, A.; Anggriawan, D.O.; Faizin, A.K.; Priyadi, A.; Pujiantara, M.; Taufik, T.; Purnomo, M.H. Adaptive modified firefly algorithm for optimal coordination of overcurrent relays. IET Gener. Transm. Distrib. 2017, 11, 2575–2585. [Google Scholar] [CrossRef]
- Sampaio, F.C.; Tofoli, F.L.; Melo, L.S.; Barrosso, G.C.; Sampaio, R.F.; Leao, R.P.S. Smart Protection system for microgrids with grid connected and islanded capabilities based on adaptive algorithm. Energies 2023, 16, 2273. [Google Scholar] [CrossRef]
- Ates, Y.; Uzunoglu, M.; Karakas, A.; Boynuegri, A.R.; Nadar, A.; Dag, B. Implementation of adaptive relay coordination in distribution systems including distributed generation. J. Clean. Prod. 2016, 112, 2697–2705. [Google Scholar] [CrossRef]
- Singh, M.; Vishnuvardhan, T.; Srivani, S.G. Adaptive protection coordination scheme for power networks under penetration of distributed energy resources. IET Gener. Transm. Distrib. 2016, 10, 3919–3929. [Google Scholar] [CrossRef]
- Aatee-Kachoee, A.; Hashemi Dezaki, H.; Ketabi, A. Optimized adaptive protection coordination of microgrids by dual setting directional overcurrent relays considering different topologies based on limited independent relays setting groups. Electr. Power Syst. Res. 2023, 214, 10879. [Google Scholar] [CrossRef]
- Swathika, O.V.G.; Hemamalini, S. Prims-Aided Dijkstra Algorithm for Adaptive Protection in Microgrids. IEEE J. Emerg. Sel. Top. Power Electron. 2016, 4, 1279–1286. [Google Scholar] [CrossRef]
- Baran, M.E.; Wu, F.F. Network Reconfiguration in distribution systems for loss reduction and load balancing. IEEE Trans. Power Deliv. 1989, 4, 1401–1407. [Google Scholar] [CrossRef]
- Guan, W.; Tan, Y.; Zhang, H.; Song, J. Distribution system feeder reconfiguration considering different model of DG sources. J. Electr. Power Energy Syst. 2015, 68, 210–221. [Google Scholar] [CrossRef]
- Abdelaziz, M. Distribution network configuration using a genetic algorithm with varying population size. J. Electr. Power Energy Syst. 2017, 142, 9–11. [Google Scholar] [CrossRef]
- Rajaram, R.; Kumar, K.S.; Rajasekar, N. Power system reconfiguration in a radial distribution network for reducing losses and to improve voltage profile using modified plant growth simulation algorithm with Distributed Generation (DG). Energy Rep. 2015, 1, 116–122. [Google Scholar] [CrossRef]
- IEEE Std C37.230.2007; IEEE Guide for Protective Relay Applications to Distribution Lines. IEEE Power Engineering Society Sponsored by the Power System Relaying Committee: Piscataway, NJ, USA, 2008.
- Thekla, N.; Boutsika, A.; Stavros, A.; Papathanassiou, B. Short-circuit calculations in networks with distributed generation. Electr. Power Syst. Res. 2008, 78, 1181–1191. [Google Scholar]
- Altuve, H.J.; Zimmerman, K.; Tziouvaras, D. Maximizing Line Protection Reliability, Speed, and Sensitivity. In Proceedings of the 2016 69th Annual Conference for Protective Relay Engineers (CPRE 2016), Atlanta, GA, USA, 20–22 April 2016. [Google Scholar]
- Yang, B.; Katsaros, K.V.; Chai, W.K.; Pavlou, G. Cost-Efficient Low Latency Communication Infrastructure for Synchrophasor Applications in Smart Grids. IEEE Syst. J. 2018, 12, 948–958. [Google Scholar] [CrossRef]
- Kansal, P.; Bose, A. Bandwidth and Latency Requirements for Smart Transmission Grid Applications. IEEE Trans. Smart Grid 2012, 3, 1344–1352. [Google Scholar] [CrossRef]
- Lo, C.-H.; Ansari, N. Decentralized Controls and Communications for Autonomous Distribution Networks in Smart Grid. IEEE Trans. Smart Grid 2013, 4, 66–77. [Google Scholar] [CrossRef]
- Kansal, P.; Bose, A. Smart Grid Communication Requirements for the High Voltage Power System. In Proceedings of the 2011 IEEE Power and Energy Society General Meeting, Detroit, MI, USA, 24–28 July 2011; pp. 1–6. [Google Scholar]
- Padhi, L.; Kartikeya, S.; Sivalingam, K.M.; Sai, S.S. Multi-Path Routing in Optical WDM Networks: Even Versus Uneven Split Bandwidth Allocation. In Proceedings of the International Conference on Signal Processing and Communications (SPCOM), Bangalore, India, 18–21 July 2010. [Google Scholar]
- Brearley, B.J.; Prabu, R.R.; Bose, K.R.; Sankaranarayanan, V. Adaptive relay co-ordination scheme for radial microgrid. Int. J. Ambient. Energy 2022, 43, 2180–2193. [Google Scholar] [CrossRef]







| Buses | Relays | ||||||||
|---|---|---|---|---|---|---|---|---|---|
| Ra-b | Ra-c | Rb-c | Rb-d | Rc-d | Rc-e | Rd-e | Rd-f | Re-f | |
| a | 1 | 1 | 0 | 0 | 0 | 0 | 0 | 0 | 0 |
| b | 1 | 0 | 1 | 1 | 0 | 0 | 0 | 0 | 0 |
| c | 0 | 1 | 1 | 0 | 1 | 1 | 0 | 0 | 0 |
| d | 0 | 0 | 0 | 1 | 1 | 0 | 1 | 1 | 0 |
| e | 0 | 0 | 0 | 0 | 0 | 1 | 1 | 0 | 1 |
| f | 0 | 0 | 0 | 0 | 0 | 0 | 0 | 1 | 1 |
| Bus No | From Bus | To Bus | Pick-up Current [A] | Fault Level (Local Relay Setting) | Fault Level for Fault at Bus 16 | KCL Evaluation by MCC for Fault at Bus 16 [A] | Fault Current for High-Impedance Fault at Bus 16 [A] | Fault Level for High-Impedance Fault at bus 16 | KCL Evaluation by MCC for High-Impedance Fault at Bus 16 [A] | Fault Current for High-Impedance Fault at Bus 16 (Without DG) [A] | Fault Level for High-Impedance Fault at Bus 16 (Without DG) | KCL Evaluation by MCC for High-Impedance Fault at Bus 16 (Without DG) [A] |
|---|---|---|---|---|---|---|---|---|---|---|---|---|
| 1 | 1 | 2 | 137 | 98.61 | 19.99 | 0 | 416.321 | 3.038 | 0 | 469 | 3.422 | 0 |
| 2 | 2 | 3 | 99.6 | 90.70 | 17.38 | 0 | 263.080 | 2.641 | 0 | 298 | 2.990 | 0 |
| 3 | 3 | 4 | 62.92 | 111.75 | 15.88 | 0 | 151.873 | 2.414 | 0 | 173 | 2.757 | 0 |
| 4 | 4 | 5 | 65.95 | 82.80 | 15.15 | 0 | 151.873 | 2.303 | 0 | 173 | 2.630 | 0 |
| 5 | 5 | 6 | 68 | 48.08 | 14.69 | 0 | 151.873 | 2.233 | 0 | 173 | 2.551 | 0 |
| 6 | 6 | 7 | 23.64 | 146.61 | 34.61 | 0 | 124.373 | 5.261 | 0 | 138 | 5.822 | 0 |
| 7 | 7 | 8 | 34.64 | 78.81 | 23.62 | 0 | 124.373 | 3.590 | 0 | 138 | 3.973 | 0 |
| 8 | 8 | 9 | 73.1 | 34.69 | 15.65 | 0 | 173.940 | 2.379 | 0 | 196 | 2.675 | 0 |
| 9 | 9 | 10 | 41.61 | 50.96 | 4.56 | 0 | 28.838 | 0.693 | 0 | 22 | 0.527 | 0 |
| 10 | 10 | 11 | 38.28 | 51.42 | 4.96 | 0 | 28.838 | 0.753 | 0 | 22 | 0.572 | 0 |
| 11 | 11 | 12 | 35.71 | 47.66 | 5.31 | 0 | 28.838 | 0.808 | 0 | 22 | 0.614 | 0 |
| 12 | 12 | 13 | 8.47 | 205.64 | 102.34 | 0 | 131.764 | 15.557 | 0 | 131 | 15.435 | 0 |
| 13 | 13 | 14 | 5.07 | 267.24 | 170.97 | 0 | 131.764 | 25.989 | 0 | 131 | 25.785 | 0 |
| 14 | 14 | 15 | 4.16 | 252.64 | 208.37 | 0 | 131.764 | 31.674 | 0 | 131 | 31.426 | 0 |
| 15 | 15 | 16 | 25.24 | 82.19 | 82.19 | 0 | 315.364 | 12.495 | 0 | 308 | 12.191 | 0 |
| 16 | 16 | 17 | 22.03 | 64.97 | 47.53 | 3121.6 | 159.174 | 7.225 | 474.54 | 161 | 7.322 | 469.010 |
| 17 | 17 | 18 | 18.89 | 65.80 | 55.43 | 0 | 159.174 | 8.426 | 0 | 161 | 8.539 | 0 |
| 18 | 2 | 19 | 41.17 | 274.45 | 24.60 | 0 | 153.948 | 3.739 | 0 | 172 | 4.171 | 0 |
| 19 | 19 | 20 | 44.41 | 85.46 | 22.80 | 0 | 153.948 | 3.467 | 0 | 172 | 3.867 | 0 |
| 20 | 20 | 21 | 48.03 | 64.31 | 21.08 | 0 | 153.948 | 3.205 | 0 | 172 | 3.575 | 0 |
| 21 | 21 | 22 | 23.3 | 125.30 | 29.37 | 0 | 104.025 | 4.465 | 0 | 113 | 4.851 | 0 |
| 22 | 3 | 23 | 44.46 | 151.10 | 16.52 | 0 | 111.656 | 2.511 | 0 | 125 | 2.807 | 0 |
| 23 | 23 | 24 | 43.12 | 90.30 | 17.03 | 0 | 111.656 | 2.589 | 0 | 125 | 2.894 | 0 |
| 24 | 24 | 25 | 47.39 | 56.05 | 15.50 | 0 | 111.656 | 2.356 | 0 | 125 | 2.633 | 0 |
| 25 | 6 | 26 | 49.35 | 89.91 | 3.72 | 0 | 27.878 | 0.565 | 0 | 37 | 0.742 | 0 |
| 26 | 26 | 27 | 51.27 | 75.98 | 3.58 | 0 | 27.878 | 0.544 | 0 | 37 | 0.714 | 0 |
| 27 | 27 | 28 | 53.35 | 44.51 | 3.44 | 0 | 27.878 | 0.523 | 0 | 37 | 0.687 | 0 |
| 28 | 28 | 29 | 92.61 | 20.62 | 3.44 | 0 | 48.427 | 0.523 | 0 | 37 | 0.396 | 0 |
| 29 | 29 | 30 | 41.26 | 82.58 | 25.38 | 0 | 159.174 | 3.858 | 0 | 161 | 3.910 | 0 |
| 30 | 30 | 31 | 14 | 170.36 | 74.79 | 0 | 159.174 | 11.370 | 0 | 161 | 11.522 | 0 |
| 31 | 31 | 32 | 6.74 | 319.60 | 155.36 | 0 | 159.174 | 23.616 | 0 | 161 | 23.933 | 0 |
| 32 | 32 | 33 | 10.33 | 184.81 | 101.36 | 0 | 159.174 | 15.409 | 0 | 161 | 15.616 | 0 |
| 21 | 8 | 28.72 | 48.13 | 11.45 | 0 | 50.005 | 1.741 | 0 | 59 | 2.044 | 0 | |
| 9 | 15 | 31.61 | 46.55 | 38.22 | 0 | 183.658 | 5.810 | 0 | 177 | 5.599 | 0 | |
| 22 | 12 | 27.39 | 51.17 | 24.98 | 0 | 104.025 | 3.798 | 0 | 113 | 4.126 | 0 | |
| 18 | 33 | 13.99 | 120.24 | 74.85 | 0 | 159.174 | 11.378 | 0 | 161 | 11.530 | 0 | |
| 25 | 29 | 62.5 | 34.65 | 11.75 | 0 | 111.656 | 1.786 | 0 | 125 | 1.997 | 0 |
| S. No | Parameters | Existing Work Reference [56] | Proposed Work |
|---|---|---|---|
| 1 | Primary relay operating time | Sum of execution time of fault detection algorithm (153 ms) and communication delay | No time delay involved for normal faults since the local relay opens immediately. For high-impedance fault the primary relay is opened only after receiving trip message from central controller. Thus for high-impedance fault operating time of primary relays is the Sum of execution time of fault detection algorithm i.e KCL (21 ms) and communication delay (0.010933 ms) |
| 2 | Fault current elimination | DGs feed the fault in alternate path. | DGs do not feed the fault in alternate path. |
| 3 | Algorithm is applicable for | Microgrid with radial configuration | Microgrid with radial and looped configuration |
Disclaimer/Publisher’s Note: The statements, opinions and data contained in all publications are solely those of the individual author(s) and contributor(s) and not of MDPI and/or the editor(s). MDPI and/or the editor(s) disclaim responsibility for any injury to people or property resulting from any ideas, methods, instructions or products referred to in the content. |
© 2023 by the authors. Licensee MDPI, Basel, Switzerland. This article is an open access article distributed under the terms and conditions of the Creative Commons Attribution (CC BY) license (https://creativecommons.org/licenses/by/4.0/).
Share and Cite
Kannaian, R.B.; Joseph, B.B.; Ramachandran, R.P. An Adaptive Centralized Protection and Relay Coordination Algorithm for Microgrid. Energies 2023, 16, 4820. https://doi.org/10.3390/en16124820
Kannaian RB, Joseph BB, Ramachandran RP. An Adaptive Centralized Protection and Relay Coordination Algorithm for Microgrid. Energies. 2023; 16(12):4820. https://doi.org/10.3390/en16124820
Chicago/Turabian StyleKannaian, Regin Bose, Belwin Brearley Joseph, and Raja Prabu Ramachandran. 2023. "An Adaptive Centralized Protection and Relay Coordination Algorithm for Microgrid" Energies 16, no. 12: 4820. https://doi.org/10.3390/en16124820
APA StyleKannaian, R. B., Joseph, B. B., & Ramachandran, R. P. (2023). An Adaptive Centralized Protection and Relay Coordination Algorithm for Microgrid. Energies, 16(12), 4820. https://doi.org/10.3390/en16124820
