Contribution to Active Thermal Protection Research—Part 2 Verification by Experimental Measurement
Abstract
1. Introduction
2. Objectives of the Research and Methodology
2.1. Objectives of the Research
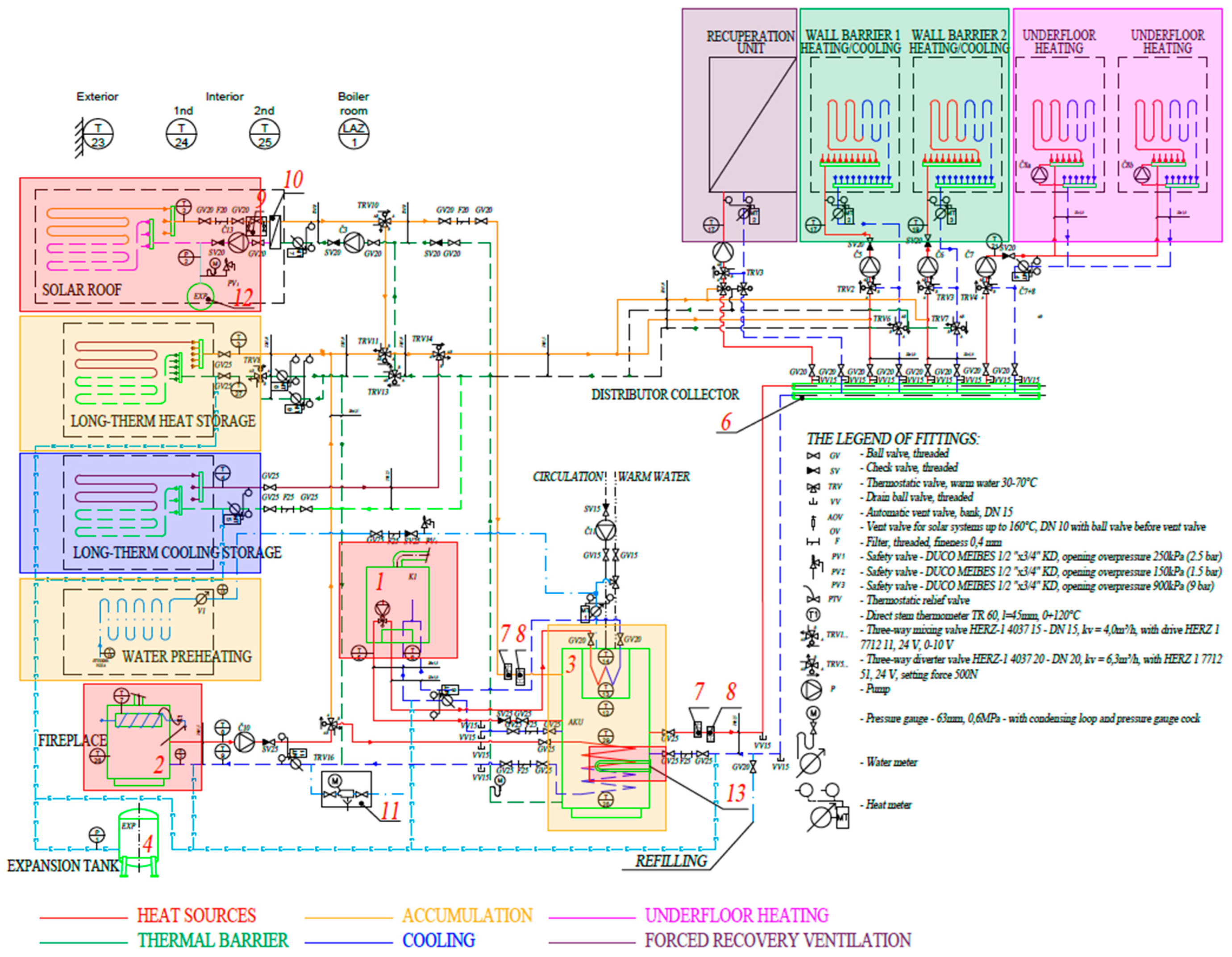
- illustrate the wiring diagram of the energy systems and heat/cooling sources of the EB2020 experimental house;
- describe the implementation of the experimental house EB2020;
- present the experimental measurements carried out;
- validate the results of the experimental measurements;
- define the optimal way of operating the ATP in different energy functions;
- synthesize the knowledge obtained by scientifically solving the set objectives;
- transform the necessary data for ATP design;
- induce analogous forms of design solutions and define recommendations for ATP application;
- transform the knowledge obtained by research to develop science and technology in building structures with integrated energy-active elements.
2.2. Methodology of Experimental Measurement
2.2.1. Description of the Operation of Heat Sources and Energy Systems on the Experimental Family House EB2020
| 1 | BUDERUS low-temperature gas boiler—U052-24—8.9–24 kW, the boiler includes a three-way switching valve and a pump; |
| 2 | Fireplace insert EDILKAMIN—ACQUATONDO 22–25.6 kW—with cooling loop; |
| 3 | Combined storage tank—REHAU -SOLECT 750/180—575 L of storage water, 180 L of hot water; |
| 4 | Pressure expansion vessel REFLEX-N 250/6 with a volume of 250 L, initial system pressure 1 bar, final system pressure 2.25 bar; |
| 5 | Pressure expansion vessel REFLEX-EN R 35/3 with a volume of 35 L, initial system pressure 0.8 bar, final system pressure 1.35 bar; |
| 6 | Combined distributor and collector—D.N. 32; |
| 7 | Air separator, absorption, threaded—FLAMCO—FLAMCOVENT—D.N. 25; |
| 8 | Dehumidifier threaded—FLAMCO—CLEAN—D.N. 25; |
| 9 | Filling and draining fitting; |
| 10 | Plate heat exchanger—26 kW—ALFALAVAL CB77-70H; |
| 11 | Device for automatic refilling of water into a closed system—HONEYWELL NK295S(including ball valves, filter, check valve, pressure reducing valve, and pressure gauge; |
| 12 | Pressure expansion vessel REFLEX-S 12/10 with a volume of 12 L, initial system pressure 0.4 bar, final system pressure 1.5 bar; |
| 13 | Electric resistance coil. |
2.2.2. Breakdown of the Measurement Methodology
- ▪
- methodology in terms of measured quantities and measurement points;
- ▪
- methodology in terms of the measuring instruments used;
- ▪
- methodology in terms of measurement time.
2.2.2.1. Measurement Methodology in Terms of Measured Quantities and Measurement Points
- ▪
- the temperature of supply and return heat-transfer medium (°C)—in circuits of individual heat sources, heat reservoirs in ATP circuits, and in low-temperature underfloor heating circuits return pipe temperature (°C);
- ▪
- the flow rate of heat carrier (m3/h)—in circuits of individual heat sources, heat reservoirs in ATP circuits, and low-temperature underfloor heating circuits;
- ▪
- heat consumption (G.J.)—at the outlet of the individual heat sources (solar roof, low-temperature gas boiler, and hot-water fireplace insert), at the outlet of the ground storage tank, the combined heat storage tank, and at the inlet of the individual consumer circuits (ATP, low-temperature underfloor heating, and heat recovery unit) (Note: ATP is marked as “wall barrier” in the diagram);
- ▪
- cooling consumption (G.J.)—at the outlet of the cold ground store and at the inlet of the ATP circuits in the large-wall barrier cooling function in summer;
- ▪
- power (kW)—ATP circuits and underfloor heating;
- ▪
- outside air temperature (°C)—on the north side of the building;
- ▪
- indoor air temperature (°C)—on the first and second floors;
- ▪
- overflow volume (m3);
- ▪
- the temperature at the exit of the energy roof in front of the plate heat exchanger (°C);
- ▪
- surface temperatures of building structures (°C).
2.2.2.2. Measurement Methodology in Terms of Measured Quantities and Measurement Points
- ▪
- ambient temperature: 5 to 55 °C;
- ▪
- temperature range: 1 to 150 °C;
- ▪
- temperature resolution: 0.01 °C;
- ▪
- minimum temperature difference: 0.2 K;
- ▪
- ▪
- measuring range: −30 to 950 °C;
- ▪
- measurement accuracy: ±0.75 °C, (at 20 to 99.99 °C);
- ▪
- temperature resolution: 0.1 °C;
- ▪
- emission factor adjustable from 0.1 to 1.
- ▪
- temperature range: −20 to 250 °C;
- ▪
- measurement accuracy: ±2 °C or ±2% of the measured range;
- ▪
- temperature resolution: 0.1 °C;
- ▪
- emission factor adjustable from 0.1 to 1;
- ▪
- video sensor: CMOS, 640 × 480 pixels, 24-bit color depth;
- ▪
- spectral range 8–14 μm.
2.2.2.3. Measurement Methodology in Terms of Measured Quantities and Measurement Points
- ▪
- supply-pipe temperature (°C),
- ▪
- return-duct temperature (°C),
- ▪
- power (kW),
- ▪
- flow rate (m3/h),
- ▪
- overflow volume (m3),
- ▪
- heat (G.J.),
- ▪
- outside-air temperature (°C),
- ▪
- indoor-air temperature at 1st floor (°C),
- ▪
- second-floor indoor air temperature (°C),
- ▪
- the temperature at the exit of the energy roof in front of the plate heat exchanger (°C) was recorded at 5 min intervals.
3. Results
3.1. Project and Implementation of the Experimental Family House EB2020
3.2. Results of Experimental Measurements of Energy Functions ATP
3.2.1. ATP Measurements as a Thermal Barrier
3.2.2. ATP Measurements in the Wall Heating Function
3.2.3. ATP Measurements in the Wall Cooling Function
4. Discussion
5. Conclusions
6. Patents
Author Contributions
Funding
Institutional Review Board Statement
Informed Consent Statement
Data Availability Statement
Acknowledgments
Conflicts of Interest
References
- Kalús, D.; Janík, P.; Kubica, M. Experimental house EB2020–Research and experimental measurements of an energy roof. Energy Build. 2021, 248, 111172. [Google Scholar] [CrossRef]
- Kalús, D.; Janík, P.; Koudelková, D.; Mučková, V.; Sokol, M. Contribution to research on ground heat storages as part of building energy systems using RES. Energy Build. 2022, 267, 112125. [Google Scholar] [CrossRef]
- ISOMAX—TERRASOL BUILDING TECHNOLOGIES®. Successor to Isomax—Solinterra. Available online: https://www.solinterra.si/en/about-solinterra.html (accessed on 27 March 2023).
- Janík, P. Optimalizácia Energetických Systémov s Dlhodobou Akumuláciou Tepla. (Optimization of energy systems with long-term heat accumulation). Ph.D. Thesis, Faculty of Civil Engineering, Slovak University of Technology in Bratislava, Bratislava, Slovak Republic, 2013; 185p. SvF-13422-16657. [Google Scholar]
- Kalús, D. The Contract for Work HZ PR10/2015—Zmluva o Dielo HZ PR10/2015—Analýza Energetických, Ekonomických, Environmentálnych Aspektov a Experimentálnych Meraní Kompaktných Zariadení Energetických Systémov pre Aplikáciu Obnoviteľných Zdrojov Energie (Analysis of Energy, Economic, Environmental Aspects and Experimental Measurements of Compact Equipment of Energy Systems for the Application of Renewable Energy Sources); K-TZB SvF STUz: Bratislava, Slovak Republic, 2015. [Google Scholar]
- Dezfouli, M.M.S.; Dehghani-Sanij, A.R.; Kadir, K.; Sopian, K. Development and life cycle cost analysis of a solar hybrid HVAC system for use in buildings in tropical climates. Sustain. Energy Technol. Assess. 2023, 57, 103143. [Google Scholar] [CrossRef]
- Available online: https://www.sciencedirect.com/science/article/pii/S2213138823001364 (accessed on 1 June 2023).
- Horák, P.; Formánek, M.; Fečer, T.; Plášek, J. Evaporation of refrigerant R134a, R404A and R407C with low mass flux in smooth vertical tube. Int. J. Heat Mass Transf. 2021, 181, 121845. [Google Scholar] [CrossRef]
- Formánek, M.; Horák, P.; Diblík, J.; Hirš, J. Experimental increase in the efficiency of a cooling circuit using a desuperheater. Period. Polytech. Civ. Eng. 2016, 60, 355–360. [Google Scholar] [CrossRef]
- Jurča, J.; Horák, P. Influence of Sustainability on Comprehensive Assessment of Buildings. IOP Conf. Ser. Earth Environ. Sci. 2019, 214, 012049. Available online: https://iopscience.iop.org/article/10.1088/1755-1315/214/1/012049 (accessed on 14 November 2017). [CrossRef]
- Dehghani-Sanij, A.R.; Tharumalingam, E.; Dusseault, M.B.; Fraser, R. Study of energy storage systems and environmental challenges of batteries. Renew. Sustain. Energy Rev. 2019, 104, 192–208. [Google Scholar] [CrossRef]
- Ingeli, R.; Gašparík, J.; Paulovičová, L. Impact of an innovative solution for the interruption of 3-D point thermal bridges in buildings on sustainability. Sustainability 2021, 13, 11561. [Google Scholar] [CrossRef]
- Ingeli, R.; Buday, P. Analysis of Smart Zone Heating in Different Heating Systems. Period. Polytech. Mech. Eng. 2021, 65, 302–309. [Google Scholar] [CrossRef]
- Junaid, M.F.; ur Rehman, Z.; Čekon, M.; Čurpek, J.; Farooq, R.; Cui, H.; Khan, I. Inorganic phase change materials in thermal energy storage: A review on perspectives and technological advances in building applications. Energy Build. 2021, 252, 111443. [Google Scholar] [CrossRef]
- Soltani, M.; Moradi Kashkooli, F.; Dehghani-Sanij, A.R.; Nokhosteen, A.; Ahmadi-Joughi, A.; Gharali, K.; Mahbaz, S.B.; Dusseault, M.B. A comprehensive review of geothermal energy evolution and development. Int. J. Green Energy 2019, 16, 971–1009. [Google Scholar] [CrossRef]
- Čurpek, J.; Čekon, M. Climate response of a BiPV façade system enhanced with latent PCM-based thermal energy storage. Renew. Energy. 2020, 152, 368–384. [Google Scholar] [CrossRef]
- Dezfouli, M.M.; Sopian, K.; Kadir, K. Energy and performance analysis of solar solid desiccant cooling systems for energy efficient buildings in tropical regions. Energy Convers. Manag. X 2022, 14, 100186. [Google Scholar] [CrossRef]
- Čurpek, J.; Čekon, M.; Šikula, O.; Slávik, R. Thermodynamic responses of adaptive mechanisms in BiPV façade systems coupled with latent thermal energy storage. Energy Build. 2023, 279, 112665. [Google Scholar] [CrossRef]
- Poós, T.; Sebesi, V.; Varju, E.; Szabó, V. Dimensionless evaporation rate at tubular artificial flow. In Proceedings of the 4th International Scientific Conference on Advances in Mechanical Engineering, Debrecen, Hungary, 13–15 October 2016. Available online: https://www.researchgate.net/publication/336241794_Dimensionless_evaporation_rate_at_tubular_artificial_flow (accessed on 12 October 2016).
- Kalús, D. Heat Insulating Panel with Active Regulation of Heat Transition. European Patent EP 2 572 057 B1, 15 October 2014. Available online: https://register.epo.org/application?number=EP11716446&tab=main&lng=en (accessed on 15 October 2014).
- Kalús, D. UTILITY MODEL SK 5725 Y1 (UTILITY MODEL): Tepelnoizolačný Panel pre Systémy s Aktívnym Riadením Prechodu Tepla. [Thermal Insulation Panel for Systems with Active Heat Transfer Control]. Date of Entry into Force of the Utility Model: 25.2.2011 In: Vestník ÚPV SR No.: 4/2011, p. 63. Available online: https://wbr.indprop.gov.sk/WebRegistre/UzitkovyVzor/Detail/5031-2010 (accessed on 25 February 2011).
- Kalús, D. UTILITY MODEL SK 5749 Y1 (UTILITY MODEL): Spôsob Prevádzky Kombinovaného Stavebno-Energetického systému Budov a Zariadenie. [Method of Operation of a Combined Construction-Energy System of Buildings and Equipment.] Date of Entry into Force of the Utility Model: 1.4.2011 In: Vestník ÚPV SR No.: 5/2011, p. 23. Available online: https://wbr.indprop.gov.sk/WebRegistre/UzitkovyVzor/Detail/5027-2010 (accessed on 1 April 2011).
- Kalús, D. UTILITY MODEL SK 5729 Y1 (UTILITY MODEL): Samonosný Tepelnoizolačný Panel Pre Systémy s Aktívnym Riadením Prechodu Tepla. [Self-Supporting Thermal Insulation Panel for Systems with Active Heat Transfer Control.] Date of Entry into Force of the Utility Model: 28.2.2011 In: Vestník ÚPV SR No.: 4/2011, p. 32. Available online: https://wbr.indprop.gov.sk/WebRegistre/UzitkovyVzor/Detail/5030-2010 (accessed on 28 February 2011).


















































| Evaluation of the Energy Performance of the Experimental House | ||
|---|---|---|
| Design heat input according to EN 12831 (for −11 °C, interior +20 °C) | 5.44 | kW |
| Measured performance at −15 °C, interior +22.5 °C | 6.5 | kW |
| Theoretical energy demand for heating according to STN 38 3350 (for Bratislava area and indoor temperature +20 °C) | 41.5 | GJ/a |
| Measured actual heating energy consumption per year (average indoor temperature +22.5 °C) | 28.86 | GJ/a |
| Theoretical energy demand for hot water preparation STN 38 3350 | 18.20 | GJ/a |
| Measured actual energy consumption for hot water preparation per year | 9.60 | GJ/a |
| Specific thermal energy demand for heating—theoretical—Decree No 35/2020 of the Collection of Laws | 61.37 (B) | kWh/(m2·year) |
| Specific thermal energy demand for heating - actually measured—Decree No 35/2020 of the Collection of Laws | 41.50 (A) | kWh/(m2·a) |
| Specific thermal energy demand for the preparation of hot water—theoretical—Decree No 35/2020 of the Collection of Laws | 27.21 (C) | kWh/(m2·a) |
| Specific thermal energy demand for the preparation of hot water—actually measured—Decree No 35/2020 of the Collection of Laws | 14.35 (B) | kWh/(m2·a) |
| % Savings of actual measured values of energy consumption for heating compared to theoretical values | 30.46 | % |
| % Savings of actual measured values of hot water energy consumption compared to theoretical values | 47.25 | % |
| Energy Carrier | |||||
|---|---|---|---|---|---|
| Natural Gas | Wood | Electricity | |||
| Experimental house EB2020 without application of ATP and use of solar and geothermic energy | |||||
| Specific energy demand for heating (kWh/(m2·a)) | 61.37 | B | 40.81 | 17.49 | 3.07 |
| Specific energy demand for DHW (kWh/(m2·a)) | 27.21 | C | 18.09 | 7.75 | 1.36 |
| Delivered specific energy demand (kWh/(m2·a)) | 88.58 | B | 58.91 | 25.25 | 4.43 |
| Primary energy (kWh/(m2·a)) | 77.06 | A1 | 64.80 | 2.52 | 9.74 |
| CO2 emissions (kg/(m2·a)) | 14.20 | - | 12.96 | 0.50 | 0.74 |
| Experimental house EB2020 with application of ATP and use of solar and geothermic energy | |||||
| Specific energy demand for heating (kWh/(m2·a)) | 41.50 | A | 27.60 | 11.83 | 2.08 |
| Specific energy demand for DHW (kWh/(m2·a)) | 14.35 | B | 9.54 | 4.09 | 0.72 |
| Delivered specific energy demand (kWh/(m2·a)) | 55.85 | B | 37.14 | 15.92 | 2.79 |
| Primary energy (kWh/(m2·a)) | 48.59 | A0 | 40.85 | 1.59 | 6.14 |
| CO2 emissions (kg/(m2·a)) | 8.96 | - | 8.17 | 0.32 | 0.47 |
Disclaimer/Publisher’s Note: The statements, opinions and data contained in all publications are solely those of the individual author(s) and contributor(s) and not of MDPI and/or the editor(s). MDPI and/or the editor(s) disclaim responsibility for any injury to people or property resulting from any ideas, methods, instructions or products referred to in the content. |
© 2023 by the authors. Licensee MDPI, Basel, Switzerland. This article is an open access article distributed under the terms and conditions of the Creative Commons Attribution (CC BY) license (https://creativecommons.org/licenses/by/4.0/).
Share and Cite
Kalús, D.; Mučková, V.; Koudelková, D.; Kurčová, M.; Straková, Z.; Sokol, M.; Ingeli, R.; Šťastný, P.; Janík, P. Contribution to Active Thermal Protection Research—Part 2 Verification by Experimental Measurement. Energies 2023, 16, 4595. https://doi.org/10.3390/en16124595
Kalús D, Mučková V, Koudelková D, Kurčová M, Straková Z, Sokol M, Ingeli R, Šťastný P, Janík P. Contribution to Active Thermal Protection Research—Part 2 Verification by Experimental Measurement. Energies. 2023; 16(12):4595. https://doi.org/10.3390/en16124595
Chicago/Turabian StyleKalús, Daniel, Veronika Mučková, Daniela Koudelková, Mária Kurčová, Zuzana Straková, Martin Sokol, Rastislav Ingeli, Patrik Šťastný, and Peter Janík. 2023. "Contribution to Active Thermal Protection Research—Part 2 Verification by Experimental Measurement" Energies 16, no. 12: 4595. https://doi.org/10.3390/en16124595
APA StyleKalús, D., Mučková, V., Koudelková, D., Kurčová, M., Straková, Z., Sokol, M., Ingeli, R., Šťastný, P., & Janík, P. (2023). Contribution to Active Thermal Protection Research—Part 2 Verification by Experimental Measurement. Energies, 16(12), 4595. https://doi.org/10.3390/en16124595

