Eigen-Sensitivity-Based Sliding Mode Control for LFO Damping in DFIG-Integrated Power Systems
Abstract
1. Introduction
1.1. Background of This Paper
1.2. Literature Review and Comparison
1.3. Contribution of This Paper
1.4. Layout of This Paper
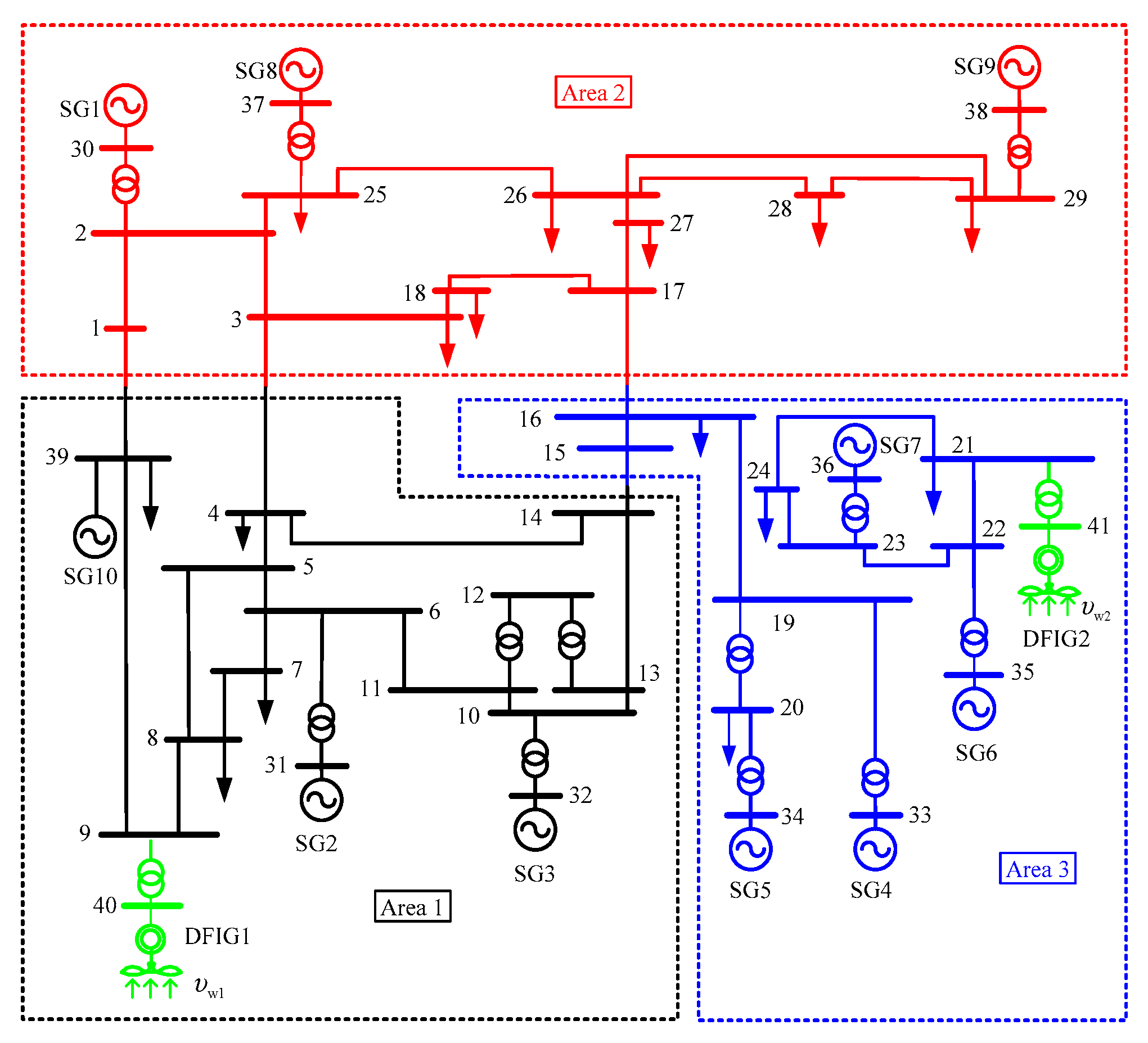
2. Model of DFIG-Integrated Power System
3. Second-Order SMC Design for LFO Damping
3.1. Sliding Surface Design
3.2. Super-Twisting Algorithm-Based Switch Control Design
3.3. Improved Equivalent Control of SMC
4. Optimization to Keq Based on The Second Eigen-Sensitivity
4.1. Optimization Model to Keq
4.2. The First- and Second-Order Eigen-Sensitivities
4.3. Framework of Eigen-Sensitivity-Based Second-Order SMC
5. Case Study
5.1. Deciding the Location of SMC Based on Eigen-Analysis
5.1.1. Impact of DFIG on LFO
5.1.2. Selecting the Sliding Surface
5.1.3. The Optimal Location of SMC
5.2. Validation of Impact of Equivalent Control
5.2.1. Effect of Conventional Equivalent Control
5.2.2. Effect of Improved Equivalent Control
5.2.3. Validation of Damping Effect of the Proposed SMC
5.3. Validation of Robustness of SMC
6. Conclusions
- (1)
- Using the existing SMC with the equivalent control, the damping ratio of noncritical modes may be decreased, which is avoided in this paper with the proposed improved equivalent control of the gain constrained by the optimization model.
- (2)
- The analytical model of the eigen-sensitivity is the basis to derive the optimization model for the gain. The eigenvector sensitivity is necessary to find the second-order eigen-sensitivity.
- (3)
- Compared with the existing SMC, the proposed SMC not only damps the LFO effectively, but also accelerates the states reaching the sliding surface; hence, it saves time for the LFO damping. It is robust with different wind speeds.
Author Contributions
Funding
Data Availability Statement
Conflicts of Interest
Nomenclature
| Abbreviations | |
| DFIG | Doubly fed induction generator. |
| GSC, RSC | Grid/rotor-side converter. |
| LFO | Low-frequency oscillation. |
| PAC | Pitch angle control. |
| POD | Power oscillation damper. |
| PSS | Power system stabilizer. |
| SG | Synchronous generator. |
| SMC | Sliding mode control. |
| WT | Wind turbine. |
| Notations | |
| A, B, C, D, E, F | Coefficient matrices. |
| Asys | State matrix of power systems. |
| F | Objective function. |
| I | Identity matrix. |
| L, o, q | Lagrange function, Lagrange multipliers. |
| p | Participation factor. |
| s, u | Sliding surface, control signal of the SMC. |
| V, I, Y | Voltage, current, and admittance matrix |
| w, v | Left/right eigenvector. |
| x, y | State/algebraic variable. |
| υw | Wind speed. |
| ω, f | Rotor speed and frequency. |
| δ | Power angle. |
| ρ | Electromechanical loop participation ratio. |
| λ, ξ | Eigenvalue and damping ratio. |
| σ, μ | Real/imaginary part of eigenvalues. |
| κ, l | Slack variables. |
| Δ | Deviation of variables. |
| N | Number of state variables |
| M | Number of algebraic variables |
| Subscripts | |
| c | Critical mode. |
| eq | Equivalent control. |
| eq* | Improved equivalent control. |
| sw | Switch control. |
| s, r | Stator and rotor. |
| d, q | Direct/quadrature axis. |
| MT | Mechanical transient. |
| T | Transmission system. |
| t | Transfer shaft. |
| 0 | Initial value. |
| lim | Marginal value. |
| Superscripts | |
| min, max | Minimum/maximum value. |
| * | Reference value. |
References
- Abdalzaher, M.S.; Fouda, M.M.; Ibrahem, M.I. Data privacy preservation and security in smart metering systems. Energies 2022, 15, 7419. [Google Scholar] [CrossRef]
- Abdalzaher, M.S.; Fouda, M.M.; Emran, A.; Fadlullah, Z.M.; Ibrahem, M.I. A survey on key management and authentication approaches in smart metering systems. Energies 2023, 16, 2355. [Google Scholar] [CrossRef]
- Wu, Z.; Li, S. Reliability evaluation and sensitivity analysis to AC/UHVDC systems based on sequential Monte Carlo simulation. IEEE Trans. Power Syst. 2019, 34, 3156–3167. [Google Scholar] [CrossRef]
- Li, S.; Dong, W. Wind power system reliability sensitivity analysis by considering forecast error based on non-standard third-order polynomial normal transformation method. Electr. Power Syst. Res. 2019, 167, 122–129. [Google Scholar] [CrossRef]
- Li, S.; Zhang, H. Improved eigen-sensitivity with respect to transfer function of DFIG-PSS in wind power systems. Electr. Power Compon. Syst. 2021, 48, 1735–1746. [Google Scholar]
- Du, W.; Chen, X.; Wang, H. DFIG oscillation modes causing strong dynamic interactions to degrade the damping of power system low-frequency electromechanical oscillations. Electr. Power Compon. Syst. 2019, 47, 288–300. [Google Scholar] [CrossRef]
- Yu, Y.; Min, Y.; Grijalva, S.; Thomas, J.J.; Xiong, L.; Ju, P.; Min, Y. Oscillation energy analysis of inter-area low-frequency oscillations in power systems. IEEE Trans. Power Syst. 2016, 31, 1195–1203. [Google Scholar] [CrossRef]
- Wang, Z.; Shen, C.; Liu, F. Probabilistic analysis of small signal stability for power systems with high penetration of wind generation. IEEE Trans. Sustain Energy 2016, 7, 1182–1193. [Google Scholar] [CrossRef]
- Ma, J.; Zhang, Y.; Shen, Y. Equipment-level locating of low frequency oscillating source in power system with DFIG integration based on dynamic energy flow. IEEE Trans. Power Syst. 2020, 35, 3433–3447. [Google Scholar] [CrossRef]
- Gupta, A.K.; Verma, K.; Niazi, K.R. Dynamic impact analysis of DFIG-based wind turbine generators on low-frequency oscillations in power system. IET Gener. Transm. Dis. 2017, 11, 4500–4510. [Google Scholar] [CrossRef]
- Kayikci, M.; Milanovic, J.V. Dynamic contribution of DFIG-based wind plants to system frequency disturbances. IEEE Trans. Power Syst. 2009, 24, 859–867. [Google Scholar] [CrossRef]
- Chaudhuri, N.R.; Chaudhuri, B. Considerations toward coordinated control of DFIG-based wind farms. IEEE Trans. Power Deliv. 2013, 28, 1263–1270. [Google Scholar] [CrossRef]
- Isbeih, Y.J.; Moursi, M.S.E. H∞ mixed-sensitivity robust control design for damping low-frequency oscillations with DFIG wind power generation. IET Gener. Transm. Dis. 2019, 13, 4274–4286. [Google Scholar] [CrossRef]
- Jawaharlal, B.; Vasundhara, M. Mathematical modelling and stability analysis of PSS for damping LFOs of wind power system. IET Renew. Power Gener. 2019, 13, 103–115. [Google Scholar]
- Fan, L.; Yin, H.; Miao, Z. On active/reactive power modulation of DFIG-based wind generation for interarea oscillation damping. IEEE Trans. Energy Convers. 2011, 26, 513–521. [Google Scholar]
- Ajit, K. Power system stabilizers design for multimachine power systems using local measurements. IEEE Trans. Power Syst. 2016, 31, 2163–2171. [Google Scholar]
- Du, W.; Dong, W.; Wang, Y.; Wang, H. A method to design power system stabilizers in a multi-machine power system based on single-machine infinite-bus system model. IEEE Trans. Power Syst. 2021, 36, 3457–3586. [Google Scholar] [CrossRef]
- Elazim, S.M.A.; Ali, E.S. Optimal SSSC Design for Damping Power Systems Oscillations via Gravitational Search Algorithm. Int. J. Power Energy Syst. 2016, 82, 161–168. [Google Scholar] [CrossRef]
- Abd-Elazim, S.M.; Ali, E.S. Imperialist competitive algorithm for optimal STATCOM design in a multimachine power system. Int. J. Power Energy Syst. 2016, 76, 136–146. [Google Scholar] [CrossRef]
- Abd-Elazim, S.M.; Ali, E.S. Coordinated design of PSSs and SVC via bacteria foraging optimization algorithm in a multimachine power system. Int. J. Power Energy Syst. 2012, 41, 44–53. [Google Scholar] [CrossRef]
- Ali, E.S.; Abd-Elazim, S.M. Coordinated design of PSSs and TCSC via bacterial swarm optimization algorithm in a multimachine power system. Int. J. Power Energy Syst. 2012, 36, 84–92. [Google Scholar] [CrossRef]
- Gibbard, M.J.; Vowles, D.J. Reconciliation of methods of compensation for PSSs in multimachine systems. IEEE Trans. Power Syst. 2004, 19, 463–472. [Google Scholar] [CrossRef]
- Wang, L.; Chang, C.; Kuan, B.; Prokhorov, A.V. Stability improvement of a two-area power system connected with an integrated onshore and offshore wind farm using a STATCOM. IEEE Trans. Ind. Appl. 2017, 53, 867–877. [Google Scholar] [CrossRef]
- Sun, L.; Liu, K.; Hu, J.; Hou, Y. Analysis and mitigation of electromechanical oscillations for DFIG wind turbines involved in fast frequency response. IEEE Trans. Power Syst. 2019, 34, 4547–4556. [Google Scholar] [CrossRef]
- Jalayer, R.; Ooi, B.T. Coordinated PSS tuning of large power systems by combining transfer function-eigenfunction analysis (TFEA), optimization, and eigenvalue sensitivity. IEEE Trans. Power Syst. 2014, 29, 2672–2680. [Google Scholar] [CrossRef]
- Li, S.; Zhang, H.; Kai, Y. Optimization to POD parameters of DFIGs based on the 2nd order eigenvalue sensitivity of power systems. IET Gener. Transm. Dis. 2021, 15, 1123–1135. [Google Scholar] [CrossRef]
- Ma, J.; Ma, X.; Hill, D.; Zhao, D.; Zhu, L.; Chi, Y. Developing feedback model for power system dynamic sensitivity analysis. Int. Trans. Electr. Energy Syst. 2017, 27, 1–14. [Google Scholar] [CrossRef]
- Li, S. Low-frequency oscillations of wind power systems caused by doubly-fed induction generators. Renew. Energy 2017, 104, 129–138. [Google Scholar] [CrossRef]
- Juang, C.; Lu, C. Load-frequency control by hybrid evolutionary fuzzy PI controller. IEE Proc. Gener. Transm. Dis. 2006, 153, 196–204. [Google Scholar] [CrossRef]
- Wu, B.; Malik, O.P. Multivariable adaptive control of synchronous machines in a multimachine power system. IEEE Trans. Power Syst. 2006, 21, 1772–1781. [Google Scholar] [CrossRef]
- Wang, L.; Yang, R.; Zhang, H. Improved event-triggered sliding mode control of switched systems with disturbances. Asian J. Control. 2021, 23, 2214–2226. [Google Scholar] [CrossRef]
- Mi, Y.; Hao, X.; Liu, Y.; Fu, Y.; Wang, C.; Wang, P.; Loh, P.C. Sliding mode load frequency control for multiarea time-delay power system with wind power integration. IET Gener. Transm. Dis. 2017, 11, 4644–4653. [Google Scholar] [CrossRef]
- Saoudi, K.; Harmas, M.N. Enhanced design of an indirect adaptive fuzzy sliding mode power system stabilizer for multi-machine power systems. Int. J. Electr. Power Energy Syst. 2014, 54, 425–431. [Google Scholar] [CrossRef]
- Liao, K.; He, Z.; Xu, Y.; Chen, G.; Dong, Z.; Wong, K. A sliding mode based damping control of DFIG for interarea power oscillations. IEEE Trans. Sustain. Energy 2017, 8, 258–267. [Google Scholar] [CrossRef]
- Liao, K.; Xu, Y. A robust load frequency control scheme for power systems based on second-order sliding mode and extended disturbance observer. IEEE Trans. Industr. Inform. 2018, 14, 3076–3086. [Google Scholar] [CrossRef]
- Ahmad, J.; Ghazanfar, S. Analysis and simulation of a sliding mode controller for mechanical part of a doubly-fed induction generator-based wind turbine. IET Gener. Transm. Dis. 2017, 11, 2677–2688. [Google Scholar]
- Mi, Y.; Fu, Y.; Wang, C.; Wang, P. Decentralized sliding mode load frequency control for multi-area power systems. IEEE Trans. Power Syst. 2013, 28, 4301–4309. [Google Scholar] [CrossRef]
- Arie, L. Principles of 2-sliding mode design. Automatica 2007, 43, 576–586. [Google Scholar]
- Mi, Y.; He, X.; Hao, X.; Li, Z.; Fu, Y.; Wang, C.; Wang, J. Frequency control strategy of multi-area hybrid power system based on frequency division and sliding mode algorithm. IET Gener. Transm. Dis. 2019, 13, 1145–1152. [Google Scholar] [CrossRef]
- Chung, S.C.; Lin, C.L. A general class of sliding surface for sliding mode control. IEEE Trans. Automat. Control. 1998, 43, 115–119. [Google Scholar] [CrossRef]
- Zhang, X.; Su, H.; Lu, R. Second-order integral sliding mode control for uncertain systems with control input time delay based on singular perturbation approach. IEEE Trans. Automat. Control. 2015, 60, 3095–3100. [Google Scholar] [CrossRef]
- Yu, H.; Liu, T.S. Sliding mode control using virtual eigenvalue method for compact optical image stabilization actuators. IEEE Trans. Magn. 2008, 44, 4074–4077. [Google Scholar]
- Tang, C.Y.; Misawa, E.A. Sliding surface design for a discrete VSS using LQR technique with a preset eigenvalue. In Proceedings of the American Control Conference, San Diego, CA, USA, 2–4 June 1999; pp. 520–524. [Google Scholar]
- Janardhanan, S.; Kariwala, V. Multidate-output-feedback-based LQ-optimal discrete-time sliding mode control. IEEE Trans. Control Syst. Technol. 2008, 53, 367–373. [Google Scholar] [CrossRef]
- Silva, J.M.A.-D.; Edwards, C.; Spurgeon, S.K. Sliding-mode output-feedback control based on LMIs for plants with mismatched uncertainties. IEEE Trans. Ind. Electron. 2009, 56, 3675–3683. [Google Scholar] [CrossRef]
- Gupta, A.K.; Verma, K.; Niazi, K.R. Wide area coordinated control for low-frequency oscillations damping in a wind-integrated power system. J. Eng. 2019, 18, 4941–4945. [Google Scholar] [CrossRef]
- Yan, C.; Yan, W.; Wen, J.; Fang, J.; Ai, X. Optimal design of probabilistic robust damping controllers to suppress multiband oscillations of power systems integrated with wind farm. Renew. Energ. 2020, 158, 75–90. [Google Scholar] [CrossRef]
- Li, S.; Fang, T.; Zhang, H.; Ye, J. Damping the electromechanical oscillation modes (EOMs) in DFIG-integrated power systems with sensitivity analysis and optimization to outputs of SGs. Int. J. Electr. Power Energy Syst. 2022, 135, 107565. [Google Scholar] [CrossRef]
- Li, S.; Huang, J.; Zhang, H.; Li, Z. Successive linear programming to improve small-signal stability of power systems with doubly-fed induction generators. Electr. Power Compon. Syst. 2019, 47, 927–939. [Google Scholar] [CrossRef]
- Li, S.; Zhang, H.; Yan, Y.; Ren, J. Parameter optimization to power oscillation damper (POD) considering its impact on the DFIG. IEEE Trans. Power Syst. 2022, 37, 1508–1518. [Google Scholar] [CrossRef]
- Ma, J.; Wang, S.; Li, Y.; Qiu, Y. Power system multi-parameter small signal stability analysis based on 2nd order perturbation theory. Int. J. Electr. Power Energy Syst. 2015, 67, 409–416. [Google Scholar] [CrossRef]
- Wang, K.; Chuang, C.; Tse, C.T.; Tsang, K.M. Multimachine eigenvalue sensitivities of power system parameters. IEEE Trans. Power Syst. 2020, 15, 741–747. [Google Scholar] [CrossRef]
- Condren, J.; Gedra, T.W. Expected-security-cost optimal power flow with small-signal stability constraints. IEEE Trans. Power Syst. 2006, 21, 1736–1743. [Google Scholar] [CrossRef]
- Li, J.; Chen, Z.; Cai, D.; Zhen, W.; Huang, Q. Delay-dependent stability control for power system with multiple time-delays. IEEE Trans. Power Syst. 2016, 31, 2316–2326. [Google Scholar] [CrossRef]















| Without ueq | With ueq | |||
|---|---|---|---|---|
| Eigenvalue (p.u.) | Ξ | Eigenvalue (p.u.) | ξ | |
| λ21,22 | −0.244 ± 7.794i | 0.0313 | −0.261 ± 7.809i | 0.0334 |
| λ23,24 | −0.202 ± 7.601i | 0.0267 | −0.135 ± 7.778i | 0.0173 |
| λ25,26 | −0.136 ± 7.374i | 0.0183 | −2.196 ± 3.957i | 0.4852 |
| λ28,29 | −0.158 ± 6.694i | 0.0236 | −0.162 ± 6.690i | 0.0242 |
| λ30,31 | −0.180 ± 6.050i | 0.0297 | 1.097 ± 4.662i | −0.2290 |
| λ32,33 | −0.221 ± 5.836i | 0.0379 | −0.240 ± 5.847i | 0.0409 |
| λ34,35 | −0.172 ± 5.697i | 0.0302 | −0.176 ± 5.735i | 0.0307 |
| λ36,37 | −0.249 ± 5.273i | 0.0471 | −0.289 ± 5.244i | 0.0512 |
| λ38,39 | −0.124 ± 5.210i | 0.0237 | −0.114 ± 5.233i | 0.0217 |
| Eigen-Sensitivities (p.u.) | Eigen-Sensitivities (p.u.) | ||
|---|---|---|---|
| ∂λ25,26/∂Keq | −1.6223 ± 0.7648i | ∂λ30,3/∂Keq | 0.4455 ± 0.0325i |
| ∂2λ25,26/ | −3.7300 ± 0.6762i | ∂2λ30,31/ | 0.3393 ± 1.3890i |
| Mode | Value | Mode | Value |
|---|---|---|---|
| λ25,26 (p.u.) | −0.374 ± 7.386i | λ30,31 (p.u.) | −0.121 ± 6.035i |
| ξ25,26 | 0.0506 | ξ30,31 | 0.0200 |
| No SMC | usw | ueq* + usw | |
|---|---|---|---|
| Δω1,8 (p.u.) | 8.31 × 10−4 | 6.64 × 10−4 | 5.60 × 10−4 |
| Δδ1,8 (°) | 2.33 | 2.06 | 1.76 |
Disclaimer/Publisher’s Note: The statements, opinions and data contained in all publications are solely those of the individual author(s) and contributor(s) and not of MDPI and/or the editor(s). MDPI and/or the editor(s) disclaim responsibility for any injury to people or property resulting from any ideas, methods, instructions or products referred to in the content. |
© 2023 by the authors. Licensee MDPI, Basel, Switzerland. This article is an open access article distributed under the terms and conditions of the Creative Commons Attribution (CC BY) license (https://creativecommons.org/licenses/by/4.0/).
Share and Cite
Zhang, R.; Zhang, H.; Ye, J.; Wang, J.; Liu, Q.; Li, S. Eigen-Sensitivity-Based Sliding Mode Control for LFO Damping in DFIG-Integrated Power Systems. Energies 2023, 16, 4256. https://doi.org/10.3390/en16104256
Zhang R, Zhang H, Ye J, Wang J, Liu Q, Li S. Eigen-Sensitivity-Based Sliding Mode Control for LFO Damping in DFIG-Integrated Power Systems. Energies. 2023; 16(10):4256. https://doi.org/10.3390/en16104256
Chicago/Turabian StyleZhang, Rui, Hao Zhang, Jianqiao Ye, Jiaqing Wang, Qing Liu, and Shenghu Li. 2023. "Eigen-Sensitivity-Based Sliding Mode Control for LFO Damping in DFIG-Integrated Power Systems" Energies 16, no. 10: 4256. https://doi.org/10.3390/en16104256
APA StyleZhang, R., Zhang, H., Ye, J., Wang, J., Liu, Q., & Li, S. (2023). Eigen-Sensitivity-Based Sliding Mode Control for LFO Damping in DFIG-Integrated Power Systems. Energies, 16(10), 4256. https://doi.org/10.3390/en16104256
