Emergency Dispatch Approach for Power Systems with Hybrid Energy Considering Thermal Power Unit Ramping
Abstract
1. Introduction
- The multiagent system and consensus algorithm were used to solve the resource allocation problem of the power system with hybrid energy, and the distributed approach was used to provide the energy supply to the demand side.
- In modeling, the degradation cost of energy storage, the economic cost of thermal power units, and the pollution cost are jointly optimized, and a discrete consensus algorithm is used to find the optimal solution to complete the autonomous communication interaction between thermal power and energy storage.
- The consensus algorithm is improved by considering the ramping rate of thermal power units, setting the original communication interval to a variable communication interval matching the ramping of the units, and guiding the change of incremental cost value through power. The energy storage is replenished by the communication established with the thermal power for energy storage and energy use.
2. Problem Description
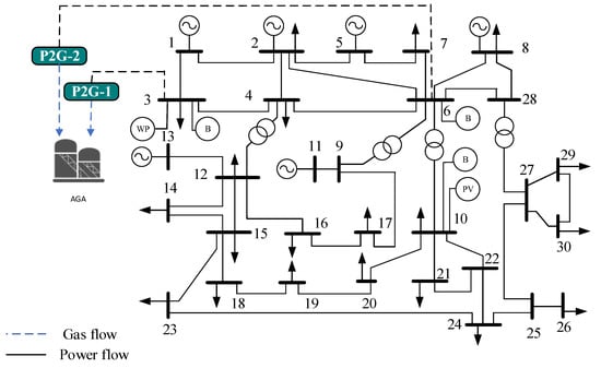
2.1. System Composition
2.2. System Optimization and Scheduling
3. Consensus Algorithm Considering the Ramp Rate of the Unit
3.1. Ramp Rate of the Unit
3.2. Improved Consensus Algorithm Considering the Ramp Climbing Rate
3.2.1. Graph Theoretical Foundation
3.2.2. Consensus Algorithm
3.2.3. Consensus Algorithm for Power System Scheduling
3.2.4. Improved Consensus Algorithm
4. Emergency Dispatch Model
4.1. Objective Function
4.1.1. Generation Cost of Conventional Thermal Power Units
4.1.2. Pollution Cost of Conventional Thermal Power Units
4.1.3. Battery Degradation Cost
4.2. Constraints
4.2.1. Thermal Power Unit Climbing Constraint
4.2.2. Minimum Start–Stop Time Constraint
4.2.3. Power Balance Constraint
4.2.4. Generator Output Power Constraint
4.2.5. Battery Output Power Constraint
4.2.6. Battery State of Charge (SOC) Constraint
4.3. Solution Steps
5. Case Study
5.1. System Structure
5.2. Algorithm Comparison
5.3. Results Analysis
5.3.1. Test 1
5.3.2. Test 2
5.3.3. Test 3
5.3.4. Test 4
- (1)
- Storing excess renewable energy power and reducing the rate of wind (light) abandonment.
- (2)
- Participating in daily dispatching to reduce the generation output of thermal power units and reduce carbon emissions.
- (3)
- Smoothing out the system power imbalance caused by unit ramp climbing and maintaining system stability.
5.4. Energy Distribution in Energy Storage Plants
5.5. Emergency Dispatch
5.5.1. Test 1
5.5.2. Test 2
5.5.3. Test 3
6. Conclusions
- (1)
- Taking into account the degradation cost of energy storage, it can be optimized jointly with thermal units to achieve consistent incremental costs and enable local autonomous communication between agents.
- (2)
- Energy storage, as a flexible resource, provides a very strong flexibility enhancement to the power system. There is a growing need to integrate more flexible resources into the system in order to cope with the increasing uncertainty of the grid.
- (3)
- By considering the ramp rate of thermal power units, resetting the communication intervals can solve the power imbalance problem of the consensus algorithm during emergency dispatch in the system.
- (4)
- Experimental analysis shows that using the improved consensus algorithm can ensure the reasonable allocation of resources during emergency dispatching in the system, enabling the tested system in this paper to achieve the effect of emergency disposal in about 10 s~150 s and ensure power balance within this period, thereby improving the flexibility and reliability of the system operation.
Author Contributions
Funding
Data Availability Statement
Conflicts of Interest
Appendix A

| Energy Storage Power Station | Agent | Location | h | g | (RMB) | Number of Batteries | |||
|---|---|---|---|---|---|---|---|---|---|
| PB1 | Agent7 | 3 | 1.0460 | 0.2037 | −60 | 60 | 5000 | 1230 | 1000 |
| PB2 | Agent8 | 6 | 1.2309 | 0.2815 | −60 | 65 | |||
| PB3 | Agent9 | 10 | 1.0292 | 0.1987 | −60 | 68 |
| Generator | Agent | Location | a | b | c | d | e | f | Climbing Rate (MW/min) |
|---|---|---|---|---|---|---|---|---|---|
| PG1 | Agent1 | 5 | 10 | 150 | 120 | 13.85932 | 0.32767 | 0.00419 | 6 |
| PG2 | Agent2 | 11 | 10 | 150 | 120 | 13.85932 | 0.32767 | 0.00419 | 5 |
| PG3 | Agent3 | 1 | 20 | 180 | 40 | 40.2669 | −0.54551 | 0.00683 | 10 |
| PG4 | Agent4 | 8 | 10 | 100 | 60 | 40.2669 | −0.54551 | 0.00683 | 8 |
| PG5 | Agent5 | 2 | 20 | 180 | 40 | 42.89553 | −0.51116 | 0.00461 | 10 |
| PG6 | Agent6 | 13 | 10 | 150 | 100 | 42.89553 | −0.51116 | 0.00461 | 4 |
Appendix B
| Time Period | 6:00–7:00 | 7:00–8:00 | 8:00–9:00 | 11:00–12:00 | 12:00–13:00 | 13:00–14:00 | 14:00–15:00 | 15:00–16:00 |
| Duration | 18 s | 270 s | 277 s | 195 s | 187 s | 67 s | 20 s | 18 s |
| Time Period | 16:00–17:00 | 17:00–18:00 | 18:00–19:00 | 19:00–20:00 | 20:00–21:00 | 21:00–22:00 | 22:00–23:00 | 23:00–24:00 |
| Duration | 156 s | 80 s | 30 s | 108 s | 48 s | 15 s | 78 s | 72 s |
| Time Period | 7:00–8:00 | 8:00–9:00 | 11:00–12:00 | 12:00–13:00 | 13:00–14:00 | 14:00–15:00 | 16:00–17:00 | 17:00–18:00 |
| Duration | 179 s | 156 s | 110 s | 108 s | 37 s | 10 s | 80 s | 45 s |
| Time Period | 18:00–19:00 | 19:00–20:00 | 20:00–21:00 | 22:00–23:00 | 23:00–24:00 | |||
| Duration | 20 s | 66 s | 20 s | 45 s | 45 s |

References
- Elnady, A.; Noureldin, A.; Adam, A.A. Improved Synergetic Current Control for Grid-connected Microgrids and Distributed Generation Systems. J. Mod. Power Syst. Clean Energy 2022, 10, 1302–1313. [Google Scholar] [CrossRef]
- Smil, V. Distributed Generation and Megacities: Are Renewables the Answer? IEEE Power Energy Mag. 2019, 17, 37–41. [Google Scholar] [CrossRef]
- Xu, J.; Xie, B.; Liao, S.; Yuan, Z.; Ke, D.; Sun, Y.; Li, X.; Peng, X. Load Shedding and Restoration for Intentional Island with Renewable Distributed Generation. J. Mod. Power Syst. Clean Energy 2021, 9, 612–624. [Google Scholar] [CrossRef]
- Shi, X.; Li, Y.; Cao, Y.; Tan, Y. Cyber-physical electrical energy systems: Challenges and issues. CSEE J. Power Energy Syst. 2015, 1, 36–42. [Google Scholar] [CrossRef]
- Qin, B.; Liu, D. Research Progresses and Prospects on Analysis and Control of Cyber-physical System for Power Grid. Proc. Chin. Soc. Electr. Eng. 2020, 40, 5816–5827. [Google Scholar] [CrossRef]
- Mahela, O.P.; Khosravy, M.; Gupta, N.; Khan, B.; Alhelou, H.H.; Mahla, R.; Patel, N.; Siano, P. Comprehensive overview of multi-agent systems for controlling smart grids. CSEE J. Power Energy Syst. 2022, 8, 115–131. [Google Scholar] [CrossRef]
- Gomes, L.; Faria, P.; Morais, H.; Vale, Z.; Ramos, C. Distributed, Agent-Based Intelligent System for Demand Response Program Simulation in Smart Grids. IEEE Intell. Syst. 2014, 29, 56–65. [Google Scholar] [CrossRef]
- Hernandez, L.; Baladron, C.; Aguiar, J.M.; Carro, B.; Sanchez-Esguevillas, A.; Lloret, J.; Chinarro, D.; Gomez-Sanz, J.J.; Cook, D. A multi-agent system architecture for smart grid management and forecasting of energy demand in virtual power plants. IEEE Commun. Mag. 2013, 51, 106–113. [Google Scholar] [CrossRef]
- Hu, J.; Cong, H.; Jiang, C. Coordinated scheduling model of power system with active distribution networks based on multi-agent system. J. Mod. Power Syst. Clean Energy 2018, 6, 521–531. [Google Scholar] [CrossRef]
- Kar, S.; Hug, G. Distributed robust economic dispatch in power systems: A consensus + innovations approach. In Proceedings of the 2012 IEEE Power and Energy Society General Meeting, San Diego, CA, USA, 22–26 July 2012; pp. 1–8. [Google Scholar]
- Xing, H.; Mou, Y.; Fu, M.; Lin, Z. Distributed algorithm for economic power dispatch including transmission losses. In Proceedings of the 2015 European Control Conference (ECC), Linz, Austria, 15–17 July 2015; pp. 1076–1081. [Google Scholar]
- Lyu, Z.; Yang, X.; Zhang, Y.; Zhao, J. Bi-Level Optimal Strategy of Islanded Multi-Microgrid Systems Based on Optimal Power Flow and Consensus Algorithm. Energies 2020, 13, 1537. [Google Scholar] [CrossRef]
- Zhang, M.; Wang, G.; Shi, C.; Huang, M. Distributed Economic Dispatch for Power Systems Considering Communication Noise. Power Syst. Technol. 2017, 41, 2293–2300. [Google Scholar] [CrossRef]
- Zhang, Z.; Shang, L.; Liu, C.; Lai, Q.; Jiang, Y. Consensus-based distributed optimal power flow using gradient tracking technique for short-term power fluctuations. Energy 2023, 264, 125635. [Google Scholar] [CrossRef]
- Ullah, M.H.; Alseyat, A.; Park, J.-D. Multi-Agent System-based Distributed Energy Management in Smart Grid under Uncertainty. In Proceedings of the 2019 IEEE Energy Conversion Congress and Exposition (ECCE), Baltimore, MD, USA, 29 September–3 October 2019; pp. 3462–3468. [Google Scholar]
- Liao, W.; Li, P.; Wu, Q.; Huang, S.; Wu, G.; Rong, F. Distributed optimal active and reactive power control for wind farms based on ADMM. Int. J. Electr. Power Energy Syst. 2021, 129, 106799. [Google Scholar] [CrossRef]
- Chang, X.; Xu, Y.; Sun, H.; Khan, I. A distributed robust optimization approach for the economic dispatch of flexible resources. Int. J. Electr. Power Energy Syst. 2021, 124, 106360. [Google Scholar] [CrossRef]
- Arévalo, P.; Tostado-Véliz, M.; Jurado, F. A novel methodology for comprehensive planning of battery storage systems. J. Energy Storage 2021, 37, 102456. [Google Scholar] [CrossRef]
- Zhang, B.; Wang, J.; Liang, D.; Han, X. Optimization Control Strategy of Distributed Energy Storage in Autonomous Microgrid Cluster on Consensus Algorithm. Power Syst. Technol. 2020, 44, 1705–1713. [Google Scholar] [CrossRef]
- Yang, H.; Yin, L.; Li, Q.; Chen, W.; Zhou, L. Multiagent-Based Coordination Consensus Algorithm for State-of-Charge Balance of Energy Storage Unit. Comput. Sci. Eng. 2018, 20, 64–77. [Google Scholar] [CrossRef]
- Alan, J. SANGSTER Massive energy storage systems enable secure electricity supply from renewables. J. Mod. Power Syst. Clean Energy 2016, 4, 659–667. [Google Scholar] [CrossRef]
- Zhao, D.; Xu, C.; Tao, R.; Zheng, Y. Review on Flexible Regulation of Multiple Distributed Energy Storage in Distribution Side of New Power System. Proc. Chin. Soc. Electr. Eng. 2023, 43, 1776–1799. [Google Scholar] [CrossRef]
- Li, B.; Chen, M.; Zhong, H.; Ma, Z.; Liu, D. A Review of Long-term Planning of New Power Systems with Large Share of Renewable Energy. Proc. Chin. Soc. Electr. Eng. 2023, 43, 555–581. [Google Scholar] [CrossRef]
- Lei, S.; Wang, J.; Chen, C.; Hou, Y. Mobile Emergency Generator Pre-Positioning and Real-Time Allocation for Resilient Response to Natural Disasters. IEEE Trans. Smart Grid 2018, 9, 2030–2041. [Google Scholar] [CrossRef]
- Jiang, S.; Zhao, X.; Pan, G.; Gao, S.; Wu, C.; Liu, Y.; Wang, S. A novel robust frequency-constrained unit commitment model with emergency control of HVDC. Energy Rep. 2022, 8, 15729–15739. [Google Scholar] [CrossRef]
- Qin, Z.; Chen, X.; Hou, Y.; Liu, H.; Yang, Y. Coordination of Preventive, Emergency and Restorative Dispatch in Extreme Weather Events. IEEE Trans. Power Syst. 2022, 37, 2624–2638. [Google Scholar] [CrossRef]
- Deng, C.; Liu, Y.; Tan, Y.; Yu, X.; Liu, J.; Li, H. Emergency Power Resource Dispatching Considering Procedure of Power Grid Restoration. Dianwang JishuPower Syst. Technol. 2017, 41, 3582–3589. [Google Scholar] [CrossRef]
- Zuo, F.; Zhang, Y.; Zhao, Q.; Sun, L. Two-stage Stochastic Optimization for Operation Scheduling and Capacity Allocation of Integrated Energy Production Unit Considering Supply and Demand Uncertainty. Proc. CSEE 2022, 42, 8205–8215. [Google Scholar] [CrossRef]
- Zhu, X.; Luo, J.; Lin, Z.; Yao, X.; Liu, M. Low-carbon economic dispatching of energy hub considering flexible ramping product. Electric Power Automation Equipment. Electr. Power Autom. Equip. 2023, 43, 9–15+24. [Google Scholar] [CrossRef]
- Xu, H.; Li, H. Planning and Operation Stochastic Optimization Model of Power Systems Considering the Flexibility Reformation. Power Syst. Technol. 2020, 44, 4626–4638. [Google Scholar] [CrossRef]
- Yan, S.; Wang, W.; Li, X.; Fan, T. Cross-regional Flexible Robust Optimal Scheduling in Dynamic Economic Environment with Joint Frequency Regulation of Energy Storage and Units. Autom. Electr. Power Syst. 2022, 46, 61–70. [Google Scholar]
- Yang, L.; Zhou, N.; Hu, B.; Chen, L.; Xu, F. Optimal Scheduling Method for Coupled System Based on Ladder-type Ramp Rate of Thermal Power Units. Proc. Chin. Soc. Electr. Eng. 2022, 42, 153–164. [Google Scholar] [CrossRef]
- Qiu, T.; Zheng, K.; Song, H.; Han, M.; Kantarci, B. A Local-Optimization Emergency Scheduling Scheme With Self-Recovery for a Smart Grid. IEEE Trans. Ind. Inform. 2017, 13, 3195–3205. [Google Scholar] [CrossRef]
- Wang, C.; Deng, D.; Xu, L.; Wang, W. Resource Scheduling Based on Deep Reinforcement Learning in UAV Assisted Emergency Communication Networks. IEEE Trans. Commun. 2022, 70, 3834–3848. [Google Scholar] [CrossRef]
- Cao, X.; Cao, T.; Xu, Z.; Zeng, B.; Gao, F.; Guan, X. Resilience Constrained Scheduling of Mobile Emergency Resources in Electricity-Hydrogen Distribution Network. IEEE Trans. Sustain. Energy 2023, 14, 1269–1284. [Google Scholar] [CrossRef]
- Bayon, L.; Grau, J.M.; Ruiz, M.M.; Suarez, P.M. The Exact Solution of the Environmental/Economic Dispatch Problem. IEEE Trans. Power Syst. 2012, 27, 723–731. [Google Scholar] [CrossRef]
- Garcia-Torres, F.; Bordons, C. Optimal Economical Schedule of Hydrogen-Based Microgrids With Hybrid Storage Using Model Predictive Control. IEEE Trans. Ind. Electron. 2015, 62, 5195–5207. [Google Scholar] [CrossRef]
- Elkazaz, M.; Sumner, M.; Naghiyev, E.; Pholboon, S.; Davies, R.; Thomas, D. A hierarchical two-stage energy management for a home microgrid using model predictive and real-time controllers. Appl. Energy 2020, 269, 115118. [Google Scholar] [CrossRef]
- Choi, J.-Y.; Choi, I.-S.; Ahn, G.-H.; Won, D.-J. Advanced Power Sharing Method to Improve the Energy Efficiency of Multiple Battery Energy Storages System. IEEE Trans. Smart Grid 2018, 9, 1292–1300. [Google Scholar] [CrossRef]
- Gong, D.; Zhang, Y.; Qi, C. Environmental/economic power dispatch using a hybrid multi-objective optimization algorithm. Int. J. Electr. Power Energy Syst. 2010, 32, 607–614. [Google Scholar] [CrossRef]
- Sawas, A.M.; Khani, H.; Farag, H.E.Z. On the Resiliency of Power and Gas Integration Resources Against Cyber Attacks. IEEE Trans. Ind. Inform. 2021, 17, 3099–3110. [Google Scholar] [CrossRef]




















Disclaimer/Publisher’s Note: The statements, opinions and data contained in all publications are solely those of the individual author(s) and contributor(s) and not of MDPI and/or the editor(s). MDPI and/or the editor(s) disclaim responsibility for any injury to people or property resulting from any ideas, methods, instructions or products referred to in the content. |
© 2023 by the authors. Licensee MDPI, Basel, Switzerland. This article is an open access article distributed under the terms and conditions of the Creative Commons Attribution (CC BY) license (https://creativecommons.org/licenses/by/4.0/).
Share and Cite
Zhou, B.; Wu, J.; Zang, T.; Cai, Y.; Sun, B.; Qiu, Y. Emergency Dispatch Approach for Power Systems with Hybrid Energy Considering Thermal Power Unit Ramping. Energies 2023, 16, 4213. https://doi.org/10.3390/en16104213
Zhou B, Wu J, Zang T, Cai Y, Sun B, Qiu Y. Emergency Dispatch Approach for Power Systems with Hybrid Energy Considering Thermal Power Unit Ramping. Energies. 2023; 16(10):4213. https://doi.org/10.3390/en16104213
Chicago/Turabian StyleZhou, Buxiang, Jiale Wu, Tianlei Zang, Yating Cai, Binjie Sun, and Yiwei Qiu. 2023. "Emergency Dispatch Approach for Power Systems with Hybrid Energy Considering Thermal Power Unit Ramping" Energies 16, no. 10: 4213. https://doi.org/10.3390/en16104213
APA StyleZhou, B., Wu, J., Zang, T., Cai, Y., Sun, B., & Qiu, Y. (2023). Emergency Dispatch Approach for Power Systems with Hybrid Energy Considering Thermal Power Unit Ramping. Energies, 16(10), 4213. https://doi.org/10.3390/en16104213

