Complex Positioning System for the Control and Visualization of Photovoltaic Systems
Abstract
1. Introduction
2. Problem Formulation and Preliminaries
2.1. Photovoltaics—Theoretical Background
2.2. Photovoltaic Cells
- Lighting intensity 1000 W/m2,
- Radiation spectrum AM 1.5,
- Temperature 25 °C.
2.3. Positioning of Photovoltaic Panels
3. Design and Implementation of the Complex Mechatronic Positioning System
3.1. Hardware Design and Implementation of Mechatronic Positioning Device
- Movement variability, which enables us to orient the photovoltaic panel perpendicularly to the direction of the Sun’s rays for each position of the Sun for a given geographic location, while the maximum permissible deviation is 15° from the perpendicular incidence of the rays on the panel at the extreme of the Sun’s positions.
- The positioning accuracy of the normal vector of the photovoltaic panel to the desired point determined by the azimuth and elevation angle relative to the positioning device with an accuracy of ±2.5°. Positioning accuracy must be ensured over the full range of motion of the device.
- The robustness of sensing the angle of rotation of individual tilting axes of the photovoltaic panel.
- The design of the structure and mechanical parts of the mechanism must meet all the attributes for the minimum energy requirements for the propulsion system.
- Ensure a fixed position over the full range of the positioning, which will prevent rotation around both axes caused by external influences.
- The structure must be installable on the flat roof of the building, while it must be able to withstand weather effects of wind, rain, temperature and sunlight. Even under these influences, the positioning system must achieve a sufficient service life as well as minimal maintenance during the operation of the device.
- A variable console that allows fixing available panels on the market, as the dimensions of the panels are not standardized and may differ slightly from different manufacturers. The bracket must be able to carry the load due to the influence of the panel as well as other influences. The permissible load capacity of the installed panel is at least 25 kg and the necessity of the possibility of height variability, which allows us to find an equilibrium position for different panels.
- The design shall allow multiple positioning devices to be connected to one common drive system. The design shall allow the connection of individual positioning devices for both tilting axes.
- A complex mechatronic positioning system of photovoltaic cells should have as small weight as possible, under all prerequisites for mechanical resistance and durability. The weight is important because of the installations on the roof of the building.
- The system must be manufacturable on the basis of available materials and technologies in common practice, with the lowest possible production price. The system must be capable of being assembled and allow for the possible replacement of any component without significant intervention.
- ○
- Technology: polycrystalline;
- ○
- Nominal power: 250 Wp;
- ○
- Efficiency: 15.2%;
- ○
- Dimensions: 1652 × 994 × 40 (mm)
- ○
- Weight: 20 kg (without frame);
- ○
- Composition: frame, glass, module, EVA and back cover;
- ○
- Glass thickness: 3.2 mm.
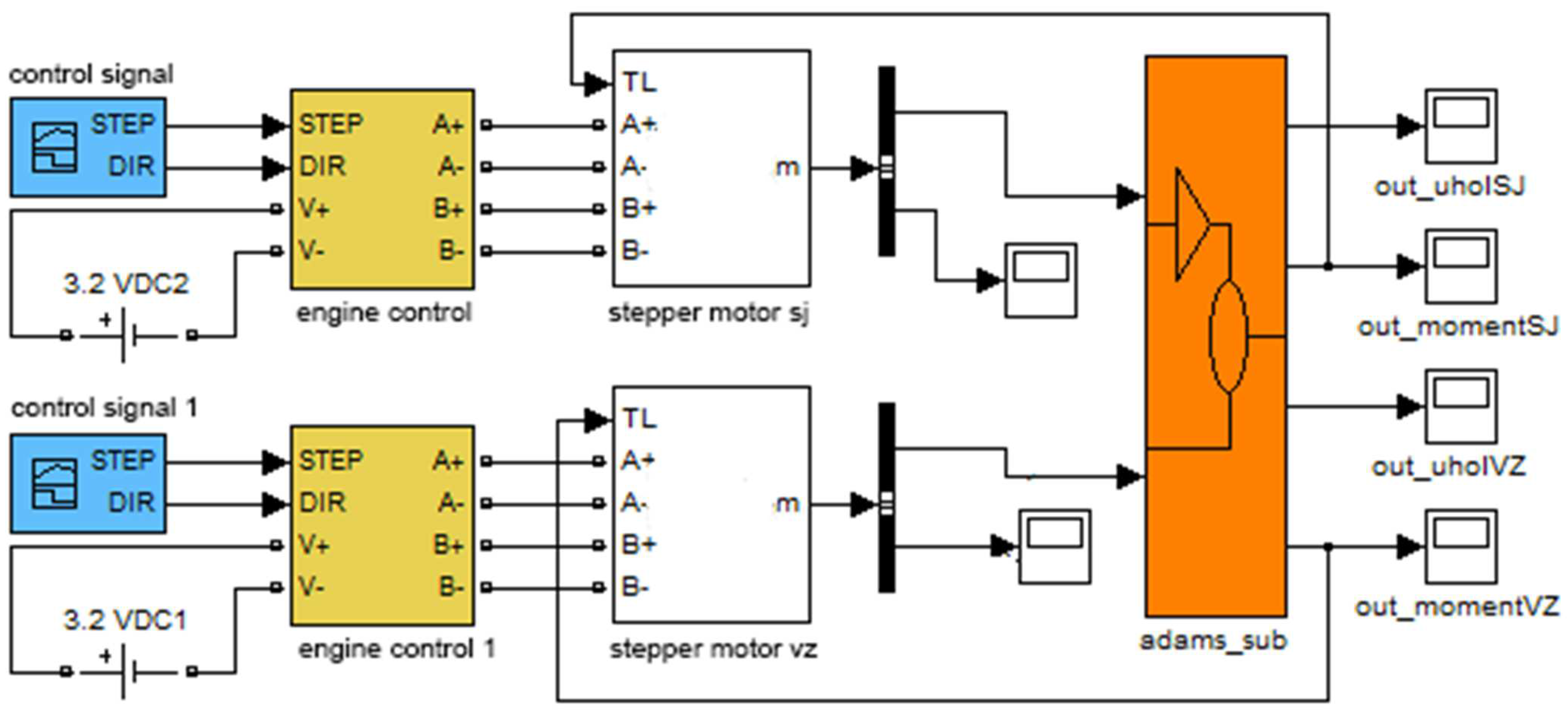
3.2. Simulation Software of Mechatronic Positioning Device
3.3. Program Implementation of the PLC Control System
- (1)
- Sufficiently accurate calculation of the position of the Sun with respect to the positioning system of photovoltaic panels.
- (2)
- Identification of unsuitable conditions for panel positioning in terms of energy demand in relation to gain, i.e., in cloudy periods when direct sunlight does not pass through. It is considered essential to use a solar radiation intensity sensor for the real system. In case the measured value is below the specified minimum, the panel will be moved into the default position.
- (3)
- Weather effects in the form of high wind speed must be considered, which is important especially for safety reasons. In this condition, it is necessary to minimize the stress of the structure and to prevent an increased energy demand, caused by the positioning of the panel under strong wind. In case of wind speed above the critical value, the control system must ensure the position in which the system is least affected by this factor.
- (4)
- The positioning algorithm must ensure rotation to the optimum position. The optimum position is given by the current position of the Sun, and the control system must be able to ensure that the normal vector of the panel is positioned to this point. The position must be determined accurately, and the positioning must be performed with a minimum number of steps, without searching for the optimal position by positioning the panel.
- (5)
- The control system must be robust under various unfavourable conditions, for example in the event of a power failure, where the system must remain fixed, and after restarting, it must be able to identify its position and optimize it by a potential correction with a minimum number of steps.
- (6)
- The control system must be able to identify potential malfunctions and take adequate measures to correct them, and if this is not possible, ensure that the operator is informed of the malfunction.
- (7)
- Positioning to any direction of the normal vector of the positioning device panel, specified by the operator.
3.4. Creation of a Software Application for Visualization of the Photovoltaic System
3.4.1. Screen Header
- Main screen panel button,
- Graphical evaluation panel button,
- Alarm overview panel button,
- Middle part with current time data and the panel just opened,
- Button for activating manual operation,
- Button for activating automatic operation,
- Ending the visualization.
3.4.2. Main Screen
3.4.3. Overview of Alarms
3.4.4. Graphic Evaluation
3.4.5. Manual Operation Control Panel
4. Results
5. Conclusions
Author Contributions
Funding
Data Availability Statement
Acknowledgments
Conflicts of Interest
References
- Our World in Data (2022)—Our World in Data based on BP Statistical Review of World Energy. Available online: https://ourworldindata.org/grapher/electricity-prod-source-stacked (accessed on 20 February 2023).
- Saravanan, S.; Ramesh Babu, N. Maximum power point tracking algorithms for photovoltaic system—A review. Renew. Sustain. Energy Rev. 2016, 57, 192–204. [Google Scholar] [CrossRef]
- Alboteanu, L.; Manolea, G.; Ravigan, F. Positioning systems for solar panels placed in isolated areas. Ann. Univ. Craiova Electr. Eng. 2006. Available online: https://www.researchgate.net/publication/228860210_Positioning_systems_for_solar_panels_placed_in_isolated_areas/citations#fullTextFileContent (accessed on 20 February 2023).
- Rhif, A. A Position Control Review for a Photovoltaic System: Dual Axis Sun Tracker. IETE Tech. Rev. 2011, 28, 479. [Google Scholar] [CrossRef]
- Maish, A.B. Performance of a self-aligning solar array tracking controller. In Proceedings of the IEEE Photovoltaic Specialists Conference, Kissimimee, FL, USA, 21–25 May 1990. [Google Scholar]
- Enslin, J.H.R. Maximum power point tracking: A cost saving necessity in solar systems. Renew. Energy 1992, 2, 543–549. [Google Scholar] [CrossRef]
- Brown, D.G.; Stone, K.W. High accuracy/low cost tracking system for solar concentrators using a neural network. In Proceedings of the 28th Intersociety Energy Conversion Engineering Conference, Atlanta, GA, USA, 8–13 August 1993. [Google Scholar]
- Kalogirou, S.A. Design and construction of a one-axis sun-tracking system. Sol. Energy 1996, 57, 465–469. [Google Scholar] [CrossRef]
- Khalifa, A.N.; Al-Mutawalli, S.S. Effect of two-axis sun tracking on the performance of compound parabolic concentrators. Energ. Convers. Manag. 1998, 39, 1073–1079. [Google Scholar] [CrossRef]
- Falbel, G.; Puig-Suari, J.; Peczalski, A. Sun oriented and powered, 3 axis and spin stabilized cubesats. In Proceedings of the IEEE Aerospace Conference, Big Sky, MT, USA, 9–16 March 2002. [Google Scholar]
- Al-Mohamad, A. Efficiency improvements of photo-voltaic panels using a sun-tracking system. Appl. Energy 2004, 79, 345–354. [Google Scholar] [CrossRef]
- Abdallah, S. The effect of using sun tracking systems on the voltage-current characteristics and power generation of flat plate photovoltaics. Energy Convers. Manag. 2004, 45, 1671–1679. [Google Scholar] [CrossRef]
- Aiuchi, K.; Yoshida, K.; Katayama, Y.; Nakamura, M.; Nakamura, K. Sun tracking photo-sensor for solar thermal concentrating system. In Proceedings of the International Solar Energy Conference, Portland, OR, USA, 11–14 July 2004. [Google Scholar]
- Blanco-Muriel, M.; Alarcón-Padilla, D.C.; López-Moratalla, T.; Lara-Coira, M. Computing the solar vector. Sol. Energy 2001, 70, 431–441. [Google Scholar] [CrossRef]
- Abdallah, S.; Nijmeh, S. Two axes sun tracking system with PLC control. Energy Convers. Manag. 2004, 45, 1931–1939. [Google Scholar] [CrossRef]
- Reda, I.; Andreas, A. Solar position algorithm for solar radiation applications. Sol. Energy 2004, 76, 577–589. [Google Scholar] [CrossRef]
- Chen, F.; Feng, J.; Hong, Z. Digital sun sensor based on the optical vernier measuring principle. Meas. Sci. Technol. 2006, 17, 2494–2498. [Google Scholar] [CrossRef]
- Chen, F.; Feng, J. Analogue sun sensor based on the optical nonlinear compensation measuring principle. Meas. Sci. Technol. 2007, 18, 2111–2115. [Google Scholar] [CrossRef]
- Grena, R. An algorithm for the computation of the solar position. Sol. Energy 2008, 82, 462–470. [Google Scholar] [CrossRef]
- Chong, K.K.; Wong, C.W. General formula for on-axis sun tracking system and its application in improving tracking accuracy of solar collector. Sol. Energy 2009, 83, 298–305. [Google Scholar] [CrossRef]
- Gasparac, I.; Vrazic, M.; Petrovic, I. Expected and measured values of luminance sensors in dual-axis photovoltaic positioning system. In Proceedings of the 2nd IMEKO TC 11 International Symposium Metrological Infrastructure, Dubrovnik Riviera, Croatia, 15–17 June 2011. [Google Scholar]
- Bahaidarah, H.M.; Tanweer, B.; Gandhidasan, P.; Rehman, S. A Combined Optical, Thermal and Electrical Performance Study of a V-Trough PV System—Experimental and Analytical Investigations. Energies 2015, 8, 2803–2827. [Google Scholar] [CrossRef]
- Plachta, K. Autonomous Tracking Controller for Photovoltaic Systems Using Global Positioning System. In Proceedings of the 2018 IEEE International Conference on Environment and Electrical Engineering and 2018 IEEE Industrial and Commercial Power Systems Europe (EEEIC/I&CPS Europe), Palermo, Italy, 12–15 June 2018; pp. 1–5. [Google Scholar] [CrossRef]
- Etop Alternative Energy, Active Construction for Photovoltaic Panels Sunflower-SF44V2P. Available online: https://etopalternativeenergy.sk/produkt/aktivna-konstrukcia-na-fotovoltaicke-panely-sunflower-sf44v2p/ (accessed on 12 February 2023).
- Amazon, ECO-WORTHY Solar Panel Dual Axis Tracking System (Increase 40% Power) with Tracker Controller, Complete Solar Tracker Kit, Ideal for Different Solar Panels, for Yard/Farm/Field. Available online: https://www.amazon.com/ECO-WORTHY-Dual-Solar-Tracking-System/dp/B00JYAIS9W?th=1 (accessed on 12 February 2023).
- Seme, S.; Štumberger, B.; Hadžiselimović, M.; Sredenšek, K. Solar Photovoltaic Tracking Systems for Electricity Generation: A Review. Energies 2020, 13, 4224. [Google Scholar] [CrossRef]
- Lincot, D. The new paradigm of photovoltaics: From powering satellites to powering humanity. Comptes Rendus Phys. 2017, 18, 381–390. Available online: https://www.sciencedirect.com/science/article/pii/S1631070517300555 (accessed on 12 February 2023). [CrossRef]
- Goetzberger, A.; Hebling, C.; Schock, H.-W. Photovoltaic materials, history, status and outlook. Mater. Sci. Eng. R Rep. 2003, 40, 381–390. Available online: https://www.sciencedirect.com/science/article/pii/S0927796X0200092X?casa_token=cbw-ZIYcs8wAAAAA:_g-vYcOOjCnDRxDySeJzYzBa-n7Ws8l_qbdq_1WwZokkG_dsIRxcP1wZ_v9DlBmPknP66T2ETw (accessed on 15 February 2023). [CrossRef]
- Schaller, R.D.; Sykora, M.; Pietryga, J.M.; Klimov, V.I. Seven Excitons at a Cost of One: Redefining the Limits for Conversion Efficiency of Photons into Charge Carriers. Nano Lett. 2006, 6, 424–429. [Google Scholar] [CrossRef] [PubMed]
- Alkasrawi, M.; Abdelsalam, E.; Alnawafah, H.; Almomani, F.; Tawalbeh, M.; Mousa, A. Integration of Solar Chimney Power Plant with Photovoltaic for Co-Cooling, Power Production, and Water Desalination. Processes 2021, 9, 2155. [Google Scholar] [CrossRef]
- Welons, M. The Stefan-Boltzmann Law, College of Wooster Physics Department, Ohio, USA. 2007. Available online: https://physics.wooster.edu/wp-content/uploads/2021/08/Junior-IS-Thesis-Web_2007_Wellons.pdf (accessed on 15 February 2023).
- Ramírez-Moreno, M.A.; González-Hernández, S.; Angulo-Brown, F. The role of the Stefan–Boltzmann law in the thermodynamic optimization of an n-Müser engine. Phys. A Stat. Mech. Its Appl. 2016, 444, 914–921. Available online: https://www.sciencedirect.com/science/article/pii/S037843711500953X (accessed on 15 February 2023). [CrossRef]
- Honsberg, C.B.; Bowden, S.G. Photovoltaics Education Website. 2019. Available online: www.pveducation.org (accessed on 15 February 2023).
- Wang, W. On the utilization and development of solar energy in Tibet. E3S Web Conf. 2021, 329. Available online: https://www.e3s-conferences.org/articles/e3sconf/abs/2021/105/e3sconf_gesd2021_01082/e3sconf_gesd2021_01082.html (accessed on 15 February 2023). [CrossRef]
- Jenkins, J.H.; Fischbach, E.; Buncher, J.B.; Gruenwald, J.T.; Krause, D.E.; Mattes, J.J. Evidence of correlations between nuclear decay rates and Earth–Sun distance. Astropart. Phys. 2009, 32, 42–46. Available online: https://www.sciencedirect.com/science/article/pii/S092765050900084X?casa_token=V9abI0tmyM0AAAAA:nAFM-xdapi1Ry1AyPsQ_matymOchIklzvX4NT7JrTdJkra9CLvhvc-souZSA41pA45c7ocTONw (accessed on 18 February 2023). [CrossRef]
- Murphy, D.M. Effect of Stratospheric Aerosols on Direct Sunlight and Implications for Concentrating Solar Power. Environ. Sci. Technol. 2009, 43, 2784–2786. [Google Scholar] [CrossRef] [PubMed]
- Attivissimo, F.; Lanzolla, A.M.L.; Passaghe, D.; Paul, M.; Gregory, D.; Knox, A. Photovoltaic-thermoelectric modules: A feasibility study. In Proceedings of the 2014 IEEE International Instrumentation and Measurement Technology Conference (I2MTC) Proceedings, Montevideo, Uruguay, 12–15 May 2014; pp. 659–664. [Google Scholar]
- ASC Chemistry for Life, Energy from the Sun. Available online: https://www.acs.org/content/acs/en/climatescience/energybalance/energyfromsun.html (accessed on 18 February 2023).
- Wang, Q.; Li, S.; Jiang, F. Uncovering the impact of the COVID-19 pandemic on energy consumption: New insight from difference between pandemic-free scenario and actual electricity consumption in China. J. Clean. Prod. 2021, 313, 127897. [Google Scholar] [CrossRef]
- Hofierka, J.; Cebecauer, T. Spatially distributed assessment of solar resources for energy applications in Slovakia. Acta Fac. Studiorum Humanit. Nat. Univ. Prešoviensis. Prírodné Vedy Folia Geogr. 2008, 12, 97–114. [Google Scholar]
- Nijegorodov, N.; Luhanga, P.V.C. Air mass: Analytical and empirical treatment; an improved formula for air mass. Renew. Energy 1996, 7, 57–65. [Google Scholar] [CrossRef]
- Li, Y.; He, C.; Zuo, L.; Zhao, F.; Zhan, L.; Li, X.; Xia, R.; Yip, H.; Li, C.; Liu, X.; et al. High-Performance Semi-Transparent Organic Photovoltaic Devices via Improving Absorbing Selectivity. Adv. Energy Mater. 2021, 11, 2003408. [Google Scholar] [CrossRef]
- Landis, G.A.; Vo, T. Photovoltaic performance in the Venus environment. In Proceedings of the 2009 34th IEEE Photovoltaic Specialists Conference (PVSC), Philadelphia, PA, USA, 7–12 June 2009. [Google Scholar]
- Karakaya, E. Finite Element Method for forecasting the diffusion of photovoltaic systems: Why and how? Appl. Energy 2016, 163, 464–475. [Google Scholar] [CrossRef]
- Nayak, P.; Garcia-Belmonte, G.; Kahn, A.; Bisquert, J.; Cahen, D. Photovoltaic efficiency limits and material disorder. Energy Environ. Sci. 2012, 5, 6022–6039. [Google Scholar] [CrossRef]
- Matuška, T. Solar thermal systems (MP 1.6.11). 2012. Available online: https://profesis.ckait.cz/dokumenty-ckait/mp-1-6/mp-1-6-11/ (accessed on 18 February 2023).
- Reinders, A.; Verlinden, P.; van Sark, W. Photovoltaic Solar Energy: From Fundamentals to Applications; John Wiley & Sons: Hoboken, NJ, USA, 2017; p. 720. [Google Scholar]
- Keevers, M.J.; Green, M.A. Absorption edge of silicon from solar cell spectral response measurements. Appl. Phys. Lett. 1995, 66, 174–176. [Google Scholar] [CrossRef]
- Kira, M.; Jahnke, F.; Hoyer, W.; Koch, S.W. Quantum theory of spontaneous emission and coherent effects in semiconductor microstructures. Prog. Quantum Electron. 1999, 23, 189–279. [Google Scholar] [CrossRef]
- University of Žilina, Faculty of Management Science and Informatics, Optoelectronic Components. Available online: https://www.kis.fri.uniza.sk/~ludo/e-Publikacia/elektronika/kap9/elektronika.html (accessed on 18 February 2023).
- dos Santos, L.L.C.; Canha, L.N.; Bernardon, D.P. Projection of the diffusion of photovoltaic systems in residential low voltage consumers. Renew. Energy 2018, 116, 384–401. [Google Scholar] [CrossRef]
- Mills, A.; Le Hunte, S. An overview of semiconductor photocatalysis. J. Photochem. Photobiol. A Chem. 1997, 108, 1–35. [Google Scholar] [CrossRef]
- Pleskov, Y. Semiconductor Photoelectrochemistry; Springer: New York, NY, USA, 1986; ISBN 978-1-4684-9080-0. [Google Scholar]
- Benda, V.; Cerna, L. A Note on Limits and Trends in PV Cells and Modules. Appl. Sci. 2022, 12, 3363. [Google Scholar] [CrossRef]
- Obukhov, S.G.; Plotnikov, I.A.; Sheryazov, S.K. Methods of effective use of solar power system. In Proceedings of the 2016 2nd International Conference on Industrial Engineering, Applications and Manufacturing (ICIEAM), Chelyabinsk, Russia, 19–20 May 2016. [Google Scholar]
- Emery, K.A. Solar simulators and I–V measurement methods. Sol. Cells 1986, 18, 251–260. [Google Scholar] [CrossRef]
- Kang, R.; Jeong, T.; Lee, B. Lead-Free Perovskite and Improved Processes and Techniques for Creating Future Photovoltaic Cell to Aid Green Mobility. 2022. Available online: https://www.intechopen.com/online-first/84068 (accessed on 18 February 2023).
- Jäger-Waldau, A. Overview of the Global PV Industry, Reference Module in Earth Systems and Environmental Sciences; Elsevier: Amsterdam, The Netherlands, 2013; ISBN 9780124095489. [Google Scholar]
- Alternative Energy Tutorials, Solar Panel Orientation—PV Solar Panel Orientation and Positioning. 2015. Available online: https://www.alternative-energy-tutorials.com/solar-power/solar-panel-orientation.html (accessed on 18 February 2023).
- Walraven, R. Calculating the position of the Sun. Sol. Energy 1978, 20, 393–397. [Google Scholar] [CrossRef]
- Energy Education, Solar Panel Orientation. 2018. Available online: https://energyeducation.ca/wiki/index.php?title=Solar_panel_orientation&oldid=6109 (accessed on 21 February 2023).
- Marsh, J. What’s the Best Direction and Angle for My Solar Panels? Available online: https://news.energysage.com/solar-panel-performance-orientation-angle/ (accessed on 21 February 2023).
- Božiková, M.; Bilčík, M.; Madola, V.; Szabóová, T.; Kubik, Ľ.; Lendelová, J.; Cviklovič, V. The Effect of Azimuth and Tilt Angle Changes on the Energy Balance of Photovoltaic System Installed in the Southern Slovakia Region. Appl. Sci. 2021, 11, 8998. [Google Scholar] [CrossRef]
- Catia. Available online: https://www.3ds.com/products-services/catia/ (accessed on 21 February 2023).
- MSC Adams. Available online: https://hexagon.com/products/product-groups/computer-aided-engineering-software/adams (accessed on 23 February 2023).
- Matlab. Available online: https://www.mathworks.com/products/matlab.html (accessed on 21 February 2023).
- Siemens Simatic Step7. Available online: https://new.siemens.com/global/en/products/automation/industry-software/automation-software/tia-portal/software/step7-tia-portal.html (accessed on 23 February 2023).
- Siemens WinCC. Available online: https://new.siemens.com/global/en/products/automation/industry-software/automation-software/scada/simatic-wincc-v7.html (accessed on 23 February 2023).

























| Algorithm References | Error | Gain in Energy Production Compared with a Non-tracking System | |
|---|---|---|---|
| Closed-loop Control | Maish (1990) [5] | 1° | - |
| Enslin (1992) [6] | - | 10–15% | |
| Brown et al. (1993) [7] | <0.01° | - | |
| Kalogirou (1996) [8] | 0.05–0.2° | - | |
| Khalifa et al. (1998) [9] | - | 75% | |
| Falbel et al. (2002) [10] | 0.05° | - | |
| Al-Mohamad (2004) [11] | - | 20% | |
| Abdallah (2004) [12] | - | 15–44% | |
| Aiuchi et al. (2004) [13] | 0.1° | - | |
| Open-loop Control | Blanco-Muriel et al. (2001) [14] | 0.08° | - |
| Abdallah et al. (2004) [15] | - | 41% | |
| Reda et al. (2004) [16] | 0.0003° | - | |
| Chen F. et al. (2006) [17] | 0.02° | - | |
| Chen F. et al. (2007) [18] | 0.2° | - | |
| Grena (2008) [19] | 0.0027° | - | |
| Chong et al. (2009) [20] | - | - | |
| North–South Axis | East–West Axis | |
|---|---|---|
| From | −20° | 82° |
| To | −75° | 75° |
| Results of Static Analysis of the Positioning System | |
| Maximum static moment of the VZ axis | 0.6 Nmm |
| Maximum static moment of the SJ axis | 28.5 Nmm |
| Results of the Dynamic Analysis of the Positioning System | |
| Maximum dynamic moment of the VZ axis | 0.52 Nmm |
| Maximum dynamic moment of the SJ axis | 0.97 Nmm |
| Parameter | Value |
|---|---|
| Nominal torque | 1.89 Nm |
| Nominal voltage | 3.2 V |
| Nominal current | 2.8 A |
| Number of windings | 4 |
| Winding resistance | 1.13 Ω |
| Inductance | 3.6 mH |
| Rotor inertia | 480 g·cm2 |
| Holding torque | 0.068 Nm |
| Rated Engine Power | Rated Brake Power |
|---|---|
| 8.96 W | 15 W |
| Number of Motor Steps | Drive Operation Time | Energy Input |
|---|---|---|
| 837,219 steps/year | 23.3 h/year | 0.9 kWh/year |
| Energy Falling on an Optimally Inclined Plane | Potential of Generated Energy—Positioning System | Potential of Generated Energy—Fixed System |
|---|---|---|
| 3083 kWh/m2/year | 3057 kWh/m2/year | 1544 kWh/m2/year |
| Theoretical Generated Energy—Positioning System | Theoretical Generated Energy | Energy Deposit—Positioning System |
|---|---|---|
| 832 kWh/m2/year | 420 kWh/m2/year | 0.9 kWh/m2/year |
Disclaimer/Publisher’s Note: The statements, opinions and data contained in all publications are solely those of the individual author(s) and contributor(s) and not of MDPI and/or the editor(s). MDPI and/or the editor(s) disclaim responsibility for any injury to people or property resulting from any ideas, methods, instructions or products referred to in the content. |
© 2023 by the authors. Licensee MDPI, Basel, Switzerland. This article is an open access article distributed under the terms and conditions of the Creative Commons Attribution (CC BY) license (https://creativecommons.org/licenses/by/4.0/).
Share and Cite
Žemla, F.; Cigánek, J.; Rosinová, D.; Kučera, E.; Haffner, O. Complex Positioning System for the Control and Visualization of Photovoltaic Systems. Energies 2023, 16, 4001. https://doi.org/10.3390/en16104001
Žemla F, Cigánek J, Rosinová D, Kučera E, Haffner O. Complex Positioning System for the Control and Visualization of Photovoltaic Systems. Energies. 2023; 16(10):4001. https://doi.org/10.3390/en16104001
Chicago/Turabian StyleŽemla, Filip, Ján Cigánek, Danica Rosinová, Erik Kučera, and Oto Haffner. 2023. "Complex Positioning System for the Control and Visualization of Photovoltaic Systems" Energies 16, no. 10: 4001. https://doi.org/10.3390/en16104001
APA StyleŽemla, F., Cigánek, J., Rosinová, D., Kučera, E., & Haffner, O. (2023). Complex Positioning System for the Control and Visualization of Photovoltaic Systems. Energies, 16(10), 4001. https://doi.org/10.3390/en16104001

