A Comprehensive Performance Comparison between Segmental and Conventional Switched Reluctance Machines with Boost and Standard Converters
Abstract
1. Introduction
- A segmental SRM with a lower torque ripple has been compared to a CSRM.
- A boost converter has been compared with a conventional AHB converter.
- The boost converter is tested with the segmental SRM and generates a higher maximum speed compared to the conventional AHB converter.
2. Comparison of the Segmental SRM and a Conventional SRM
2.1. The Conventional SRM
2.2. The Segmental SRM
2.3. Finite Element Analysis and Simulink™ Simulation Comparison
2.4. Experimental Validation and Comparison
2.5. Section Conclusions
3. Simulation and Experiment Comparison of the Boost Converter and Conventional Converter
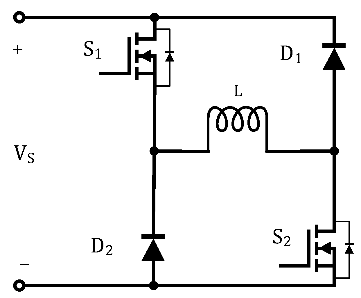
3.1. Conventional Converter
3.2. Boost Converter
3.3. MATLAB/Simulink™ Simulation and Comparison
3.4. Experimental Validation and Comparison
3.5. Section Conclusions
4. Comparison of the Boost Converter and the Conventional Converter with the Segmental SRM
4.1. Segmental SRM with the Conventional Converter
4.2. Segmental SRM with the Boost Converter
4.3. Comparison in the Simulink Simulation
4.4. Comparison in Experimental Tests
4.5. Section Conclusions
5. Discussion
6. Conclusions
Author Contributions
Funding
Data Availability Statement
Acknowledgments
Conflicts of Interest
References
- Stansby, P.; Moreno, E.C.; Draycott, S.; Stallard, T. Total wave power absorption by a multi-float wave energy converter and a semi-submersible wind platform with a fast far field model for arrays. J. Ocean Eng. Mar. Energy 2022, 8, 43–63. [Google Scholar] [CrossRef]
- Wu, J.; Qin, L.; Chen, N.; Qian, C.; Zheng, S. Investigation on a spring-integrated mechanical power take-off system for wave energy conversion purpose. Energy 2022, 245, 123318. [Google Scholar] [CrossRef]
- Siadatan, A.; Najmi, V.; Asgar, M.; Afjei, E. A new 6/4 two layers switched reluctance motor: Concept, simulation and analysis. In Proceedings of the International Aegean Conference on Electrical Machines and Power Electronics and Electromotion, Joint Conference, Istanbul, Turkiye, 8–10 September 2011; pp. 244–249. [Google Scholar]
- Hekmati, P.; Brown, I.P. Rotary-Reciprocating Movement Switched-Reluctance Machines with Consequent Axially Shifted Poles. IEEE Trans. Magn. 2018, 54, 1–10. [Google Scholar] [CrossRef]
- Gu, L.; Clark, A.; Wang, W.; Hearron, J.; Fahimi, B. Magnetic design of two-phase switched reluctance motor with bidirectional startup capability. In Proceedings of the 2014 IEEE Energy Conversion Congress and Exposition (ECCE), Pittsburgh, PA, USA, 14–18 September 2014; pp. 1387–1392. [Google Scholar]
- Siadatan, A.; Fatahi, N.; Sedaghat, M. Optimum Designed Multilayer Switched Reluctance Motors for use in Electric Vehicles to Increase Efficiency. In Proceedings of the 2018 International Symposium on Power Electronics, Electrical Drives, Automation and Motion (SPEEDAM), Amalfi, Italy, 20–22 June 2018; pp. 304–308. [Google Scholar]
- Siadatan, A.; Najmi, V.; Afjei, E. Modeling, simulation and analysis of a novel two layer 8/6 hybrid Switched Reluctance Motor/field-assisted generator. In Proceedings of the 20th Iranian Conference on Electrical Engineering (ICEE2012), Tehran, Iran, 15–17 May 2012; pp. 495–500. [Google Scholar]
- Vatani, M.; Mirsalim, M.; Vaez-Zadeh, S. A New Double-Layer Switched Reluctance Motor with a Low Torque Ripple. In Proceedings of the 2019 27th Iranian Conference on Electrical Engineering (ICEE), Yazd, Iran, 30 April–2 May 2019; pp. 792–797. [Google Scholar]
- Higuchi, T.; Ueda, T.; Abe, T. Torque ripple reduction control of a novel segment type SRM with 2-steps slide rotor. In Proceedings of the the 2010 International Power Electronics Conference-ECCE ASIA, Sapporo, Japan, 21–24 June 2010; pp. 2175–2180. [Google Scholar]
- Higuchi, T.; Nakao, Y.; Abe, T. Characteristics of a novel segment type SRM with 2-step slide rotor. In Proceedings of the 2009 International Conference on Electrical Machines and Systems, Tokyo, Japan, 15–18 November 2009; pp. 1–4. [Google Scholar]
- Mecrow, B.C.; Finch, J.W.; El-Kharashi, E.A.; Jack, A.G. Switched reluctance motors with segmental rotors. IEE Proc.-Electr. Power Appl. 2002, 149, 245–254. [Google Scholar] [CrossRef]
- Mecrow, B.C.; El-Kharashi, E.A.; Finch, J.W.; Jack, A.G. Segmental rotor switched reluctance motors with single-tooth windings. IEE Proc. Electr. Power Appl. 2003, 150, 591–599. [Google Scholar] [CrossRef]
- Deng, X.; Mecrow, B. A comparison of conventional and segmental rotor 12/10 switched reluctance motors. In Proceedings of the 2019 IEEE International Electric Machines & Drives Conference (IEMDC), San Diego, CA, USA, 12–15 May 2019; pp. 1508–1513. [Google Scholar]
- Widmer, J.D.; Mecrow, B.C. Optimised Segmental Rotor Switched Reluctance Machines with a greater number of rotor segments than stator slots. In Proceedings of the 2011 IEEE International Electric Machines & Drives Conference (IEMDC), Niagara Falls, ON, Canada, 15–18 May 2011; pp. 1183–1188. [Google Scholar]
- Widmer, J.D.; Martin, R.; Mecrow, B.C. Optimisation of an 80kW Segmental Rotor Switched Reluctance Machine for automotive traction. In Proceedings of the 2013 International Electric Machines & Drives Conference, Chicago, IL, USA, 12–15 May 2013; pp. 427–433. [Google Scholar]
- Khor, M.T.; Sotudeh, R. A 3-phase 12/10 asymmetrical switched reluctance motor. In Proceedings of the 2005 European Conference on Power Electronics and Applications, Dresden, Germany, 11–14 September 2005; p. 9. [Google Scholar]
- Bogusz, P.; Korkosz, M.; Prokop, J. Performance analysis of Switched Reluctance Motor with asymmetric stator. In Proceedings of the 2011 IEEE International Symposium on Industrial Electronics, Gdańsk, Poland, 27–30 June 2011; pp. 661–666. [Google Scholar]
- Bogusz, P.; Korkosz, M.; Prokop, J. Control method of high-speed switched reluctance motor with an asymmetric rotor magnetic circuit. Arch. Electr. Eng. 2016, 65, 48. [Google Scholar] [CrossRef][Green Version]
- Torres, J.; Moreno-Torres, P.; Navarro, G.; Blanco, M.; Nájera, J.; Santos-Herran, M.; Lafoz, M. Asymmetrical Rotor Skewing Optimization in Switched Reluctance Machines Using Differential Evolutionary Algorithm. Energies 2021, 14, 3194. [Google Scholar] [CrossRef]
- Xu, Z.; Yu, Q.; Zhang, F. Design and Analysis of Asymmetric Rotor Pole Type Bearingless Switched Reluctance Motor. CES Trans. Electr. Mach. Syst. 2022, 6, 3–10. [Google Scholar] [CrossRef]
- Lan, Y.; Peng, W.; Aksoz, A.; Benomar, Y.; Bossche, P.V.d.; Baghdadi, M.E.; Hegazy, O. Design and Modelling of 12/4 Fully-Pitched Segmental Switched Reluctance Motors. In Proceedings of the 2020 Fifteenth International Conference on Ecological Vehicles and Renewable Energies (EVER), Monte-Carlo, Monaco, 10–12 September 2020; pp. 1–8. [Google Scholar]
- Jin-Woo, A.; Jianing, L.; Dong-Hee, L. Classification and Analysis of Switched Reluctance Converters. J. Electr. Eng. Technol. 2010, 5, 571–579. [Google Scholar]
- Liang, J.; Xu, G.; Lee, D.H.; Ahn, J.W. Classification of capacitive type converter topologies for SRM. In Proceedings of the 2010 International Conference on Electrical Machines and Systems, Incheon, Republic of Korea, 10–13 October 2010; pp. 1670–1675. [Google Scholar]
- Pires, V.F.; Pires, A.J.; Cordeiro, A.; Foito, D. A Review of the Power Converter Interfaces for Switched Reluctance Machines. Energies 2020, 13, 3490. [Google Scholar] [CrossRef]
- Lan, Y.; Benomar, Y.; Deepak, K.; Aksoz, A.; Baghdadi, M.E.; Bostanci, E.; Hegazy, O. Switched Reluctance Motors and Drive Systems for Electric Vehicle Powertrains: State of the Art Analysis and Future Trends. Energies 2021, 14, 2079. [Google Scholar] [CrossRef]
- Zan, X.; Wu, N.; Xu, R.; Cui, M.; Jiang, Z.; Ni, K.; Alkahtani, M. Design and Analysis of a Novel Converter Topology for Photovoltaic Pumps Based on Switched Reluctance Motor. Energies 2019, 12, 2526. [Google Scholar] [CrossRef]
- Gaafar, M.A.; Abdelmaksoud, A.; Orabi, M.; Chen, H.; Dardeer, M. Performance Investigation of Switched Reluctance Motor Driven by Quasi-Z-Source Integrated Multiport Converter with Different Switching Algorithms. Sustainability 2021, 13, 9517. [Google Scholar] [CrossRef]
- Muthulakshmi, P.S.; Dhanasekaran, R. A new modified switched reluctance motor drive using passive network for torque ripple minimization. In Proceedings of the 2015 International Conference on Communications and Signal Processing (ICCSP), Melmaruvathur, India, 2–4 April 2015; pp. 718–723. [Google Scholar]
- Guntuk, V.S.; Bakle, U.V.; Lahare, V.S.; Bochare, A.R.; Thakre, M.P. A Novel 4-level Converter for Switched Reluctance Motor Drive in Plug-In HEVs. In Proceedings of the 2019 International Conference on Intelligent Computing and Control Systems (ICCS), Madurai, India, 15–17 May 2019; pp. 626–631. [Google Scholar]
- Lan, Y.; Frikha, M.A.; Croonen, J.; Benômar, Y.; El Baghdadi, M.; Hegazy, O. Design Optimization of a Switched Reluctance Machine with an Improved Segmental Rotor for Electric Vehicle Applications. Energies 2022, 15, 5772. [Google Scholar] [CrossRef]
- Lan, Y.; Croonen, J.; Deepak, K.; Benômar, Y.; El Baghdadi, M.; Hegazy, O. Turn-off Angle Analytical Calculation Method of a Passive Boost Converter with Parallel Type Capacitors for Switched Reluctance Motors. In Proceedings of the 2022 IEEE 20th International Power Electronics and Motion Control Conference (IEEE-PEMC), Brasov, Romania, 25–29 September 2022. [Google Scholar]
- Krishnan, R. Switched Reluctance Motor Drives; CRC Press: Boca Raton, FL, USA, 2001. [Google Scholar]
- Ilmiawan, A.F.; Wijanarko, D.; Arofat, A.H.; Hindersyah, H.; Purwadi, A. An easy speed measurement for incremental rotary encoder using multi stage moving average method. In Proceedings of the 2014 International Conference on Electrical Engineering and Computer Science (ICEECS), Kuta, Bali, Indonesia, 24–25 November 2014; pp. 363–368. [Google Scholar]


























| Parameter | Value | Unit | 
|---|---|---|
| DC supply voltage | 72 | V | 
| Rated speed | 3000 | rpm | 
| Rated torque | 6.5 | Nm | 
| Number of phases | 3 | - | 
| Number of stator poles | 12 | - | 
| Number of rotor poles | 8 | - | 
| Stator yoke material | Silicon steel | - | 
| Rotor material | Silicon steel | - | 
| Parameter | Value | Unit | 
|---|---|---|
| DC supply voltage | 72 | V | 
| Rated speed | 3000 | rpm | 
| Rated torque | 6.5 | Nm | 
| Number of phases | 6 | - | 
| Number of phases working simultaneously | 2 | - | 
| Number of stator poles | 12 | - | 
| Number of rotor poles | 4 | - | 
| Rotor segment shift angle | 15 | degree | 
| Stator yoke material | Silicon steel | - | 
| Rotor segment material | Silicon steel | - | 
| Rotor core material | Aluminum | - | 
| Disclaimer/Publisher’s Note: The statements, opinions and data contained in all publications are solely those of the individual author(s) and contributor(s) and not of MDPI and/or the editor(s). MDPI and/or the editor(s) disclaim responsibility for any injury to people or property resulting from any ideas, methods, instructions or products referred to in the content. | 
© 2022 by the authors. Licensee MDPI, Basel, Switzerland. This article is an open access article distributed under the terms and conditions of the Creative Commons Attribution (CC BY) license (https://creativecommons.org/licenses/by/4.0/).
Share and Cite
Lan, Y.; Croonen, J.; Frikha, M.A.; El Baghdadi, M.; Hegazy, O. A Comprehensive Performance Comparison between Segmental and Conventional Switched Reluctance Machines with Boost and Standard Converters. Energies 2023, 16, 43. https://doi.org/10.3390/en16010043
Lan Y, Croonen J, Frikha MA, El Baghdadi M, Hegazy O. A Comprehensive Performance Comparison between Segmental and Conventional Switched Reluctance Machines with Boost and Standard Converters. Energies. 2023; 16(1):43. https://doi.org/10.3390/en16010043
Chicago/Turabian StyleLan, Yuanfeng, Julien Croonen, Mohamed Amine Frikha, Mohamed El Baghdadi, and Omar Hegazy. 2023. "A Comprehensive Performance Comparison between Segmental and Conventional Switched Reluctance Machines with Boost and Standard Converters" Energies 16, no. 1: 43. https://doi.org/10.3390/en16010043
APA StyleLan, Y., Croonen, J., Frikha, M. A., El Baghdadi, M., & Hegazy, O. (2023). A Comprehensive Performance Comparison between Segmental and Conventional Switched Reluctance Machines with Boost and Standard Converters. Energies, 16(1), 43. https://doi.org/10.3390/en16010043
 
        





 
       