Technical Review of Traction Drive Systems for Light Railways
Abstract
:1. Introduction
2. Traction Drive Systems
2.1. Diesel Traction Systems
2.2. Electric Traction System
- ✓
- There are no emissions at the point of use;
- ✓
- Lower maintenance costs;
- ✓
- Regenerative braking to reduce energy consumption;
- ✓
- Lower electrified-track capital cost investment compared to electric-only traction.
- 🗴
- They require a larger onboard energy storage system;
- 🗴
- Complex energy management;
- 🗴
- The cost of capital for an energy storage unit is high;
- 🗴
- Power interruptions affect services;
- 🗴
- Interference with command, control and communication systems.
2.3. Hybrid Traction System



- The fuel-to-wheel efficiency of the fuel cell is 40–50%;
- The fuel cell operates at its maximum efficiency of around 20–30% of its rated power, but can be increased up to 60%;
- The diesel ICE efficiency is 20–25% and a maximum occurs at 70–80% power;
- Fuel cells have better efficiency maps for driving power demands [41].
3. Traction Motors and Arrangements for Railway Applications
3.1. Permanent Magnet Synchronous Motors
3.2. Paralleling the Motors
3.3. Multiphase/Multi-Three Phase Structure
4. Power Converter Unit of Railway Applications with Wide Band Gap Devices
4.1. DC Motor Drives
4.2. AC Motor Drives
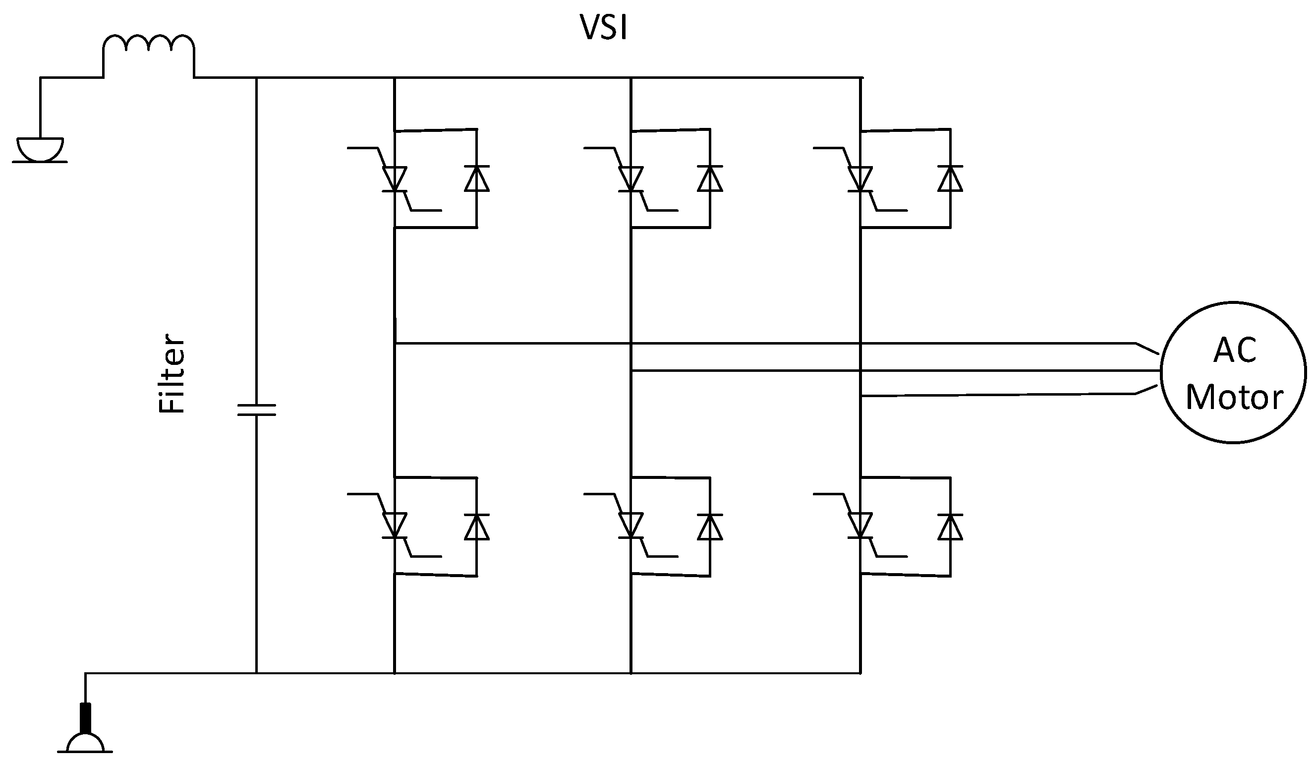
4.2.1. DC-Fed Current Source Inverters
4.2.2. DC-Fed Voltage Source Inverter
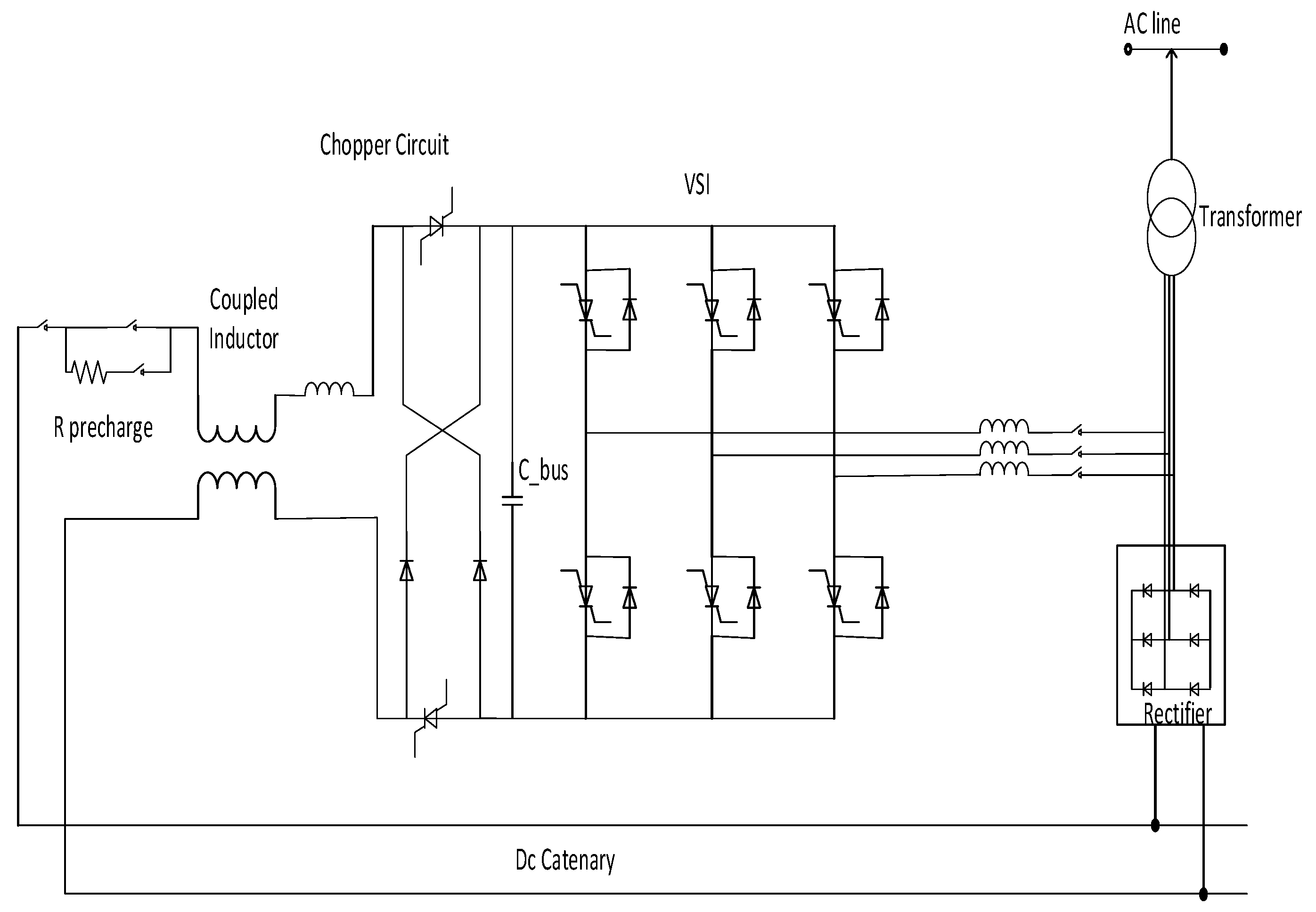
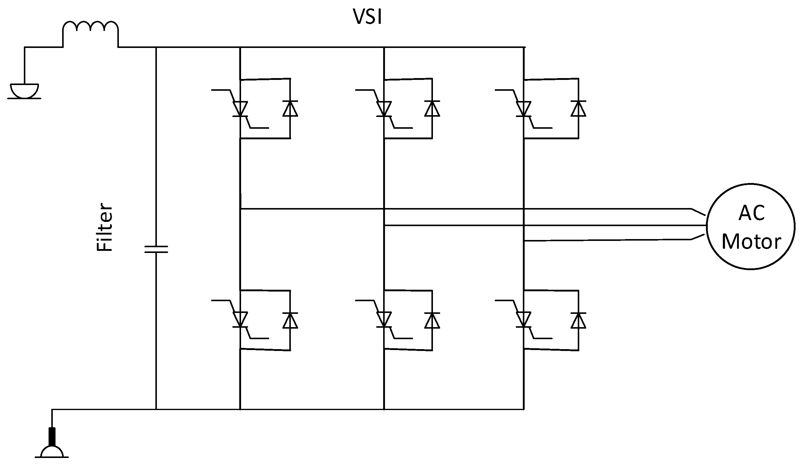
4.2.3. AC-Fed Voltage Source Inverter
4.3. Recent Trend
4.4. Multi-Source Converters
4.5. Impact of Wide-Band-Gap Devices
5. Conclusions
Author Contributions
Funding
Institutional Review Board Statement
Informed Consent Statement
Data Availability Statement
Conflicts of Interest
References
- Cuff, M. More Trains, More Buses: How to Send UK Transport Emissions into Reverse Gear; Business Green: London, UK, 2019. [Google Scholar]
- Henley, W. Is it Greener to Travel by Rail or Car. The Guardian, 24 July 2013. Available online: https://www.theguardian.com/sustainable-business/greener-travel-car-or-rail (accessed on 24 April 2022).
- Owen-Jones, J. New Study Will Assess Potential of Fuel Cell and Hydrogen for the Rail Sector. Gasworld, 21 March 2018. Available online: https://www.gasworld.com/potential-of-fuel-cells-and-hydrogen-for-the-rail-sector-/2014391.article (accessed on 24 April 2022).
- Wiseman, E. Hydrogen Fuel Cell Trains to Run on British Railways from 2022. The Telegraph, 7 January 2019. Available online: https://www.telegraph.co.uk/cars/news/hydrogen-fuel-cell-trains-run-british-railways-2022/ (accessed on 24 April 2022).
- Hoen, A.; van Grinsven, A.; Kampman, B.; Faber, J.; van Essen, H.; Skinner, I. Research for TRAN Committee—Decarbonisation of EU Transport, European Parliament, Policy Department for Structural and Cohesion Policies; European Union: Brussels, Belgium, 2017. [Google Scholar]
- Brenna, M.; Foiadelli, F.; Zaninelli, D. Electrical Railway Transportation Systems; IEEE Press Wiley: Piscataway, NJ, USA, 2018. [Google Scholar]
- Lu, S. Optimising Power Management Strategies for Railway Traction Systems; The University of Birmingham: Birmingham, UK, 2011. [Google Scholar]
- Hillmansen, S.; Schmid, F.; Schmid, T. The rise of the permanent-magnet traction motor. Railw. Gaz. Int. 2011, 167, 30–34. [Google Scholar]
- Chan, C.C.; Liu, C.; Chau, K.T. Overview of permanent-magnet brushless drives for electric and hybrid electric vehicles. IEEE Trans. Ind. Electron. 2008, 55, 2246–2257. [Google Scholar]
- Kuşdoğan, Ş. Elektrikli otomobillerde enerji depolama sistemlerindeki gelişmeler. Mühendis Ve Makine 2009, 50, 2–11. [Google Scholar]
- Szczesniak, P. Challenges and Design Requirements for Industrial Applications of AC/AC Power Converters without DC-Link; University of Zielona Góra: Zielona Góra, Poland, 2019. [Google Scholar]
- Lin, B.-R. Investigation of a resonant dc-dc converter for light rail transportation applications. Energies 2018, 11, 1078. [Google Scholar] [CrossRef] [Green Version]
- Chua, T.Z.Y.; Ong, Y.T.; Toh, C.L. Transformerless DC traction power conversion system design for light-rail-transit (LRT). In Proceedings of the IEEE Energy Conversion Conference (CENCON), Kuala Lumpur, Malaysia, 30–31 October 2017. [Google Scholar]
- Schafer, M.W. The American Passenger Train; MBI Publishing Company: Saint Paul, MN, USA, 2001. [Google Scholar]
- Duffy, M.C. Electric Railways: 1880–1990; The Institution of Electrical Engineers: London, UK, 2003. [Google Scholar]
- Saylam, A. Methodology to reduce diesel engine pollutant emissions. Int. J. Petrochem. Nat. Gas 2022, 1, 4–8. [Google Scholar]
- Mwangi, J.K.; Lee, W.J.; Chang, Y.C.; Chen, C.Y.; Wang, L.C. An overview: Energy saving and pollution reduction by using green fuel blends in diesel engines. Appl. Energy 2015, 159, 214–236. [Google Scholar] [CrossRef]
- Misra, R.D.; Murthy, M.S. Straight vegetable oils usage in a compression ignition engine—A review. Renew. Sustain. Energy Rev. 2010, 14, 3005–3013. [Google Scholar] [CrossRef]
- Pagenkopf, J.; Kaimer, S. Potentials of Alternative Propulsion Systems for Railway Vehicles—A Techno-Economic Evaluation. In Proceedings of the Ninth International Conference on Ecological Vehicles and Renewable Energies (EVER), Monte-Carlo, Monaco, 25–27 March 2014. [Google Scholar]
- Iwase, T.; Kawamura, J.; Tokai, K.; Kageyama, M. Development of battery system for railway vehicle. In Proceedings of the International Conference on Electrical Systems for Aircraft, Railway, Ship Propulsion and Road Vehicles (ESARS), Aachen, Germany, 3–5 March 2015. [Google Scholar]
- Welsh, J. Union Pacific’s Streamliners; Voyageur Press: Minneapolis, MN, USA, 2008. [Google Scholar]
- Zimmermann, K. Burlington’s Zephyrs; MBI Publishing Company: Saint Paul, MN, USA, 2004. [Google Scholar]
- Hollingsworth, B.; Cook, A. Das Handbuch der Lokomotiven; Bechtermuenz Verlag im Weltbildverlag GmbH: Augsburg, Germany, 1996. [Google Scholar]
- Letrouve, T.; Lhomme, W.; Pouget, J.; Bouscayrol, A. Different hybridization rate of a diesel-electric locomotive. In Proceedings of the IEEE Vehicle Power and Propulsion Conference (VPPC), Coimbra, Portugal, 27–30 October 2014. [Google Scholar]
- Cipek, M.; Pavkovic, D.; Kljaic, Z.; Mlinaric, T.J. Assessment of battery-hybrid diesel-electric locomotive fuel savings and emission reduction potentials based on a realistic mountainous rail route. Energy 2019, 173, 1154–1171. [Google Scholar] [CrossRef]
- Spiryagin, M.; Wolfs, P.; Szanto, F.; Sun, Y.Q.; Cole, C.; Nielsen, D. Application of flywheel energy storage for heavy haul locomotives. Appl. Energy 2015, 157, 607–618. [Google Scholar] [CrossRef]
- Moraes, C.G.S.; Junior, S.L.B.; Heldwein, M.L.; Franca, A.S.; Vaccari, A.S.; Waltrich, G. Power Conversion Technologies for a Hybrid Energy Storage System in Diesel-Electric Locomotives. IEEE Trans. Ind. Electron. 2021, 68, 9081–9091. [Google Scholar] [CrossRef]
- Mayrink, S.; Oliveira, J.G.; Dias, B.H.; Oliveira, L.W.; Ochoa, J.S.; Rosseti, G.S. Regenerative Braking for Energy Recovering in Diesel-Electric Freight Trains: A Technical and Economic Evaluation. Energies 2020, 13, 963. [Google Scholar] [CrossRef] [Green Version]
- Gao, Z.; Chin, C.; Woo, W.; Jia, J. Integrated Equivalent Circuit and Thermal Model for Simulation of Temperature-dependent LiFePO4 Battery in Actual Embedded Application. Energies 2017, 10, 85. [Google Scholar] [CrossRef] [Green Version]
- Irena, A. Electricity Storage and Renewables: Costs and Markets to 2030; International Renewable Energy Agency: Abu Dhabi, United Arab Emirates, 2017. [Google Scholar]
- Killer, A.; Armstorfer, A.; Diez, A.E.; Biechl, H. Ultracapacitor Assisted Regenerative Braking in Metropolitan Railway Systems. In Proceedings of the 2012 IEEE Colombian Intelligent Transportation Systems Symposium (CITSS), Bogota, Colombia, 30 August 2012. [Google Scholar]
- Lin, F.; Li, X.; Zhao, Y.; Yang, Z. Control Strategies with Dynamic Threshold Adjustment for Supercapacitor Energy Storage System Considering the Train and Substation Characteristics in Urban Rail Transit. Energies 2016, 9, 257. [Google Scholar] [CrossRef]
- Gee, A.M.; Dunn, R.W. Analysis of Trackside Flywheel Energy Storage in Light Rail Systems. IEEE Trans. Veh. Technol. 2015, 64, 3858–3869. [Google Scholar] [CrossRef]
- García-Garre, A.; Gabaldón, A. Analysis, Evaluation and Simulation of Railway Diesel-Electric and Hybrid Units as Distributed Energy Resources. Appl. Sci. 2019, 9, 3605. [Google Scholar] [CrossRef] [Green Version]
- Destraz, B.; Barrade, P.; Rufer, A. A Solution for Increasing the Efficiency of Diesel—Electric Locomotives with Supercapacitive Energy Storage; Laboratory of Industrial Electronics Swiss Federal Institute of Technology Lausanne: Lausanne, Switzerland, 2004. [Google Scholar]
- HybridFLEX Battery-Diesel Train, UK. Railway Technology; 2021; Available online: https://www.electricandhybridrail.com/content/news/hybridflex-battery-diesel-train-enters-passenger-service-in-london-uk#:~:text=British%20train%20operating%20company%20Chiltern,the%20UK’s%20national%20rail%20network (accessed on 24 April 2022).
- Ihara, H.; Kakinuma, H.; Sato, I.; Ihaba, T.; Anada, K.; Morimoto, M.; Oda, T.; Kobayashi, S.; Ono, T.; Karasawa, R. Development of Motor-Assisted Hybrid Traction System. In Proceedings of the World Congress on Railway Research (WCRR) 2008, Seoul, Korea, 18–20 May 2008. [Google Scholar]
- Furuta, R.; Kawasaki, J.; Kondo, K. Hybrid Traction Technologies with Energy Storage Devices for Nonelectrified Railway Lines. IEEJ Trans. Electr. Electron. Eng. 2010, 5, 291–297. [Google Scholar] [CrossRef]
- Olmos, J.; Gandiaga, I.; Lopez, D.; Larrea, X.; Nieva, T.; Aizpuru, I. Impact of Li-ion Battery Technology and Energy Management on the Life Cycle Costs of Hybrid Diesel-Electric Multiple Units. In Proceedings of the Fifteenth International Conference on Ecological Vehicles and Renewable Energies (EVER), Monte-Carlo, Monaco, 10–12 September 2020. [Google Scholar]
- Giglioli, R.; Lutzemberger, G.; Poli, D.; Sani, L. Hybridisation of Railcars for Usage in Non-Electrified Lines. In Proceedings of the 6th International Conference on Clean Electrical Power (ICCEP), Santa Margherita Ligure, Italy, 27–29 June 2017. [Google Scholar]
- Walker, G. Technologies for the Hydrogen Transport Economy-Lecture Notes; University of Nottingham: Nottingham, UK, 2016. [Google Scholar]
- Arkkio, S.R.A. Partial demagnetization of permanent magnets in electrical machines caused by an inclined field. IEEE Trans. Magn. 2008, 44, 1773–1778. [Google Scholar]
- Ruoho, S.; Haavisto, M.; Takala, E.; Santa-Nokki, T.; Paju, M. Temperature dependence of resistivity of sintered rare-earth permanent-magnet materials. IEEE Trans. Magn. 2010, 46, 15–20. [Google Scholar] [CrossRef]
- Katter, M. Angular dependence of the demagnetization stability of sintered Nd-Fe-B magnets. IEEE Trans. Magn. 2005, 41, 3853–3855. [Google Scholar] [CrossRef]
- Goldemberg, C.; Lebensztajn, L.; Lobosco, O.S. Analysis of short-circuit transients of a PM machine. In Proceedings of the IEEE International 41 Electric Machines and Drives Conference Record, Milwaukee, WI, USA, 18–21 May 1997. [Google Scholar]
- Ruoho, S.; Dlala, E.; Arkkio, A. Comparison of Demagnetization Models for Finite-Element Analysis of Permanent Magnet Synchronous Machines. IEEE Trans. Magn. 2007, 43, 3964–3968. [Google Scholar] [CrossRef]
- Ruschetti, C.; Verucchi, C.; Bossio, G.; Angelo, C.D.; García, G. Rotor demagnetization effects on permanent magnet synchronous machines. Energy Convers. Manag. 2013, 74, 1–8. [Google Scholar] [CrossRef]
- Kim, K.-C.; Lim, S.-B.; Koo, D.-H.; Lee, J. The shape design of permanent magnet for permanent magnet synchronous motor considering partial demagnetization. IEEE Trans. Magn. 2006, 42, 3485–3487. [Google Scholar] [CrossRef]
- Yao, F.; An, Q.; Sun, L.; Lipo, T.A. Performance investigation of a brushless synchronous machine with additional harmonic _eld windings. IEEE Trans. Ind. Electron. 2016, 63, 6756–6766. [Google Scholar] [CrossRef]
- Jawad, G.; Ali, Q.; Lipo, T.A.; Kwon, B.-I. Novel brushless wound rotor synchronous machine with zero-sequence third-harmonic field excitation. IEEE Trans. Magn. 2016, 52, 1–4. [Google Scholar] [CrossRef]
- Sirewal, G.J.; Ayub, M.; Kwon, S.A.B.-I. Analysis of a Brushless Wound Rotor Synchronous Machine Employing a Stator Harmonic Winding. IEEE Access 2020, 8, 151392–151402. [Google Scholar] [CrossRef]
- Patil, N.A.; Lawler, J.S.; McKeever, J.W. Determining Constant Power Speed Ratio of the Induction Motor from Equivalent Circuit Parameters. In Proceedings of the IEEE SoutheastCon, Huntsville, AL, USA, 3–6 April 2008. [Google Scholar]
- Zhao, X.; Kou, B.; Huang, C.; Zhang, L. Optimization Design and Performance Analysis of a Reverse-Salient Permanent Magnet Synchronous Motor. Machines 2022, 10, 204. [Google Scholar] [CrossRef]
- Ayub, M.; Atiq, S.; Ali, Q.; Kwon, B. Dual-Mode Wound Rotor Synchronous Machine for Variable Speed Applications. IEEE Access 2020, 8, 115812–115822. [Google Scholar] [CrossRef]
- Sun, X.; Hu, C.; Zhu, J.; Wang, S.; Zhou, W.; Yang, Z.; Lei, G.; Li, K.; Zhu, B.; Guo, Y. MPTC for PMSMs of EVs with multi-motor driven system considering optimal energy allocation. IEEE Trans. Magn. 2019, 55, 1–6. [Google Scholar] [CrossRef]
- Matsuoka, K.; Kondo, M. Energy Saving Technologies for Railway Traction Motors. IEEJ Trans. Electr. Electron. Eng. 2010, 5, 278–284. [Google Scholar] [CrossRef]
- Kondo, K. Recent Energy Saving Technologies on Railway Traction Systems. IEEJ Trans. Electr. Electron. Eng. 2010, 5, 298–303. [Google Scholar] [CrossRef]
- Ryabinin, I.A.; Parfenov, Y.M. Reliability, Survivability and Safety of Ships Electric Power Systems; Kuzentsov Naval Academy: St. Petersburg, Russia, 1997. [Google Scholar]
- Bernatt, J.; Gawron, S.; Glinka, T.; Polak, A. Traction induction motor. In Proceedings of the 13th International Conference Modern Electrified Transport (MET), Warsaw, Poland, 5–7 October 2017. [Google Scholar]
- Mohammadi Pirouz, H.; Hajizadeh, A. A Highly Reliable Propulsion System with Onboard Uninterruptible Power Supply for Train Application: Topology and Control. Sustainability 2020, 12, 3943. [Google Scholar] [CrossRef]
- Nategh, S.; Boglietti, A.; Liu, Y.; Barber, D.; Brammer, R.; Lindberg, D.; Aglen, O. A Review on Different Aspects of Traction Motor Design for Railway Applications. IEEE Trans. Ind. Appl. 2020, 56, 2148–2157. [Google Scholar] [CrossRef]
- Kou, B.; Li, L.; Cheng, S.; Meng, F. Operating control of efficiently generating induction motor for driving hybrid electric vehicle. IEEE Trans. Magn. 2005, 41, 488–491. [Google Scholar]
- Kelly, J.W.; Strangas, E.G.; Miller, J.M. Control of a continuously operated pole-changing induction machine. IEEE Int. Conf. Electr. Mach. Drives 2003, 1, 211–217. [Google Scholar]
- Jiang, S.; Chau, K.; Chan, C. Spectral analysis of a new six-phase pole-changing induction motor drive for electric vehicles. IEEE Trans. Ind. Electron. 2003, 50, 123–131. [Google Scholar] [CrossRef] [Green Version]
- Bouscayrol, A.; Pietrzak-David, M.; Delarue, P.; Pefta-Eguiluz, R.; Kestelyn, P.V. Weighted Control of Traction Drives with Parallel-Connected AC Machine. IEEE Trans. Ind. Electron. 2006, 53, 1799–1806. [Google Scholar] [CrossRef]
- Nagano, T.; Itoh, J. Parallel Connected Multiple Drive System Using Small Auxiliary Inverter for Numbers of PMSM. In Proceedings of the International Power Electronics Conference (IPEC-Hiroshima 2014-ECCE ASIA), Hiroshima, Japan, 18–21 May 2014. [Google Scholar]
- Itoh, J.-I.; Nomura, N.; Ohsawa, H. A Comparison between V/f Control and Position-Sensorless Vector Control for the Permanent Magnet Synchronous Motor. In Proceedings of the Power Conversion Conference (PCC), Osaka, Japan, 2–5 April 2002. [Google Scholar]
- Nozawa, Y.; Oka, K.; Omata, R.; Matsuse, K. Performance for Position Control of Two Permanent Magnet Synchronous Motors with the Five-Leg Inverter. In Proceedings of the IECON 2006-32nd Annual Conference on IEEE Industrial Electronics, Paris, France, 6–10 November 2006. [Google Scholar]
- Ibrahim, Z.; Lazi, I.M.; Sulaiman, M. Independent Speed Sensorless Control of Dual Parallel PMSM Based on Five-Leg Inverter. In Proceedings of the 9th International Multi-Conference on Systems, Signals and Devices, Chemnitz, Germany, 20–23 March 2012. [Google Scholar]
- Dehnavi, S.M.D.; Mohamadian, M.; Yazdian, A.; Ashrafzadeh, F. Space Vectors Modulation for Nine-Switch Converters. IEEE Trans. Power Electron. 2010, 25, 1488–1496. [Google Scholar] [CrossRef]
- Gao, F.; Zhang, L.; Li, D.; Loh, P.C.; Tang, Y.; Gao, H. Optimal Pulsewidth Modulation of Nine-Switch Converter. IEEE Trans. Power Electron. 2010, 25, 2331–2342. [Google Scholar] [CrossRef]
- Nagano, T.; Itoh, J. Design of multi-parallel drive technique for system with numbers of Permanent Magnet Synchronous Motors. In Proceedings of the IEEE 10th International Conference on Power Electronics and Drive Systems (PEDS), Kitakyushu, Japan, 22–25 April 2013. [Google Scholar]
- Nagano, T.; Chiang, G.T.; Itoh, J.; Kato, K. Verification of parallel connected multiple motor drive system with numbers of permanent magnet synchronous motors. In Proceedings of the 15th European Conference on Power Electronics and Applications (EPE), Lille, France, 2–6 September 2013. [Google Scholar]
- Ratniyomchai, T. Optimal Design and Control of Stationary Electrochemical Double-Layer Capacitors for Light Railways; The University of Birmingham: Birmingham, UK, 2016. [Google Scholar]
- Vem-Group: VEM Motors GmbH. Available online: https://www.vem-group.com/fileadmin/content/pdf/Download/Kataloge/Kataloge/pm_en.pdf (accessed on 21 April 2022).
- Vem-Group: VEM Holding GmbH. 2017. Available online: https://www.vem-group.com/fileadmin/content/pdf/Download/Kataloge/Kataloge/Hauptkatalog_2017_KAP12_en.pdf (accessed on 21 April 2022).
- WEG S/A, Inverterdrive. Industrial Automation Distributor. Available online: https://inverterdrive.com/group/Motors-AC/ac-Motor-WEG-12862505/ (accessed on 10 December 2021).
- Khan, K.S. Comparative Analysis of Multiphase Machines; Chalmers University: Göteborg, Sweden, 2008. [Google Scholar]
- Che, H.S.; Hew, W.P. Dual Three-phase Operation of Single Neutral Symmetrical Six-phase Machine for Improved Performance. In Proceedings of the IECON 2015-41st Annual Conference of the IEEE Industrial Electronics Society Yokohama, Yokohama, Japan, 9–12 November 2015. [Google Scholar]
- Khan, K.S.; Arshad, W.M.; Kanerva, S. On performance figures of multiphase machines. In Proceedings of the 2008 18th International Conference on Electrical Machines, Vilamoura, Portugal, 6–9 September 2008. [Google Scholar]
- Wang, Y.; Lipo, T.A.; Pan, D. Robust Operation of Double-Output AC Machine Drive. In Proceedings of the Conference on Power Electronics-ECCE Asia (ICPE & ECCE), Jeju, Korea, 30 May–3 June 2011. [Google Scholar]
- Salem, A.; Narimani, M. A Review on Multiphase Drives for Automotive Traction Applications. IEEE Trans. Transp. Electrif. 2019, 5, 1329–1348. [Google Scholar] [CrossRef]
- Mohapatra, K.K.; Gopakumar, K. A novel split phase induction motor drive without harmonic filters and with linear voltage control for the full modulation range. EPE J. 2006, 16, 20–28. [Google Scholar] [CrossRef]
- Azeez, N.A.; Mathew, J.; Gopakumar, K.; Cecati, C. A 5th and 7th Order Harmonic Suppression Scheme for Open-end Winding Asymmetrical Six-phase IM Drive Using Capacitor-fed Inverter. IECON Proc. 2013, 1, 5118–5123. [Google Scholar]
- Nelson, R.H.; Krause, P.C. Induction machine analysis for arbitrary displacement between multiple winding sets. IEEE Trans. Power Appar. Syst. 1974, PAS-93, 841–848. [Google Scholar]
- Dujic, D.; Iqbal, A.; Levi, E. A space vector PWM technique for symmetrical six-phase voltage source inverters. EPE J. 2007, 17, 24–32. [Google Scholar] [CrossRef]
- Munim, W.N.W.A.; Duran, M.J.; Che, H.S.; Bermúdez, M.; González-Prieto, I.; Rahim, N.A. A unified analysis of the fault tolerance capability in six-phase induction motor drives. IEEE Trans. Power Electron. 2017, 32, 7824–7836. [Google Scholar] [CrossRef]
- Levi, E. Multiphase electrical machines for variable-speed applications. IEEE Trans. Ind. Electron. 2008, 55, 1893–1909. [Google Scholar] [CrossRef]
- Valente, G.; Papini, L.; Formentini, A.; Gerada, C.; Zanchetta, P. Open-Circuit Fault Tolerant Study of Bearingless Multi-Sector Permanent Magnet Machines. In Proceedings of the 2018 International Power Electronics Conference, Niigata, Japan, 20–24 May 2018. [Google Scholar]
- Hu, Y.; Zhu, Z.Q.; Odavic, M. Torque Capability Enhancement of Dual Three-Phase PMSM Drive with Fifth and Seventh Current Harmonics Injection. IEEE Trans. Ind. Appl. 2017, 53, 4526–4535. [Google Scholar] [CrossRef]
- Kuang, X.; Guo, H.; Xu, J.; Zhou, T. Research on a six-phase permanent magnet synchronous motor system at dual-redundant and fault tolerant modes in aviation application. Chin. J. Aeronaut. 2017, 30, 1548–1560. [Google Scholar] [CrossRef]
- Nobel, I.O. Fault Tolerant Control and Reliability Assessment of Modular PMSM Drive Systems. Master’s Thesis, Delft University of Technology, Delft, The Netherlands, 2018. [Google Scholar]
- Karttunen, J.; Kallio, S.; Honkanen, J.; Peltoniemi, P.; Silventoinen, P. Stability and performance of current harmonic controllers for multiphase PMSMs. Control Eng. Pract. 2017, 65, 59–69. [Google Scholar] [CrossRef]
- Hu, Y.; Zhu, Z.; Liu, K. Current Control for Dual Three-Phase Permanent Magnet Synchronous Motors Accounting for Current Unbalance and Harmonics. IEEE J. Emerg. Sel. Top. Power Electron. 2014, 2, 272–284. [Google Scholar]
- Hayashiya, H.; Kondo, K. Recent Trends in Power Electronics Applications as Solutions in Electric Railways. IEEJ Trans. Electr. Electron. Eng. 2020, 15, 632–645. [Google Scholar] [CrossRef]
- Hill, R. Electric railway traction: Part 1 Electric traction and DC traction motor drives. Power Eng. J. 1994, 8, 47–56. [Google Scholar] [CrossRef]
- Hill, R.J. Electric railway traction: Part 2 traction drives with three-phase induction motors. Power Eng. J. 1994, 8, 143–152. [Google Scholar] [CrossRef]
- Su, G.J.; Tang, L. Current source inverter based traction drive for EV battery charging applications. In Proceedings of the 2011 IEEE Vehicle Power and Propulsion Conference, Chicago, IL, USA, 6–9 September 2011. [Google Scholar]
- Khosravi, M.; Larijani, S.N.; Fazel, S.S. Analytical Review of Voltage Source, Current Source and Impedance Source Inverters for Electrical Drive Applications. In Proceedings of the 31th Power System Conference, Tehran, Iran, 24–26 October 2016. [Google Scholar]
- Zhang, G.; Tian, Z.; Du, H.; Liu, Z. A Novel Hybrid DC Traction Power Supply System Integrating PV and Reversible Converters. Energies 2018, 11, 1661. [Google Scholar] [CrossRef] [Green Version]
- Cornic, D. Efficient recovery of braking energy through a reversible dc substation. In Proceedings of the Electrical Systems for Aircraft, Railway and Ship Propulsion (ESARS), Bologna, Italy, 19–21 October 2010. [Google Scholar]
- Nomura, J.; Inagaki, A.K.K. Development of a Hybrid Inverter and a Hybrid Converter for an electric railway. In Proceedings of the 2007 Power Conversion Conference, Nagoya, Japan, 2–5 April 2007. [Google Scholar]
- Szeląg, W.J.A. The multi-criteria optimization method for implementation of a regenerative inverter in a 3 kV DC traction system. Electr. Power Syst. Res. 2018, 161, 61–73. [Google Scholar]
- Bae, C.H. A simulation study of installation locations and capacity of regenerative absorption inverters in DC 1500 V electric railways system. Simul. Model. Pract. Theory 2009, 17, 829–838. [Google Scholar] [CrossRef]
- Bae, C.H.; Han, M.S.; Kim, Y.K.; Choi, C.Y.; Jang, S.J. Simulation Study of Regenerative Inverter for DC Traction Substation. In Proceedings of the International Conference on Electrical Machines and Systems, Nanjing, China, 27–29 September 2005. [Google Scholar]
- Sonetaka, M.; Kaneko, T. Development and installation of PWM converter for Tsukuba express. Railw. Electr. Eng. 2005, 16, 12–16. [Google Scholar]
- Harada, T. Regenerative energy utilization in abroad and examples of installations of regenerative energy utilization devices. Railw. Electr. Eng. 2015, 26, 44–48. [Google Scholar]
- Alotaibi, S.; Darwish, A.; Ma, X.; Williams, B.W. A New Four-Quadrant Inverter Based on Dual-Winding Isolated Cuk Converters for Railway and Renewable Energy Applications. In Proceedings of the 10th International Conference on Power Electronics, Machines and Drives, Online, 15–17 December 2020. [Google Scholar]
- Honade, T.; Udapure, S.; Timande, S.; Rodge, S.; Burde, V.; Gudadhe, S. Comparative Study Between Two And Three Level Converter For Electric Application. Int. J. Adv. Eng. Technol. 2016, 2, 529–540. [Google Scholar]
- Wang, X.; Wang, Z.; Cheng, M.; Hu, Y. Remedial Strategies of T-NPC Three-Level Asymmetric Six-phase PMSM Drives Based on SVM-DTC. IEEE Trans. Ind. Electron. 2017, 64, 6841–6853. [Google Scholar] [CrossRef] [Green Version]
- Wang, Z.; Zhang, B.; Cheng, Y.W.M. Analysis and Control of Active Neutral-Point-Clamping Three-Level Inverters Under Fault Tolerant Operation Modes. In Proceedings of the International Conference on Electrical, Pattaya, Thailand, 25–28 October 2015; pp. 2140–2146. [Google Scholar]
- Correa, M.B.R.; Jacobina, C.B.; Silva, E.R.C.; Lima, A.M.N. A general PWM strategy for four-switch three-phase inverters. IEEE Trans. Power Electron. 2006, 21, 1618–1627. [Google Scholar] [CrossRef]
- Ye, Z.; Chen, A.; Mao, S.; Wang, T.; Yu, D.; Deng, X. A Novel Three-Level Voltage Source Converter for AC–DC–AC Conversion. Energies 2018, 11, 1147. [Google Scholar] [CrossRef] [Green Version]
- Lokhande, S.; Patil, S.; Shende, K.; Patil, D.; Mulla, A. Introduction to FC-TBSR based SVC for voltage regulation and reactive power compensation. In Proceedings of the IEEE International Conference on Power Electronics, Drives and Energy Systems (PEDES), Trivandrum, India, 14–17 December 2016. [Google Scholar]
- Kwon, K.-M.; Song, Y.-S.; Choi, J. 6MVA single-phase APF for high speed train line in Korea. In Proceedings of the IEEE Conference on Power Engineering and Renewable Energy (ICPERE), Bali, Indonesia, 9–11 December 2014. [Google Scholar]
- Ahmadinia, M.; Ghazi, R. Coordinated control of STATCOM and ULTC to reduce capacity of STATCOM. In Proceedings of the Iranian Conference Electrical Engineering (ICEE), Mashhad, Iran, 8–10 May 2018. [Google Scholar]
- Li, L.; Wu, M.; Wu, S.; Li, J.; Song, K. A Three-Phase to Single-Phase AC-DC-AC Topology Based on Multi-Converter in AC Electric Railway Application. IEEE Access 2019, 7, 111539–111558. [Google Scholar] [CrossRef]
- Popescu, M.; Bitoleanu, A. A Review of the Energy Efficiency Improvement in DC Railway Systems. Energies 2019, 12, 1092. [Google Scholar] [CrossRef] [Green Version]
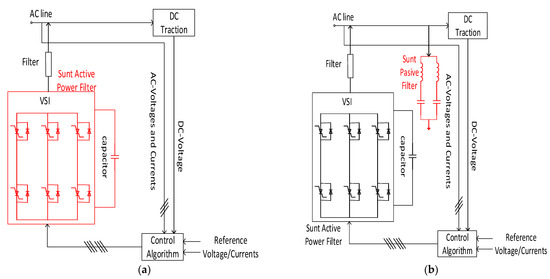
- Djeghader, Y.; Zellouma, L.; Labar, U.; Toufouti, R.; Chelli, Z. Study and filtering of harmonics in a dc electrified railway system. In Proceedings of the 7th International Conference on Modelling, Identification, Sousse, Tunisia, 18–20 December 2015. [Google Scholar]
- Martinez, J.; Ramos, G. Reactive power and harmonic distortion control in electric traction systems. In Proceedings of the IEEE/PES Transmission and Distribution Conference and Exposition: Latin America, Sao Paulo, Brazil, 8–10 November 2010. [Google Scholar]
- Ramos, G.; Cantor, E.; Rios, M.A.; Roa, L.F. Instantaneous p-q Theory for Harmonic Compensation with Active Power Filter in DC Traction Systems. In Proceedings of the International Conference on Power Engineering, Energy and Electrical Drives, Malaga, Spain, 11–13 May 2011. [Google Scholar]
- Hosseini, S.H.; Shahnia, F.; Sarhangzadeh, M.; Babaei, E. Power Quality Improvement of DC electrified Railway Distribution Systems Using Hybrid Filters. In Proceedings of the International Conference on Electrical Machines and Systems, Nanjing, China, 27–29 September 2005. [Google Scholar]
- Devaux, F.O.; Tackoen, X. WP2B Energy Recovery. Overview of Braking Energy Recovery Technologies in the Public Transport Field. March 2011. Available online: https://www.stib-mivb.be/irj/go/km/docs/resource/tickettokyoto/sites/default/files/downloads/T2K_ER_overview_technologies_web.pdf (accessed on 21 April 2022).
- González-Gil, A.; Palacin, R.; Batty, P. Sustainable urban rail systems: Strategies and technologies for optimal management of regenerative braking energy. Energy Convers. Manag. 2013, 75, 374–388. [Google Scholar] [CrossRef] [Green Version]
- Warin, Y.; Lanselle, R.; Thiounn, M. Active substation. In Proceedings of the 9th World Congress on Railway Research (WCRR 2011), Lille, France, 22–26 May 2011. [Google Scholar]
- ALSTOM, “RE-USE Layman’s Report: September 2012–May 2018. Available online: https://www.alstom.com/sites/alstom.com/files/2018/10/30/re-use_laymans_report_en.pdf (accessed on 21 April 2022).
- Gray, A.J.; Stinton, D. Designing reversible substations using inverters. In Proceedings of the 7th IET Professional Development Course on Railway Electrification Infrastructure and Systems (REIS 2015), London, UK, 8–11 June 2015. [Google Scholar]
- Burress, T.; Campbell, S. Benchmarking EV and HEV power electronics and electric machines. In Proceedings of the IEEE Transportation Electrification Conference and Expo, Detroit, MI, USA, 16–19 June 2013. [Google Scholar]
- Dorn-Gomba, L.; Magne, P.; Danen, B.; Emadi, A. On the Concept of the Multi-Source Inverter for Hybrid Electric Vehicle Powertrain. IEEE Trans. Power Electron. 2018, 33, 7376–7386. [Google Scholar] [CrossRef]
- Burress, T.A.; Campbell, S.L.; Coomer, C.; Ayers, C.W.; Wereszczak, A.A.; Cunningham, J.P.; Marlino, L.D.; Seiber, L.E.; Lin, H.T. Evaluation of the 2010 Toyota Prius Hybrid Synergy Drive System; Oak Ridge National Lab: Oak Ridge, TN, USA, 2008.
- Staunton, R.; Burress, T.A.; Marlino, L.D. Evaluation of the 2005 Honda Accord Hybrid Synergy Drive System; Oak Ridge National Lab: Oak Ridge, TN, USA, 2006.
- Dorn-Gomba, L.; Chemali, E.; Emadi, A. Novel Hybrid Energy Storage System Using the Multi-Source Inverter. In Proceedings of the EEE Applied Power Electronics Conference and Exposition (APEC), Antonio, TX, USA, 4–8 March 2018. [Google Scholar]
- Loncarski, J.; Leijon, M.; Rossi, C.; Srndovic, M.; Grandi, G. Current ripple evaluation in dual three-phase inverters for open-end winding EV drives. In Proceedings of the International Conference Connected Vehicles Expo (ICCVE), Vienna, Austria, 3–7 November 2014; pp. 507–513. [Google Scholar]
- Patkar, F.; Jidin, A.; Levi, E.; Jones, M. Performance comparison of symmetrical and asymmetrical six-phase open-end winding drive with carrier-based PWM. In Proceedings of the 6th International Conference on Electrical Engineering and Informatics (ICEEI), Langkawi, Malaysia, 25–27 November 2017; pp. 1–6. [Google Scholar]
- Abu-Rub, H.; Holtz, J.; Rodriguez, J.; Baoming, G. Medium-voltage multilevel converters state of the art, challenges, and requirements in industrial applications. IEEE Trans. Ind. Electron. 2010, 57, 2581–2596. [Google Scholar] [CrossRef]
- Salari, O.; Nouri, M.; Zaad, K.H.; Bakhshai, A.; Jain, P. A Multi-Source Inverter for Electric Drive Vehicles. In Proceedings of the IEEE Energy Conversion Congress and Exposition (ECCE), Portland, OR, USA, 23–27 September 2018. [Google Scholar]
- Umamaheswari, N.; Priya, M.B.; Sengolan, M. Multi-input multi-output DC-DC converter with multilevel inverter application. In Proceedings of the IEEE National Conference on Emerging Trends In New & Renewable Energy Sources And Energy Management (NCET NRES EM), Chennai, India, 16–17 December 2014. [Google Scholar]
- Andreiciks, A.; Steiks, I.; Krievs, O.; Blaabjerg, F. Design of Current Source DC/DC Converter and Inverter for 2kW Fuel Cell Application. In Proceedings of the 9th IEEE International Symposium on Diagnostics for Electric Machines, Power Electronics and Drives (SDEMPED), Valencia, Spain, 27–30 August 2013. [Google Scholar]
- Huang, X.; Zhao, J.; Li, F.; Lin, F. Loss Characteristics of Input-Series Output-Parallel SiC DC-DC Converter Used in Auxiliary Power Systems. IEEJ J. Ind. Appl. 2019, 8, 677–684. [Google Scholar] [CrossRef]
- Sato, K.; Kato, H.; Fukushima, T. Development of SiC Applied Traction System for Shinkansen High-speed Train. In Proceedings of the 2018 International Power Electronics Conference (IPEC-Niigata 2018-ECCE Asia), Niigata, Japan, 20–24 May 2018. [Google Scholar]
- Wang, F.; Zhang, Z. Overview of Silicon Carbide Technology: Device, Converter, System, and Application. CPSS Trans. Power Electron. Appl. 2016, 1, 13–32. [Google Scholar] [CrossRef]
- Alkayal, F.; Saada, J.B. Compact three phase inverter in Silicon Carbide technology for auxiliary converter used in railway applications. In Proceedings of the 2013 15th European Conference on Power Electronics and Applications (EPE), Lille, France, 2–6 September 2013. [Google Scholar]
- Release, T.P. Toshiba Launches SiC Hybrid Power Module for High Power Switching, Inverter and Motor Control Applications; PCIM Europe: Nuremberg, Germany, 2013. [Google Scholar]
- Mitsubishi Electric Corporation Public Relations. Division, Mitsubishi Electric to Launch Railcar Traction Inverter with All-SiC Power Module; Mitsubishi Electric: Tokyo, Japan, 2013. [Google Scholar]
- Wada, K.; Hino, A.; Ando, M. High-Speed Analysis of Bus Bar Inductance for a Laminated Structure. IEEJ J. Ind. Appl. 2013, 2, 189–194. [Google Scholar] [CrossRef] [Green Version]
- Ke, H.; Chang, G.; Zhou, W.; Li, C.; Peng, Y.; Dai, X. 3.3 kV/500 A SiC Power Module for Railway Traction Application. In Proceedings of the PCIM Asia 2018; International Exhibition and Conference for Power Electronics, Intelligent Motion, Renewable Energy and Energy Management, Shanghai, China, 26–28 June 2018. [Google Scholar]
- Hamada, K.; Hino, S.; Miura, N.; Watanabe, H.; Nakata, S.; Suekawa, E.; Ebiike, Y.; Imaizumi, M.; Umezaki, I.; Yamakawa, S. 3.3 kV/1500 A Power Modules for The World’s First All-SiC Traction Inverter. Jpn. J. Appl. Phys. 2015, 54, 04DP07. [Google Scholar] [CrossRef]
- Liu, G.; Wu, Y.; Li, K.; Wang, Y.; Li, C.Z. Development of high power SiC devices for rail traction power systems. J. Cryst. Growth 2018, 507, 442–452. [Google Scholar] [CrossRef]
- Karki, U.; Peng, F.Z. Precursors of Gate-Oxide Degradation in Silicon Carbide MOSFETs. In Proceedings of the 2018 IEEE Energy Conversion Congress and Exposition (ECCE), Portland, OR, USA, 23–27 September 2018. [Google Scholar]
- Wei, Z.; Xiucheng, H.; Lee, F.C.; Qiang, L. Gate Drive Design Considerations for High Voltage Cascade GaN HEMT. In Proceedings of the Applied Power Electronics Conference and Exposition (APEC), Fort Worth, TX, USA, 16–20 March 2014. [Google Scholar]
- Zhang, Z.; Wang, F.; Tolbert, L.M.; Blalock, B.J.; Costinett, D.J. Active gate driver for fast switching and cross-talk suppression of SiC devices in a phase-leg configuration. In Proceedings of the 2015 IEEE Applied Power Electronics Conference and Exposition (APEC), Charlotte, NC, USA, 15–19 March 2015. [Google Scholar]
- Greenwell, R.L.; McCue, B.M.; Tolbert, L.M.; Blalock, B.J.; Islam, S.K. High-temperature SOI-based gate driver IC for WBG power switches. In Proceedings of the Applied Power Electronics Conference and Exposition (APEC), Long Beach, CA, USA, 17–21 March 2013. [Google Scholar]
- Colmenares, J.; Peftitsis, D.; Rabkowski, J.; Sadik, D.P.; Nee, H.P. Dual-Function Gate Driver for a Power Module with SiC Junction Field-Effect Transistors. Power Electron. IEEE Trans. 2014, 29, 2367–2379. [Google Scholar] [CrossRef]
- Wang, S.; Maillet, Y.Y.; Wang, F.; Boroyevich, D.; Burgos, R. Investigation of Hybrid EMI Filters for Common-Mode EMI Suppression in a Motor Drive System. IEEE Trans. Power Electron. 2010, 25, 1034–1045. [Google Scholar] [CrossRef]
- Wang, S.; Lee, F.C.; Wyk, J.D.V. Study of Integration of Parasitic Cancellation Techniques for EMI Filter Design With Discrete Components. IEEE Trans. Power Electron. 2008, 23, 3094–3102. [Google Scholar] [CrossRef]
- Zhang, Z.; Wang, F.; Costinett, D.J.; Tolbert, L.M.; Blalock, B.J.; Haifeng, L. Dead-time optimization of SiC devices for voltage source converter. In Proceedings of the 2015 IEEE Applied Power Electronics Conference and Exposition (APEC), Charlotte, NC, USA, 15–19 March 2015; pp. 1145–1152. [Google Scholar]
- Zhang, Z.; Xu, L. Dead-Time Compensation of Inverters Considering Snubber and Parasitic Capacitance. IEEE Trans. Power Electron. 2014, 29, 179–3187. [Google Scholar] [CrossRef]
- Liu, B.; Ren, R.; Jones, E.A.; Wang, F.; Costinett, D.; Zhang, Z. A compensation scheme to reduce input current distortion in GaN based 450 kHz three-phase Vienna type PFC. In Proceedings of the IEEE Energy Conversion Congress and Exposition, Milwaukee, WI, USA, 18–22 September 2016. [Google Scholar]
- Hartmann, M.; Ertl, H.; Kolar, J.W. On the Tradeoff Between Input Current Quality and Efficiency of High Switching Frequency PWM Rectifiers. IEEE Trans. Power Electron. 2012, 27, 3137–3149. [Google Scholar] [CrossRef]
- Bedetti, N.; Calligaro, S.; Petrella, R. Self-Commissioning of Inverter Dead-Time Compensation by Multiple Linear Regression Based on a Physical Model. IEEE Trans. Ind. Appl. 2015, 51, 3954–3964. [Google Scholar] [CrossRef]
- Li, C.; Gu, Y.; Li, W.; He, X.; Dong, Z.; Chen, G.; Ma, C.; Zhang, L. Analysis and compensation of dead-time effect considering parasitic capacitance and ripple current. In Proceedings of the 2015 IEEE Applied Power Electronics Conference and Exposition (APEC), Charlotte, NC, USA, 15–19 March 2015; pp. 501–1506. [Google Scholar]
- Yuan, J.; Zhao, Z.; Chen, B.; Li, C.; Wang, J.; Tian, C.; Chen, Y. An Immune-Algorithm-Based Dead-Time Elimination PWM Control Strategy in a Single-Phase Inverter. IEEE Trans. Power Electron. 2015, 30, 3964–3975. [Google Scholar] [CrossRef]
- Guo, B.; Xu, F.; Zhang, Z.; Xu, Z.; Wang, F.; Tolbert, L.M.; Blalock, B.J. Compensation of input current distortion in three-phase buck rectifiers. In Proceedings of the 2013 Twenty-Eighth Annual IEEE Applied Power Electronics Conference and Exposition (APEC), Long Beach, CA, USA, 17–21 March 2013; pp. 930–938. [Google Scholar]
















| Operator | Trains | Manufacturer |
|---|---|---|
| SNCF | 31xCitadis-Dualis tram-train vehicles | Alstom |
| Praha | 15T For City low-floor tram | Skoda |
| Prototypes and Other Test Trains | ||
| München U-Bahn | C19 metro trainset with Syntegra bogies | Siemens |
| China | Fuel cell loco prototype | CNR Yongji |
| Turkey | Citadis X04 low-floor tram | Alstom |
| Japan | Gauge-Changing Train 2 | n/a |
| Two-Level | D-NPC Three-Level | T-NPC Three-Level | |
|---|---|---|---|
| IGBT Voltage | UDC | UDC/2 | UDC/2, UDC |
| Harmonics | High | Low | Low |
| Loss (5–30 kHz) | Large | Middle | Small |
| EMI | Large | Small | Small |
| Fault-Tolerant Capability | Low | Middle | High |
Publisher’s Note: MDPI stays neutral with regard to jurisdictional claims in published maps and institutional affiliations. |
© 2022 by the authors. Licensee MDPI, Basel, Switzerland. This article is an open access article distributed under the terms and conditions of the Creative Commons Attribution (CC BY) license (https://creativecommons.org/licenses/by/4.0/).
Share and Cite
Polater, N.; Tricoli, P. Technical Review of Traction Drive Systems for Light Railways. Energies 2022, 15, 3187. https://doi.org/10.3390/en15093187
Polater N, Tricoli P. Technical Review of Traction Drive Systems for Light Railways. Energies. 2022; 15(9):3187. https://doi.org/10.3390/en15093187
Chicago/Turabian StylePolater, Nursaid, and Pietro Tricoli. 2022. "Technical Review of Traction Drive Systems for Light Railways" Energies 15, no. 9: 3187. https://doi.org/10.3390/en15093187
APA StylePolater, N., & Tricoli, P. (2022). Technical Review of Traction Drive Systems for Light Railways. Energies, 15(9), 3187. https://doi.org/10.3390/en15093187

