An Active Disturbance Rejection Control of Large Wind Turbine Pitch Angle Based on Extremum-Seeking Algorithm
Abstract
:1. Introduction
2. System Model
3. Active Disturbance Rejection Design
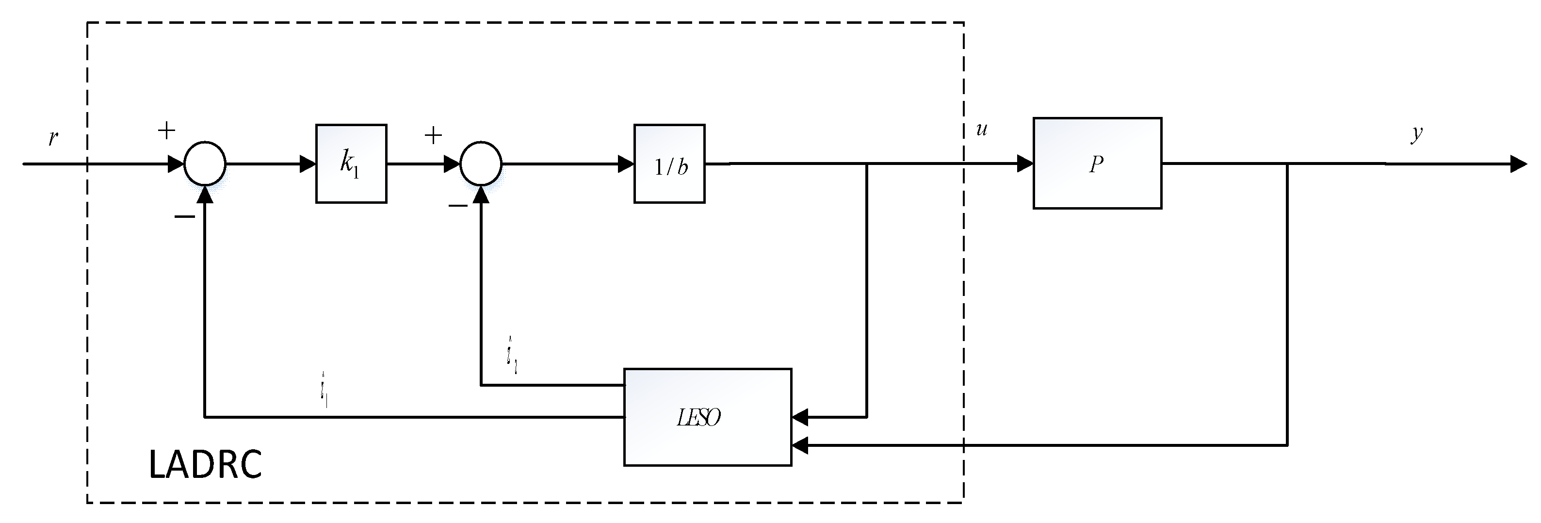
3.1. Linear ADRC (LADRC)
3.2. Robust LADRC Design
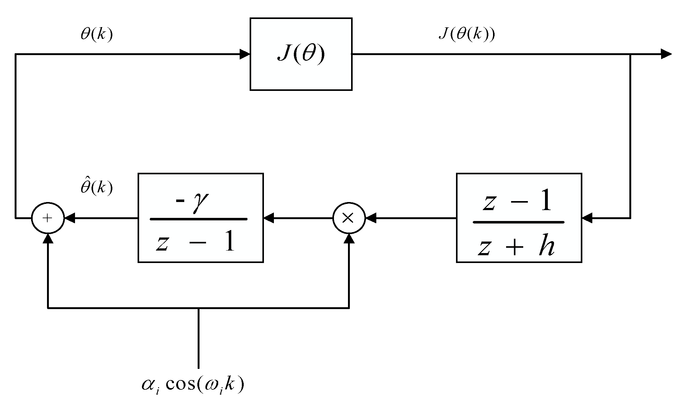
3.3. Extremum-Seeking Algorithm
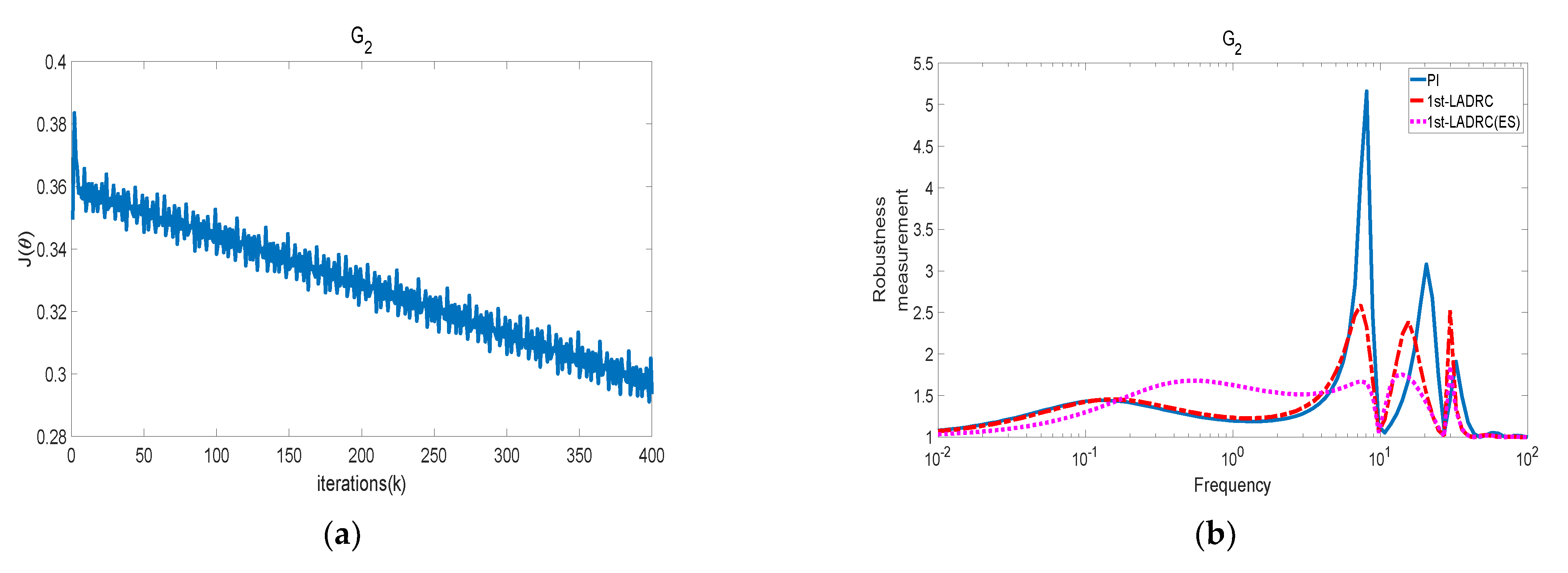
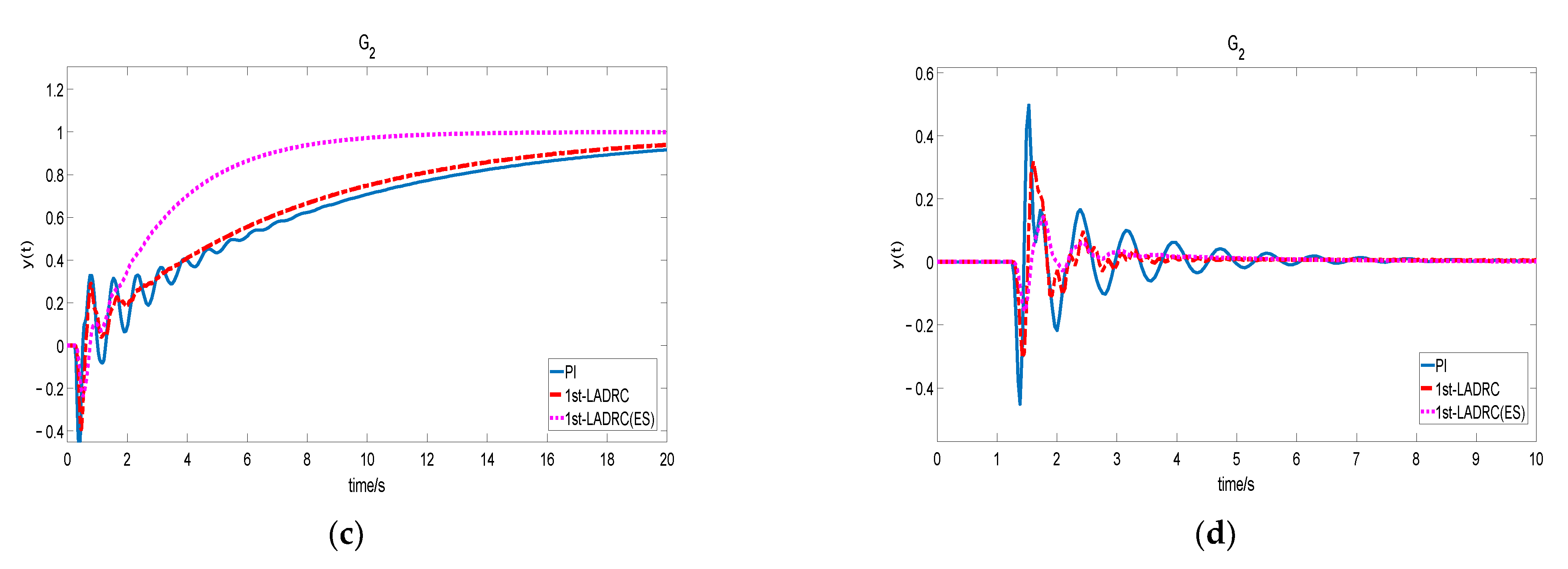
3.4. Design Results
4. Discussion
5. Conclusions
Author Contributions
Funding
Data Availability Statement
Conflicts of Interest
References
- Wang, H.-Z.; Li, G.-Q.; Wang, G.-B.; Peng, J.-C.; Jiang, H.; Liu, Y. Deep learning based ensemble approach for probabilistic wind power forecasting. Appl. Energy 2017, 188, 56–70. [Google Scholar] [CrossRef]
- Agalar, S.; Kaplan, Y.A. Power quality improvement using STS and D V R in wind energy system. Renew. Energy 2018, 118, 1031–1040. [Google Scholar] [CrossRef]
- Carvalho, D.; Rocha, A.; Gómez-Gesteira, M.; Santos, C.S. Potential impacts of climate change on European wind energy resource under the CMIP5 future climate projections. Renew. Energy 2017, 101, 29–40. [Google Scholar] [CrossRef]
- Wang, J.; Tse, N.; Gao, Z. Synthesis on PI-based pitch controller of large wind turbines generator. Energy Convers. Manag. 2011, 52, 1288–1294. [Google Scholar] [CrossRef]
- Xia, A.; Xu, H.; Hu, S.; Xu, H. Pitch control of large scale wind turbine based on expert PID control. In Proceedings of the 2011 International Conference on Electronics, Communications and Control (ICECC), Ningbo, China, 9–11 September 2011; pp. 3836–3839. [Google Scholar] [CrossRef]
- Turksoy, O.; Ayasun, S.; Hames, Y.; Sönmez, Ş. Computation of Robust PI-Based Pitch Controller Parameters for Large Wind Turbines. Can. J. Electr. Comput. Eng. 2020, 43, 57–63. [Google Scholar] [CrossRef]
- Erol, H. Delay margin computation of generator excitation control system by using fractional order controller. Trans. Inst. Meas. Control 2020, 42, 2465–2474. [Google Scholar] [CrossRef]
- Turksoy, O.; Ayasun, S.; Hames, Y.; Sonmez, S. Gain-phase margins-based delay-dependent stability analysis of pitch control system of large wind turbines. Trans. Inst. Meas. Control 2019, 41, 3626–3636. [Google Scholar] [CrossRef]
- Erol, H. Stability analysis of pitch angle control of large wind turbines with fractional order PID controller. Sustain. Energy Grids Netw. 2021, 26, 100430. [Google Scholar] [CrossRef]
- Suryanarayanan, S.; Dixit, A. On the dynamics of the pitch control loop in horizontal-axis large wind turbines. In Proceedings of the 2005, American Control Conference, Portland, OR, USA, 8–10 June 2005. [Google Scholar]
- Gao, R.; Gao, Z. Pitch control for wind turbine systems using optimization, estimation and compensation. Renew. Energy 2016, 91, 501–515. [Google Scholar] [CrossRef]
- Chiang, M.-H. A novel pitch control system for a wind turbine driven by a variable-speed pump-controlled hydraulic servo system. Mechatronics 2011, 21, 753–761. [Google Scholar] [CrossRef]
- Yin, X.-X.; Lin, Y.-G.; Li, W.; Gu, Y.-J.; Lou, S.; Liu, H.-W. Study on variable pitch-controlled technology based on electro-hydraulic planetary bevel gear motor. J. Zhejiang Univ. 2014, 48, 206–213. [Google Scholar]
- Yin, X.-X.; Lin, Y.-G.; Li, W. Control and model identification of an electro-hydraulic digital pitch system. J. Zhejiang Univ. 2014, 48, 777–783. [Google Scholar]
- Yin, X.-X.; Lin, Y.-G.; Li, W.; Gu, Y.-J. Digital electro-hydraulic pitch control system. Acta Energ. Sol. Sin. 2014, 35, 1627–1633. [Google Scholar]
- Xiao, S.; Geng, H.; Yang, G. Non-linear pitch control of wind turbines for tower load reduction. IET Renew. Power Gener. 2014, 8, 786–794. [Google Scholar] [CrossRef]
- Poultangari, I.; Shahnazi, R.; Sheikhan, M. RBF neural network based PI pitch controller for a class of 5-MW wind turbines using particle swarm optimization algorithm. ISA Trans. 2012, 51, 641–648. [Google Scholar] [CrossRef]
- Jafarnejadsani, H.; Pieper, J.; Ehlers, J. Adaptive Control of a Variable-Speed Variable-Pitch Wind Turbine Using Radial-Basis Function Neural Network. IEEE Trans. Control Syst. Technol. 2013, 21, 2264–2272. [Google Scholar] [CrossRef]
- Perng, J.W.; Chen, G.Y.; Hsieh, S.C. Optimal PID Controller Design Based on PSO-RBFNN for Wind Turbine Systems. Energies 2014, 7, 191–209. [Google Scholar] [CrossRef] [Green Version]
- Han, J.Q. Auto disturbance rejection controller and it’s applications. Control Decis. 1998, 13, 19–23. [Google Scholar]
- Gao, Z. Active disturbance rejection control: A paradigm shift in feedback control system design. In Proceedings of the 2006 American Control Conference, Minneapolis, MN, USA, 14–16 June 2006; pp. 2399–2405. [Google Scholar]
- Gao, Z. Scaling and bandwidth-parameterization based controller tuning. In Proceedings of the 2003 American Control Conference, Denver, CO, USA, 4–6 June 2003; pp. 4989–4996. [Google Scholar] [CrossRef]
- Tian, G.; Gao, Z. Frequency response analysis of active disturbance rejection based control system. In Proceedings of the 2007 IEEE International Conference on, Control Applications, Singapore, 1–3 October 2007; pp. 1595–1599. [Google Scholar]
- FAST: An Aero-Elastic Design Code for Horizontal Axis Wind Turbines. Available online: http://wind.nrel.gov/designcodes/simulators/fast (accessed on 5 November 2021).
- Tan, W.; Liu, J.; Chen, T.; Marquez, H.J. Comparison of some well-known PID tuning formulas. Comput. Chem. Eng. 2006, 30, 1416–1423. [Google Scholar] [CrossRef]
- Killingsworth, N.J.; Krstic, M. PID tuning using extremum seeking: Online, model-free performance optimization. IEEE Control Syst. 2006, 26, 70–79. [Google Scholar]
- Tan, Y.; Moase, W.H.; Manzie, C.; Nešić, D.; Mareels, I.M.Y. Extremum seeking from 1922 to 2010. In Proceedings of the 29th Chinese Control Conference, Beijing, China, 29–31 July 2010; pp. 14–26. [Google Scholar]
- Zhao, C.; Li, D. Control design for the SISO system with the unknown order and the unknown relative degree-ScienceDirect. ISA Trans. 2014, 53, 858–872. [Google Scholar] [CrossRef] [PubMed]
- Bratcu, A.I.; Munteanu, I.; Ceanga, E.; Epure, S. Energetic Optimization of Variable Speed Wind Energy Conversion Systems by Extremum Seeking Control. In Proceedings of the EUROCON 2007—The International Conference on “Computer as a Tool”, Warsaw, Poland, 9–12 September 2007. [Google Scholar]














| Plant | Controller | k1 | β1 | β2 | |||
|---|---|---|---|---|---|---|---|
| G1 | ) | 0.1148 | 2.67 | ||||
| 1st order LADRC | −21.0977 | 120 | 100 | 0.1146 | 2.62 | ||
| 1st order LADRC (ES) | −22.6061 | 24.8238 | 149.2546 | 90.94 | 0.1127 | 2.04 | |
| G2 | ) | 1.0387 | 5.16 | ||||
| 1st order LADRC | 45.6371 | −30 | 17.5 | 0.8737 | 2.59 | ||
| 1st order LADRC (ES) | 9.51 | −7.7 | 8080 | 1.75 | 0.2989 | 2.01 | |
| G3 | ) | 0.3872 | 2.82 | ||||
| 1st order LADRC | −6.7 | 20 | 534.66 | 20 | 0.2015 | 2.01 | |
| 1st order LADRC (ES) | −5.1966 | 12.8487 | 103.7111 | 2.4125 | 0.0827 | 2.07 |
Publisher’s Note: MDPI stays neutral with regard to jurisdictional claims in published maps and institutional affiliations. |
© 2022 by the authors. Licensee MDPI, Basel, Switzerland. This article is an open access article distributed under the terms and conditions of the Creative Commons Attribution (CC BY) license (https://creativecommons.org/licenses/by/4.0/).
Share and Cite
Zou, Y.; Tan, W.; Jin, X.; Wang, Z. An Active Disturbance Rejection Control of Large Wind Turbine Pitch Angle Based on Extremum-Seeking Algorithm. Energies 2022, 15, 2846. https://doi.org/10.3390/en15082846
Zou Y, Tan W, Jin X, Wang Z. An Active Disturbance Rejection Control of Large Wind Turbine Pitch Angle Based on Extremum-Seeking Algorithm. Energies. 2022; 15(8):2846. https://doi.org/10.3390/en15082846
Chicago/Turabian StyleZou, Yarong, Wen Tan, Xingkang Jin, and Zijian Wang. 2022. "An Active Disturbance Rejection Control of Large Wind Turbine Pitch Angle Based on Extremum-Seeking Algorithm" Energies 15, no. 8: 2846. https://doi.org/10.3390/en15082846
APA StyleZou, Y., Tan, W., Jin, X., & Wang, Z. (2022). An Active Disturbance Rejection Control of Large Wind Turbine Pitch Angle Based on Extremum-Seeking Algorithm. Energies, 15(8), 2846. https://doi.org/10.3390/en15082846

