Improvement of PMSM Sensorless Control Based on Synergetic and Sliding Mode Controllers Using a Reinforcement Learning Deep Deterministic Policy Gradient Agent
Abstract
1. Introduction
- The main contributions of this paper are as follows:
- The proposal of a PMSM control structure, where the controller of the outer rotor speed control loop is of the SMC type and the controllers for the inner control loops of id and iq currents are of the synergetic type.
- The improvement in the performance of the PMSM control system based on the FOC-type strategy, both when using simple PI-type controllers or in the case of complex SMC or synergetic-type controllers, is achieved using the RL based on the TD3 agent.
2. Reinforcement Learning for Process Control
- Problem statement defines the learning agent and the possibility of interacting with the process;
- Process creation defines the dynamic model of the process and the associated interface;
- Reward creation defines the mathematical expression of the Reward in order to measure the performance when undertaken the proposed task;
- Agent training is an agent that is trained in order to fulfill the Policy based on the Reward, learning algorithm, and the process.
- Agent validation is a step in which the performances are evaluated after the training stage;
- Deploy policy is a step that performs the implementation of the trained agent in the control system (for example, generating the executable code for the embedded system).
- For the Observation of the current state S, action is selected, where N is the stochastic noise from the noise model;
- Action A is executed, and Reward R and the next Observation S’ are calculated;
- The experience is stored;
- M experiences are randomly generated;
- For , which is a terminal state, the value function target yi is set to Ri.
3. Correction of the Control Signals for PMSM Based on FOC Strategy Using the RL Agent
3.1. Reinforcement Learning Agent for the Correction of the Outer Speed Control Loop
3.2. Reinforcement Learning Agent for the Correction of the Inner Currents Control Loop
3.3. Reinforcement Learning Agent for the Correction of the Outer Speed Control Loop and Inner Currents Control Loop
4. Correction of the Control Signals for PMSM—FOC Strategy Based on SMC and Synergetic Control Using the Reinforcement Learning Agent
4.1. SMC and Synergetic for PMSM Control
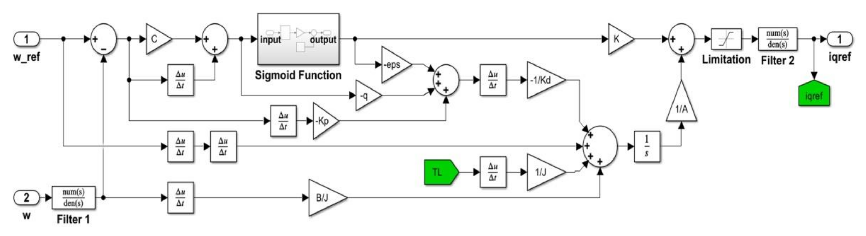
4.1.1. SMC Speed Controller Description and MATLAB/Simulink Implementation
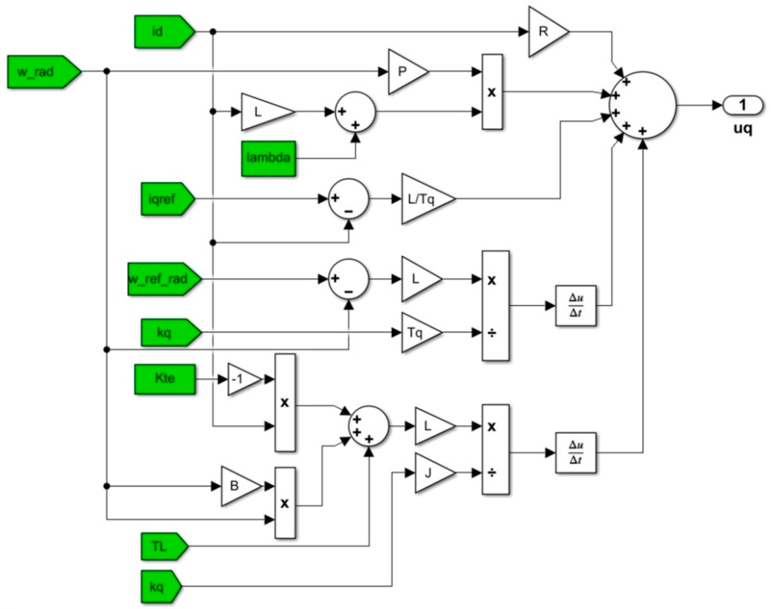
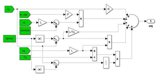
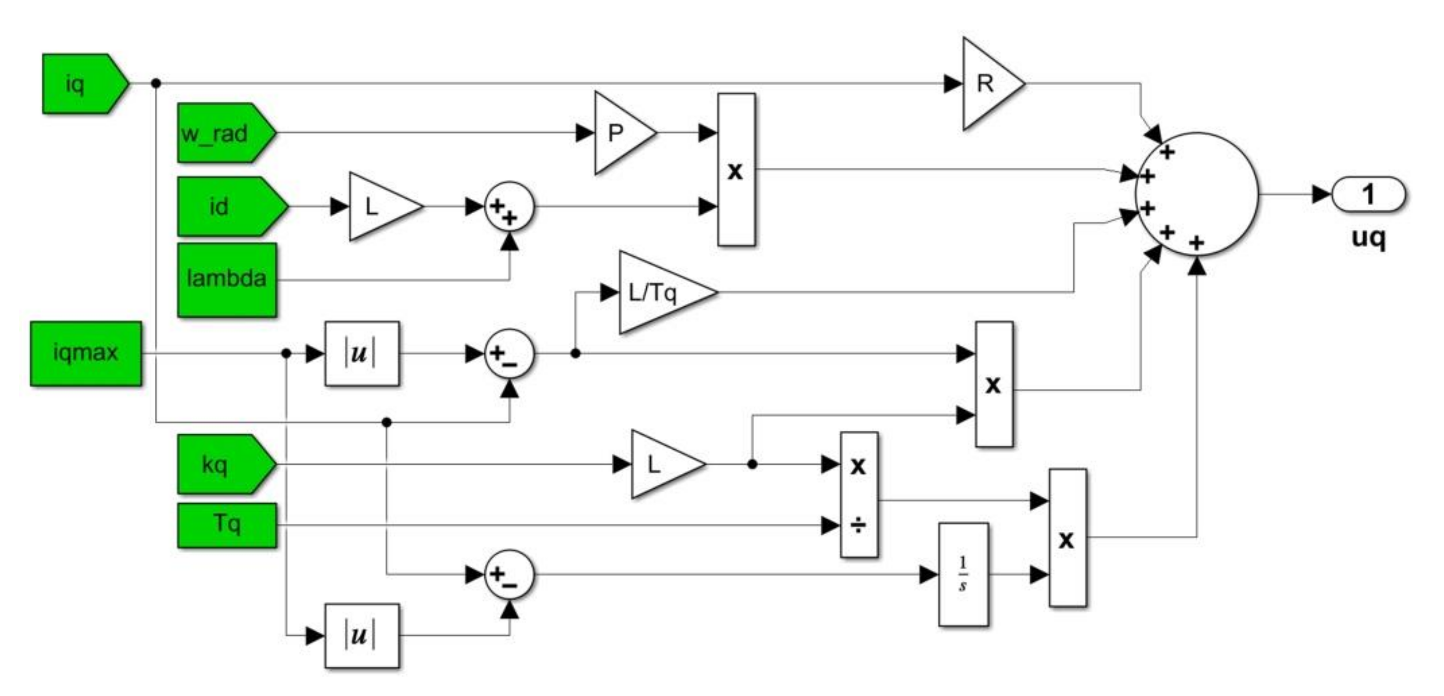
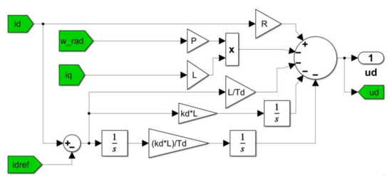
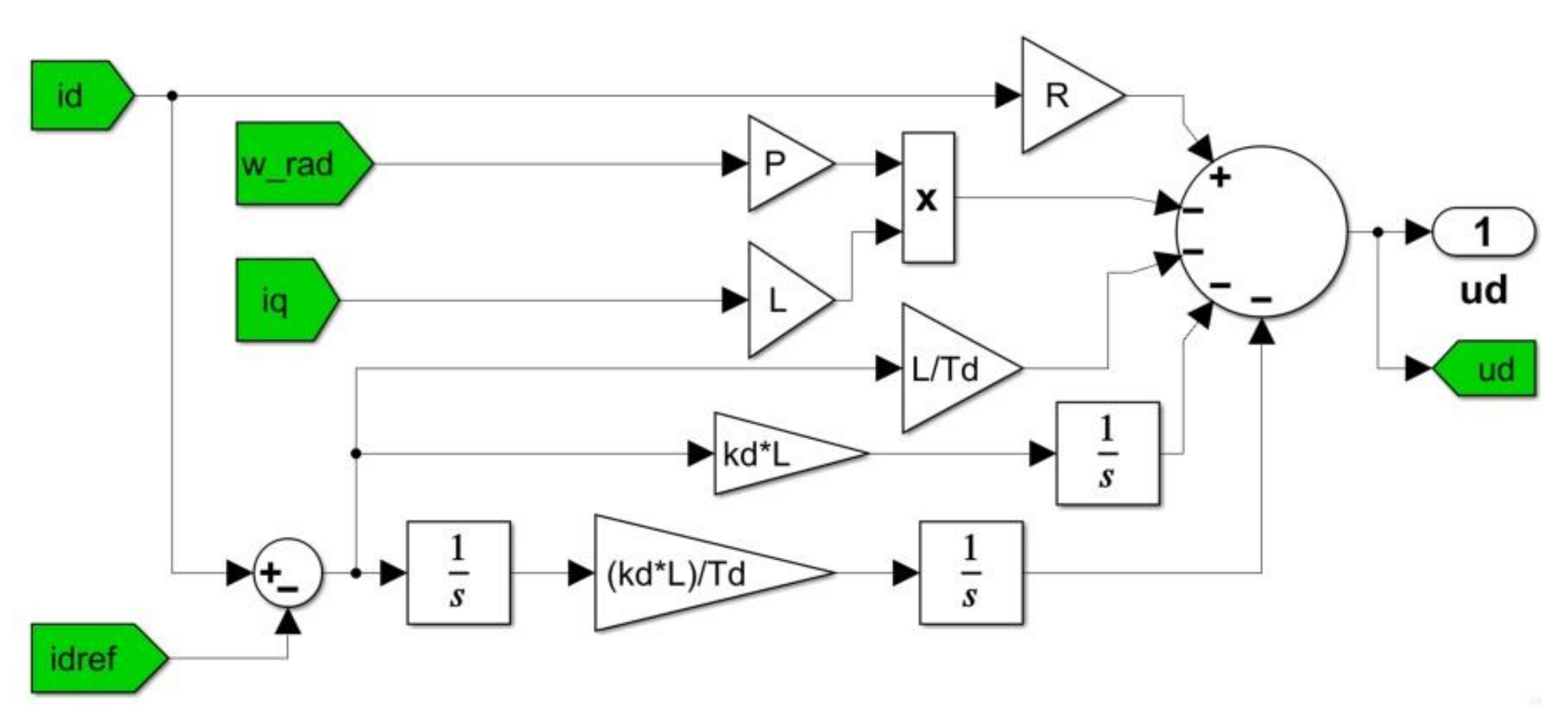
4.1.2. Synergetic Currents Controller Description and MATLAB/Simulink Implementation
4.1.3. Speed Observer
4.2. Reinforcement Learning Agent for the Correction of the Outer Speed Control Loop Using SMC and Synergetic Control
4.3. Reinforcement Learning Agent for the Correction of the Inner Currents Control Loop Using SMC and Synergetic Control
4.4. Reinforcement Learning Agent for the Correction of the Outer Speed Control Loop and Inner Currents Control Loop Using SMC and Synergetic Control
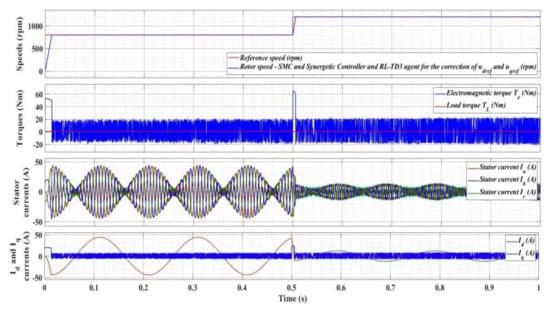
5. Numerical Simulations
6. Conclusions
Author Contributions
Funding
Institutional Review Board Statement
Informed Consent Statement
Data Availability Statement
Conflicts of Interest
Correction Statement
References
- Eriksson, S. Design of Permanent-Magnet Linear Generators with Constant-Torque-Angle Control for Wave Power. Energies 2019, 12, 1312. [Google Scholar] [CrossRef]
- Ouyang, P.R.; Tang, J.; Pano, V. Position domain nonlinear PD control for contour tracking of robotic manipulator. Robot. Comput. Integr. Manuf. 2018, 51, 14–24. [Google Scholar] [CrossRef]
- Baek, S.W.; Lee, S.W. Design Optimization and Experimental Verification of Permanent Magnet Synchronous Motor Used in Electric Compressors in Electric Vehicles. Appl. Sci. 2020, 10, 3235. [Google Scholar] [CrossRef]
- Amin, F.; Sulaiman, E.B.; Utomo, W.M.; Soomro, H.A.; Jenal, M.; Kumar, R. Modelling and Simulation of Field Oriented Control based Permanent Magnet Synchronous Motor Drive System. Indones. J. Electr. Eng. Comput. Sci. 2017, 6, 387. [Google Scholar] [CrossRef]
- Mohd Zaihidee, F.; Mekhilef, S.; Mubin, M. Robust Speed Control of PMSM Using Sliding Mode Control (SMC)—A Review. Energies 2019, 12, 1669. [Google Scholar] [CrossRef]
- Maleki, N.; Pahlavani, M.R.A.; Soltani, I. A Detailed Comparison between FOC and DTC Methods of a Permanent Magnet Synchronous Motor Drive. J. Electr. Electron. Eng. 2015, 3, 92–100. [Google Scholar] [CrossRef]
- Sakunthala, S.; Kiranmayi, R.; Mandadi, P.N. A Review on Speed Control of Permanent Magnet Synchronous Motor Drive Using Different Control Techniques. In Proceedings of the International Conference on Power, Energy, Control and Transmission Systems (ICPECTS), Chennai, China, 22–23 February 2018; pp. 97–102. [Google Scholar]
- Su, G.; Wang, P.; Guo, Y.; Cheng, G.; Wang, S.; Zhao, D. Multiparameter Identification of Permanent Magnet Synchronous Motor Based on Model Reference Adaptive System—Simulated Annealing Particle Swarm Optimization Algorithm. Electronics 2022, 11, 159. [Google Scholar] [CrossRef]
- Nicola, M.; Nicola, C.-I. Sensorless Control for PMSM Using Model Reference Adaptive Control and back -EMF Sliding Mode Observer. In Proceedings of the International Conference on Electromechanical and Energy Systems (SIELMEN), Craiova, Romania, 9–10 October 2019; pp. 1–7. [Google Scholar]
- Wang, S.; Zhao, J.; Liu, T.; Hua, M. Adaptive Robust Control System for Axial Flux Permanent Magnet Synchronous Motor of Electric Medium Bus Based on Torque Optimal Distribution Method. Energies 2019, 12, 4681. [Google Scholar] [CrossRef]
- Bao, G.; Qi, W.; He, T. Direct Torque Control of PMSM with Modified Finite Set Model Predictive Control. Energies 2020, 13, 234. [Google Scholar] [CrossRef]
- Tang, M.; Zhuang, S. On Speed Control of a Permanent Magnet Synchronous Motor with Current Predictive Compensation. Energies 2019, 12, 65. [Google Scholar] [CrossRef]
- Zhang, G.; Chen, C.; Gu, X.; Wang, Z.; Li, X. An Improved Model Predictive Torque Control for a Two-Level Inverter Fed Interior Permanent Magnet Synchronous Motor. Electronics 2019, 8, 769. [Google Scholar] [CrossRef]
- Liu, X.; Zhang, Q. Robust Current Predictive Control-Based Equivalent Input Disturbance Approach for PMSM Drive. Electronics 2019, 8, 1034. [Google Scholar] [CrossRef]
- Ma, Y.; Li, Y. Active Disturbance Compensation Based Robust Control for Speed Regulation System of Permanent Magnet Synchronous Motor. Appl. Sci. 2020, 10, 709. [Google Scholar] [CrossRef]
- Lin, C.-H. Permanent-Magnet Synchronous Motor Drive System Using Backstepping Control with Three Adaptive Rules and Revised Recurring Sieved Pollaczek Polynomials Neural Network with Reformed Grey Wolf Optimization and Recouped Controller. Energies 2020, 13, 5870. [Google Scholar] [CrossRef]
- Merabet, A. Cascade Second Order Sliding Mode Control for Permanent Magnet Synchronous Motor Drive. Electronics 2019, 8, 1508. [Google Scholar] [CrossRef]
- Utkin, V.; Guldner, J.; Shi, J. Automation and Control Engineering. In Sliding Mode Control in Electromechanical Systems, 2nd ed.; CRC Press: Boca Raton, FL, USA, 2009; pp. 223–271. [Google Scholar]
- Bounasla, N.; Hemsas, K.E.; Mellah, H. Synergetic and sliding mode controls of a PMSM: A comparative study. J. Electr. Electron. Eng. 2015, 3, 22–26. [Google Scholar] [CrossRef]
- Bogani, T.; Lidozzi, A.; Solero, L.; Di Napoli, A. Synergetic Control of PMSM Drives for High Dynamic Applications. In Proceedings of the IEEE International Conference on Electric Machines and Drives, San Antonio, TX, USA, 15 May 2005; pp. 710–717. [Google Scholar]
- Chang, Y.-C.; Tsai, C.-T.; Lu, Y.-L. Current Control of the Permanent-Magnet Synchronous Generator Using Interval Type-2 T-S Fuzzy Systems. Energies 2019, 12, 2953. [Google Scholar] [CrossRef]
- Nicola, M.; Nicola, C.-I. Improved Performance of Sensorless Control for PMSM Based on Neuro-fuzzy Speed Controller. In Proceedings of the 9th International Conference on Modern Power Systems (MPS), Cluj-Napoca, Romania, 16–17 June 2021; pp. 1–6. [Google Scholar]
- Hoai, H.-K.; Chen, S.-C.; Than, H. Realization of the Sensorless Permanent Magnet Synchronous Motor Drive Control System with an Intelligent Controller. Electronics 2020, 9, 365. [Google Scholar] [CrossRef]
- Nicola, M.; Nicola, C.-I.; Sacerdoțianu, D. Sensorless Control of PMSM using DTC Strategy Based on Multiple ANN and Load Torque Observer. In Proceedings of the 21st International Symposium on Electrical Apparatus & Technologies (SIELA), Bourgas, Bulgaria, 3–6 June 2020; pp. 1–6. [Google Scholar]
- Wang, M.-S.; Tsai, T.-M. Sliding Mode and Neural Network Control of Sensorless PMSM Controlled System for Power Consumption and Performance Improvement. Energies 2017, 10, 1780. [Google Scholar] [CrossRef]
- Nicola, M.; Nicola, C.-I. Tuning of PI Speed Controller for PMSM Control System Using Computational Intelligence. In Proceedings of the 21st International Symposium on Power Electronics (Ee), Novi Sad, Serbia, 27–30 October 2021; pp. 1–6. [Google Scholar]
- Zhu, Y.; Tao, B.; Xiao, M.; Yang, G.; Zhang, X.; Lu, K. Luenberger Position Observer Based on Deadbeat-Current Predictive Control for Sensorless PMSM. Electronics 2020, 9, 1325. [Google Scholar] [CrossRef]
- Nicola, M.; Nicola, C.-I.; Sacerdotianu, D. Sensorless Control of PMSM using DTC Strategy Based on PI-ILC Law and MRAS Observer. In Proceedings of the 2020 International Conference on Development and Application Systems (DAS), Suceava, Romania, 21–23 May 2020; pp. 38–43. [Google Scholar]
- Ye, M.; Shi, T.; Wang, H.; Li, X.; Xiai, C. Sensorless-MTPA Control of Permanent Magnet Synchronous Motor Based on an Adaptive Sliding Mode Observer. Energies 2019, 12, 3773. [Google Scholar] [CrossRef]
- Urbanski, K.; Janiszewski, D. Sensorless Control of the Permanent Magnet Synchronous Motor. Sensors 2019, 19, 3546. [Google Scholar] [CrossRef]
- Kamel, T.; Abdelkader, D.; Said, B.; Padmanaban, S.; Iqbal, A. Extended Kalman Filter Based Sliding Mode Control of Parallel-Connected Two Five-Phase PMSM Drive System. Electronics 2018, 7, 14. [Google Scholar] [CrossRef]
- Morimoto, R.; Nishikawa, S.; Niiyama, R.; Kuniyoshi, Y. Model-Free Reinforcement Learning with Ensemble for a Soft Continuum Robot Arm. In Proceedings of the IEEE 4th International Conference on Soft Robotics (RoboSoft), New Haven, CT, USA, 12–16 April 2021; pp. 141–148. [Google Scholar]
- Murti, F.W.; Ali, S.; Latva-aho, M. Deep Reinforcement Based Optimization of Function Splitting in Virtualized Radio Access Networks. In Proceedings of the IEEE International Conference on Communications Workshops (ICC Workshops), Montreal, QC, Canada, 14–23 June 2021; pp. 1–6. [Google Scholar]
- Song, S.; Foss, L.; Dietz, A. Deep Reinforcement Learning for Permanent Magnet Synchronous Motor Speed Control Systems. Neural Comput. Appl. 2020, 33, 5409–5418. [Google Scholar] [CrossRef]
- Schindler, T.; Ali, S.; Latva-aho, M. Comparison of Reinforcement Learning Algorithms for Speed Ripple Reduction of Permanent Magnet Synchronous Motor. In Proceedings of the IKMT 2019—Innovative Small Drives and Micro-Motor Systems; 12. ETG/GMM-Symposium, Wuerzburg, Germany, 10–11 September 2019; pp. 1–6. [Google Scholar]
- Brandimarte, P. Approximate Dynamic Programming and Reinforcement Learning for Continuous States. In From Shortest Paths to Reinforcement Learning: A MATLAB-Based Tutorial on Dynamic Programming; Springer Nature: Cham, Switzerland, 2021; pp. 185–204. [Google Scholar]
- Beale, M.; Hagan, M.; Demuth, H. Deep Learning Toolbox™ Getting Started Guide, 14th ed.; MathWorks, Inc.: Natick, MA, USA, 2020. [Google Scholar]
- Nicola, M.; Nicola, C.-I. Improvement of PMSM Control Using Reinforcement Learning Deep Deterministic Policy Gradient Agent. In Proceedings of the 21st the International Symposium on Power Electronics (Ee), Novi Sad, Serbia, 27–30 October 2021; pp. 1–6. [Google Scholar]
- Nicola, M.; Nicola, C.-I. Improved Performance for PMSM Control System Based on LQR Controller and Computational Intelligence. In Proceedings of the International Conference on Electrical, Computer and Energy Technologies (ICECET), Cape Town, South Africa, 9–10 December 2021; pp. 1–6. [Google Scholar]
- Nicola, M.; Nicola, C.-I. Improved Performance for PMSM Control System Based on Feedback Linearization and Computational Intelligence. In Proceedings of the International Conference on Electrical, Computer and Energy Technologies (ICECET), Cape Town, South Africa, 9–10 December 2021; pp. 1–6. [Google Scholar]
- MathWorks—Reinforcement Learning Toolbox™ User’s Guide. Available online: https://www.mathworks.com/help/reinforcement-learning/getting-started-with-reinforcement-learning-toolbox.html?s_tid=CRUX_lftnav (accessed on 4 November 2021).
- Nicola, M.; Nicola, C.-I. Fractional-Order Control of Grid-Connected Photovoltaic System Based on Synergetic and Sliding Mode Controllers. Energies 2021, 14, 510. [Google Scholar] [CrossRef]
- Nicola, M.; Nicola, C.-I. Sensorless Fractional Order Control of PMSM Based on Synergetic and Sliding Mode Controllers. Electronics 2020, 9, 1494. [Google Scholar] [CrossRef]








































| Parameter | Value | Unit |
|---|---|---|
| Stator resistance—Rs | 2.875 | Ω |
| Inductances on d-q axis—Ld, Lq | 0.0085 | H |
| Combined inertia of PMSM rotor and load—J | 8 × 103 | kg·m2 |
| Combined viscous friction of PMSM rotor and load—B | 0.01 | N·m·s/rad |
| Flux induced by the permanent magnets of the PMSM rotor in the stator phases—λ0 | 0.175 | Wb |
| Pole pairs number—np | 4 | - |
| Controllers | Response Time [ms] | Speed Ripple [rpm] |
|---|---|---|
| SMC and synergetic | 14.1 | 54.78 |
| SMC and synergetic using RL-TD3 agent for the correction of iqref. | 13.7 | 54.15 |
| SMC and synergetic using RL-TD3 agent for the correction of udref and uqref | 13.5 | 53.83 |
| SMC and synergetic using RL-TD3 agent for the correction of udref, uqref, and iqref | 13.2 | 53.18 |
Publisher’s Note: MDPI stays neutral with regard to jurisdictional claims in published maps and institutional affiliations. |
© 2022 by the authors. Licensee MDPI, Basel, Switzerland. This article is an open access article distributed under the terms and conditions of the Creative Commons Attribution (CC BY) license (https://creativecommons.org/licenses/by/4.0/).
Share and Cite
Nicola, M.; Nicola, C.-I.; Selișteanu, D. Improvement of PMSM Sensorless Control Based on Synergetic and Sliding Mode Controllers Using a Reinforcement Learning Deep Deterministic Policy Gradient Agent. Energies 2022, 15, 2208. https://doi.org/10.3390/en15062208
Nicola M, Nicola C-I, Selișteanu D. Improvement of PMSM Sensorless Control Based on Synergetic and Sliding Mode Controllers Using a Reinforcement Learning Deep Deterministic Policy Gradient Agent. Energies. 2022; 15(6):2208. https://doi.org/10.3390/en15062208
Chicago/Turabian StyleNicola, Marcel, Claudiu-Ionel Nicola, and Dan Selișteanu. 2022. "Improvement of PMSM Sensorless Control Based on Synergetic and Sliding Mode Controllers Using a Reinforcement Learning Deep Deterministic Policy Gradient Agent" Energies 15, no. 6: 2208. https://doi.org/10.3390/en15062208
APA StyleNicola, M., Nicola, C.-I., & Selișteanu, D. (2022). Improvement of PMSM Sensorless Control Based on Synergetic and Sliding Mode Controllers Using a Reinforcement Learning Deep Deterministic Policy Gradient Agent. Energies, 15(6), 2208. https://doi.org/10.3390/en15062208

