Detailed Assessment of Modulation Strategies for Hexverter–Based Modular Multilevel Converters
Abstract
:1. Introduction
- Hexverter modeling and control in a unified two–frequency framework;
- The proposal and evaluation of a “virtual controller” to dynamically account for Hexverter’s active power losses, allowing one to achieve active power balance on the fly;
- Detailed assessment of modulation strategies through total harmonic distortion of synthesized voltages and currents.
2. Hexverter Topology
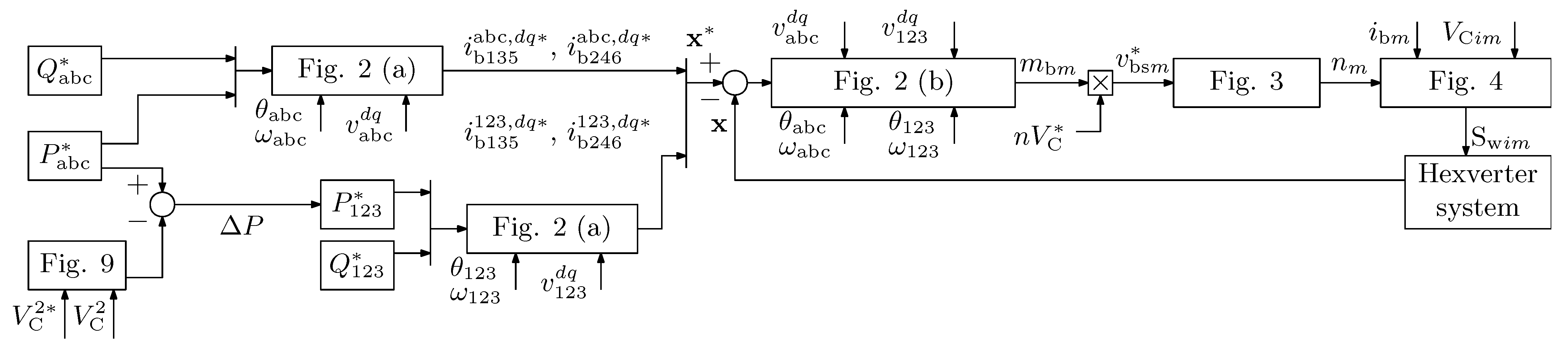
3. Modeling and Control Approach in a Unified Two–Frequency Framework
- (ii) Adjusting both reactive powers to the exact same value.
3.1. Hexverter Frequency Components {}
3.1.1. State–Space Equations {} Side
3.1.2. From Frequency Components {} to Transformation
3.2. Hexverter Frequency Components {123}
3.2.1. State–Space Equations {123} Side
3.2.2. From Frequency Components {123} to Transformation
3.3. Control Approach
3.4. Branch Current Controllers
4. Modulation Strategies
4.1. Nearest Level Control
4.2. Phase Disposition–Sinusoidal Pulse Width Modulation
5. Proposed “Virtual Controller”
6. Hexverter–Based System Integration
7. Simulation Results
7.1. NLC Simulation Results
7.2. PD–SPWM Simulation Results
7.3. NLC and PD–SPWM Discussion of Results
8. Performance of “Virtual Controller”
8.1. Test Case I
8.2. Test Case II
9. Detailed Assessment of Harmonic Spectrum and Total Harmonic Distortion of Voltages and Currents
9.1. Single–Phase Voltage THD Assessment under NLC
9.2. Single–Phase Voltage THD Assessment under PD–SPWM
9.3. Single–Phase Current THD Assessment under NLC
9.4. Single–Phase Current THD Assessment under PD–SPWM
10. Conclusions
Author Contributions
Funding
Institutional Review Board Statement
Informed Consent Statement
Acknowledgments
Conflicts of Interest
Abbreviations
| MMCs | Modular Multilevel Converters |
| NLC | Nearest Level Control |
| PCC | Point of Common Coupling |
| PD–SPWM | Phase Disposition–Sinusoidal Pulse Width Modulation |
| PI | Proportional Integral compensator |
| SMs | Submodules |
| THD | Total Harmonic Distortion |
| VBA | Voltage Balancing Algorithm |
References
- Baruschka, L.; Mertens, A. Transformatorloser Direktumrichter. German Patent DE102010013862A1, 1 April 2010. [Google Scholar]
- Baruschka, L.; Mertens, A. A New 3–Phase Direct Modular Multilevel Converter. In Proceedings of the 2011 14th European Conference on Power Electronics and Applications, Birmingham, UK, 30 August–1 September 2011. [Google Scholar]
- Baruschka, L.; Mertens, A. A New Three–Phase AC/AC Modular Multilevel Converter With Six Branches in Hexagonal Configuration. IEEE Trans. Ind. Appl. 2013, 49, 1400–1410. [Google Scholar] [CrossRef]
- Wan, Y.; Liu, S.; Jiang, J. Multivariable Optimal Control of a Direct AC/AC Converter under Rotating dq Frames. J. Power Electron. 2013, 13, 419–428. [Google Scholar] [CrossRef] [Green Version]
- Karwatzki, D.; Baruschka, L.; von Hofen, M.; Mertens, A. Optimised Operation Mode for the Hexverter Topology Based on Adjacent Compensating Power. In Proceedings of the 2014 IEEE Energy Conversion Congress and Exposition (ECCE), Pittsburgh, PA, USA, 14–18 September 2014; pp. 5399–5406. [Google Scholar]
- Karwatzki, D.; Baruschka, L.; Kucka, J.; von Hofen, M.; Mertens, A. Improved Hexverter Topology with Magnetically Coupled Branch Inductors. In Proceedings of the 2014 16th European Conference on Power Electronics and Applications, Lappeenranta, Finland, 26–28 August 2014; pp. 1–10. [Google Scholar]
- Karwatzki, D.; Baruschka, L.; von Hofen, M.; Mertens, A. Branch Energy Control for the Modular Multilevel Direct Converter Hexverter. In Proceedings of the 2014 IEEE Energy Conversion Congress and Exposition (ECCE), Pittsburgh, PA, USA, 14–18 September 2014; pp. 1613–1622. [Google Scholar]
- Baruschka, L.; Karwatzki, D.; von Hofen, M.; Mertens, A. Low–Speed Drive Operation of the Modular Multilevel Converter Hexverter Down to Zero Frequency. In Proceedings of the 2014 IEEE Energy Conversion Congress and Exposition (ECCE), Pittsburgh, PA, USA, 14–18 September 2014; pp. 5407–5414. [Google Scholar]
- Hamasaki, S.I.; Okamura, K.; Tsubakidani, T.; Tsuji, M. Control of Hexagonal Modular Multilevel Converter for 3–phase BTB System. In Proceedings of the 2014 International Power Electronics Conference (IPEC—Hiroshima 2014—ECCE ASIA), Hiroshima, Japan, 18–21 May 2014; pp. 3674–3679. [Google Scholar]
- Tsuruta, R.; Hosaka, T.; Fujita, H. A New Power Flow Controller Using Six Multilevel Cascaded Converters for Distribution Systems. In Proceedings of the 2014 International Power Electronics Conference (IPEC—Hiroshima 2014—ECCE ASIA), Hiroshima, Japan, 18–21 May 2014; pp. 1350–1356. [Google Scholar]
- Karwatzki, D.; Baruschka, L.; Mertens, A. Survey on the Hexverter Topology—A Modular Multilevel AC/AC Converter. In Proceedings of the 2015 9th International Conference on Power Electronics and ECCE Asia (ICPE-ECCE Asia), Seoul, Korea, 1–5 June 2015; pp. 1075–1082. [Google Scholar]
- Karwatzki, D.; von Hofen, M.; Baruschka, L.; Mertens, A. Operation of Modular Multilevel Matrix Converters with Failed Branches. In Proceedings of the IECON 2014—40th Annual Conference of the IEEE Industrial Electronics Society, Dallas, TX, USA, 29 October–1 November 2014; pp. 1650–1656. [Google Scholar]
- IEEE Standards Association. Recomended Practice and Requirements for Harmonic Control in Electric Power Systems; IEEE: Piscataway, NJ, USA, 2014. [Google Scholar]
- Electromagnetic Compatibility (EMC). IEC Standard 61000–3–2:2018; IEC: Geneva, Switzerland, 2018. [Google Scholar]
- Robles-Campos, H.R.; Mancilla-David, F. A comparative evaluation of modulation strategies for Hexverter—Based Modular Multilevel Converters. In Proceedings of the 2019 IEEE International Conference on Industrial Technology (ICIT), Melbourne, Australia, 13–15 February 2019; pp. 1465–1470. [Google Scholar]
- Yazdani, A.; Iravani, R. Voltage–Sourced Converters in Power Systems: Modeling, Control, and Applications. In Voltage–Sourced Converters in Power Systems: Modeling, Control, and Applications; IEEE Pres/Wiley: Hoboken, NJ, USA, 2010. [Google Scholar]
- Robles-Campos, H.R.; Mancilla-David, F. A control scheme in the dq reference frame for Hexverter–based systems. In Proceedings of the 2019 North American Power Symposium (NAPS), Wichita, KS, USA, 13–15 October 2019; pp. 1–6. [Google Scholar]
- Qin, J.; Saeedifard, M. Reduced Switching–Frequency Voltage–Balancing Strategies for Modular Multilevel HVDC Converters. IEEE Trans. Power Deliv. 2013, 28, 2403–2410. [Google Scholar] [CrossRef]
- Konstantinou, G.; Pou, J.; Ceballos, S.; Darus, R.; Agelidis, V.G. Switching Frequency Analysis of Staircase—Modulated Modular Multilevel Converters and Equivalent PWM Techniques. IEEE Trans. Power Deliv. 2016, 31, 28–36. [Google Scholar] [CrossRef] [Green Version]
- Hu, P.; Jiang, D. A Level-Increased Nearest Level Modulation Method for Modular Multilevel Converters. IEEE Trans. Power Electron. 2015, 30, 1836–1842. [Google Scholar] [CrossRef]
- Knuth, D. The Art of Computer Programming. In The Art of Computer Programming, 3rd ed.; Addison-Wesley: Boston, MA, USA, 1997. [Google Scholar]
- PSCAD/EMTDC Software Platform; Version 4.6.3; Manitoba HVDC Research Centre: Manitoba, CA, USA, 2018.
























| Branch resistance | 0.6 | ||
| Branch inductance | 10 mH | ||
| Hexverter | Number of SMs per branch | n | 12 |
| Capacitance | C | 20 mF | |
| Nominal SM voltage | 166.67 V | ||
| Active power | 15 kVA | ||
| Reactive power | 0 kVar | ||
| Voltage magnitude | 1 kV | ||
| System {abc} | Frequency | 50 Hz | |
| Resistance | 1 | ||
| Inductance | 10 mH | ||
| Active power | from control | ||
| Reactive power | 0 kVar | ||
| Voltage magnitude | 1 kV | ||
| System {123} | Frequency | 10 Hz | |
| Resistance | 0.8 | ||
| Inductance | 15 mH | ||
| Voltage between neutrals | 0 V | ||
| Circulating current | 0 A |
| Transistor | Collector–to–emitter voltage | 600 V | |
| Continuous collector current | = 25 °C | 28 A | |
| Collector–to–emitter saturation voltage | 2.21 V | ||
| Turn–on switching loss | 0.60 mJ | ||
| Turn–off switching loss | 0.58 mJ | ||
| Diode | Continuous forward current | 12 A | |
| Forward voltage drop | 1.4 V | ||
| Operational | Operating voltage | 167 V | |
| conditions | Peak value of operating current | 10 A | |
| Transistor throw voltage | 167 V |
Publisher’s Note: MDPI stays neutral with regard to jurisdictional claims in published maps and institutional affiliations. |
© 2022 by the authors. Licensee MDPI, Basel, Switzerland. This article is an open access article distributed under the terms and conditions of the Creative Commons Attribution (CC BY) license (https://creativecommons.org/licenses/by/4.0/).
Share and Cite
Robles-Campos, H.R.; Mancilla-David, F. Detailed Assessment of Modulation Strategies for Hexverter–Based Modular Multilevel Converters. Energies 2022, 15, 2132. https://doi.org/10.3390/en15062132
Robles-Campos HR, Mancilla-David F. Detailed Assessment of Modulation Strategies for Hexverter–Based Modular Multilevel Converters. Energies. 2022; 15(6):2132. https://doi.org/10.3390/en15062132
Chicago/Turabian StyleRobles-Campos, Héctor R., and Fernando Mancilla-David. 2022. "Detailed Assessment of Modulation Strategies for Hexverter–Based Modular Multilevel Converters" Energies 15, no. 6: 2132. https://doi.org/10.3390/en15062132
APA StyleRobles-Campos, H. R., & Mancilla-David, F. (2022). Detailed Assessment of Modulation Strategies for Hexverter–Based Modular Multilevel Converters. Energies, 15(6), 2132. https://doi.org/10.3390/en15062132

