Analytical Model and Design of Voltage Balancing Parameters of Series-Connected SiC MOSFETs Considering Non-Flat Miller Plateau of Gate Voltage
Abstract
:1. Introduction
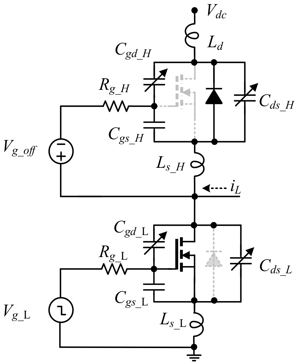
2. Analytical Model of Voltage Rising Time at Turn-Off of SiC Power Module
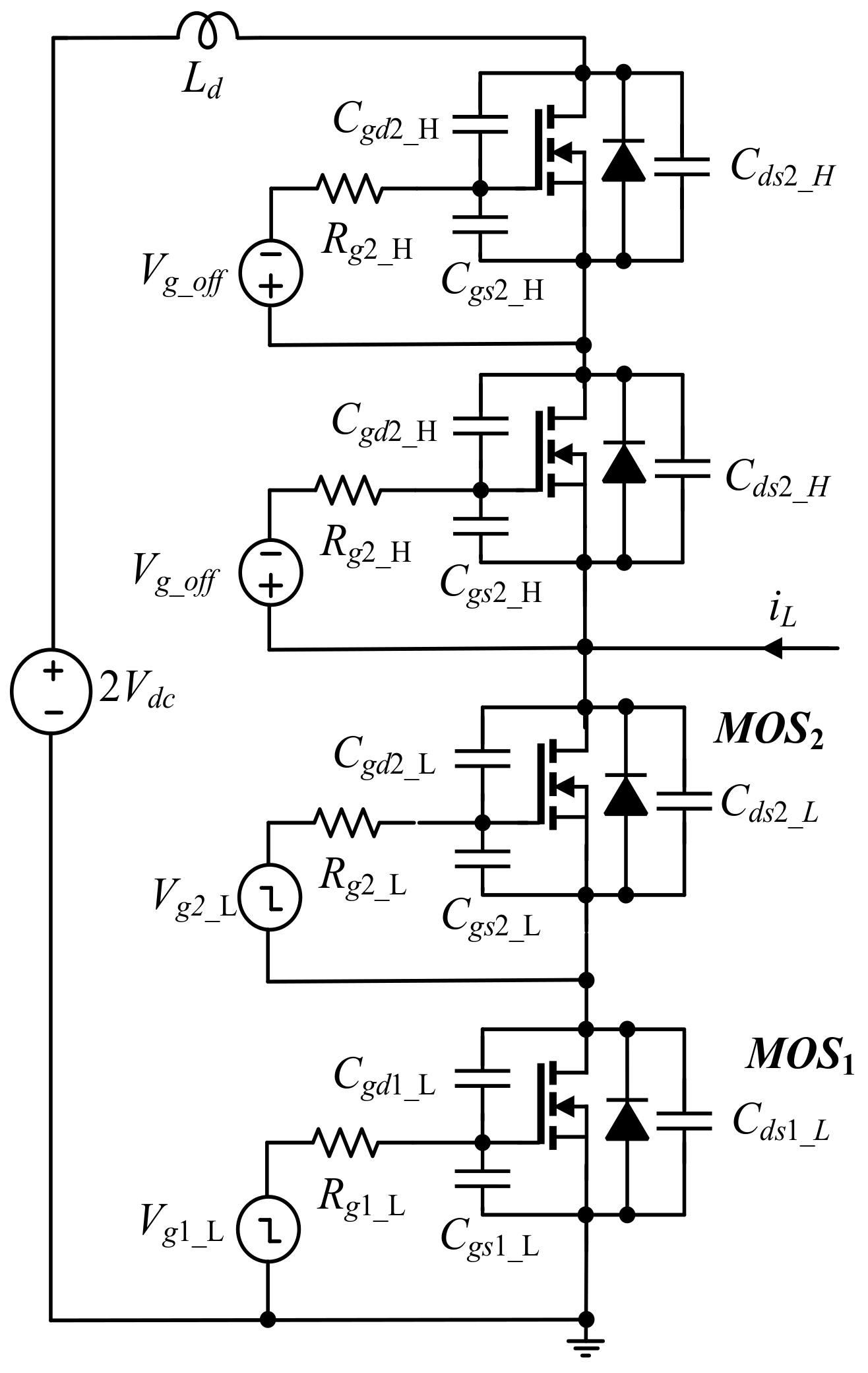
3. Voltage Imbalance Model of Series Connected SiC Power Module
3.1. Analytical Model of Voltage Imbalance
3.2. Voltage Imbalance Sensitivity
4. Close Loop Design of Active Time Delay Voltage Balancing Method
4.1. Control Loop Design
4.2. Simulation Verification
5. Experimental Verification
5.1. Experimental Platform and Parameters of SiC MOSFETs
5.2. Experimental Verification of Analytical Turn-Off Model
5.3. Experimental Verification of the VIS
5.4. Experimental Verification of the Close Loop Design
6. Conclusions
Author Contributions
Funding
Institutional Review Board Statement
Informed Consent Statement
Data Availability Statement
Conflicts of Interest
References
- Marzoughi, A.; Burgos, R.; Boroyevich, D. Investigating impact of emerging medium-voltage SiC MOSFETs on medium-voltage high-power industrial motor drives. IEEE J. Emerg. Sel. Top. Power Electron. 2019, 7, 1371–1387. [Google Scholar] [CrossRef]
- Das, M.K.; Capell, C.; Grider, D.E.; Leslie, S.; Ostop, J.; Raju, R.; Schutten, M.; Nasadoski, J.; Hefner, A. 10 kV, 120 a SiC half H-bridge power MOSFET modules suitable for high frequency, medium voltage applications. In Proceedings of the 2011 IEEE Energy Conversion Congress and Exposition, Phoenix, AZ, USA, 17–22 September 2011; IEEE: Manhattan, NY, USA; pp. 2689–2692. [Google Scholar]
- Bolotnikov, A.; Losee, P.; Permuy, A.; Dunne, G.; Kennerly, S.; Rowden, B.; Nasadoski, J.; Harfman-Todorovic, M.; Raju, R.; Tao, F.; et al. Overview of 1.2 kV–2.2 kV SiC MOSFETs targeted for industrial power conversion applications. In Proceedings of the 2015 IEEE Applied Power Electronics Conference and Exposition (APEC), Charlotte, NC, USA, 15–19 March 2015; pp. 2445–2452. [Google Scholar]
- Song, X.; Huang, A.Q.; Zhang, L.; Liu, P.; Ni, X. 15 kV/40 A FREEDM super-cascode: A cost effective SiC high voltage and high frequency power switch. IEEE Trans. Ind. Appl. 2017, 53, 5715–5727. [Google Scholar] [CrossRef]
- Vechalapu, K.; Bhattacharya, S.; Aleoiza, E. Performance evaluation of series connected 1700 V SiC MOSFET devices. In Proceedings of the 2015 IEEE 3rd Workshop on Wide Bandgap Power Devices and Applications (WiPDA), Blacksburg, VA, USA, 2–4 November 2015; IEEE: Manhattan, NY, USA, 2015. [Google Scholar]
- Wang, R.; Liang, L.; Chen, Y.; Kang, Y. A single voltage-balancing gate driver combined with limiting snubber circuits for series-connected SiC MOSFETs. IEEE J. Emerg. Sel. Top. Power Electron. 2020, 8, 465–474. [Google Scholar] [CrossRef]
- Ren, Y.; Yang, X.; Zhang, F.; Wang, K.; Chen, W.; Wang, L.; Pei, Y. A compact gate control and voltage-balancing circuit for series-connected SiC MOSFETs and its application in a DC breaker. IEEE Trans. Ind. Electron. 2017, 64, 8299–8309. [Google Scholar] [CrossRef]
- Wu, X.; Cheng, S.; Xiao, Q.; Sheng, K. A 3600 V/80 A series–parallel-connected silicon carbide MOSFETs module with a single external gate driver. IEEE Trans. Power Electron. 2014, 29, 2296–2306. [Google Scholar] [CrossRef]
- Xiao, Q.; Yan, Y.; Wu, X.; Ren, N.; Sheng, K. A 10 kV/200 A SiC MOSFET module with series-parallel hybrid connection of 1200 V/50 A dies. In Proceedings of the 2015 IEEE 27th International Symposium on Power Semiconductor Devices & IC’s (ISPSD), Hong-Kong, China, 10–14 May 2015; IEEE: Manhattan, NY, USA, 2015. [Google Scholar]
- Biela, J.; Aggeler, D.; Bortis, D.; Kolar, J.W. Balancing circuit for a 5-kV/50-ns pulsed-power switch based on SiC-JFET super cascode. IEEE Trans. Plasma Sci. 2012, 40, 2554–2560. [Google Scholar] [CrossRef]
- Chen, X.; Chen, W.; Yang, X.; Han, Y.; Hao, X.; Xiao, T. Research on a 4000-V-ultrahigh-input-switched-mode power supply using series-connected MOSFETs. IEEE Trans. Power Electron. 2018, 33, 5995–6011. [Google Scholar] [CrossRef]
- Zhang, F.; Yang, X.; Chen, W.; Wang, L. Voltage balancing control of series-connected SiC MOSFETs by using energy recovery snubber circuits. IEEE Trans. Power Electron. 2020, 35, 10200–10212. [Google Scholar] [CrossRef]
- Yang, C.; Pei, Y.; Xu, Y.; Zhang, F.; Wang, L.; Zhu, M.; Yu, L. A Gate Drive Circuit and Dynamic Voltage Balancing Control Method Suitable for Series-Connected SiC mosfets. IEEE Trans. Power Electron. 2020, 35, 6625–6635. [Google Scholar] [CrossRef]
- Baraia, I.; Barrena, J.A.; Abad, G.; Segade, J.M.C.; Iraola, U. An experimentally verified active gate control method for the series connection of IGBT/diodes. IEEE Trans. Power Electron. 2012, 27, 1025–1038. [Google Scholar] [CrossRef]
- Lobsiger, Y.; Kolar, J.W. Closed-Loop di/dt and dv/dt IGBT Gate Driver. IEEE Trans. Power Electron. 2015, 30, 3402–3417. [Google Scholar] [CrossRef]
- Dymond, H.C.P.; Liu, D.; Wang, J.; Dalton, J.J.O.; Stark, B.H. Multi-level active gate driver for SiC MOSFETs. In Proceedings of the 2017 IEEE Energy Conversion Congress and Exposition (ECCE), Cincinnati, OH, USA, 1–5 October 2017; IEEE: Manhattan, NY, USA, 2017. [Google Scholar]
- Marzoughi, A.; Burgos, R.; Boroyevich, D. Active Gate-Driver With dv/dt Controller for Dynamic Voltage Balancing in Series-Connected SiC MOSFETs. IEEE Trans. Ind. Electron. 2019, 66, 2488–2498. [Google Scholar] [CrossRef]
- Gerster, C.; Hofer, P.; Karrer, N. Gate-control strategies for snubberless operation of series connected IGBTs. In Proceedings of the PESC Record. 27th Annual IEEE Power Electronics Specialists Conference, Baveno, Italy, 23–27 June 1996; IEEE: Manhattan, NY, USA, 1996; Volume 2. [Google Scholar]
- Gerster, C. Fast high-power/ high-voltage switch using series-connected IGBTs with active gate-controlled voltage-balancing. In Proceedings of the 1994 IEEE Applied Power Electronics Conference and Exposition-ASPEC’94, Orlando, FL, USA, 13–17 February 1994; pp. 469–472. [Google Scholar]
- Ji, S.; Lu, T.; Zhao, Z.; Yu, H.; Yuan, L. Series-connected HV-IGBTs using active voltage balancing control with status feedback circuit. IEEE Trans. Power Electron. 2015, 30, 4165–4174. [Google Scholar] [CrossRef]
- Parashar, S.; Bhattacharya, S. Active Voltage Balancing Methodology for Series connection of 1700V SiC MOSFETs. In Proceedings of the 2019 IEEE 7th Workshop on Wide Bandgap Power Devices and Applications (WiPDA), Raleigh, NC, USA, 29–31 October 2019; IEEE: Manhattan, NY, USA, 2019. [Google Scholar]
- Wang, P.; Gao, F.; Jing, Y.; Hao, Q.; Li, K.; Zhao, H. An integrated gate driver with active delay control method for series connected SiC MOSFETs. In Proceedings of the 2018 IEEE 19th Workshop on Control and Modeling for Power Electronics (COMPEL), Padova, Italy, 25–28 June 2018; IEEE: Manhattan, NY, USA, 2018. [Google Scholar]
- Wang, T.; Lin, H.; Liu, S. An Active Voltage Balancing Control Based on Adjusting Driving Signal Time Delay for Series-Connected SiC MOSFETs. IEEE J. Emerg. Sel. Top. Power Electron. 2020, 8, 454–464. [Google Scholar] [CrossRef]
- Wang, J.; Chung, H.S.; Li, R.T. Characterization and experimental assessment of the effects of parasitic elements on the MOSFET switching performance. IEEE Trans. Power Electron. 2013, 28, 573–590. [Google Scholar] [CrossRef]
- Chen, K.; Zhao, Z.; Yuan, L.; Lu, T.; He, F. The impact of nonlinear junction capacitance on switching transient and its modeling for SiC MOSFET. IEEE Trans. Electron Devices 2015, 62, 333–338. [Google Scholar] [CrossRef]
- Roy, S.K.; Basu, K. Analytical estimation of turn on switching Loss of SiC MOSFET and Schottky Diode Pair from datasheet parameters. IEEE Trans. Power Electron. 2019, 34, 9118–9130. [Google Scholar] [CrossRef]
- Li, C.; Lu, Z.; Chen, Y.; Li, C.; Luo, H.; Li, W.; He, X. High off-state impedance gate Driver of SiC MOSFETs for crosstalk voltage elimination considering common-source inductance. IEEE Trans. Power Electron. 2020, 3, 2999–3011. [Google Scholar] [CrossRef]
- Baliga, B.J. Fundamentals of Power Semiconductor Devices; Springer: Cham, Switzerland, 2008. [Google Scholar]
- Zeng, Z.; Li, X. Comparative study on multiple degrees of freedom of gate drivers for transient behavior regulation of SiC MOSFET. IEEE Trans. Power Electron. 2018, 33, 8754–8763. [Google Scholar] [CrossRef]
- Zhang, Z.; Gui, H.; Niu, J.; Chen, R.; Wang, F.; Tolbert, L.M.; Costinett, D.J.; Blalock, B.J. High precision gate signal timing control based active voltage balancing scheme for series-connected fast switching field-effect transistors. In Proceedings of the 2018 IEEE Applied Power Electronics Conference and Exposition (APEC), San Antonio, TX, USA, 4 March 2018; IEEE: Manhattan, NY, USA, 2018. [Google Scholar]















| Name | Value |
|---|---|
| Gate voltage Vg_on/Vg_off (V) | +18/−2 |
| Gate resistor Rg (Ω) | 3.8, 6.3, 8.7 |
| Leakage inductor Ld (nH) | 58 |
| Gate capacitor Cgs (nF) | 17.8 |
| Threshold voltage Vth_c (V) | 6.3 |
| Tranconductance gs (A/V2) | 5.9 |
| DC bus voltage Vdc (V) | 600 |
| Qds at 600 V (nC) | 1154.0 |
| Qgd at 600 V (nC) | 138.2 |
| Cds at 600 V (nF) | 2.2 |
| Cgd at 600 V (pF) | 27.2 |
| Rg = 3.8 Ω, 600 V/200 A | Rg = 6.2 Ω, 600 V/200 A | Rg = 8.7 Ω, 600 V/200 A | |
|---|---|---|---|
| Model (ns) | 53.8 | 79.0 | 102.6 |
| Experiment (ns) | 59.6 | 84.3 | 105.9 |
| Absolute Error (%) | 5.8 | 6.2 | 3.1 |
| Rg = 6.2 Ω, 1300 V/200 A | Rg = 6.2 Ω, 1300 V/100 A | Rg = 11.2 Ω, 1200 V/200 A | |
|---|---|---|---|
| Model (V/ns) | 16.59 | 14.21 | 9.27 |
| Experiment (V/ns) | 16.51 | 14.84 | 9.77 |
| Absolute Error (%) | 0.4 | 4.3 | 5.0 |
Publisher’s Note: MDPI stays neutral with regard to jurisdictional claims in published maps and institutional affiliations. |
© 2022 by the authors. Licensee MDPI, Basel, Switzerland. This article is an open access article distributed under the terms and conditions of the Creative Commons Attribution (CC BY) license (https://creativecommons.org/licenses/by/4.0/).
Share and Cite
Li, C.; Chen, R.; Chen, S.; Li, C.; Luo, H.; Li, W.; He, X. Analytical Model and Design of Voltage Balancing Parameters of Series-Connected SiC MOSFETs Considering Non-Flat Miller Plateau of Gate Voltage. Energies 2022, 15, 1722. https://doi.org/10.3390/en15051722
Li C, Chen R, Chen S, Li C, Luo H, Li W, He X. Analytical Model and Design of Voltage Balancing Parameters of Series-Connected SiC MOSFETs Considering Non-Flat Miller Plateau of Gate Voltage. Energies. 2022; 15(5):1722. https://doi.org/10.3390/en15051722
Chicago/Turabian StyleLi, Chengmin, Runtian Chen, Saizhen Chen, Chushan Li, Haoze Luo, Wuhua Li, and Xiangning He. 2022. "Analytical Model and Design of Voltage Balancing Parameters of Series-Connected SiC MOSFETs Considering Non-Flat Miller Plateau of Gate Voltage" Energies 15, no. 5: 1722. https://doi.org/10.3390/en15051722
APA StyleLi, C., Chen, R., Chen, S., Li, C., Luo, H., Li, W., & He, X. (2022). Analytical Model and Design of Voltage Balancing Parameters of Series-Connected SiC MOSFETs Considering Non-Flat Miller Plateau of Gate Voltage. Energies, 15(5), 1722. https://doi.org/10.3390/en15051722

