Abstract
For medium and high-powered applications, modular multilevel converters have become the most promising converter application. In this paper, a sliding mode controller based on an RBF neural network is proposed for a modular multilevel converter. The RBF neural network is designed to approximate the uncertainty mathematical model of a modular multilevel converter. The main innovation of the proposed method is that it does not require any model parameters and control parameters during the whole control process. This means that parameter changes caused by the external environment will not influence the controller performances. Finally, by comparing with a conventional PI controller, the simulation proves the feasibility and effectiveness of the proposed control method. In addition, the experimental results show that the grid-side current can become stable immediately while the active power is stabilized after 20 ms when the set value is changed.
1. Introduction
With the development of power electronic devices, DC transmission devices have also changed from two-level converters to three-level converters and finally to modular multilevel converters (MMC).
However, the intricated structure of the MMC makes it difficult to control and analyze effectively [1,2]. In order to improve its operating performance, extensive research has been conducted in recent years to address the technical challenges and MMC operation and control [3,4]. For this purpose, conventional proportional-integral controllers (PI) [5] and proportional-resonant (PR) control [6] have been proposed based on classical control theory and the mathematical model of the MMC. Although the classical controller can control the internal dynamics of the MMC, due to the strong nonlinearity of the MMC and the complex coupling, it is necessary to use nonlinear control techniques to obtain a better output [7,8,9,10,11]. Then, various nonlinear control techniques, such as sliding mode control [7], Lagrange multiplier-based optimal control [8], model-based input–output linearization [9], and developed feedback linearization [10], have also been proposed and researched. Another control approach is model predictive control [12,13,14]. It was originally proposed by Richalet and Cutleris and now is widely used in power electronics. However, the main drawback of MPC is the high performance of the computer. When applied in MMC, the GPU frequency required is higher due to the larger number of sub-modules. That is, the MPC algorithm should be able to evaluate all possible capacitor voltage combinations within one sample period. In other words, higher GPU will also increase the cost. In addition, conventional nonlinear controller-based techniques rely on a precise mathematical model of the system, which is difficult to achieve in real life.
Furthermore, there are frequently unknown nonlinear functions in nonlinear systems. Because of its universal approximation of any unknown smooth nonlinear function, the neural network (NN) is commonly utilized in nonlinear systems. Ref. [15] used NN to approximate the nonlinear part in the APF. Ref. [16] also introduces the same idea. Refs. [17,18,19] used NN to approximate the mathematical model of MMC and then control using MPC. However, the MPC and NN have increased the cost and the burden on the computer.
Power electronic converters are variable structure systems due to the switching devices. Therefore, the sliding mode controller (SMC) is suitable for power electronic converters as a variable structure controller. SMC were first proposed in 1950 [20,21]. SMC is a nonlinear control method. It is suitable for the control of power converters and can achieve better regulation and dynamic performance over a wider range of operating conditions. The main reason is that the nonlinear controller design does not require a linear model of the power converter. Sliding mode controllers are widely used in DC-DC converters. Mazumder et al. firstly proposed an integral variable structure sliding mode controlled parallel buck converter based on a fixed frequency PWM [22]. This technique was later extended to the application of controlled voltage regulation modules [23]. Later, a unified PWM-based fixed-frequency direct sliding mode voltage control design scheme was proposed for buck, boost, and buck–boost converters [24]. However, the sliding mode controller has the problem of jitter, which will reduce stability [25]. Therefore, if the sliding mode controller is applied to AC-DC, it will increase the harmonics of the grid current and the output power will be jittered. In this paper, NN solves the jitter problem of sliding mode control by fitting the sliding mode control law.
RBFSMC was first proposed in 2006 [26]. The RBF is used to adjust the controller parameters of the SMC or to fit the nonlinear part of the controlled object. Nowadays, RBFSMC is mainly used in Ship’s Heading [27], robotics [28,29], and aeronautical remote sensing stable platforms [30]. Motivated by the above studies, a sliding-mode controller using the RBF neural network (RBFNN) structure is proposed for the current control of MMC. In this paper, RBF is mainly used to fit the SMC control law. The main advantages of using an RBF neural network-based sliding mode control in this paper are as follows: (i) no device parameters are required; (ii) no controller parameters are required; (iii) no jitter; (iv) stable operation when the grid voltage drops; (v) suitable for all MMC systems. Finally, simulation and experimental results verify the effectiveness of RBFSMC.
2. Mathematical Model of MMC
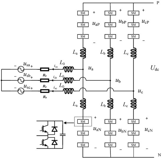
The topology of three phases MMC is shown in Figure 1. Three phase MMC mainly consist of an upper and a lower arm as well as two small coupling inductances. Each arm has the same number of sub-modules (SMs). The SM consists of two IGBT half bridges with anti-parallel diodes and one parallel capacitor.
Figure 1.
Topology of the MMC.
In addition, the port voltages of upper arm and lower arm can be expressed as
Transforming Equation (1) into dq coordinate, we can obtain:
where, / represent three-phase output voltages/currents; represent three-phase AC voltages on the converter side; and are the line resistance and inductance; and are the port voltages of the upper arm and lower arm; is the circulation current; is the voltage drop caused by ; is the inductance of the bridge arm; is the DC voltage; m = a, b, c, d, q. i = a, b, c.
By defining x1 = isd, x2 = isq, Equation (4) can be transformed as
3. Control Strategy Design
3.1. Design of PI Controller
According to Equation (4), the PI controller can be designed as
Applying the Laplace transform theory, the open-loop transfer function of the current loop is obtained
where, Kp and Ki are the controller parameters and Ts is the switching times.
Applying the Mr minimum criterion method, letting , the closed-loop transfer function of the current loop is obtained
According to the 2nd order system theory, we obtain the range of PI controller parameters
3.2. Design of Sliding Mode Controller
The goal of the SMC is to ensure high dynamic tracking performance. According to the SMC theory, the sliding mode surface is designed as
where, isqref is the reference current of the q-axis and isdref is the reference current of the d-axis.
In fact, in power electronic systems, the d-axis reflects active power and the q-axis reflects reactive power. Therefore, the reference current can be given by Equation (11)
where, Pref and Qref are the setting values of active and reactive power.
To compensate for the effect of the lumped uncertainties, we design the exponential reaching law as follows
where, ε and q are positive constants.
With derivative Equation (10) and combined with Equation (12), we can obtain
In order to reduce the high frequency jitter of the SMC, the saturation function sat(·) is used instead of the sign function sgn(·) in the ideal sliding mode, and Equation (13) can be transformed as
In addition, under unbalanced grid voltage, Equation (14) can be transformed in positive and negative orders
3.3. Stability Analysis
To prove convergence and stability of the proposed SMC, the matrix S is defined as
Consider the following positive definite Lyapunov candidate function
Taking the derivative of Equation (18), and combining Equation (12) results in
Because the controller parameters ε and q are positive, we can find and . In other words, the controlled system satisfies the reaching condition.
Practically, MMC is constantly influenced by a variety of unknown disturbances and parametric variations caused by aging inductors and capacitors, which must be accounted for in the system model. However, the parametric variations caused by aging inductors and capacitors is a nonlinear function. As and in Equation (14) are unknown, it is impossible to implement the control law Equation (14). In addition, the ε and q will also affect the stability of the controller, which should be considered. RBFNN can fit arbitrary nonlinear functions due to its specific neuron structure. RBFNN was used to fit Equation (14) in this paper.
4. RBF Neural Network-Based Sliding Mode Control
4.1. Design of RBF NN
The input layer, hidden layer, and output layer are the basic three layers of forward structure in RBF NN. Basic RBF NN is shown in Figure 2.
Figure 2.
Basic RBF NN.
It can be seen in Figure 2 that the input of RBF NN is Equation (20)
The output of each neuron in the middle layer is Equation (21)
where, is the center vector of the i-th hidden layer neuron. The width vector of Gauss function is .
According to the rules of neural network calculation, the output is Equation (22)
where, ωT is the weight of NN, .
(1) Number of neurons: When the control system is confirmed, the number of input and output neurons is also determined. In this paper, the input values of the d-axis are x2 and s1 and the q-axis are x1 and s2, so the number of input neurons of d-axis and q-axis nodes is 2. The output variable of the d-axis is ud and the variable of the q-axis is uq. There is no currently uniform formula to determine the number of middle layer neurons. According to simulation results, the best results are obtained when the number of neurons in the middle layer is 8. The input and output layers are 2 and 1, respectively.
(2) Parameter Setting: The settings of ai and bi also affect the output of RBFNN. When the input is close to ai, the value of Gauss function is sensitive and bi is the mapping range of the Gauss function. In this paper, ai is 0 and bi is 1.
4.2. RBF NN Sliding Mode Controller
The RBFNN is used to approximate the nonlinear functions and . Take as an example. The RBF neural network-based sliding mode control (RBFSMC) block diagram of the d-axis (q-axis) is shown in Figure 3.
Figure 3.
The RBFSMC control block diagram of the d-axis (q-axis).
The input of the hidden layer is
The output of the hidden layer is
To distinguish across layers, superscripts (1)–(3) are used to denote input, hidden, and output layers, respectively. The Gauss function is g(x).
The input of RBFSMC’s output layer is
Finally, the output of RBFSMC is F1:
5. Simulation Results
To show the validity of the suggested controller, we built the model in MATLAB/Simulink according to Figure 1 and Figure 4. The system parameters and controller parameters are listed in Table 1 and Table 2.
Figure 4.
The block diagram of the MMC control system.
Table 1.
Simulation experiment parameters.
Table 2.
Controller parameters.
5.1. Steady-State Performance
Figure 5 shows the three-phase grid-side current of MMC. As can be seen in Figure 5, the grid-side current has almost no setting time to become stable using the controller proposed in the paper. To determine the harmonic content of the grid-side currents, fast Fourier transforms (FFT) of Phase A of the grid-side current are shown in Figure 6. From Figure 6, the FFT of the grid-side current have good performance under RBFSMC.
Figure 5.
Grid-side current.
Figure 6.
FFT analysis of the grid-side current.
Figure 7 shows the circulating current of Phase A. As can be seen in Figure 7, the circulating current is suppressed after 0.005 s and the peak value is 35 A at 0.002 s. Submodule capacitance voltage is a key parameter in the MMC. The submodule capacitance voltage of A phase is shown in Figure 8. The submodule capacitance voltage is stable at 4000 V and varies in the same trend. The results illustrate that the RBFSMC can work well with traditional capacitor voltage control as well as the loop current suppression.
Figure 7.
Circulating current of Phase A.
Figure 8.
Waveforms of submodule capacitance voltage.
Figure 9 shows the active and reactive power of MMC under RBFSMC. It can be seen from Figure 9 that the active and reactive power can be stable. The overshoot of the active power is 4.7% and the setting time is 0.03s. The reactive power is constant without fluctuations in operation
Figure 9.
Waveforms of active and reactive power.
Figure 10 shows the d-axis and q-axis components of grid currents. In Figure 10a,b, the d-axis component and q-axis component can track the reference values quickly without delay. The results show that the dynamic performance and tracking performance is good under RBFSMC.
Figure 10.
The response of d-axis and q-axis components: (a) d-axis component; (b) q-axis component.
In addition, to verify that RBFSMC is not affected by grid voltage, the grid voltage was changed to 18 kV (grid voltage drops 10%). Figure 11 shows the grid-side current and power when the grid voltage is 18 kV. As can be seen in Figure 11, the current and power can still become stable quickly. That means the changes in grid voltage have little effect on the current and power.
Figure 11.
Waveforms of current and power: (a) grid-side current; (b) power.
5.2. Dynamic Performance
To verify the speed and effectiveness of controller, the active power increases abruptly from 7 to 9 MW at 0.2 s in this paper and compared with conventional PI control. Figure 12 shows waveforms of the grid-side current from 0.18 to 0.23 s. Simulation result analysis of grid-side current is shown in Table 3. As can be seen in Figure 12, the amplitude of the grid current is larger when the active power reference changes. The grid current fluctuates when the set value changes and it takes about 1 ms to become stable. However, PI control needs 10 ms and the waveforms are worse than RBFSMC.
Figure 12.
Grid-side current under active power changes: (a) RBFSMC; (b) PI control.
Table 3.
Simulation result analysis of grid-side current.
Figure 13 shows waveforms of the d-axis and q-axis current under active power changes. In Figure 13a, because of the set value changes, idref will change from 235 to 300 A. The id under RBFSMC can track the signal immediately at 0.2 s without any fluctuation and overshoot. However, the id under PI control has a big overshoot when MMC starts and takes about 10 ms to become stable after 0.2 s. In addition, it can be seen in Figure 13b that the value of iqref is 0 and there is no fluctuation at 0.2 s under RBFSMC. From Table 4, we find that the result is better than PI control.

Figure 13.
The response of d-axis and q-axis components under RBFSMC and PI control: (a) d-axis component; (b) q-axis component.
Table 4.
Simulation result analysis of dq current.
Figure 14 shows waveforms of active and reactive power of MMC. Simulation result analysis of power is shown in Table 5. It can be seen in Figure 14 that the peak value of active value is 9.098 MW and the setting time is 0.02 s when the active power changes. The reactive power is still constant with no fluctuation at 0.2 s. The results show that RBFSMC proposed in this paper has good dynamic performance and faster response than PI control.
Figure 14.
Waveforms of active and reactive power under active power changes: (a) RBFSMC; (b) PI control.
Table 5.
Simulation result analysis of power.
5.3. Unbalanced Grid Voltage Performance
In this paper, the voltage of phase A dropped by 10% (20 kV→18 kV), while phase B and phase C maintained the original voltage. Because of the unbalanced grid voltage, it is found that the instantaneous power of MMC is changed as follows:
where, is the positive and negative sequence components of the output voltage on the AC side in the d/q axis, respectively; is the positive and negative sequence components of the output current on the AC side in the d/q axis, respectively; , , are the direct flow of active (reactive) power, the two sine components of the secondary fluctuation, and the cosine component of the secondary fluctuation, respectively. Noted that the superscript m represents the symbol +, − and n represent the symbols d and q.
When the grid voltage is unbalanced, the grid-side current will fluctuate. Therefore, the reference current should be changed according to Equation (28)
Figure 15 shows the waveforms of the grid-side current under unbalanced grid voltage, respectively. Simulation result analysis of grid-side current under unbalanced voltage is shown in Table 6. As can be seen from Figure 15, the current unbalance factor (CUF) of three-phase grid current under RBFSMC control is 0.8%, while the CUF under PI control is 1.7%. The peak current under RBFSMC is 405 A, while the peak current under PI control is 454 A. Therefore, RBFSMC is better than PI control.

Figure 15.
Waveforms of grid-side current under unbalanced voltage control: (a) RBFSMC; (b) PI control.
Table 6.
Simulation result analysis of grid-side current.
Figure 16 shows the waveforms of power under unbalanced grid voltage, respectively. Simulation result analysis of power is shown in Table 7. The maximum active power is 10.7 MW while it is 12.7 MW under PI control. The active power fluctuation is less than PI control. Reactive power fluctuations under PI control are also more frequent.
Figure 16.
Waveforms of active and reactive power under unbalanced grid voltage: (a) RBFSMC; (b) PI control.
Table 7.
Simulation result analysis of power.
6. Experiment Results
In order to verify the effectiveness of the proposed RBFSMC, the hardware-in-the-loop experiment was built on the RT-LAB OP5700 platform. The controller uses DSP TMS32F28335 made by TI company, and the output waveform from RT-LAB is viewed by an oscilloscope and host. The RT-LAB OP5700 platform is shown in Figure 17.
Figure 17.
Hardware in the loop simulation experiment platform.
In this paper, RT-LAB is used to simulate the topology shown in Figure 1. The RBFSMC proposed in this paper is implemented on the DSP. When the RT-LAB is running, the current and voltage signals will be passed to the DSP, and the DSP will generate PWM signals to the RT-LAB after calculation to form a closed loop. In this experiment, the DSP sampling frequency was set to 1 MHz. Experimental parameters were consistent with the simulation.
Figure 18 shows grid voltages and line currents of MMC. The grid current signals are sinusoidal and have no phase difference with the grid voltage. When the active power setting value increases, the amplitude of grid current will also change. However, there is no ripple while the setting value changes like the simulation. These results confirm that the RBFSMC can operate well in MMC.
Figure 18.
Grid voltages and line currents (usa,isa), (usb,isb), and (usc,isc).
Figure 19 shows grid-side active and reactive power of MMC. When the active power setting value increases from 7 to 9 MW, the reactive power does not fluctuate. The active power reached stability after 20 ms. Therefore, when the reference value changes it does not change the fact that the power factor is the unit.
Figure 19.
Grid-side active and reactive power.
7. Conclusions
A new approach to the implementation of sliding mode controller based on RBF design was proposed in this paper. As such, the benefits of sliding mode control and RBF can be combined. In this sense, the controller parameter problems were explicitly dealt with, and the system robustness performance could be enhanced. Compared with the conventional SMC strategies, the novelty of the proposed methodology was that it did not require precise mathematical models and can identify the system dynamics, facilitate the successful suppression of performance deterioration caused by parameter variations and model inaccuracy. Finally, the simulation verification shows that the proposed RBFSMC for MMC can be assessed by steady-state and dynamic performance.
Author Contributions
X.Y. established the original conception, provided the technical guidance and checked the data. H.F. modeled the system, designed the algorithms of control strategy and wrote the paper. All authors have read and agreed to the published version of the manuscript.
Funding
This work was supported by National Science Foundation of China (51777120) and Shanghai 2021 “Science and Technology Innovation Action Plan” Science and Technology Support for Carbon Neutralization (the first batch) (21DZ1207502).
Institutional Review Board Statement
Not applicable.
Informed Consent Statement
Not applicable.
Conflicts of Interest
The authors declare that they have no known competing financial interests or personal relationships that could have appeared to influence the work reported in this paper.
Abbreviations
| MMC | Modular multilevel converter; |
| CUF | Current unbalance factor; |
| PI | Proportional-integral controller; |
| PR | Proportional resonant; |
| MPC | Model predictive control; |
| NN | Neural network; |
| THD | Total Harmonic Distortion; |
| RBF | Radial basis function; |
| RBFNN | RBF neural network; |
| RBFSMC | RBF neural network-based sliding mode control; |
| SM | Sub-modules; |
| FFT | Fast Fourier transforms. |
References
- Debnath, S.; Qin, J.; Bahrani, B.; Saeedifard, M.; Barbosa, P. Operation, Control, and Applications of the Modular Multilevel Converter: A Review. IEEE Trans. Power Electron. 2015, 30, 37–53. [Google Scholar] [CrossRef]
- Perez, M.A.; Bernet, S.; Rodriguez, J.; Kouro, S.; Lizana, R. Circuit Topologies, Modeling, Control Schemes, and Applications of Modular Multilevel Converters. IEEE Trans. Power Electron. 2014, 30, 4–17. [Google Scholar] [CrossRef]
- Allebrod, S.; Hamerski, R.; Marquardt, R. New Transformerless, Scalable Modular Multilevel Converters for HVDC-Transmission. In Proceedings of the 2008 IEEE Power Electronics Specialists Conference, Rhodes, Greece, 15–19 June 2008; pp. 174–179. [Google Scholar] [CrossRef]
- Mehrasa, M.; Pouresmaeil, E.; Zabihi, S.; Catalao, J.P.S. Dynamic model, control and stability analysis of MMC in HVDC transmission systems. IEEE Trans. Power Deliv. 2017, 32, 1471–1482. [Google Scholar] [CrossRef]
- Moon, J.W.; Park, J.W.; Kang, D.W.; Kim, J.M. A Control Method of HVDC-Modular Multilevel Converter Based on Arm Current Under the Unbalanced Voltage Condition. IEEE Trans. Power Deliv. 2015, 30, 529–536. [Google Scholar] [CrossRef]
- Li, S.; Wang, X.; Yao, Z.; Li, T.; Peng, Z. Circulating Current Suppressing Strategy for MMC-HVDC Based on Nonideal Proportional Resonant Controllers Under Unbalanced Grid Conditions. IEEE Trans. Power Electron. 2015, 30, 387–397. [Google Scholar] [CrossRef]
- Yang, Q.; Saeedifard, M.; Perez, M.A. Sliding Mode Control of the Modular Multilevel Converter. IEEE Trans. Ind. Electron. 2019, 66, 887–897. [Google Scholar] [CrossRef]
- Bergna, G.; Garces, A.; Berne, E.; Egrot, P. A generalized power control approach in ABC frame for modular multilevel converters based on Lagrange multipliers. IEEE Trans. Power Deliv. 2014, 29, 386–394. [Google Scholar] [CrossRef] [Green Version]
- Barnklau, H.; Gensior, A.; Rudolph, J. A Model-Based Control Scheme for Modular Multilevel Converters. IEEE Trans. Ind. Electron. 2013, 60, 5359–5375. [Google Scholar] [CrossRef]
- Antonopoulos, A.; Angquist, L.; Harnefors, L.; Ilves, K.; Nee, H.P. Global Asymptotic Stability of Modular Multilevel Converters. IEEE Trans. Ind. Electron. 2013, 61, 603–612. [Google Scholar] [CrossRef]
- Yang, S.; Peng, W.; Yi, T. Feedback Linearization-Based Current Control Strategy for Modular Multilevel Converters. IEEE Trans. Power Electron. 2017, 33, 161–174. [Google Scholar] [CrossRef]
- Gong, Z.; Wu, X.; Dai, P.; Zhu, R. Modulated Model Predictive Control for MMC-Based Active Front-End Rectifiers Under Unbalanced Grid Conditions. IEEE Trans. Ind. Electron. 2019, 66, 2398–2409. [Google Scholar] [CrossRef]
- Guan, W.; Huang, S.; Luo, D.; Rong, F. A Reverse Model Predictive Control Strategy for a Modular Multilevel Converter. Energies 2019, 12, 297. [Google Scholar] [CrossRef] [Green Version]
- Zhi, W.; Chu, J.; Wei, G.; Huang, Q.; Chen, L.; Yuan, X. Hybrid Modulated Model Predictive Control in a Modular Multilevel Converter for Multi-Terminal Direct Current Systems. Energies 2018, 11, 1861. [Google Scholar]
- Fei, J.; Wang, H.; Fang, Y. Novel Neural Network Fractional-Order Sliding-Mode Control With Application to Active Power Filter. IEEE Trans. Syst. Man Cybern. Syst. 2021, 1–11. [Google Scholar] [CrossRef]
- Novak, M.; Dragicevic, T. Supervised imitation learning of finite set model predictive control systems for power electronics. IEEE Trans. Ind. Electron. 2020, 29, 1717–1723. [Google Scholar] [CrossRef]
- Wang, S.; Dragicevic, T.; Gao, Y.; Teodorescu, R. Neural Network based Model Predictive Controllers for Modular Multilevel Converters. IEEE Trans. Energy Convers. 2020, 36, 1562–1571. [Google Scholar] [CrossRef]
- Liu, X.; Qiu, L.; Wu, W.; Ma, J.; Wang, D. Predictor-Based Neural Network Finite Set Predictive Control for MMC. IEEE Trans. Ind. Electron. 2020, 68, 11621–11627. [Google Scholar] [CrossRef]
- Mohamed, I.S.; Rovetta, S.; Do, T.D.; Dragicevic, T.; Diab, A. A Neural-Network-Based Model Predictive Control of Three-Phase Inverter With an Output LC Filter. IEEE Access 2019, 7, 124737–124749. [Google Scholar] [CrossRef]
- Ostrowsky, G.M. Application of nonlinear corrective devices in second order automatic control systems. Avtomat I Telemeh 1956, 17, 979–984. [Google Scholar]
- Utkin, V. Variable structure systems with sliding modes. IEEE Trans. Autom. Control 2003, 22, 212–222. [Google Scholar] [CrossRef]
- Mazumder, S.K.; Nayfeh, A.H.; Borojevic, A. Robust Control of Parallel DC-DC Buck Converters by Combining Integral-Variable-Structure and Multiple-Sliding-Surface Control Schemes. IEEE Trans. Power Electron. 2002, 17, 428–437. [Google Scholar] [CrossRef]
- Mazumder, S.K.; Kamisetty, S.L. Design and experimental validation of a multiphase VRM controller. IEE Proc. Electr. Power Appl. 2005, 152, 1076–1084. [Google Scholar] [CrossRef] [Green Version]
- Tan, S.C.; Lai, Y.M.; Tse, C.K. A unified approach to the design of PWM-based sliding-mode voltage controllers for basic DC-DC converters in continuous conduction mode. IEEE Trans. Circuits Syst. I Regul. Pap. 2006, 53, 1816–1827. [Google Scholar]
- Fridman, L.; Spurgeon, S.K. Variable Structure Systems: From Principles to Implementation; IET: London, UK, 2004. [Google Scholar]
- Xu, Z.B.; Min, J.Q.; Jian, R. Adaptive Neuro Sliding Mode Control of Nonlinear System. In Proceedings of the 2008 International Conference on Intelligent Computation Technology and Automation (ICICTA), Changsha, China, 20–22 October 2008. [Google Scholar]
- Wang, R.; Zhao, Y.; Miao, K. Application of Neural Network Minimum Parameter Learning Algorithm in Ship’s Heading Tracking Control. In Proceedings of the 2016 9th International Symposium on Computational Intelligence and Design (ISCID), Hangzhou, China, 10–11 December 2016. [Google Scholar]
- Wang, Y.; Qi, L.; Wang, X.G.; Liu, J. Simulation experiment of flexible parallel robot control by RBF neural network based on sliding mode robust term. In Proceedings of the 2017 2nd Asia-Pacific Conference on Intelligent Robot Systems (ACIRS), Wuhan, China, 16–18 June 2017. [Google Scholar]
- Zhou, Z.; Tang, G.; Huang, H.; Yuan, Z. Adaptive Neural Disturbance Observer Based Nonsingular Fast Terminal Sliding Mode Control for Underwater Robot Manipulators. In Proceedings of the 2019 International Conference on Control, Automation and Information Sciences (ICCAIS), Chengdu, China, 23–26 October 2019. [Google Scholar]
- Wang, Z.; Li, Y.; Gao, S.; Meng, L.; Ran, T. RBF Neural Network Sliding Mode control for Aeronautical Remote Sensing Stable Platform. In Proceedings of the 2020 Chinese Automation Congress (CAC), Shanghai, China, 6–8 November 2020. [Google Scholar]
Publisher’s Note: MDPI stays neutral with regard to jurisdictional claims in published maps and institutional affiliations. |
© 2022 by the authors. Licensee MDPI, Basel, Switzerland. This article is an open access article distributed under the terms and conditions of the Creative Commons Attribution (CC BY) license (https://creativecommons.org/licenses/by/4.0/).