Preliminary Evaluation of the Impact of Sustained Overvoltage on Low Voltage Electronics-Based Equipment
Abstract
:1. Introduction
- Poorly selected sub-station float voltages;
- Poor network planning;
- Improper tap settings on distribution transformers.
- Electronic loads;
- Resistive loads (simple and thermostatically controlled);
- Motor loads.
2. Switch Mode Power Supplies
- i.
- Input (from supply network)
- ii.
- Primary full bridge rectifier
- iii.
- LC filter
- iv.
- High-frequency switching
- v.
- Step-down transformer
- vi.
- Secondary winding rectification and
- vii.
- Secondary LC filter and output
3. Electrolytic Capacitors
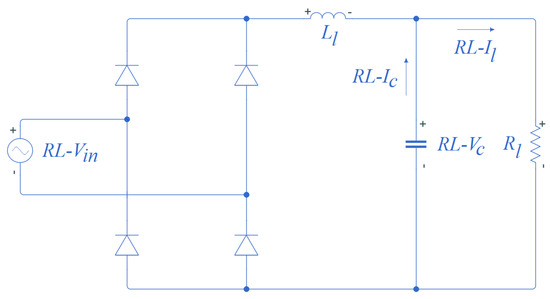
3.1. Representative Test Circuit
3.2. Failure Mode of Electrolytic Capacitors
- is the ideal capacitance of the component, directly correlated with the surface area of the capacitor plates, the dielectric constant and length of space between plates that is filled with electrolyte;
- f
- is the frequency of the current flowing through the capacitor;
4. Test Device Design
4.1. Computer Simulation
- is the current through the DC-link filter capacitor to the simple SMPS load;
- is the current through the DC-link filter capacitor when the load is represented by a simple resistor;
- is the current supplied to the simple SMPS load;
- is the current supplied to the simple SMPS load when the load is represented by a simple resistor.
4.2. Design of Test Device
5. Design of Experiment and Methodology
5.1. Operating Temperature
- is the rated lifetime under maximum operating temperature;
- is the maximum rated operating temperature;
- T
- is the actual operating temperature.
5.2. Measurement Process
5.3. Test Voltages
- The capacitors were placed in the preheated oven and the power was switched on;
- The test was then left to run for 24 h, at which point the power was switched off and the capacitors were removed from the oven;
- Once returned to room temperature, the capacitance and ESR was measured for each capacitor and compared to their original values;
- The capacitors were then placed back into the oven and the experiment resumed;
- The above process was repeated until the ESR of the capacitors under test reached 2.8 times the original value.
5.4. Analysis Software
6. Results and Analysis
6.1. Time to Failure PDFs
6.2. Acceleration Factor for System Failure Prediction
- is the rated lifetime of the component in hours;
- is the accelerated lifetime measured throughout the study.
- V
- is the stress level;
- K
- and n are model parameters to be determined.
- ;
- .
- is the voltage magnitude used in the ALT;
- is the rated voltage.
- is the base failure rate (failures/ hours);
- S
- is the ratio of operating to capacitor rated voltage;
- T
- is the ambient temperature.
7. Summary and Future Work
Future Work
8. Conclusions
Author Contributions
Funding
Institutional Review Board Statement
Informed Consent Statement
Data Availability Statement
Conflicts of Interest
Abbreviations
| AC | Alternating Current |
| ALT | Accelerated Life Testing |
| AS | Australian Standard |
| DC | Direct Current |
| EC | Electrolytic Capacitor |
| ESL | Equivalent Series Inductance |
| ESR | Equivalent Series Resistance |
| FFT | Fast Fourier Transform |
| IPL | Inverse Power Law |
| LC | Inductor-Capacitor |
| LCR | Inductance-Capacitance-Resistance |
| LED | Light-Emitting Diode |
| LV | Low Voltage |
| MOSFET | Metal–Oxide–Semiconductor Field-Effect Transistor |
| Probability Density Function | |
| PLM | Product Lifecycle Management |
| PQ | Power Quality |
| PV | Photovoltaic |
| RMS | Root-Mean-Square |
| SMPS | Multidisciplinary Digital Publishing Institute |
| TD | Test Device |
| TTF | Time To Failure |
References
- Halliday, C.; Urquhart, D. Voltage and Equipment Standards Misalignment; The Electric Energy Society of Australia: Canberra, Australia, 2011. [Google Scholar]
- AS 60038-2012; Standard Voltages. Standards Australia: Sydney, Australia, 2012.
- AS 61000.3.100-2011; Electromagnetic Compatibility (EMC), Part 3.100: Limits—Steady State Voltage Limits in Public Electricity Systems. Standards Australia: Sydney, Australia, 2011.
- Australian PV Institute. Australian PV Market since April 2001. Available online: https://pv-map.apvi.org.au/analyses (accessed on 17 December 2021).
- Karimi, M.; Mokhlis, H.; Naidu, K.; Uddin, S.; Bakar, A. Photovoltaic penetration issues and impacts in distribution network—A review. Renew. Sustain. Energy Rev. 2016, 53, 594–605. [Google Scholar] [CrossRef]
- Thomson, M.; Infield, D. Impact of widespread photovoltaics generation on distribution systems. IET Renew. Power Gener. 2007, 1, 33–40. [Google Scholar] [CrossRef]
- AS 4777.2-2020; Grid Connection of Energy Systems via Inverters, Part 2: Inverter Requirements. Standards Australia: Sydney, Australia, 2020.
- Elphick, S.; Smith, V.; Gosbell, V.; Barr, R. Characteristics of Power Quality Disturbance Levels in Australia. In Proceedings of the 2012 IEEE 15th International Conference on Harmonics and Quality of Power (ICHQP), Hong Kong, China, 17–20 June 2012; p. 61. [Google Scholar]
- Seljeseth, H.; Sand, K.; Fossen, K. Laboratory Tests of Electrical Appliances Immunity to Voltage Swells. In Proceedings of the InCIRED 2009—20th International Conference and Exhibition on Electricity Distribution-Part 1 2009, Prague, Czech Republic, 8–11 June 2009. [Google Scholar]
- Seljeseth, H.; Rump, T.; Haugen, K. Overvoltage Immunity of Electrical Appliances Laboratory Test Results from 60 Appliances. In Proceedings of the 21st International Conference on Electric Power Distribution (CIRED), Frankfurt, Germany, 6–9 June 2011. [Google Scholar]
- Cobben, J. Power Quality: About the Problems and Solutions; CO-Education: Arnhem, The Netherlands, 2012. [Google Scholar]
- James, R.; Su, Q. Condition Assessment of High Voltage Insulation in Power System Equipment; The Institution of Engineering and Technology: London, UK, 2008. [Google Scholar]
- Power Integrations. LinkSwitch-XT Low Cost 2 W CV Power Adapter. p. 2. November 2005. Available online: http://www.farnell.com/datasheets/10037.pdf (accessed on 15 June 2017).
- Power Integrations. 12 W Universal Input CV Adapter, Design Idea. p. 2. February 2008. Available online: https://ac-dc.power.com/sites/default/files/PDFFiles/di91.pdf (accessed on 15 June 2017).
- Power Integrations. 3.8 W 2-Output Supply Using LNK623PG Design Example Report. p. 30. May 2009. Available online: https://ac-dc.power.com/sites/default/files/PDFFiles/der213.pdf (accessed on 15 June 2017).
- Texas Instruments. 230Vac Triac Dimmable 10W LED Driver Reference Design. p. 13. June 2013. Available online: http://www.ti.com/lit/df/slurac0/slurac0.pdf (accessed on 15 June 2017).
- Billings, K.; Morey, T. Switchmode Power Supply Handbook, 3rd ed.; McGraw-Hill Professional: San Francisco, CA, USA, 2011. [Google Scholar]
- Zheng-Yu, S.; Yu-Dong, L.; Tao, N.; Meng-Qi, L.; Jing-Dong, F.; Zhen-Wei, Z. The Real-time Fault Diagnosis of Electrolytic Filter Capacitors in Switching Mode Power Supply. In Proceedings of the 20th IEEE International Symposium on the Physical and Failure Analysis of Integrated Circuits (IPFA), Suzhou, China, 15–19 July 2013. [Google Scholar]
- Wohlfahrt, T.; Waniek, C.; Myrzik, J.; Meyer, J.; Schegner, P. Supraharmonic disturbances: Lifetime reduction of electronic mass-market equipment by the aging of electrolytic capacitors. In Proceedings of the 18th International Conference on Harmonics and Quality of Power (ICHQP), Ljubljana, Slovenia, 13–16 May 2018. [Google Scholar]
- Darmawardana, D.; Perera, S.; Robinson, D.; David, J.; Meyer, J.; Jayatunga, U. Impact of High Frequency Emissions (2–150 kHz) on Lifetime Degradation of Electrolytic Capacitors in Grid Connected Equipment. In Proceedings of the 2019 IEEE Power & Energy Society General Meeting (PESGM), Atlanta, GA, USA, 4–8 August 2019. [Google Scholar]
- Parler, S., Jr. Improved spice models of aluminum electrolytic capacitors for inverter applications. In Proceedings of the 2002 IEEE Industry Applications Conference, 37th IAS Annual Meeting, Pittsburgh, PA, USA, 13–18 October 2002. [Google Scholar]
- Deng, F.; Heng, Q.; Liu, C.; Cai, X.; Zhu, R.; Chen, Z.; Chen, W. Capacitor ESR and C Monitoring in Modular Multilevel Converters. IEEE Trans. Power Electron. 2020, 35, 4063–4075. [Google Scholar] [CrossRef]
- Chen, P.; Liu, J.; Zhang, H.; Chu, B. Increase of Capacitance of Thick Dielectrics by Fringe Effect. IEEE Trans. Dielectr. Electr. Insul. 2019, 26, 1716–1719. [Google Scholar] [CrossRef]
- Taufik, T. A flyback inverter without input electrolytic capacitor. In Proceedings of the 2017 International Electronics Symposium on Engineering Technology and Applications (IES-ETA), Surabaya, Indonesia, 26–27 September 2017; pp. 157–160. [Google Scholar]
- Chen, Y.-M.; Wu, H.-C.; Chou, M.-W.; Lee, K.-Y. Online Failure Prediction of the Electrolytic Capacitor for LC Filter of Switching-Mode Power Converters. IEEE Trans. Ind. Electron. 2008, 55, 6. [Google Scholar] [CrossRef]
- Kemet Electronics Corporation. Radial Aluminium Electrolytic Capacitors—ESH Series, 105 °C. Product Specification Sheet. 2013. Available online: https://www.farnell.com/datasheets/1794402.pdf (accessed on 15 June 2017).
- PTC. Windchill Product Lifecycle Management Software. Available online: https://www.ptc.com/en/products/windchill (accessed on 7 December 2020).
- Naiken, V.; Rathore, A. Accelerated temperature and voltage life tests on aluminium electrolytic capacitors: A DOE approach. Int. J. Qual. Reliab. Manag. 2015, 33, 120–139. [Google Scholar] [CrossRef]
- US Department of Defence. Reliability Prediction of Electronic Equipment, Military Handbook; MIL-HDBK-217F; US Department of Defense: Washington, DC, USA, 1995. [Google Scholar]
- Méndez-González, L.; Rodríguez-Picón, L.; Valles-Rosales, D.; Iniesta, A.; Carreón, A. Reliability analysis using exponentiated Weibull distribution and inverse power law. Qual. Reliab. Eng. Int. 2019, 35, 1219–1230. [Google Scholar] [CrossRef]
- Büyük, M.; Tan, A.; Tümay, M.; Bayındır, K. Topologies, generalized designs, passive and active damping methods of switching ripple filters for voltage source inverter: A comprehensive review. Renew. Sustain. Energy Rev. 2016, 62, 46–69. [Google Scholar] [CrossRef]











| Characteristic | Value |
|---|---|
| SMPS Rated Power | 20 W |
| EC Capacitance | 47 μF |
| EC Rated Voltage | |
| EC Operating Temperature | −25 °C to 105 °C |
| EC Technology | Radial aluminium |
| Electrolyte | Non-solid |
| Voltage Level | Number of Capacitors Tested | Average Length of Test (Hours) |
|---|---|---|
| 35 | 72.5 | |
| 15 | 55 | |
| 9 | 92 | |
| 9 | 70 | |
| 9 | 50 |
Publisher’s Note: MDPI stays neutral with regard to jurisdictional claims in published maps and institutional affiliations. |
© 2022 by the authors. Licensee MDPI, Basel, Switzerland. This article is an open access article distributed under the terms and conditions of the Creative Commons Attribution (CC BY) license (https://creativecommons.org/licenses/by/4.0/).
Share and Cite
David, J.; Ciufo, P.; Elphick, S.; Robinson, D. Preliminary Evaluation of the Impact of Sustained Overvoltage on Low Voltage Electronics-Based Equipment. Energies 2022, 15, 1536. https://doi.org/10.3390/en15041536
David J, Ciufo P, Elphick S, Robinson D. Preliminary Evaluation of the Impact of Sustained Overvoltage on Low Voltage Electronics-Based Equipment. Energies. 2022; 15(4):1536. https://doi.org/10.3390/en15041536
Chicago/Turabian StyleDavid, Jason, Philip Ciufo, Sean Elphick, and Duane Robinson. 2022. "Preliminary Evaluation of the Impact of Sustained Overvoltage on Low Voltage Electronics-Based Equipment" Energies 15, no. 4: 1536. https://doi.org/10.3390/en15041536
APA StyleDavid, J., Ciufo, P., Elphick, S., & Robinson, D. (2022). Preliminary Evaluation of the Impact of Sustained Overvoltage on Low Voltage Electronics-Based Equipment. Energies, 15(4), 1536. https://doi.org/10.3390/en15041536

