Novel Nonylphenol Polyethoxylated Based Surfactants for Enhanced Oil Recovery for High-Mineralization Carbonate Reservoir
Abstract
1. Introduction
2. Experimental Section
2.1. Materials
2.2. Surfactant Synthesis
2.2.1. Synthesis of NP6EO–UOSN
2.2.2. Synthesis of NP6EO–SC
2.2.3. Synthesis of NP6EO–CN
2.3. Evaluation of the Surfactants
2.3.1. Interfacial Tension (IFT) Measurements
2.3.2. CMC Determination
2.3.3. Wettability Alteration
2.3.4. Amott Cells
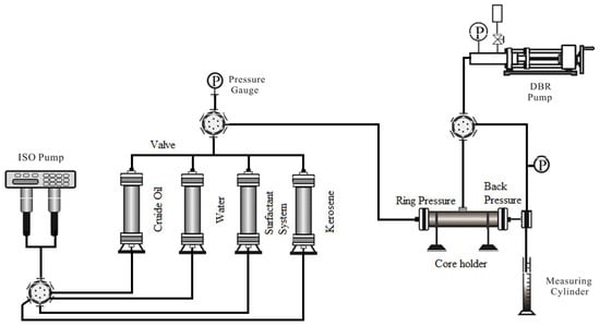
2.3.5. Filtration Experiments
3. Results and Discussion
3.1. IFT Measurements
3.2. CMC Determination
3.3. Alteration of Wettability
3.4. Amott Cells
3.5. Filtration Results
4. Conclusions
- Achieved 10 times lower IFT values than NP6EO precursor;
- Yielded a much higher displacement efficiency than the precursor in spontaneous imbibition experiments (NP6EO–SC gives the highest oil displacement efficiency);
- Yielded a higher additional oil recovery than NP6EO in the filtration experiments (NP6EO–UOSN is the most effective one).
Author Contributions
Funding
Institutional Review Board Statement
Informed Consent Statement
Data Availability Statement
Conflicts of Interest
Nomenclature
| EOR | Enhanced oil recovery |
| IFT | Interfacial tension |
| CMC | Critical micelle concentration |
| ORFAmmott | The oil recovery factor in Ammot cell |
| Vdio | Volume of displaced oil |
| Vio | Volume of initial oil in core samples |
| ORF | Oil recovery factor |
| Iw1 | Initial injectivity |
| q | Volumetric flow |
| μw | Viscosity of water |
| L | Length of core |
| kw | Absolute permeability by model water |
| ΔP1 | Pressure drop after full water cut at the outlet at water displacement |
| ORFA | Additional oil recovery factor |
| Vaod | Volume of additional displaced oil |
| Vaod | Volume of additional displaced oil |
| ΔP2 | Pressure drop after full water cut at the outlet aftersurfactant treatment |
| Iw2 | Water injectivity parameter after surfactant treatment |
| Ich | Injectivity parameter |
| KORF | Coefficient of additionally displaced oil |
Appendix A
| Surfactant | Core Samples | Diameter, mm | Length, mm | Porosity, % | Pore Volume, cm3 | Permeability, mD | Average Permeability, mD |
|---|---|---|---|---|---|---|---|
| NP6EO | 1 | 299 | 500 | 19.55 | 6.86 | 997.2 | 554.69 |
| 2 | 299 | 502 | 12.45 | 4.39 | 384.67 | ||
| NP6EO–CN | 3 | 298.6 | 499.9 | 23.47 | 8.21 | 957.98 | 553.26 |
| 4 | 298.4 | 500.8 | 11.59 | 4.06 | 389.15 | ||
| NP6EO–UOSN | 5 | 297.8 | 500.7 | 24.51 | 8.54 | 909.26 | 583.82 |
| 6 | 298.3 | 502.2 | 10.46 | 3.67 | 430.28 | ||
| NP6EO–SC | 7 | 298.3 | 502.2 | 17.44 | 6.12 | 873.65 | 618.82 |
| 8 | 297.8 | 502.6 | 24.37 | 8.53 | 479.17 |
Appendix B
| Surfactant | Core Samples | Diameter, mm | Length, mm | Volume, mL | Porosity, % | Pore Volume, cm3 | Permeability, mD |
|---|---|---|---|---|---|---|---|
| NP6EO | 9 | 4.999 | 2.982 | 34.91 | 13.14 | 4.59 | 124.78 |
| NP6EO–CN | 10 | 5.009 | 2.986 | 35.08 | 12.37 | 4.34 | 131.34 |
| NP6EO–UOSN | 11 | 5.01 | 2.988 | 35.13 | 13.30 | 4.67 | 135.17 |
| NP6EO–SC | 12 | 5.019 | 2.987 | 35.17 | 9.68 | 3.40 | 148.44 |
| Water | 13 | 5.026 | 2.998 | 35.48 | 14.18 | 5.03 | 123.04 |
References
- Manrique, E.J.; Muci, V.E.; Gurfinkel, M.E. EOR Field Experiences in Carbonate Reservoirs in the United States. SPE Reserv. Eval. Eng. 2007, 10, 667–686. [Google Scholar] [CrossRef]
- Yang, H.T.; Britton, C.; Liyanage, P.J.; Solairaj, S.; Kim, H.; Nguyen, Q.P.; Weerasooriya, U.; Pope, G.A. Low-Cost, High-Performance Chemicals for Enhanced Oil Recovery. In Proceedings of the SPE—DOE Improved Oil Recovery Symposium Proceedings, Tulsa, OK, USA, 19–23 April 2010; Volume 2. [Google Scholar] [CrossRef]
- Hill, H.; Reisberg, J.; Stegemeier, G. Aqueous Surfactant Systems for Oil Recovery. J. Pet. Technol. 1973, 25, 186–194. [Google Scholar] [CrossRef]
- Rao, D.N.; Ayirala, S.C.; Abe, A.A.; Xu, W. Impact of Low-Cost Dilute Surfactants on Wettability and Relative Permeability. In Proceedings of the SPE/DOE Symposium on Improved Oil Recovery, Tulsa, OK, USA, 1–4 April 2006; Volume 1. [Google Scholar] [CrossRef]
- Bai, Y.; Wang, Z.; Shang, X.; Dong, C.; Zhao, X.; Liu, P. Experimental Evaluation of a Surfactant/Compound Organic Alkalis Flooding System for Enhanced Oil Recovery. Energy Fuels 2017, 31, 5860–5869. [Google Scholar] [CrossRef]
- Jamaloei, B.Y.; Kharrat, R. Analysis of Microscopic Displacement Mechanisms of Dilute Surfactant Flooding in Oil-wet and Water-wet Porous Media. Transp. Porous Media 2009, 81, 1–19. [Google Scholar] [CrossRef]
- Yuan, C.; Pu, W.; Varfolomeev, M.A.; Tan, T.; Zhao, S. Trapped oil in low-permeability zone unswept by water flooding under permeability heterogeneity can be mobilized by ultra-low interfacial tension: EOR mechanism of dilute surfactant flooding proved by low field NMR core flooding and two-parallel core flooding experiments. In Proceedings of the SPE Gas and Oil Technology Showcase and Conference, Dubai, United Arab Emirates, 21–23 October 2019. [Google Scholar]
- Cheraghian, G. Improved Heavy Oil Recovery by Nanofluid Surfactant Flooding—An Experimental Study. In Proceedings of the 78th EAGE Conference and Exhibition 2016: Efficient Use of Technology—Unlocking Potential, Vienna, Austria, 29–30 May 2016. [Google Scholar]
- Speight, J.G. Rules of Thumb for Petroleum Engineers; John Wiley & Sons: Hoboken, NJ, USA, 2017. [Google Scholar] [CrossRef]
- Akbar, M.; Chakravorty, S.; Russell, S.D.; Al Deeb, M.A.; Efnik, M.R.S.; Thower, R.; Karakhanian, H.; Mohamed, S.S.; Bushara, M.N. Unconventional approach to resolving primary and secondary porosity in Gulf carbonates from conventional logs and borehole images. In Proceedings of the Abu Dhabi International Petroleum Exhibition and Conference, Abu Dhabi, United Arab Emirates, 15–18 October 2000. [Google Scholar] [CrossRef]
- Lu, J.; Goudarzi, A.; Chen, P.; Kim, D.H.; Delshad, M.; Mohanty, K.K.; Sepehrnoori, K.; Weerasooriya, U.P.; Pope, G.A. Enhanced oil recovery from high-temperature, high-salinity naturally fractured carbonate reservoirs by surfactant flood. J. Pet. Sci. Eng. 2014, 124, 122–131. [Google Scholar] [CrossRef]
- Pal, S.; Mushtaq, M.; Banat, F.; Al Sumaiti, A.M. Review of surfactant-assisted chemical enhanced oil recovery for carbonate reservoirs: Challenges and future perspectives. Pet. Sci. 2018, 15, 77–102. [Google Scholar] [CrossRef]
- Araújo, A.A.D.L.; Neto, E.L.D.B.; Filho, O.C.; Foletto, E.L. Influence of sodium chloride on the cloud point of polyethoxylate surfactants and estimation of Flory-Huggins model parameters. Rev. Fac. Ing. Univ. Antioq. 2015, 75, 155–162. [Google Scholar] [CrossRef]
- Bourrel, M.; Koukounis, C.; Schechter, R.; Wade, W. Phase and Interfacial Tension Behavior of Nonionic Surfactants. J. Dispers. Sci. Technol. 1980, 1, 13–35. [Google Scholar] [CrossRef]
- Dantas, T.N.C.; Soares, A.P.J.; Neto, A.O.W.; Neto, E.L.B. Implementing New Microemulsion Systems in Wettability Inversion and Oil Recovery from Carbonate Reservoirs. Energy Fuels 2014, 28, 6749–6759. [Google Scholar] [CrossRef]
- Yuan, C.; Pu, W.; Varfolomeev, M.A.; Mustafin, A.Z.; Tan, T.; Zhao, S.; Liu, R. Sweep improvement options for highly hetero-geneous reservoirs with high temperature and ultra-high salinity: A case study in Tarim basin, China. In Proceedings of the SPE Annual Caspian Technical Conference, Baku, Azerbaijan, 5–7 October 2021. [Google Scholar]
- Yuan, C.; Pu, W.; Varfolomeev, M.A.; Tan, T.; Timofeeva, A.A.; Sitnov, S.A.; Mustafin, A.Z. Salt-tolerant surfactant for dilute surfactant flooding in high-salinity reservoirs: Residual oil stripping and displacement mechanism and efficiency by ultra-low interfacial tension. In Proceedings of the Abu Dhabi International Petroleum Exhibition and Conference, Abu Dhabi, United Arab Emirates, 9–12 November 2020. [Google Scholar]
- Varfolomeev, M.A.; Ziniukov, R.A.; Yuan, C.; Khairtdinov, R.K.; Sitnov, S.A.; Sudakov, V.A.; Zhdanov, M.V.; Mustafin, A.Z.; Usmanov, S.A.; Sattarov, A.I.; et al. Optimization of carbonate heavy oil reservoir development using surfactant flooding: From laboratory screening to pilot test. In Proceedings of the SPE Russian Petroleum Technology Conference, Virtual, 12–14 October 2020. [Google Scholar]
- Mofrad, S.K.; Dehaghani, A.H.S. An experimental investigation into enhancing oil recovery using smart water combined with anionic and cationic surfactants in carbonate reservoir. Energy Rep. 2020, 6, 543–549. [Google Scholar] [CrossRef]
- Sheng, J. Critical review of low-salinity waterflooding. J. Pet. Sci. Eng. 2014, 120, 216–224. [Google Scholar] [CrossRef]
- Lu, J.; Liyanage, P.J.; Solairaj, S.; Adkins, S.; Arachchilage, G.P.; Kim, D.H.; Britton, C.; Weerasooriya, U.; Pope, G.A. New surfactant developments for chemical enhanced oil recovery. J. Pet. Sci. Eng. 2014, 120, 94–101. [Google Scholar] [CrossRef]
- Chen, H.L.; Lucas, L.R.; Nogaret, L.A.D.; Yang, H.D.; Kenyon, D.E. Laboratory Monitoring of Surfactant Imbibition with Computerized Tomography. SPE Reserv. Eval. Eng. 2001, 4, 16–25. [Google Scholar] [CrossRef]
- Xie, X.; Weiss, W.W.; Tong, Z.J.; Morrow, N.R. Improved Oil Recovery from Carbonate Reservoirs by Chemical Stimulation. SPE J. 2005, 10, 276–285. [Google Scholar] [CrossRef]
- Amirianshoja, T.; Junin, R.; Idris, A.K.; Rahmani, O. A comparative study of surfactant adsorption by clay minerals. J. Pet. Sci. Eng. 2013, 101, 21–27. [Google Scholar] [CrossRef]
- Seethepalli, A.; Adibhatla, B.; Mohanty, K.K. Physicochemical Interactions During Surfactant Flooding of Fractured Carbonate Reservoirs. SPE J. 2004, 9, 411–418. [Google Scholar] [CrossRef]
- Hirasaki, G.; Zhang, D.L. Surface Chemistry of Oil Recovery from Fractured, Oil-Wet, Carbonate Formations. SPE J. 2004, 9, 151–162. [Google Scholar] [CrossRef]
- Jianu, C. Synthesis of nonionic-anionic colloidal systems based on alkaline and ammonium β-nonylphenol polyethyleneoxy (n = 3–20) propionates/dodecylbenzenesulfonates with prospects for food hygiene. Chem. Cent. J. 2012, 6, 95. [Google Scholar] [CrossRef]
- Benomar, S.H. The Analysis of Salt Resistant Surfactants Used in Enhanced Oil Recovery; Sheffield Hallam University: Sheffield, UK, 2001. [Google Scholar]
- Sharma, G.; Mohanty, K.K. Wettability Alteration in High-Temperature and High-Salinity Carbonate Reservoirs. SPE J. 2013, 18, 646–655. [Google Scholar] [CrossRef]
- Mohan, K. Alkaline Surfactant Flooding for Tight Carbonate Reservoirs. In Proceedings of the SPE Annual Technical Conference and Exhibition, New Orleans, LA, USA, 4–7 October 2009; Volume 7. [Google Scholar] [CrossRef]
- Haq, B.; Liu, J.; Liu, K.; Al Shehri, D. The role of biodegradable surfactant in microbial enhanced oil recovery. J. Pet. Sci. Eng. 2020, 189, 106688. [Google Scholar] [CrossRef]
- Liu, C.; Wang, Y.; Cui, L.; Zhang, G.; Xu, B. Synthesis, characterization, and properties of acyl glycine, alanine, valine, and leucine derived from vegetable oils and beef tallow. Tenside Surfactants Deterg. 2020, 57, 340–346. [Google Scholar] [CrossRef]
- Yuan, C.; Pu, W.-F.; Wang, X.-C.; Sun, L.; Zhang, Y.-C.; Cheng, S. Effects of Interfacial Tension, Emulsification, and Surfactant Concentration on Oil Recovery in Surfactant Flooding Process for High Temperature and High Salinity Reservoirs. Energy Fuels 2015, 29, 6165–6176. [Google Scholar] [CrossRef]
- Pu, W.; Yuan, C.; Hu, W.; Tan, T.; Hui, J.; Zhao, S.; Wang, S.; Tang, Y. Effects of interfacial tension and emulsification on displacement efficiency in dilute surfactant flooding. RSC Adv. 2016, 6, 50640–50649. [Google Scholar] [CrossRef]










| Property | Value |
|---|---|
| Average alkane number | C8–C14 |
| Viscosity at 20 °C | 155.88 mPa·s |
| Density at 20 °C | 0.932 g/cm3 |
| Oil–water interfacial tension at 20 °C | 26.6 mN/m |
| Formulation | Solution | Stabilized IFT (mN/m) |
|---|---|---|
| NP6EO | 20 wt% NaCl + 0.3 wt% NP6EO | 0.16 |
| NP6EO–CN | 20 wt% NaCl + 0.3 wt% NP6EO–CN | 0.014 |
| NP6EO–SC | 20 wt% NaCl + 0.3 wt% (NP6EO–SC) | 0.06 |
| NP6EO–UOSN | 20 wt% NaCl + 0.3 wt% NP6EO–UOSN | 0.015 |
| Formulation | Initial Contact Angle, ° | Contact Angle after 4 h, ° | Contact Angle after 24 h, ° |
|---|---|---|---|
| Model water | 71.4 | 74.7 | 61.8 |
| NP6EO | 76.2 | 10.1 | 0 |
| NP6EO–CN | 68.2 | 19.2 | 1.6 |
| NP6EO–SC | 74.1 | 14.8 | 0 |
| NP6EO–UOSN | 69.6 | 15.3 | 2.3 |
| Value | ORF, % | ORFA, % | ORF + ORFA, % | KORF, % | Ich |
|---|---|---|---|---|---|
| NP6EO | 20.58 | 1.73 | 22.31 | 7.75 | 0.2384 |
| NP6EO–CN | 45.96 | 7.99 | 53.95 | 14.81 | 0.0157 |
| NP6EO–UOSN | 22.26 | 16.08 | 38.35 | 41.93 | 0.2105 |
| NP6EO–SC | 30.57 | 10.84 | 41.41 | 26.18 | 0.2392 |
Publisher’s Note: MDPI stays neutral with regard to jurisdictional claims in published maps and institutional affiliations. |
© 2022 by the authors. Licensee MDPI, Basel, Switzerland. This article is an open access article distributed under the terms and conditions of the Creative Commons Attribution (CC BY) license (https://creativecommons.org/licenses/by/4.0/).
Share and Cite
Saifullin, E.R.; Putintseva, P.O.; Sagirov, R.N.; Varfolomeev, M.A.; Yuan, C.; Pavelyev, R.S.; Nazarychev, S.A.; Malahov, A.O.; Akimushkina, L.; Zharkov, D.A.; et al. Novel Nonylphenol Polyethoxylated Based Surfactants for Enhanced Oil Recovery for High-Mineralization Carbonate Reservoir. Energies 2022, 15, 961. https://doi.org/10.3390/en15030961
Saifullin ER, Putintseva PO, Sagirov RN, Varfolomeev MA, Yuan C, Pavelyev RS, Nazarychev SA, Malahov AO, Akimushkina L, Zharkov DA, et al. Novel Nonylphenol Polyethoxylated Based Surfactants for Enhanced Oil Recovery for High-Mineralization Carbonate Reservoir. Energies. 2022; 15(3):961. https://doi.org/10.3390/en15030961
Chicago/Turabian StyleSaifullin, Emil R., Polina O. Putintseva, Rustam N. Sagirov, Mikhail A. Varfolomeev, Chengdong Yuan, Roman S. Pavelyev, Sergey A. Nazarychev, Aleksei O. Malahov, Lucia Akimushkina, Dmitrii A. Zharkov, and et al. 2022. "Novel Nonylphenol Polyethoxylated Based Surfactants for Enhanced Oil Recovery for High-Mineralization Carbonate Reservoir" Energies 15, no. 3: 961. https://doi.org/10.3390/en15030961
APA StyleSaifullin, E. R., Putintseva, P. O., Sagirov, R. N., Varfolomeev, M. A., Yuan, C., Pavelyev, R. S., Nazarychev, S. A., Malahov, A. O., Akimushkina, L., Zharkov, D. A., Bykov, A. O., & Mirzakimov, U. (2022). Novel Nonylphenol Polyethoxylated Based Surfactants for Enhanced Oil Recovery for High-Mineralization Carbonate Reservoir. Energies, 15(3), 961. https://doi.org/10.3390/en15030961

