Shale Reservoir Heterogeneity: A Case Study of Organic-Rich Longmaxi Shale in Southern Sichuan, China
Abstract
:1. Introduction
2. Materials and Methods
2.1. Sample Preparation
2.2. SANS Experiments
2.3. Micro-CT Experiment
2.4. FIB-SEM Experiment
3. Results and Discussion
3.1. Micron Pore Distribution
3.2. Nanoscale Pore Distribution
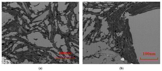
3.2.1. Analysis of FIB-SEM Results
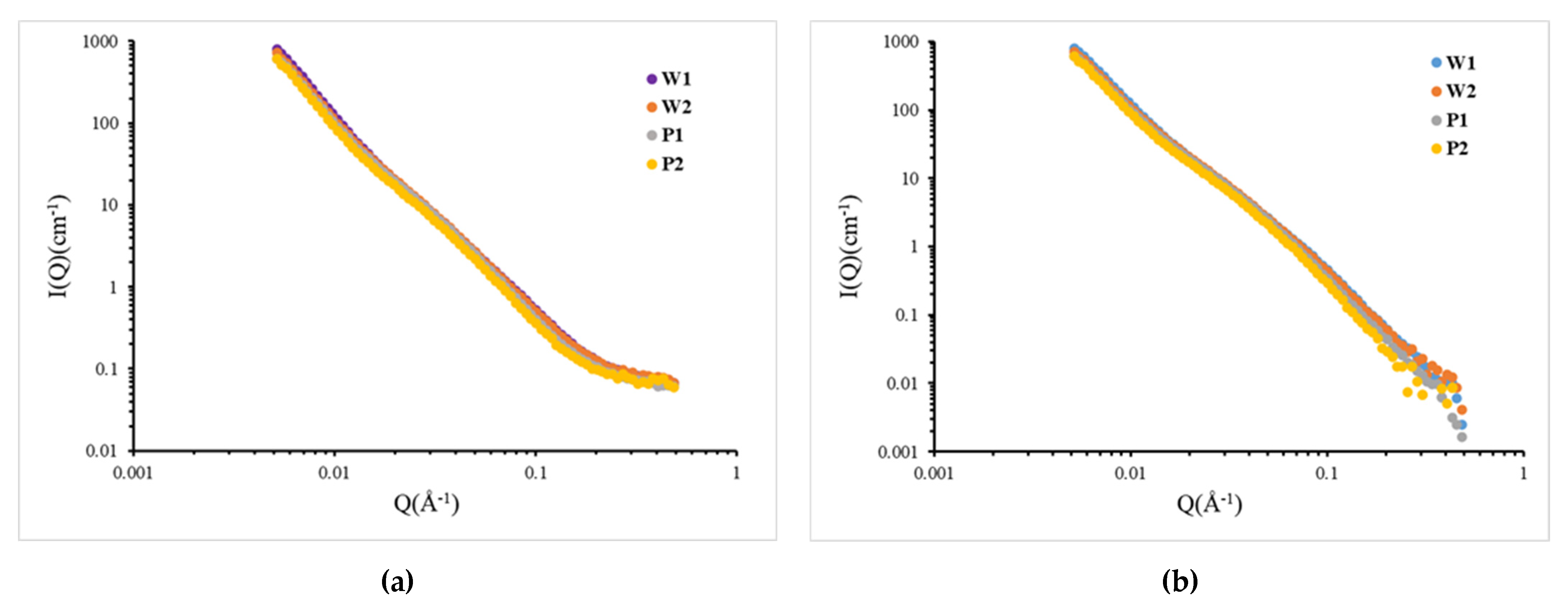
3.2.2. Analysis of SANS Results
3.3. Implications of Heterogeneity in Shale Pore Distribution Research
4. Conclusions
- The distribution of micron-sized pores in shale with rich bedding structure of high-quality reservoirs shows strong heterogeneity in the vertical direction, and its form is dominated by bedding fractures distributed along the bedding and consistent with the distribution of organic matter. They not only provide 1.24% of shale porosity but also provide shale with a dominant channel for gas flow.
- The distribution of nanopores in shale reservoirs shows strong heterogeneity at the micron scale. At the micron scale, organic matter, inorganic minerals, and clay are irregularly arranged. Among them, the porosity in organic matter is as high as 16.1%, while the porosity in the mineral component development area is only 0.37%.
- Shale pore space is mainly concentrated in nanoscale pores, and 1–100 nm pore size pores can provide 4.3% of the shale porosity, which is much higher than the 1.24% porosity provided by that of pore micron space. In this paper, a SANS experiment was used to quantitatively characterize for the first time the strong heterogeneity of nanopore distribution in the transverse direction and the strong heterogeneity in the longitudinal direction in a millimeter sample.
- For the commonly used millimeter-level experimental samples, the nano–micro pore distribution of shale reflects the horizontal homogeneity and the vertical heterogeneity. Among the shale samples adjacent to the same bedding position, the pore difference is only 0.1%, and the pore size distribution is basically the same. Therefore, it is suggested that when parallel samples are used in the study of the pore structure of shale reservoirs in the laboratory, the parallel samples should be adjacent samples within the same layer.
Author Contributions
Funding
Acknowledgments
Conflicts of Interest
References
- Chen, L.; Lu, Y.; Jiang, S.; Li, J.; Guo, T.; Luo, C. Heterogeneity of the Lower Silurian Longmaxi Marine Shale in the Southeast Sichuan Basin of China. Mar. Pet. Geol. 2015, 65, 232–246. [Google Scholar] [CrossRef]
- Tang, X.; Jiang, S.; Jiang, Z.; Li, Z.; He, Z.; Long, S.; Zhu, D. Heterogeneity of Paleozoic Wufeng-Longmaxi Formation Shale and Its Effects on the Shale Gas Accumulation in the Upper Yangtze Region, China. Fuel 2019, 239, 387–402. [Google Scholar] [CrossRef]
- Wang, Z.; Jin, X.; Wang, X.; Sun, L.; Wang, M. Pore-Scale Geometry Effects on Gas Permeability in Shale. J. Nat. Gas Sci. Eng. 2016, 34, 948–957. [Google Scholar] [CrossRef]
- Zhang, L.; Li, B.; Jiang, S.; Xiao, D.; Lu, S.; Zhang, Y.; Gong, C.; Chen, L. Heterogeneity Characterization of the Lower Silurian Longmaxi Marine Shale in the Pengshui Area, South China. Int. J. Coal Geol. 2018, 195, 250–266. [Google Scholar] [CrossRef]
- Li, L.; Huang, B.; Tan, Y.; Deng, X.; Li, Y.; Zheng, H. Geometric Heterogeneity of Continental Shale in the Yanchang Formation, Southern Ordos Basin, China. Sci. Rep. 2017, 7, 6006. [Google Scholar] [CrossRef] [Green Version]
- Sun, J.; Dong, X.; Wang, J.; Schmitt, D.R.; Xu, C.; Mohammed, T.; Chen, D. Measurement of Total Porosity for Gas Shales by Gas Injection Porosimetry (GIP) Method. Fuel 2016, 186, 694–707. [Google Scholar] [CrossRef]
- Liu, D.; Cheng, L.; Sun, J.; Zhang, B.; Li, J.; Yang, W.; Zheng, A. Pan Connected Characteristics and Occurrence Modes of Gas in Shale Reservoirs. Acta Pet. Sin. 2021, 42, 1192–1201. [Google Scholar] [CrossRef]
- Liu, H.; Zhang, S.; Song, G.; Zhang, S.; Hao, X.; Xie, Z.; Xu, N.; Liu, P. A Discussion on the Origin of Shale Reservoir Inter-Laminar Fractures in the Shahejie Formation of Paleogene, Dongying Depression. J. Earth Sci. 2017, 28, 1064–1077. [Google Scholar] [CrossRef]
- Li, J.; Zhang, P.; Lu, S.; Chen, C.; Xue, H.; Wang, S.; Li, W. Scale-Dependent Nature of Porosity and Pore Size Distribution in Lacustrine Shales: An Investigation by BIB-SEM and X-Ray CT Methods. J. Earth Sci. 2019, 30, 823–833. [Google Scholar] [CrossRef]
- Wu, Y.; Misra, S.; Sondergeld, C.; Curtis, M.; Jernigen, J. Machine Learning for Locating Organic Matter and Pores in Scanning Electron Microscopy Images of Organic-Rich Shales. Fuel 2019, 253, 662–676. [Google Scholar] [CrossRef]
- Cui, Z.; Han, W. In Situ Scanning Electron Microscope (SEM) Observations of Damage and Crack Growth of Shale. Microsc. Microanal. 2018, 24, 107–115. [Google Scholar] [CrossRef] [PubMed]
- Garum, M.; Glover, P.W.J.; Lorinczi, P.; Drummond-Brydson, R.; Hassanpour, A. Micro- And Nano-Scale Pore Structure in Gas Shale Using Xμ-CT and FIB-SEM Techniques. Energy Fuels 2020, 34, 12340–12353. [Google Scholar] [CrossRef]
- Kim, T.W.; Yun, W.; Kovscek, A.R. Application of Digital Volume Correlation to X-Ray Computed Tomography Images of Shale. Energy Fuels 2020, 34, 13636–13649. [Google Scholar] [CrossRef]
- Guo, X.; Shen, Y.; He, S. Quantitative Pore Characterization and the Relationship between Pore Distributions and Organic Matter in Shale Based on Nano-CT Image Analysis: A Case Study for a Lacustrine Shale Reservoir in the Triassic Chang 7 Member, Ordos Basin, China. J. Nat. Gas Sci. Eng. 2015, 27, 1630–1640. [Google Scholar] [CrossRef]
- Ma, T.; Chen, P. Study of Meso-Damage Characteristics of Shale Hydration Based on CT Scanning Technology. Pet. Explor. Dev. 2014, 41, 249–256. [Google Scholar] [CrossRef]
- Sun, Y.; Zhao, Y.; Yuan, L. Quantifying Nano-Pore Heterogeneity and Anisotropy in Gas Shale by Synchrotron Radiation Nano-CT. Microporous Mesoporous Mater. 2018, 258, 8–16. [Google Scholar] [CrossRef]
- Liu, S.; Sun, L.; Gao, J.; Li, K. A Fast Curtain-Removal Method for 3D FIB-SEM Images of Heterogeneous Minerals. J. Microsc. 2018, 272, 3–11. [Google Scholar] [CrossRef]
- Zhou, S.; Yan, G.; Xue, H.; Guo, W.; Li, X. 2D and 3D Nanopore Characterization of Gas Shale in Longmaxi Formation Based on FIB-SEM. Mar. Pet. Geol. 2016, 73, 174–180. [Google Scholar] [CrossRef]
- Tong, S.; Dong, Y.; Zhang, Q.; Elsworth, D.; Liu, S. Quantitative Analysis of Nanopore Structural Characteristics of Lower Paleozoic Shale, Chongqing (Southwestern China): Combining FIB-SEM and NMR Cryoporometry. Energy Fuels 2017, 31, 13317–13328. [Google Scholar] [CrossRef]
- Mastalerz, M.; He, L.; Melnichenko, Y.B.; Rupp, J.A. Porosity of Coal and Shale: Insights from Gas Adsorption and SANS/USANS Techniques. Energy Fuels 2012, 26, 5109–5120. [Google Scholar] [CrossRef]
- Gu, X.; Cole, D.R.; Rother, G.; Mildner, D.F.R.; Brantley, S.L. Pores in Marcellus Shale: A Neutron Scattering and FIB-SEM Study. Energy Fuels 2015, 29, 1295–1308. [Google Scholar] [CrossRef]
- Yang, R.; He, S.; Hu, Q.; Sun, M.; Hu, D.; Yi, J. Applying SANS Technique to Characterize Nano-Scale Pore Structure of Longmaxi Shale, Sichuan Basin (China). Fuel 2017, 197, 91–99. [Google Scholar] [CrossRef]
- Zhang, J.; Cheng, G. Technical Aspects of the Pore Structure in Shale Measured by Small-Angle and Ultrasmall-Angle Neutron Scattering: A Mini Review. Energy Fuels 2021, 35, 1957–1965. [Google Scholar] [CrossRef]
- Liu, K.; Ostadhassan, M.; Sun, L.; Zou, J.; Yuan, Y.; Gentzis, T.; Zhang, Y.; Carvajal-Ortiz, H.; Rezaee, R. A Comprehensive Pore Structure Study of the Bakken Shale with SANS, N2 Adsorption and Mercury Intrusion. Fuel 2019, 245, 274–285. [Google Scholar] [CrossRef]
- King, H.E.; Eberle, A.P.R.; Walters, C.C.; Kliewer, C.E.; Ertas, D.; Huynh, C. Pore Architecture and Connectivity in Gas Shale. Energy Fuels 2015, 29, 1375–1390. [Google Scholar] [CrossRef]
- Bahadur, J.; Radlinski, A.P.; Melnichenko, Y.B.; Mastalerz, M.; Schimmelmann, A. Small-Angle and Ultrasmall-Angle Neutron Scattering (SANS/USANS) Study of New Albany Shale: A Treatise on Microporosity. Energy Fuels 2015, 29, 567–576. [Google Scholar] [CrossRef] [Green Version]
- Neil, C.W.; Hjelm, R.P.; Hawley, M.E.; Watkins, E.B.; Cockreham, C.; Wu, D.; Mao, Y.; Fischer, T.B.; Stokes, M.R.; Xu, H. Small-Angle Neutron Scattering (SANS) Characterization of Clay- and Carbonate-Rich Shale at Elevated Pressures. Energy Fuels 2020, 34, 8178–8185. [Google Scholar] [CrossRef]
- Bahadur, J.; Melnichenko, Y.B.; Mastalerz, M.; Furmann, A.; Clarkson, C.R. Hierarchical Pore Morphology of Cretaceous Shale: A Small-Angle Neutron Scattering and Ultrasmall-Angle Neutron Scattering Study. Energy Fuels 2014, 28, 6336–6344. [Google Scholar] [CrossRef]
- Clarkson, C.R.; Solano, N.; Bustin, R.M.; Bustin, A.M.M.; Chalmers, G.R.L.; He, L.; Melnichenko, Y.B.; Radliński, A.P.; Blach, T.P. Pore Structure Characterization of North American Shale Gas Reservoirs Using USANS/SANS, Gas Adsorption, and Mercury Intrusion. Fuel 2013, 103, 606–616. [Google Scholar] [CrossRef]
- Ruppert, L.F.; Sakurovs, R.; Blach, T.P.; He, L.; Melnichenko, Y.B.; Mildner, D.F.R.; Alcantar-Lopez, L. A USANS/SANS Study of the Accessibility of Pores in the Barnett Shale to Methane and Water. Energy Fuels 2013, 27, 772–779. [Google Scholar] [CrossRef]
- Sun, M.; Yu, B.; Hu, Q.; Yang, R.; Zhang, Y.; Li, B.; Melnichenko, Y.B.; Cheng, G. Pore Structure Characterization of Organic-Rich Niutitang Shale from China: Small Angle Neutron Scattering (SANS) Study. Int. J. Coal Geol. 2018, 186, 115–125. [Google Scholar] [CrossRef]
- Radlinski, A.P.; Ioannidis, M.A.; Hinde, A.L.; Hainbuchner, M.; Baron, M.; Rauch, H.; Kline, S.R. Angstrom-to-Millimeter Characterization of Sedimentary Rock Microstructure. J. Colloid Interface Sci. 2004, 274, 607–612. [Google Scholar] [CrossRef] [PubMed]
- Ma, Y.; Pan, Z.; Zhong, N.; Connell, L.D.; Down, D.I.; Lin, W.; Zhang, Y. Experimental Study of Anisotropic Gas Permeability and Its Relationship with Fracture Structure of Longmaxi Shales, Sichuan Basin, China. Fuel 2016, 180, 106–115. [Google Scholar] [CrossRef]
- Chen, L.; Liu, K.; Jiang, S.; Huang, H.; Tan, J.; Zuo, L. Effect of Adsorbed Phase Density on the Correction of Methane Excess Adsorption to Absolute Adsorption in Shale. Chem. Eng. J. 2021, 420, 127678. [Google Scholar] [CrossRef]
- Zhou, S.; Xue, H.; Ning, Y.; Guo, W.; Zhang, Q. Experimental Study of Supercritical Methane Adsorption in Longmaxi Shale: Insights into the Density of Adsorbed Methane. Fuel 2018, 211, 140–148. [Google Scholar] [CrossRef]
- Sun, M.; Yu, B.; Hu, Q.; Zhang, Y.; Li, B.; Yang, R.; Melnichenko, Y.B.; Cheng, G. Pore Characteristics of Longmaxi Shale Gas Reservoir in the Northwest of Guizhou, China: Investigations Using Small-Angle Neutron Scattering (SANS), Helium Pycnometry, and Gas Sorption Isotherm. Int. J. Coal Geol. 2017, 171, 61–68. [Google Scholar] [CrossRef] [Green Version]
- Lee, S.; Fischer, T.B.; Stokes, M.R.; Klingler, R.J.; Ilavsky, J.; McCarty, D.K.; Wigand, M.O.; Derkowski, A.; Winans, R.E. Dehydration Effect on the Pore Size, Porosity, and Fractal Parameters of Shale Rocks: Ultrasmall-Angle X-Ray Scattering Study. Energy Fuels 2014, 28, 6772–6779. [Google Scholar] [CrossRef]
- Jin, L.; Mathur, R.; Rother, G.; Cole, D.; Bazilevskaya, E.; Williams, J.; Carone, A.; Brantley, S. Evolution of Porosity and Geochemistry in Marcellus Formation Black Shale during Weathering. Chem. Geol. 2013, 356, 50–63. [Google Scholar] [CrossRef]
- Yang, R.; He, S.; Yi, J.; Hu, Q. Nano-Scale Pore Structure and Fractal Dimension of Organic-Rich Wufeng-Longmaxi Shale from Jiaoshiba Area, Sichuan Basin: Investigations Using FE-SEM, Gas Adsorption and Helium Pycnometry. Mar. Pet. Geol. 2016, 70, 27–45. [Google Scholar] [CrossRef]








| Sample | TOC | Quartz | Calcite | Dolomite | Plagioclase | Pyrite | Illite | Smectite | Chlorite |
|---|---|---|---|---|---|---|---|---|---|
| W1 | 3.20 | 45.20 | 10.20 | 19.45 | 3.80 | 2.70 | 16.10 | 1.45 | 1.10 |
| W2 | 3.80 | 32.40 | 2.30 | 15.90 | 9.10 | 8.40 | 25.30 | 4.20 | 2.40 |
| P1 | 3.1 | 43.8 | 9.9 | 18.8 | 3.7 | 2.6 | 15.6 | 1.4 | 1.1 |
| P2 | 3.7 | 31.2 | 2.2 | 15.3 | 8.8 | 8.1 | 24.4 | 4.0 | 2.3 |
| Material | Density (g/cm3) | Chemical Formula | SLD (×1010 cm−2) |
|---|---|---|---|
| Quartz | 2.65 | SiO2 | 4.18 |
| Calcite | 2.71 | CaCO3 | 4.69 |
| Dolomite | 2.86 | CaMg(CO3)2 | 5.44 |
| Plagioclase | 2.61 | NaAlSiO3 | 3.97 |
| Pyrite | 5.01 | FeS2 | 3.81 |
| Illite | 2.70 | K(Al3Mg)(Si7Al)O20(OH)4 | 3.80 |
| Montmorillonite | 2.35 | Na0.7(Al3.3,Mg0.7)Si8O20(OH)4H2 | 3.26 |
| Chlorite | 3.00 | (Mg9Al3)(Al3Si5)O20(OH)16 | 3.75 |
| Sample | Sample Thickness (mm) | SLD (×1010 cm−2) | PI Porosity (%) | PDSM Porosity (%) | Fractal Dimension | Median Pore Diameter (nm) |
|---|---|---|---|---|---|---|
| W1 | 0.76 | 4.13 | 4.57 | 4.62 | 2.81 | 3.79 |
| W2 | 0.72 | 4.18 | 4.63 | 4.76 | 2.77 | 3.77 |
| P1 | 0.71 | 4.32 | 3.48 | 3.51 | 2.75 | 4.86 |
| P2 | 0.77 | 4.16 | 3.40 | 3.42 | 2.71 | 7.54 |
Publisher’s Note: MDPI stays neutral with regard to jurisdictional claims in published maps and institutional affiliations. |
© 2022 by the authors. Licensee MDPI, Basel, Switzerland. This article is an open access article distributed under the terms and conditions of the Creative Commons Attribution (CC BY) license (https://creativecommons.org/licenses/by/4.0/).
Share and Cite
Zhan, H.; Fang, F.; Li, X.; Hu, Z.; Zhang, J. Shale Reservoir Heterogeneity: A Case Study of Organic-Rich Longmaxi Shale in Southern Sichuan, China. Energies 2022, 15, 913. https://doi.org/10.3390/en15030913
Zhan H, Fang F, Li X, Hu Z, Zhang J. Shale Reservoir Heterogeneity: A Case Study of Organic-Rich Longmaxi Shale in Southern Sichuan, China. Energies. 2022; 15(3):913. https://doi.org/10.3390/en15030913
Chicago/Turabian StyleZhan, Hongming, Feifei Fang, Xizhe Li, Zhiming Hu, and Jie Zhang. 2022. "Shale Reservoir Heterogeneity: A Case Study of Organic-Rich Longmaxi Shale in Southern Sichuan, China" Energies 15, no. 3: 913. https://doi.org/10.3390/en15030913
APA StyleZhan, H., Fang, F., Li, X., Hu, Z., & Zhang, J. (2022). Shale Reservoir Heterogeneity: A Case Study of Organic-Rich Longmaxi Shale in Southern Sichuan, China. Energies, 15(3), 913. https://doi.org/10.3390/en15030913

