The Use of Cold Spraying and Micro-Arc Oxidation Techniques for the Repairing and Wear Resistance Improvement of Motor Electric Bearing Shields
Abstract
1. Introduction
- − It is nontoxic and environmentally friendly;
- − It allows application of coatings to products of any configuration;
- − It does not require special preliminary preparation, cleaning, or washing;
- − It retains the shape and dimensions of the part during the formation of the coating;
- − It is carried out at low temperatures, which does not lead to the deformation of products.
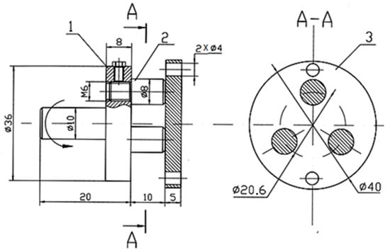
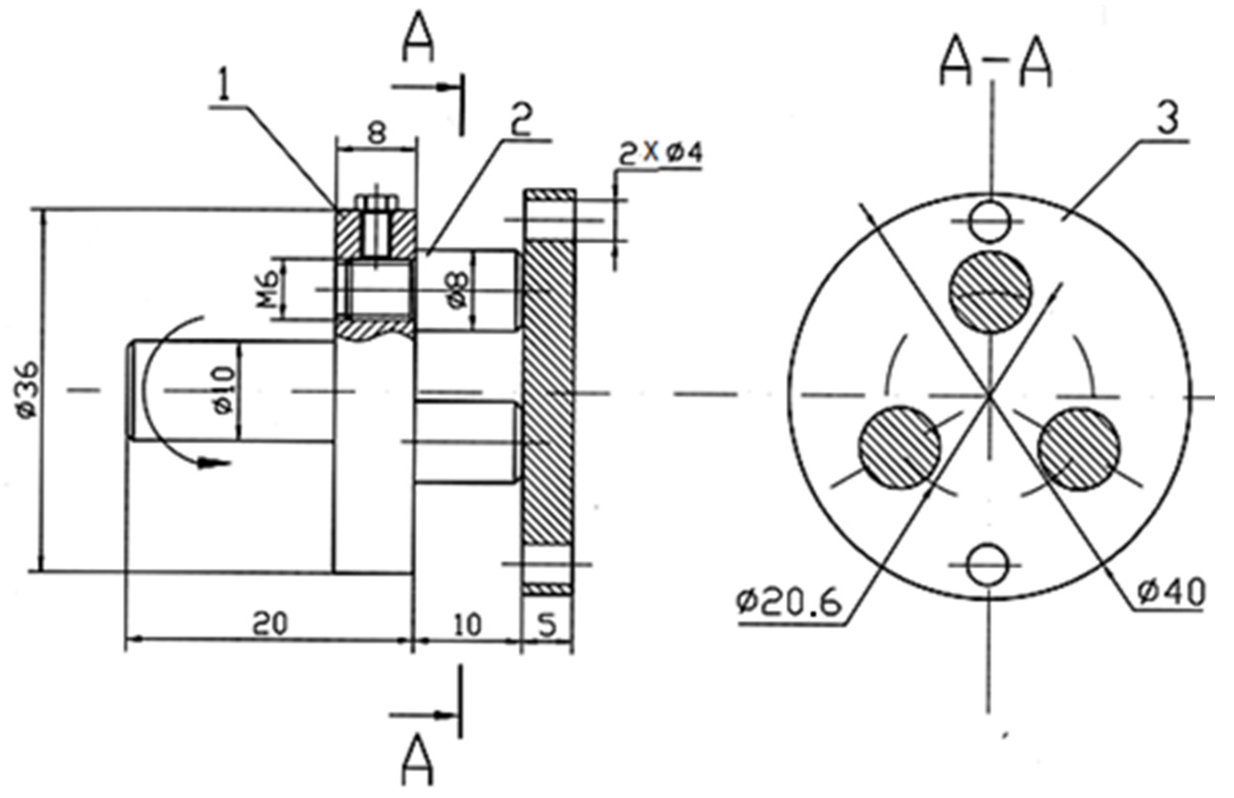
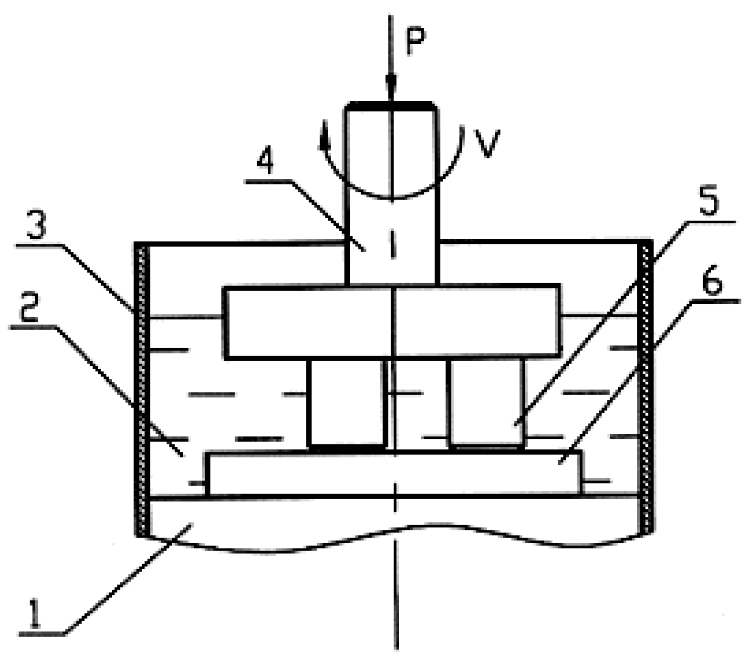
2. Object and Research Methodology
3. Research Results and Discussion
4. Conclusions
Author Contributions
Funding
Conflicts of Interest
References
- Iftikhar, M.H.; Park, B.-G.; Kim, J.-W. Design and Analysis of a Five-Phase Permanent-Magnet Synchronous Motor for Fault-Tolerant Drive. Energies 2021, 14, 514. [Google Scholar] [CrossRef]
- Gizatullin, B.; Gafurov, M.; Vakhin, A.; Mattea, C.; Stapf, S. Native Vanadyl Complexes in Crude Oil as Polarizing Agents for in Situ Proton Dynamic Nuclear Polarization. Energy Fuels 2019, 33, 10923. [Google Scholar] [CrossRef]
- Alekseev, P.N.; Blandinskii, V.Y.; Balanin, A.L.; Shepelev, S.F.; Shirokov, A.V. Efficiency Assessment of Nuclear Energy Development Scenarios for Russia Using Multi-Criteria Analysis. At. Energy 2020, 128, 43. [Google Scholar] [CrossRef]
- Barsi, D.; Costa, C.; Satta, F.; Zunino, P.; Sergeev, V. Feasibility of mini combined cycles for naval applications. MATEC Web Conf. 2018, 245, 07008. [Google Scholar] [CrossRef][Green Version]
- Klinov, D.A.; Gulevich, A.V.; Kagramanyan, V.S.; Dekusar, V.M.; Usanov, V.I. Development of Sodium-Cooled Fast Reactors Under Modern Conditions. Challenges and Stimuli. At. Energy 2019, 125, 143. [Google Scholar] [CrossRef]
- Davydov, V.V.; Myazin, N.S.; Kiryukhin, A.V. Nuclear-Magnetic Flowmeter-Relaxometers for Monitoring Coolant and Feedwater Flow and Status in Npp. At. Energy 2020, 127, 274. [Google Scholar] [CrossRef]
- Zamudio-Ramirez, I.; Osornio-Rios, R.A.; Trejo-Hernandez, M.; Romero-Troncoso, R.d.J.; Antonino-Daviu, J.A. Smart-Sensors to Estimate Insulation Health in Induction Motors via Analysis of Stray Flux. Energies 2019, 12, 1658. [Google Scholar] [CrossRef]
- Nakamura, H.; Mizuno, Y. Method for Diagnosing a Short-Circuit Fault in the Stator Winding of a Motor Based on Parameter Identification of Features and a Support Vector Machine. Energies 2020, 13, 2272. [Google Scholar] [CrossRef]
- Cavaliere, P. Cold-Spray Coatings, Recent Trends and Future Perspectives; Springer International Publishing AG: Cham, Switzerland, 2018. [Google Scholar]
- Kuznetsov, Y.A.; Kravchenko, I.N. A study of the mechanism of interaction between particlesand metal substrate at supersonic gas dynamic cold spraying. Polym. Science. Ser. D 2020, 13, 89. [Google Scholar] [CrossRef]
- Rech, S.; Trentin, A.; Vezzu, S.; Vedelago, E.; Legoux, J.-G.; Irissou, E. Different Cold Spray Deposition Strategies: Single- and Multi-layers to Repair Aluminium Alloy Components. J. Therm. Spray Technol. 2014, 23, 1237–1250. [Google Scholar] [CrossRef]
- Cavaliere, P.; Silvello, A. Crack Repair in Aerospace Aluminum Alloy Panels by Cold Spray. J. Therm. Spray Technol. 2017, 26, 661–670. [Google Scholar] [CrossRef]
- Yin, S.; Cavaliere, P.; Aldwell, B.; Jenkins, R.; Liao, H.; Li, W.; Lupoi, R. Cold spray additive manufacturing and repair: Fundamentals and applications. Addit. Manuf. 2018, 21, 628–650. [Google Scholar] [CrossRef]
- Tushinsky, L.I.; Alkhimov, A.P.; Kosarev, V.F.; Plokhov, A.V.; Mochalina, N.S. Investigation of general corrosion of metal coatings applied by cold gas-dynamic spraying. Met. Process. (Technol. Equip. Tools) 2006, 4, 23–25. [Google Scholar]
- Bobkova, T.I.; Vasiliev, A.F.; Prudnikov, I.S.; Farmakovsky, B.V. Functional-gradient coatings obtained using supersonic cold gas-dynamic spraying. Vopr. Materialoved. 2019, 1, 74–78. [Google Scholar] [CrossRef]
- Shtol, Y.L.; Dudko, V.S. Prospects for the use of cold gas-dynamic spraying in repair production. Repair. Recovery Mod. 2012, 9, 48–53. [Google Scholar]
- Lee, H.Y.; Yu, Y.H.; Lee, Y.C.; Hong, Y.P.; Ko, K.H. Thin Film Coatings of WO3 by Cold Gas Dynamic Spray: A Technical Note. J. Therm. Spray Technol. 2015, 14, 183. [Google Scholar] [CrossRef]
- Gerashchenkov, D.A.; Makarov, A.M.; Bystrov, R.Y.; Bobkova, T.O.; Belyakov, A.N.; Bykova, A.D.; Markov, M.A.; Farmakovsky, B.V. Technological aspects of obtaining functional gradient coatings to protect machinery from wear. Key Eng. Mater. 2019, 822, 768. [Google Scholar] [CrossRef]
- Wen, L.; Wang, Y.; Jin, Y.; Liu, B.; Zhou, Y.; Sun, D. Microarc oxidation of 2024 Al alloy using spraying polar and its influence on microstructure and corrosion behavior. Surf. Coat. Technol. 2013, 228, 92–99. [Google Scholar] [CrossRef]
- Tran, Q.-P.; Kuo, Y.-C.; Sun, J.-K.; He, J.-L.; Chin, T.-S. High quality oxide-layers on Al-alloy by micro-arc oxidation using hybrid voltages. Surf. Coat. Technol. 2016, 303, 61–67. [Google Scholar] [CrossRef]
- Kuznetsov, Y.A.; Kravchenko, I.N.; Goncharenko, V.V.; Glinskii, M.A. Machining of the ceramic oxide coating formed by plasma electrolytic oxidation. Russ. Metall. (Met.) 2018, 13, 82–86. [Google Scholar] [CrossRef]
- Kossenko, A.; Kuznetsov, Y.; Zinigrad, M. Combined technology of repairing and hardening of machine parts. In The Optimization of Composition, Structure and Properties of Metals, Oxides, Composites, Nano and Amorphous Materials Bi-National Russia-Israel Workshop; Academy service center of the Ural Branch of Russian Academy of Science Pern: Perm, Russia, 2008; pp. 78–90. [Google Scholar]
- Kuznetsov, Y.A. Combined technology of production of ceramic coatings. Weld. Int. 2005, 19, 894–896. [Google Scholar] [CrossRef]
- Kuznetsov, Y.A.; Markov, M.A.; Krasikov, A.V.; Bystrov, R.Y.; Belyakov, A.N.; Bykova, A.D.; Makarov, A.M.; Fadin, Y.A. Formation of wear- and corrosion-resistant ceramic coatings by combined technologies of spraying and micro-arc oxidation. Russ. J. Appl. Chem. 2019, 92, 875–882. [Google Scholar] [CrossRef]
- Kolomeichenko, A.V. Technologies for Increasing the Durability of Machine Parts by Restoration and Hardening of Working Surfaces by Combined Methods Using Micro-Arc Oxidation: Monograph; Publishing house Orel GAU: Orel, Russia, 2013; p. 230. [Google Scholar]
- Kolomeichenko, A.V.; Kuznetsov, Y.A.; Logachev, V.N.; Titov, N.V.; Sharifullin, S.N. Increase of the resource of machine parts working by combined methods using plasma electrolytic oxidation. J. Phys. 2018, 1058, 012074. [Google Scholar] [CrossRef]
- Chernyshov, N.S. Internal stresses in parts made of AK9ch aluminum alloy recovered by soldering using PA-12 solder. Agrotech. Energy Supply 2014, 1, 155–159. [Google Scholar]
- Kuznetsov, Y.A.; Mityureva, N.V. Grinding of parts made of aluminum alloys hardened by micro-arc oxidation. Strength. Technol. Coat. 2010, 2, 38–40. [Google Scholar]
- Neronov, Y.I.; Seregin, N.N. Development and Study of a Pulsed Magnetic Induction Meter Based on Nuclear Magnetic Resonance for High Magnetic Fields. Meas. Tech. 2017, 60, 818–822. [Google Scholar] [CrossRef]
- D’yachenko, S.V.; Zhernovoi, A.I. The Langevin formula for describing the magnetization curve of a magnetic liquid. Tech. Phys. 2016, 61, 1835–1837. [Google Scholar] [CrossRef]
- Myazin, N.S. Features of formation of structure of a nuclear magnetic resonance signal in weak magnetic field. J. Phys. Conf. Ser. 2018, 1135, 012061. [Google Scholar] [CrossRef]
- Livshits, S.A.; Yudina, N.A.; Novikova, O.V.; Katz, D.B.; Nagornov, V.N. Determination of the conditions of spontaneous combustion of a rheologically complex medium inside the continuous infinite cylinder in convective heat transfer case. E3S Web Conf. 2019, 124, 01034. [Google Scholar] [CrossRef]
- Larionova, T.V.; Yunusov, F.A.; Bobrynina, E.V.; Koltsova, T.S.; Tolochko, O.V. Fullerene Soot-Reinforced Al-Based Composites and Their Densification via Copper Addition. J. Mater. Eng. Perform. 2020, 29, 5195–5202. [Google Scholar] [CrossRef]
- Naumova, E.A.; Makushina, M.A.; Tsirkov, P.A. Investigation of the structure and properties of wear-resistant coatings obtained by micro-arc oxidation on alloys of the AL-CA-SC systems. Proc. GOSNITI 2015, 120, 122–124. [Google Scholar]
- Komarov, A.I.; Romanyuk, A.S.; Zolotaya, P.S.; Goransky, G.G.; Vaganov, V.V. Increasing the hydroabrasive resistance of products by combining the methods of cold gas-dynamic spraying and micro-arc oxidation. Top. Issues Mech. Eng. 2019, 8, 343–347. [Google Scholar]
- Boytsov, B.V.; Lesnevsky, L.N.; Lyakhovetsky, M.A.; Petukhov, Y.V.; Pruss, E.M.; Troshin, A.E.; Ushakov, A.M. Improving the reliability of aluminum molds by protecting them from wear and corrosion by micro-arc oxidation. Probl. Mech. Eng. Mach. Reliab. 2013, 6, 45–53. [Google Scholar]












| № | Parameter | Value |
|---|---|---|
| Modes of supersonic gas-dynamic spraying of coatings | ||
| 1 | Compressed air pressure, MPa | 0.5 |
| 2 | Compressed air consumption, m3/min | 0.3 |
| 3 | Compressed air heating temperature, °C | 200–450 |
| 4 | Powder size distribution, μm | 40–60 |
| 5 | Standoff distance, mm | 10 |
| Modes of sprayed coatings hardening by MAO | ||
| 1 | Current density, A/dm2 | 20 |
| 2 | Electrolyte temperature, °C | 30 |
| 3 | Duration of oxidation, min | 90–120 |
| Alloy Grade | Mass Fraction of Main Components (Base—Aluminum), % | |||||
|---|---|---|---|---|---|---|
| Mg | Si | Mn | Cu | Ti | Zn | |
| AK7ch | 0.20–0.40 | 6.0–8.0 | 0.50 | 0.20 | - | - |
| AK12 | 0.05 | 11.0–13.0 | 0.50 | 0.50 | 0.05 | 0.30 |
| G-AlSi12 | 11.0–13.0 | 0.50 | 0.15 | 0.30 | 0.15 | 0.20 |
| Layer Thickness, mm | Microhardness of the Sprayed Layer, HV | ||
|---|---|---|---|
| gas-dynamic spraying | hardened by MAO method | before MAO | after MAO |
| 0.50–0.51 | 0.130–0.140 | 250–280 | 2965–3185 |
Publisher’s Note: MDPI stays neutral with regard to jurisdictional claims in published maps and institutional affiliations. |
© 2022 by the authors. Licensee MDPI, Basel, Switzerland. This article is an open access article distributed under the terms and conditions of the Creative Commons Attribution (CC BY) license (https://creativecommons.org/licenses/by/4.0/).
Share and Cite
Kuznetsov, Y.; Kravchenko, I.; Gerashchenkov, D.; Markov, M.; Davydov, V.; Mozhayko, A.; Dudkin, V.; Bykova, A. The Use of Cold Spraying and Micro-Arc Oxidation Techniques for the Repairing and Wear Resistance Improvement of Motor Electric Bearing Shields. Energies 2022, 15, 912. https://doi.org/10.3390/en15030912
Kuznetsov Y, Kravchenko I, Gerashchenkov D, Markov M, Davydov V, Mozhayko A, Dudkin V, Bykova A. The Use of Cold Spraying and Micro-Arc Oxidation Techniques for the Repairing and Wear Resistance Improvement of Motor Electric Bearing Shields. Energies. 2022; 15(3):912. https://doi.org/10.3390/en15030912
Chicago/Turabian StyleKuznetsov, Yury, Igor Kravchenko, Dmitry Gerashchenkov, Mikhail Markov, Vadim Davydov, Anna Mozhayko, Valentin Dudkin, and Alina Bykova. 2022. "The Use of Cold Spraying and Micro-Arc Oxidation Techniques for the Repairing and Wear Resistance Improvement of Motor Electric Bearing Shields" Energies 15, no. 3: 912. https://doi.org/10.3390/en15030912
APA StyleKuznetsov, Y., Kravchenko, I., Gerashchenkov, D., Markov, M., Davydov, V., Mozhayko, A., Dudkin, V., & Bykova, A. (2022). The Use of Cold Spraying and Micro-Arc Oxidation Techniques for the Repairing and Wear Resistance Improvement of Motor Electric Bearing Shields. Energies, 15(3), 912. https://doi.org/10.3390/en15030912

