Partial Power Processing and Efficiency Analysis of dc-dc Differential Converters
Abstract
:1. Introduction
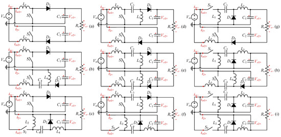
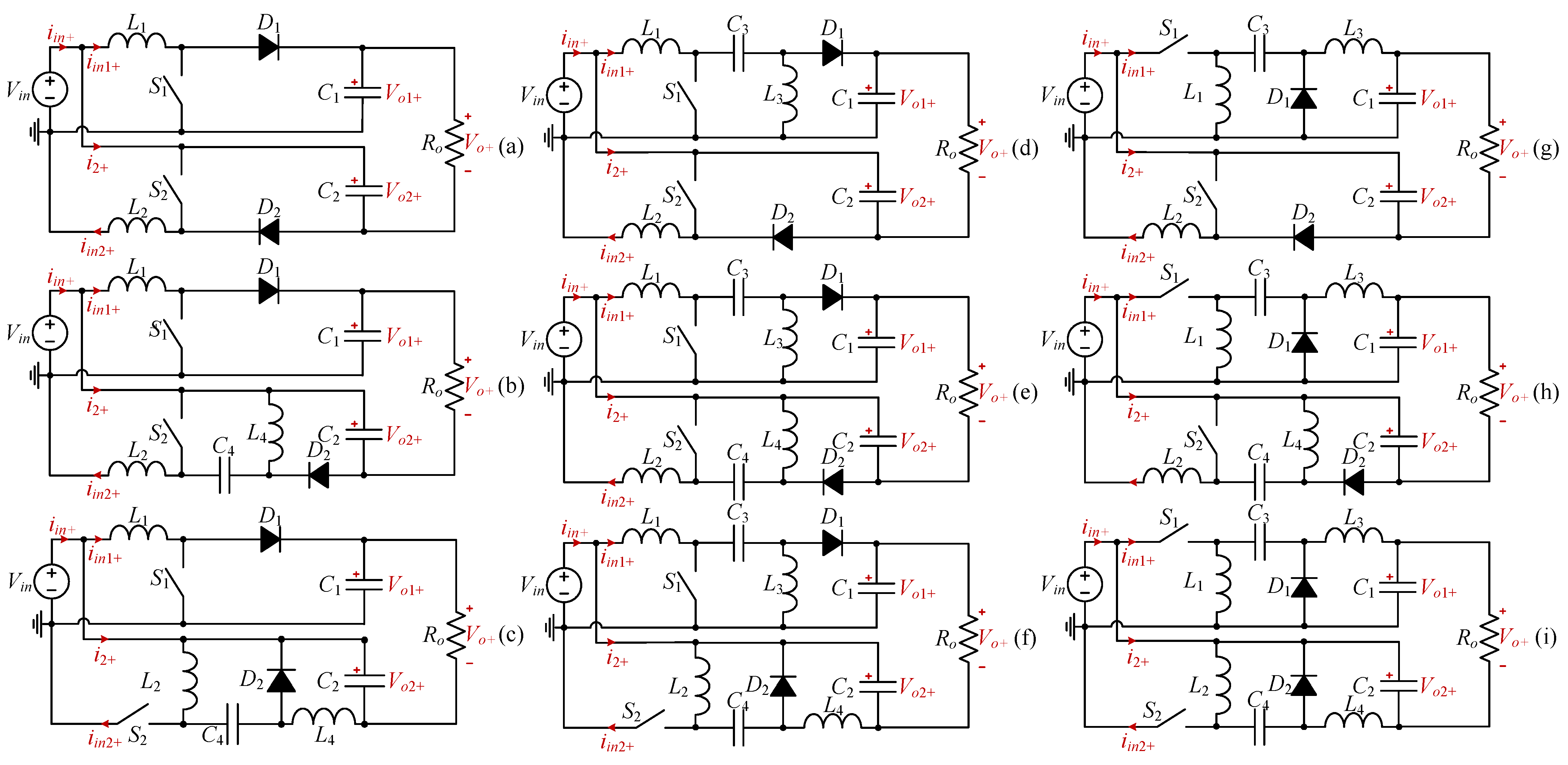
2. Brief Review of Differential Connections for Step-Up Converters
3. Partial Power Processing and Efficiency Analysis
4. Experimental Results
Power and Efficiency Analysis
5. Conclusions
Author Contributions
Funding
Informed Consent Statement
Conflicts of Interest
References
- Sanjari, M.J.; Gooi, H.B.; Nair, N.C. Power Generation Forecast of Hybrid PV–Wind System. IEEE Trans. Sustain. Energy 2019, 11, 703–712. [Google Scholar] [CrossRef]
- Ku, T.T.; Lin, C.H.; Hsu, C.T.; Chen, C.S.; Liao, Z.Y.; Wang, S.D.; Chen, F.F. Enhancement of power system operation by renewable ancillary service. IEEE Trans. Ind. Appl. 2020, 56, 6150–6157. [Google Scholar] [CrossRef]
- Jia, K.; Yang, Z.; Fang, Y.; Bi, T.; Sumner, M.; Zhe, Y. Influence of inverter-interfaced renewable energy generators on directional relay and an improved scheme. IEEE Trans. Power Electron. 2019, 34, 11843–11855. [Google Scholar] [CrossRef]
- Hasanpour, S.; Siwakoti, Y.P.; Mostaan, A.; Blaabjerg, F. New semiquadratic high step-up dc/dc converter for renewable energy applications. IEEE Trans. Power Electron. 2021, 36, 433–446. [Google Scholar] [CrossRef]
- Saadatizadeh, Z.; Heris, P.C.; Sabahi, M.; Babaei, E. A dc–dc transformerless high voltage gain converter with low voltage stresses on switches and diodes. IEEE Trans. Power Electron. 2019, 34, 10600–10609. [Google Scholar] [CrossRef]
- Marzang, V.; Hosseini, S.H.; Rostami, N.; Alavi, P.; Mohseni, P.; Hashemzadeh, S.M. A high step-up nonisolated dc–dc converter with flexible voltage gain. IEEE Trans. Power Electron. 2020, 35, 10489–10500. [Google Scholar] [CrossRef]
- Cao, Y.; Samavatian, V.; Kaskani, K.; Eshraghi, H. A novel nonisolated ultra-high-voltage-gain dc–dc converter with low voltage stress. IEEE Trans. Ind. Electron. 2017, 64, 2809–2819. [Google Scholar] [CrossRef]
- Faridpak, B.; Bayat, M.; Nasiri, M.; Samanbakhsh, R.; Farrokhifar, M. Improved hybrid switched inductor/switched capacitor dc–dc converters. IEEE Trans. Power Electron. 2021, 36, 3053–3062. [Google Scholar] [CrossRef]
- Forouzesh, M.; Siwakoti, Y.P.; Gorji, S.A.; Blaabjerg, F.; Lehman, B. Step-up dc–dc converters: A comprehensive review of voltage-boosting techniques, topologies, and applications. IEEE Trans. Power Electron. 2017, 32, 9143–9178. [Google Scholar] [CrossRef]
- de Andrade, J.M.; Coelho, R.F.; Lazzarin, T.B. High step-up dc–dc converter based on modified active switched-inductor and switched-capacitor cells. IET Power Electron. 2020, 13, 3127–3137. [Google Scholar] [CrossRef]
- Salvador, M.A.; De Andrade, J.M.; Lazzarin, T.B.; Coelho, R.F. Nonisolated high-step-up dc–dc converter derived from switched-inductors and switched-capacitors. IEEE Trans. Ind. Electron. 2020, 67, 8506–8516. [Google Scholar] [CrossRef]
- Salvador, M.A.; Lazzarin, T.B.; Coelho, R. High step-up dc–dc converter with active switched-inductor and passive switched-capacitor networks. IEEE Trans. Ind. Electron. 2018, 65, 5644–5654. [Google Scholar] [CrossRef]
- Kumar, G.G.; Sundaramoorthy, K.; Karthikeyan, V.; Babaei, E. Switched capacitor–inductor network based ultra-gain dc–dc converter using single switch. IEEE Trans. Ind. Electron. 2020, 67, 10274–10283. [Google Scholar] [CrossRef]
- Zhang, X.; Sun, L.; Guan, Y.; Han, S.; Cai, H.; Wang, Y.; Xu, D.G. Novel high step-up soft-switching dc–dc converter based on switched capacitor and coupled inductor. IEEE Trans. Power Electron. 2020, 35, 9471–9481. [Google Scholar] [CrossRef]
- Azizkandi, M.E.; Sedaghati, F.; Shayeghi, H.; Blaabjerg, F. A high voltage gain dc–dc converter based on three winding coupled inductor and voltage multiplier cell. IEEE Trans. Power Electron. 2020, 35, 4558–4567. [Google Scholar] [CrossRef]
- Mirzaee, A.; Moghani, J.S. Coupled inductor-based high voltage gain dc–dc converter for renewable energy applications. IEEE Trans. Power Electron. 2020, 35, 7045–7057. [Google Scholar] [CrossRef]
- Majeed, Y.E.; Ahmad, I.; Habibi, D. A multiple-input cascaded dc–dc converter for very small wind turbines. IEEE Trans. Ind. Electron. 2019, 66, 4414–4423. [Google Scholar] [CrossRef]
- Lee, S.-W.; Do, H.-L. High step-up coupled-inductor cascade boost dc–dc converter with lossless passive snubber. IEEE Trans. Ind. Electron. 2018, 65, 7753–7761. [Google Scholar] [CrossRef]
- de Andrade, J.M.; Salvador, M.A.; Coelho, R.F.; Lazzarin, T.B. General method for synthesizing high gain step-up dc–dc converters based on differential connections. IEEE Trans. Power Electron. 2020, 35, 13239–13254. [Google Scholar] [CrossRef]
- Salvador, M.A.; de Andrade, J.M.; Coelho, R.F.; Lazzarin, T.B. Methodology for synthesis of high-gain step-up dc–dc converters based on differential connections. Int. J. Circuit Theory Appl. 2020, 49, 306–326. [Google Scholar] [CrossRef]
- Caceres, R.O.; Barbi, I. A boost dc–ac converter: Analysis, design, and experimentation. IEEE Trans. Power Electron. 1999, 14, 134–141. [Google Scholar] [CrossRef]
- de Andrade, J.M.; Coelho, R.F.; Lazzarin, T.B. New high step-up dc-dc converter with quasi-z-source network and switched-capacitor cell. In Proceedings of the IEEE Applied Power Electronics Conference and Exposition (APEC), New Orleans, LA, USA, 14–17 June 2020; pp. 2062–2066. [Google Scholar]
- de Andrade, J.M.; Coelho, R.F.; Lazzarin, T.B. High step-up dc-dc converter based on the differential connection of basic converters and switched-capacitor cells. Int. J. Circuit Theory Appl. 2021, 49, 2555–2577. [Google Scholar] [CrossRef]
- Zientarski, J.R.R.; Martins, M.L.D.S.; Pinheiro, J.R.; Hey, H.L. Evaluation of power processing in series-connected partial-power converters. IEEE J. Emerg. Sel. Top. Power Electron. 2019, 7, 343–352. [Google Scholar] [CrossRef]
- Zientarski, J.R.R.; Martins, M.L.d.S.; Pinheiro, J.R.; Hey, H.L. Series-connected partial-power converters applied to pv systems: A design approach based on step-up/down voltage regulation range. IEEE Trans. Power Electron. 2018, 33, 7622–7633. [Google Scholar] [CrossRef]
- Choi, S.; Agelidis, V.; Yang, J.; Coutellier, D.; Marabeas, P. Analysis, design and experimental results of a floating-output interleaved-input boost-derived dc–dc high-gain transformer-less converter. IET Power Electron. 2011, 4, 168–180. [Google Scholar] [CrossRef]
- Coutellier, D.; Agelidis, V.G.; Choi, S. Experimental verification of floating-output interleaved-input dc-dc high-gain transformer-less converter topologies. In Proceedings of the IEEE Power Electronics Specialists Conference, Rhodes, Greece, 15–19 June 2008; pp. 562–568. [Google Scholar]
- Garcia, F.S.; Pomilio, J.A.; Spiazzi, G. Modeling and control design of the interleaved double dual boost converter. IEEE Trans. Ind. Electron. 2013, 60, 3283–3290. [Google Scholar] [CrossRef]
- Reddy, K.J.; Sudhakar, N. High voltage gain interleaved boost converter with neural network based MPPT controller for fuel cell based electric vehicle applications. IEEE Access 2018, 6, 3899–3908. [Google Scholar] [CrossRef]





















| Converter 1 | Converter 2 | GCCM1 | GCCM2 | GCCM | P1(%) | P2(%) | Psource(%) |
|---|---|---|---|---|---|---|---|
| Boost | Mirrored Boost | ||||||
| Boost | Mirrored SEPIC or Zeta | ||||||
| SEPIC or Zeta | Mirrored Boost | ||||||
| SEPIC or Zeta | Mirrored SEPIC or Zeta | ||||||
| Ćuk or Buck-Boost | Mirrored Ćuk or Buck-Boost |
| Input Voltage (Vin) | 20 V |
| Duty Cycle (D1) | 0.75 |
| Power output (P1 and P2) | 100 W |
| Switching Frequency (fs) | 50 kHz |
| First inductor of boost, SEPIC, Zeta and Ćuk converters and the mirrored versions | 300 µH; Core: E30/14; Turns: 46; Wire: 3 × AWG22 |
| Second inductor of SEPIC, Zeta and Ćuk converters and the mirrored versions | 900 µH; Core: E30/14; Turns: 55; Wire: 2 × AWG22 |
| Inductor of Buck-Boost converter and mirrored version | 340 µH; Core: E42/15; Turns: 46; Wire: 4 × AWG22 |
| Output Capacitors | 2 × 10 µF/100 V |
| Second capacitor of SEPIC, Zeta and Ćuk converters and the mirrored versions | 2 × 3.3 µF/100 V |
| Switches | FDD86250; 150 V/50 A |
| Diodes | TSP15H150; 150 V/15 A |
| Gate Driver | Half-Bridge + FOD3180 |
| Digital Signal Processor | TMS320F28069 |
| Converter 1 | Converter 2 | Experimental Values | Theo. n(%) Equations (20) and (21) | Error% | |||||
|---|---|---|---|---|---|---|---|---|---|
| P1(%) | P2(%) | Psource(%) | n1(%) | n2(%) | n(%) | ||||
| D = D1 = D2 | |||||||||
| Boost | Mirrored Boost | 58.06% | 57.55% | 15.61% | 96.46% | 95.29% | 95.31% | 95.23% | 0.07% |
| Boost | Mirrored SEPIC | 68.51% | 49.82% | 18.33% | 96.05% | 94.03% | 94.40% | 94.32% | 0.08% |
| Boost | Mirrored Zeta | 67.24% | 49.83% | 17.08% | 96.57% | 94.50% | 94.88% | 94.96% | 0.08% |
| SEPIC | Mirrored Boost | 49.93% | 67.24% | 17.17% | 93.92% | 95.51% | 94.05% | 93.94% | 0.11% |
| SEPIC | Mirrored SEPIC | 60.50% | 59.85% | 20.35% | 93.77% | 93.25% | 92.17% | 92.19% | 0.02% |
| SEPIC | Mirrored Zeta | 61.27% | 61.67% | 22.94% | 94.17% | 94.33% | 93.00% | 92.93% | 0.07% |
| Zeta | Mirrored Boost | 50.15% | 66.92% | 17.07% | 94.94% | 95.93% | 94.69% | 94.74% | 0.05% |
| Zeta | Mirrored SEPIC | 60.61% | 60.16% | 20.77% | 94.26% | 93.52% | 92.66% | 92.63% | 0.03% |
| Zeta | Mirrored Zeta | 60.66% | 59.68% | 20.35% | 94.63% | 93.71% | 92.98% | 92.98% | 0.00% |
| Ćuk | Mirrored Ćuk | 42.21% | 42.34% | 15.45% | 95.51% | 95.83% | 96.37% | 96.34% | 0.02% |
| Ćuk | Mirrored Buck-Boost | 43.05% | 42.46% | 14.49% | 95.39% | 94.31% | 95.52% | 95.60% | 0.08% |
| Buck-Boost | Mirrored Buck-Boost | 42.69% | 42.46% | 14.86% | 95.04% | 94.48% | 95.46% | 95.52% | 0.07% |
| Buck-Boost | Mirrored Ćuk | 42.61% | 42.88% | 14.51% | 95.11% | 95.37/5 | 95.90% | 95.93% | 0.03% |
| D1 ≠ D2 | |||||||||
| Boost | SEPIC | 60.17% | 57.53% | 17.70% | 96.66% | 93.60% | 94.33% | 94.31 | 0.01% |
Publisher’s Note: MDPI stays neutral with regard to jurisdictional claims in published maps and institutional affiliations. |
© 2022 by the authors. Licensee MDPI, Basel, Switzerland. This article is an open access article distributed under the terms and conditions of the Creative Commons Attribution (CC BY) license (https://creativecommons.org/licenses/by/4.0/).
Share and Cite
de Andrade, J.M.; Coelho, R.F.; Lazzarin, T.B. Partial Power Processing and Efficiency Analysis of dc-dc Differential Converters. Energies 2022, 15, 1159. https://doi.org/10.3390/en15031159
de Andrade JM, Coelho RF, Lazzarin TB. Partial Power Processing and Efficiency Analysis of dc-dc Differential Converters. Energies. 2022; 15(3):1159. https://doi.org/10.3390/en15031159
Chicago/Turabian Stylede Andrade, Jéssika Melo, Roberto Francisco Coelho, and Telles Brunelli Lazzarin. 2022. "Partial Power Processing and Efficiency Analysis of dc-dc Differential Converters" Energies 15, no. 3: 1159. https://doi.org/10.3390/en15031159
APA Stylede Andrade, J. M., Coelho, R. F., & Lazzarin, T. B. (2022). Partial Power Processing and Efficiency Analysis of dc-dc Differential Converters. Energies, 15(3), 1159. https://doi.org/10.3390/en15031159

