Evaluation of the Factors Influencing Residual Oil Evolution after Alkali/Surfactant/Polymer Flooding in Daqing Oilfield
Abstract
:1. Introduction
2. Methods and Materials
2.1. Materials
2.2. Experimental Procedure
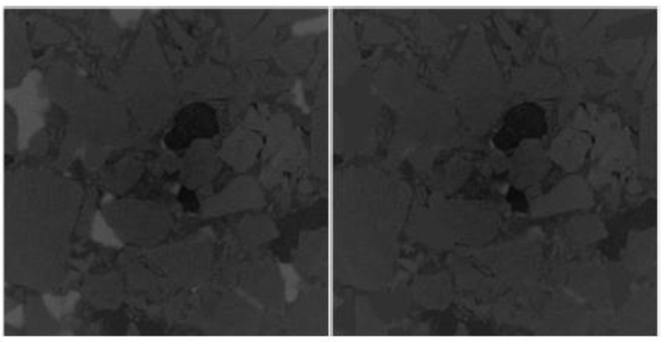
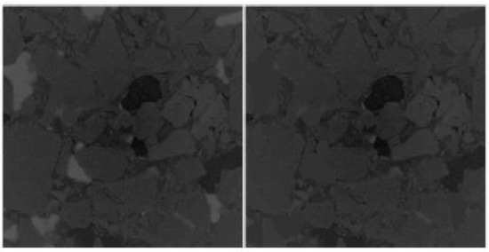
2.2.1. ASP Core Flood Experiment
- Dry core scanning: pore structures were obtained by CT scanning of original dry core;
- Saturated water: the core with was saturated with formation water;
- Saturated oil: the core was saturated with crude oil added with 5 wt% diiodomethane oil at the rate of 0.01 mL/min. After the pressure stabilized, initial saturation was calculated from the CT images;
- Water flood: 3 PV formation water was injected at 0.01 mL/min, and the CT scan was continued;
- ASP flood: 0.5 PV of petroleum sulfonate/new active agent 0.3% + alkali 1.2% + intermediate polymer (viscosity is 30 mPa·s at 45 °C) was injected at 0.01 mL/min, and the CT scan was continued.
2.2.2. ASP Micromodel Flood Experiment
- Water flood: at the speed of 0.05 ul/min, the micromodel was flooded with water until stabilized, and the final water cut was observed to be 98%;
- ASP flooding: 0.3/0.5/0.7 PV of petroleum sulfonate/new active agent 0.3% + alkali 1.2% + intermediate polymer, (viscosity is 30/40/50 mPa·s at 45 °C, respectively) was injected at 0.01/0.05/0.1 mL/min, respectively;
- Water flood: water was injected until a stabilized recovery and a stabilized pressure drop profile were obtained. Here we observed a water cut of 98%.
- A total of 18 micromodel displacement experiments were completed and recorded.
2.3. Discussion
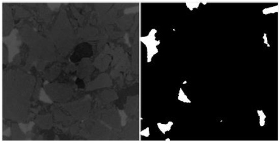
2.3.1. Residual Oil Classification
2.3.2. Maximum Sphere Algorithm
- At each pixel on the path, place a sphere with a small radius around it, and expand the radius of the sphere until the circumference contacts the rock skeleton. In this way, the largest sphere that can be placed in the pore space such that the center of the sphere is on the path is obtained.
- Delete all contained spheres and divide the remaining overlapping spheres into two categories: primary and secondary. For intersecting spheres, that with larger radius is the primary sphere, and that with the smaller radius is the secondary sphere. In the figure, pink is the main sphere and blue is the auxiliary sphere.
2.3.3. Residual Oil Identification
3. Study on the Evolution Law of Microresidual Oil in Compound Flooding
3.1. The Evolution Characteristics of Residual Oil after ASP Flooding
3.2. Effect of Pore Throat Characteristics on the Evolution of Residual Oil after ASP Flood
3.3. Study on Microresidual Oil Composition Characteristics and the Evolution Law of Different ASP Flooding Systems
4. Influencing Factors of Residual Oil
4.1. Effect of Injection Rate on Residual Oil
4.2. Effect of the Viscosity of Injection Fluid on the Evolution of Residual Oil
4.3. Effect of Injection Volume on Residual Oil Evolution
5. Conclusions
- As water saturation increased in water flood, the amount of residual oil in cluster decreased, and the amount of residual oil in droplet form first increased and then decreased; for the cores with smaller pore throats and more complex pore structures, the residual oil became more scattered, and the volume of the residual clusters became smaller. Compared with flooding using the old formula, ASP flooding with the new surfactant formula resulted in smaller volumes and more scattered distributions of residual oil.
- Increasing the injection rate enhanced the emulsification effect and thus improved the mobilization of the residual oil in smaller pores. Increasing viscosity helped displace the residual oil in large pores. The lower the permeability, the more increasing the injection volume led to a significant impact on recovery improvement.
- The experimental work was focused on the class II reservoir of the Sartu formation in Daqing Oilfield. The evolution of residual oil after ASP flooding in a greater variety of formations and pore structures will be studied in our future work.
Author Contributions
Funding
Institutional Review Board Statement
Informed Consent Statement
Data Availability Statement
Conflicts of Interest
References
- Sun, L.; Wu, X.; Zhou, W.; Li, X.; Han, P. Technologies of enhancing oil recovery by chemical flooding in Daqing Oilfield, NE China. Pet. Explor. Dev. 2018, 45, 673–684. [Google Scholar] [CrossRef]
- Li, Y.; Wang, F.; Wu, J.; Yang, Z.; Chen, G.; Zong, L.; Peng, S. Current Status and Prospects of ASP Flooding in Daqing Oil Fields. Available online: https://onepetro.org/SPEIOR/proceedings-abstract/08IOR/All-08IOR/SPE-114343-MS/144443 (accessed on 10 December 2021).
- Cheng, J.; Xu, D.; Bai, W. Commercial test of ASP Flooding in Daqing Oil Field. Available online: https://onepetro.org/SPEADIP/proceedings-abstract/08ADIP/All-08ADIP/SPE-117824-MS/145439 (accessed on 10 December 2021).
- Zhang, Y.; Huang, S.; Dong, M. Determining the Most Profitable ASP Flood Strategy for Enhanced Oil Recovery. J. Can. Pet. Technol. 2005, 44. [Google Scholar] [CrossRef]
- Panthi, K.; Sharma, H.; Mohan, K.K. ASP flood of a viscous oil in a carbonate rock. Fuel 2016, 164, 18–27. [Google Scholar] [CrossRef]
- Rahul, S.; Ramgopal, U.; Pankaj, T. Impact of natural surfactant, polymer and silica nanoparticles to enhance heavy crude oil recovery. Energy Fuels 2019, 33, 4225–4236. [Google Scholar]
- Rahul, S.; Ramgopal, U.; Pankaj, T. Influence of emulsification, interfacial tension, wettability alteration and saponification on residual oil recovery by alkali flooding. JIEC 2018, 59, 286–296. [Google Scholar]
- Zhang, Y. Study on micro pore structure characteristics of sandstone reservoir in Xingnan oilfield, Daqing. Ph.D. Thesis, Northeast Petroleum University, Daqing, China, 2011. [Google Scholar]
- Hou, J.; Qiu, M.; Lu, N.; Qu, Y.; Li, F.; Meng, X.; Shi, X. Characterization of residual oil microdistribution at pore scale using computerized tomography. Acta Pet. Sin. 2014, 35, 319–325. [Google Scholar]
- Wu, C.; Hou, J.; Zhao, F.; Zhang, F.; Hao, H.; Liu, G. Micro mechanism of remaining oil after water flooding in ternary composite system. Oil Gas Geol. Recovery. Factor 2015, 22, 84–88. [Google Scholar]
- Zhang, Q. Study on micro residual oil in sandstone reservoir based on digital core. Master’s Thesis, China University of Petroleum (East China), Qingdao, China, 2016. [Google Scholar]
- Fang, Y. Study on micro residual oil distribution characteristics of class I block in Chaoyanggou Oilfield. Master’s Thesis, Northeast Petroleum University, Daqing, China, 2018. [Google Scholar]
- Li, J.; Jiang, H.; Wang, C.; Zhao, Y.; Gao, Y.; Pei, Y.; Wang, C.; Dong, H. Pore-scale investigation of microscopic remaining oil variation characteristics in water-wet sandstone using CT scanning. J. Nat. Gas Sci. Eng. 2017, 48, 35–36. [Google Scholar] [CrossRef]
- Wang, X.; Shen, Z.; Zhang, D.; Hu, S.; Zhang, B.; Zhang, X. Micro pore structure characteristics after ASP flooding based on full diameter core CT scanning technology. Daqing Pet. Geol. Dev. 2019, 38, 81–86. [Google Scholar]
- Li, J.; Liu, Y.; Gao, Y.; Cheng, B.; Meng, F.; Xu, H. Effect of micro pore throat structure heterogeneity on remaining oil distribution. Pet. Explor. Dev. 2018, 45, 1043–1052. [Google Scholar] [CrossRef]

















| Number | Permeability Classification | Experiment Number | Porosity (%) | Permeability (mD) | Diameter (mm) | Length (mm) |
|---|---|---|---|---|---|---|
| #1 | High | 1 | 30.1 | 1793 | 8 | 50 |
| #5 | Medium | 2-1 | 28.1 | 925 | 8 | 50 |
| #7 | Medium | 2-2 | 28.3 | 1088 | 8 | 50 |
| #9 | Low | 3 | 27.8 | 545 | 8 | 50 |
| #64 | Low | 4 | 25.6 | 320.0 | 8 | 50 |
| Model | Experiment Number | Displacement Rate (μL/min) | System Viscosity (mPa∙s) | System Consumption (PV) | Experimental Purpose |
|---|---|---|---|---|---|
| #1 Large pore, large throat, medium heterogeneity | 1 | 0.01 | 30 | 0.5 | different injection velocity |
| 2 | 0.05 | 30 | 0.5 | ||
| 3 | 0.1 | 30 | 0.5 | ||
| 4 | 0.05 | 40 | 0.5 | different system viscosity | |
| 5 | 0.05 | 50 | 0.5 | ||
| 6 | 0.05 | 30 | 0.3 | different system dosage | |
| 7 | 0.05 | 30 | 0.7 | ||
| #2 Medium pore, medium throat, strong heterogeneity | 1 | 0.01 | 30 | 0.5 | different injection velocity |
| 2 | 0.05 | 30 | 0.5 | ||
| 3 | 0.1 | 30 | 0.5 | ||
| 4 | 0.05 | 40 | 0.5 | different system viscosity | |
| 5 | 0.05 | 50 | 0.5 | ||
| 6 | 0.05 | 30 | 0.3 | different system dosage | |
| 7 | 0.05 | 30 | 0.7 | ||
| #3 Small hole, small throat, weak heterogeneity | 1 | 0.01 | 30 | 0.5 | different injection velocity |
| 2 | 0.05 | 30 | 0.5 | ||
| 3 | 0.1 | 30 | 0.5 | ||
| 4 | 0.05 | 40 | 0.5 | different system viscosity | |
| 5 | 0.05 | 50 | 0.5 | ||
| 6 | 0.05 | 30 | 0.3 | different system dosage | |
| 7 | 0.05 | 30 | 0.7 |
Publisher’s Note: MDPI stays neutral with regard to jurisdictional claims in published maps and institutional affiliations. |
© 2022 by the authors. Licensee MDPI, Basel, Switzerland. This article is an open access article distributed under the terms and conditions of the Creative Commons Attribution (CC BY) license (https://creativecommons.org/licenses/by/4.0/).
Share and Cite
Nie, C.; Wu, X.; Hou, Z.; Li, J.; Jiang, H. Evaluation of the Factors Influencing Residual Oil Evolution after Alkali/Surfactant/Polymer Flooding in Daqing Oilfield. Energies 2022, 15, 1048. https://doi.org/10.3390/en15031048
Nie C, Wu X, Hou Z, Li J, Jiang H. Evaluation of the Factors Influencing Residual Oil Evolution after Alkali/Surfactant/Polymer Flooding in Daqing Oilfield. Energies. 2022; 15(3):1048. https://doi.org/10.3390/en15031048
Chicago/Turabian StyleNie, Chunlin, Xiaolin Wu, Zhaowei Hou, Junjian Li, and Hanqiao Jiang. 2022. "Evaluation of the Factors Influencing Residual Oil Evolution after Alkali/Surfactant/Polymer Flooding in Daqing Oilfield" Energies 15, no. 3: 1048. https://doi.org/10.3390/en15031048
APA StyleNie, C., Wu, X., Hou, Z., Li, J., & Jiang, H. (2022). Evaluation of the Factors Influencing Residual Oil Evolution after Alkali/Surfactant/Polymer Flooding in Daqing Oilfield. Energies, 15(3), 1048. https://doi.org/10.3390/en15031048
