Review of Energy Deposition for High-Speed Flow Control
Abstract
1. Introduction
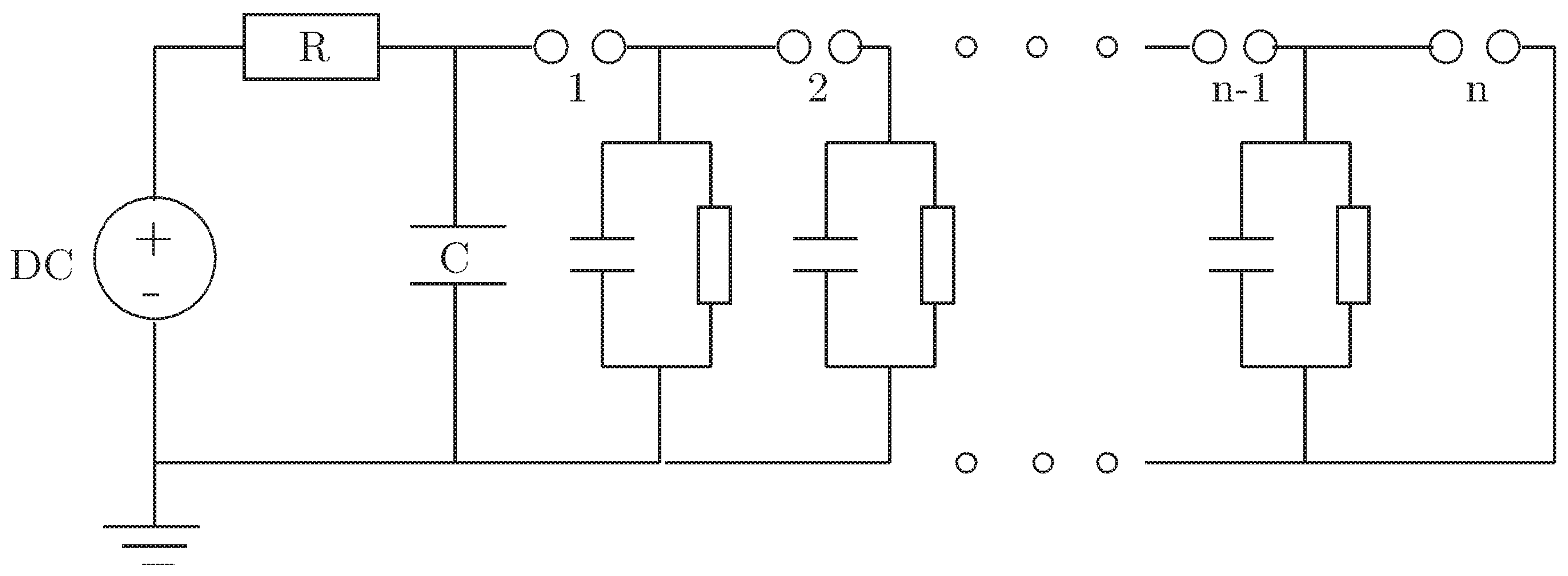
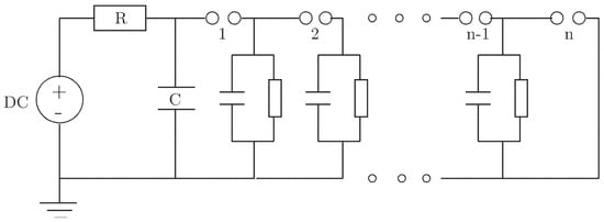
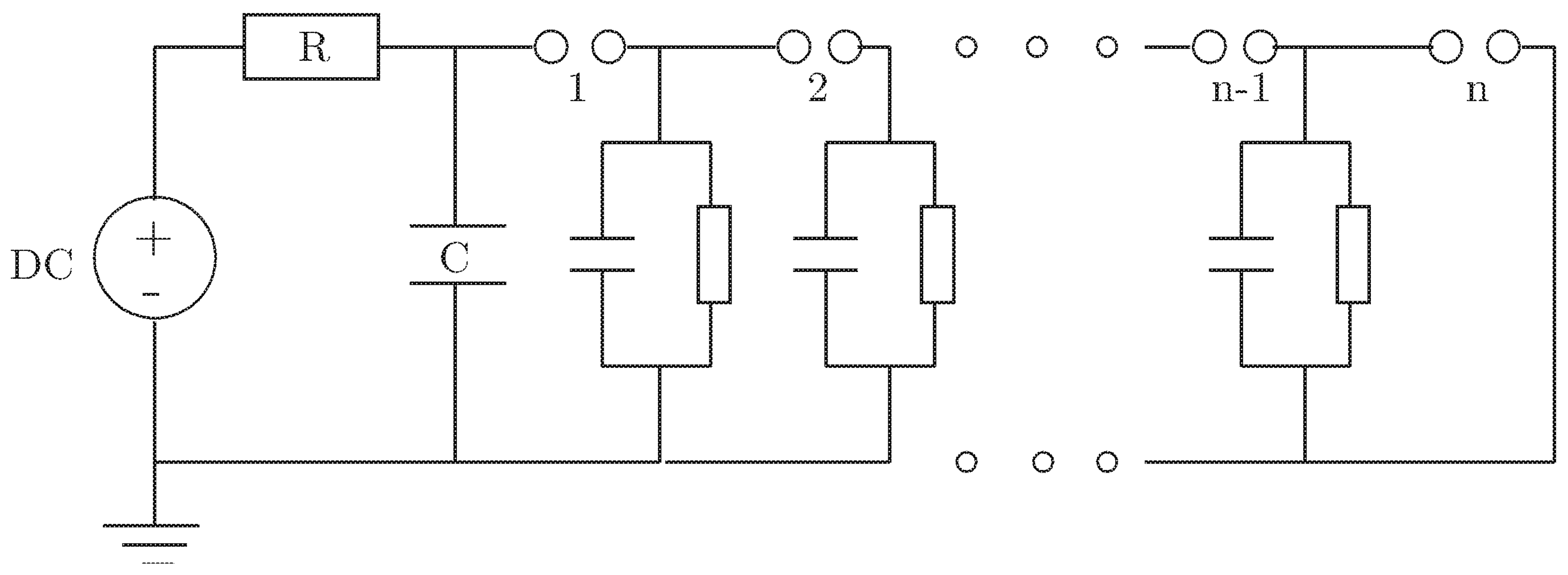
2. SparkJet
2.1. Background
2.2. Wang et al. (2018)
2.3. Zhou et al. (2018–2019)
2.4. Zhang et al. (2017–2020)
2.5. Kyu Hong Kim et al. (2018–2019)
2.6. Zong et al. (2018–2022)
2.7. Xie et al. (2022)
3. Drag Reduction
3.1. Background
3.2. Dobrov et al. (2018)
3.3. Yu et al. (2018)
3.4. Alberti et al. (2019–2021)
3.5. Azarova et al. (2019)
3.6. Das et al. (2019)
3.7. Elias et al. (2018)
4. Energy Deposition for Flow Control
4.1. Background
4.2. Takahashi and Ohnishiy (2018)
4.3. Ukai et al. (2018)
4.4. Feng et al. (2022)
4.5. Gan and Wang (2022)
4.6. Ma et al. (2022)
5. Conclusions
Author Contributions
Funding
Data Availability Statement
Conflicts of Interest
References
- Cattafesta, L.; Sheplak, M. Actuators for Active Flow Control. In Annual Review of Fluid Mechanics; Davis, S., Moin, P., Eds.; Annual Reviews, Inc.: Lafayette, IN, USA, 2011; pp. 247–272. [Google Scholar]
- Glezer, M.; Amitay, M. Synthetic Jets. In Annual Review of Fluid Mechanics; Lumley, J., Davis, S., Moin, P., Eds.; Annual Reviews, Inc.: Lafayette, IN, USA, 2002; pp. 503–529. [Google Scholar]
- Katz, Y.; Nishri, B.; Wygnanski, I. The Delay of Turbulent Boundary Layer Separation by Oscillatory Active Control. Phys. Fluids A 1989, 1, 179–181. [Google Scholar] [CrossRef]
- Corke, T.; Inloe, C.; Wilkinson, S. Dielectric Barrier Discharge Plasma Actuators for Flow Control. In Annual Review of Fluid Mechanics; Davis, S., Moin, P., Eds.; Annual Reviews, Inc.: Lafayette, IN, USA, 2010; pp. 505–529. [Google Scholar]
- Knight, D. Energy Deposition for High Speed Flow Control; Cambridge University Press: Cambridge, UK, 2019. [Google Scholar]
- Walsh, M. Riblets as a Viscous Drag Reduction Technique. AIAA J. 1983, 21, 485–486. [Google Scholar] [CrossRef]
- McCormick, D. Shock-Boundary Layer Interaction Control with Low-Profile Vortex Generators and Passive Cavity. AIAA J. 1993, 31, 91–96. [Google Scholar] [CrossRef]
- Gad-el-Hak, M. Flow Control: Passive, Active and Reactive Flow; Cambridge University Press: Cambridge, UK, 2000. [Google Scholar]
- Chernyi, G.G. Some Recent Results in Aerodynamic Applications of Flows with Localized Energy Addition; AIAA Paper 1999-4819; American Institute of Aeronautics and Astronautics: Norfolk, VA, USA, 1999. [Google Scholar] [CrossRef]
- Bityurin, V. (Ed.) Perspectives of MHD and Plasma Technologies in Aerospace Applications; Russian Academy of Sciences, Institute for High Temperatures: Moscow, Russia, 1999. [Google Scholar]
- Russell, A.; Zare-Behtash, H.; Kontis, K. Joule Heating Flow Control Methods for High-Speed Flows. J. Electrost. 2016, 80, 34–68. [Google Scholar] [CrossRef]
- Knight, D.; Kuchinskiy, V.; Kuranov, A.; Sheikin, E. Aerodynamic Flow Control at High Speed Using Energy Deposition. In Proceedings of the Fourth Workshop on Magneto-Plasma Aerodynamics for Aeropace Applications, Moscow, Russia, 9–11 April 2002. [Google Scholar]
- Zheltovodov, A. Development of the Studies on Energy Deposition for Application to the Problems of Supersonic Aerodynamics; Preprint 10-2002; Institute of Theoretical and Applied Mechanics: Novosibirsk, Russia, 2002; 43p.
- Knight, D.; Kuchinskiy, V.; Kuranov, A.; Sheikin, E. Survey of Aerodynamic Flow Control at High Speed Using Energy Addition; AIAA Paper 2003-0525; American Institute of Aeronautics and Astronautics: Reno, NV, USA, 2003. [Google Scholar] [CrossRef]
- Fomin, V.; Tretyakov, P.; Taran, J.P. Flow Control Using Various Plasma and Aerodynamic Approaches (Short Review). Aerosp. Sci. Technol. 2004, 8, 411–421. [Google Scholar] [CrossRef]
- Bletzinger, P.; Ganguly, B.; Van Wie, D.; Garscadden, A. Plasmas in High Speed Aerodynamics. J. Phys. D Appl. Phys. 2005, 38, R33–R57. [Google Scholar] [CrossRef]
- Zubkov, A.; Garanin, A.; Safronov, V.; Sukhanovskaya, L.; Tretyakov, P. Supersonic Flow Past an Axisymmetric Body with Combustion in Separation Zones at the Body Nose and Base. Thermophys. Aeromech. 2005, 12, 1–12. [Google Scholar]
- Grossman, K.; Cybyk, B.; Rigling, M.; Van Wie, D. SparkJet Actuators for Flow Control; AIAA Paper 2003-0057; American Institute of Aeronautics and Astronautics: Reno, NV, USA, 2003. [Google Scholar]
- Grossman, K.; Cybyk, B.; Rigling, M.; Van Wie, D. Characterization of SparkJet Actuators for Flow Control; AIAA Paper 2004-0089; American Institute of Aeronautics and Astronautics: Reno, NV, USA, 2004. [Google Scholar]
- Cybyk, B.; Grossman, K.; Wilkerson, J.; Chen, J.; Katz, J. Single-Pulse Performance of the SparkJet Flow Control Actuator; AIAA Paper 2005-0401; American Institute of Aeronautics and Astronautics: Reno, NV, USA, 2005. [Google Scholar]
- Cybyk, B.; Simon, D.; Land, H.; Chen, J.; Katz, J. Experimental Characterization of a Supersonic Flow Control Actuator; AIAA Paper 2006-0478; American Institute of Aeronautics and Astronautics: Reno, NV, USA, 2006. [Google Scholar]
- Cybyk, B.; Wilkerson, J.; Simon, D. Enabling High-Fidelity Modeling of a High-Speed Flow Control Actuator Array; AIAA Paper 2006-8034; American Institute of Aeronautics and Astronautics: Canberra, Australia, 2006. [Google Scholar]
- Haack, S.; Land, B.; Cybyk, B.; Ko, H.; Katz, J. Characterization of a High-Speed Flow Control Actuator Using Digital Speckle Tomography and PIV; AIAA Paper 2008-3759; American Institute of Aeronautics and Astronautics: Seattle, WA, USA, 2008. [Google Scholar]
- Haack, S.; Taylor, T.; Emhoff, J.; Cybyk, B. Development of an Analytical SparkJet Model; AIAA Paper 2010-4979; American Institute of Aeronautics and Astronautics: Chicago, IL, USA, 2010. [Google Scholar]
- Haack, S.; Taylor, T.; Cybyk, B.; Foster, C.; Alvi, F. Experimental Estimation of SparkJet Efficiency; AIAA Paper 2011-3997; American Institute of Aeronautics and Astronautics: Honolulu, HI, USA, 2011. [Google Scholar]
- Caruana, D.; Barricau, P.; Hardy, P.; Cambronne, J.; Belinger, A. The ’Plasma Synthetic Jet’ Actuator—Aerothermodynamic Characterization and First Flow Control Applications; AIAA Paper 2009-1307; American Institute of Aeronautics and Astronautics: Orlando, FL, USA, 2009. [Google Scholar]
- Hardy, P.; Barricau, P.; Caruana, D.; Gleyzes, C.; Belinger, A.; Cambronne, J. Plasma Synthetic Jet for Flow Control; AIAA Paper 2010-5103; American Institute of Aeronautics and Astronautics: Chicago, IL, USA, 2010. [Google Scholar] [CrossRef]
- Narayanswamy, V.; Shin, J.; Clemens, N.; Raja, L. Investigation of Plasma-Generated Jets for Supersonic Flow Control; AIAA Paper 2008-0285; American Institute of Aeronautics and Astronautics: Reno, NV, USA, 2008. [Google Scholar]
- Narayanswamy, V.; Shin, J.; Clemens, N.; Raja, L. Investigation of Pulsed-Plasma Jet for Shock/Boundary Layer Control; AIAA Paper 2010-1089; American Institute of Aeronautics and Astronautics: Orlando, FL, USA, 2010. [Google Scholar]
- Narayanswamy, V.; Raja, L.; Clemens, N. Characterization of a High-Frequency Pulsed-Plasma Jet Actuator for Supersonic Flow Control. AIAA J. 2010, 48, 297–305. [Google Scholar] [CrossRef]
- Narayanswamy, V.; Raja, L.; Clemens, N. Control of a Shock/Boundary Layer Interaction by Using a Pulsed Plasma Jet Actuator. AIAA J. 2012, 50, 246–249. [Google Scholar] [CrossRef]
- Anderson, K.; Knight, D. Energy Deposition Induced Synthetic Jet for Flow Control; CCD Report 2011-3; Center for Computational Design, Rutgers University: Piscataway, NJ, USA, 2011; Available online: http://coewww.rutgers.edu/knight (accessed on 20 March 2011).
- Anderson, K.; Knight, D. Pendulum Swing from Pulsed Cavity Jet; CCD Report 2011-6; Center for Computational Design, Rutgers University: Piscataway, NJ, USA, 2011; Available online: http://coewww.rutgers.edu/knight (accessed on 22 June 2011).
- Golbabaei-Asl, M.; Knight, D.; Anderson, K.; Wilkinson, S. SparkJet Efficiency; AIAA Paper 2013-0928; American Institute of Aeronautics and Astronautics: Grapevine, TX, USA, 2013. [Google Scholar] [CrossRef]
- Golbabaei-Asl, M.; Knight, D. Numerical Characterization of High-Temperature Filament Interaction with Blunt Cylinder at Mach 3. Shock Waves 2014, 24, 123–138. [Google Scholar] [CrossRef]
- Emerick, T.; Ali, M.; Foster, C.; Alvi, F.; Popkin, S. SparkJet Characterization in Quiescent and Supersonic Flowfields. Exp. Fluids 2014, 55, 1–21. [Google Scholar] [CrossRef]
- Laurendeau, F.; Chedevergne, F.; Casalis, G. Transient Ejection Phase Modeling of Plasma Synthetic Jet Actuator. Phys. Fluids 2014, 26, 125101. [Google Scholar] [CrossRef]
- Sary, G.; Dufour, G.; Rogier, F.; Kourtzanidis, K. Modeling and Parametric Study of a Plasma Synthetic Jet for Flow Control. AIAA J. 2014, 52, 1591–1603. [Google Scholar] [CrossRef]
- Zong, H.; Cui, W.; Wu, Y.; Zhang, Z.; Liang, H.; Jia, M.; Li, Y. Influence of Capacitor Energy on Performance of Three-Electrode Plasma Synthetic Jet Actuator. Sens. Actuators A Phys. 2015, 222, 114–121. [Google Scholar] [CrossRef]
- Zong, H.h.; Wu, Y.; Li, Y.h.; Song, H.m.; Zhang, Z.b.; Jia, M. Analytic Model and Frequency Characteristics of Plasma Synthetic Jet Actuator. Phys. Fluids 2015, 27, 027105. [Google Scholar] [CrossRef]
- Zong, H.; Wu, Y.; Jia, M.; Song, H.; Liang, H.; Li, Y.; Zhang, Z. Influence of Geometric Parameters on Performance of Plasma Synthetic Jet Actuator. J. Phys. D 2016, 49, 025504. [Google Scholar] [CrossRef]
- Zong, H.; Wu, Y.; Song, H.; Jia, M.; Liang, H.; Li, Y.; Zhang, Z. Investigation of the Performance Characteristics of a Plasma Synthetic Jet Actuator Based on a Quantitative Schlieren Method. Meas. Sci. Technol. 2016, 27, 055301. [Google Scholar] [CrossRef]
- Zong, H.; Kotsonis, M. Characteristics of Plasma Synthetic Jet Actuators in Quiescent Flow. J. Phys. D 2016, 49, 335202. [Google Scholar] [CrossRef]
- Zong, H.; Kotsonis, M. Electro-mechanical Efficiency of Plasma Synthetic Jet Actuator Driven by Capacitive Discharge. J. Phys. D 2016, 49, 455201. [Google Scholar] [CrossRef]
- Zong, H.; Kotsonis, M. Experimental Investigation on Frequency Characteristics of Plasma Synthetic Jets. Phys. Fluids 2017, 29, 115107. [Google Scholar] [CrossRef]
- Zong, H.; Kotsonis, M. Effect of Slotted Exit Orifice on Performance of Plasma Synthetic Jet Actuator. Exp. Fluids 2017, 58. [Google Scholar] [CrossRef]
- Zong, H.; Kotsonis, M. Interaction Between Plasma Synthetic Jet and Subsonic Turbulent Boundary Layer. Phys. Fluids 2017, 49, 045104. [Google Scholar] [CrossRef]
- Wang, H.; Li, J.; Jin, D.; Tang, M.; Wu, Y.; Xiao, L. High Frequency Counter-Flow Plasma Synthetic Jet Actuator and Its Application in Suppression of Supersonic Flow Separation. Acta Astronaut. 2018, 142, 45. [Google Scholar] [CrossRef]
- Zhou, Y.; Xia, Z.; Luo, Z.; Wang, L.; Deng, X. Experimental Characteristics of Two-Electrode Plasma Synthetic Jet Actuator Array in Serial. Chin. J. Aeronaut. 2018, 31, 2234–2247. [Google Scholar] [CrossRef]
- Zhou, Y.; Xia, Z.; Luo, Z.; Wang, L.; Deng, X.; Zhang, Q.; Yang, S. Characterization of Three-Electrode SparkJet Actuator for Hypersonic Flow Control. AIAA J. 2019, 57, 879–885. [Google Scholar] [CrossRef]
- Zhou, Y.; Xia, Z.; Wang, L.; Luo, Z.; Peng, W.; Deng, X. Discharge and Electrothermal Efficiency Analysis of Capacitive Discharge Plasma Synthetic Jet Actuator in Single-Shot Mode. Sens. Actuators A Phys. 2019, 287, 102–112. [Google Scholar] [CrossRef]
- Zhou, Y.; Xia, Z.; Luo, Z.; Wang, L. EEffect of Three-Electrode Plasma Synthetic Jet Actuator on Shock Wave Control. Sci. China Technol. Sci. 2017, 60, 146–152. [Google Scholar] [CrossRef]
- Zhou, Y.; Xia, Z.; Luo, Z.; Wang, L.; Deng, X. A Novel Ram-Air Plasma Synthetic Jet Actuator for Near Space High-Speed Flow Control. Acta Astronaut. 2017, 133, 95–102. [Google Scholar] [CrossRef]
- Zhang, Z.; Wu, Y.; Jia, M.; Song, H.; Sun, Z.; Zong, H.; Li, Y. The Multichannel Discharge Plasma Synthetic Jet Actuator. Sens. Actuators A Phys. 2017, 253, 112–117. [Google Scholar] [CrossRef]
- Zhang, Z.; Zhang, X.; Wu, Y.; Jia, M.; Jin, D.; Sun, Z.; Li, Y. Experimental Research on the Shock Wave Control Based on One Power Supply Driven Plasma Synthetic Jet Actuator Array. Acta Astronaut. 2020, 171, 359–368. [Google Scholar] [CrossRef]
- Kim, H.J.; Chae, J.; Ahn, S.; Kim, K. Numerical Analysis of Jet Formation Process of SparkJet Actuator; AIAA Paper 2018-1552; American Institute of Aeronautics and Astronautics: Kissimmee, FL, USA, 2018. [Google Scholar] [CrossRef]
- Kim, H.J.; Shin, J.; Ahn, S.; Kim, K. Numerical Analysis on Flow Characteristics and Jet Boundary Condition of SparkJet Actuator; AIAA Paper 2019-0736; American Institute of Aeronautics and Astronautics: San Diego, CA, USA, 2019. [Google Scholar] [CrossRef]
- Shin, J.; Kim, H.J.; Ahn, S.; Kim, K. A Parametric Study and Analytical Model Development of SparkJet Actuator Using CFD; AIAA Paper 2019-0999; American Institute of Aeronautics and Astronautics: San Diego, CA, USA, 2019. [Google Scholar] [CrossRef]
- Gordon, S.; McBride, B. Computer Program for Calculation of Complex Chemical Equilibrium Compositions and Applications. I. Analysis; RP 1311; National Aeronautics and Space Administration: Cleveland, OH, USA, 1994.
- Zong, H.; Kotsonis, M. Formation, Evolution and Scaling of Plasma Synthetic Jets. J. Fluid Mech. 2018, 837, 147–181. [Google Scholar] [CrossRef]
- de Luca, L.; Girfoglio, M.; Coppola, G. Modeling and Experimental Validation of the Frequency Response of Synthetic Jet Actuators. AIAA J. 2014, 52, 1733–1748. [Google Scholar] [CrossRef]
- Zong, H. Influnece of Nondimensional Heating Volume on Efficiency of Plasma Synthetic Jet Actuators. AIAA J. 2018, 56, 2075–2078. [Google Scholar] [CrossRef]
- Zong, H.; Chiatto, M.; Kotsonis, M.; de Luca, L. Plasma Synthetic Jet Actuators for Active Flow Control. Actuators 2018, 7, 77. [Google Scholar] [CrossRef]
- Belinger, A.; Hardy, P.; Barricau, P.; Cambronne, J.; Caruana, D. Influence of the Energy Dissipation Rate in the Discharge of a Plasma Synthetic Jet Actuator. J. Phys. D Appl. Phys. 2011, 44, 365201. [Google Scholar] [CrossRef]
- Reedy, T.; Kale, N.; Dutton, J.; Elliott, G. Experimental Characterization of a Pulsed Plasma Jet. AIAA J. 2013, 51, 2027–2031. [Google Scholar] [CrossRef]
- Wang, L.; Xia, Z.; Luo, Z.; Zhang, Y. Effect of Pressure on the Performance of Plasma Synthetic Jet Actuator. Sci. China Phys. Mech. Astron. 2014, 57, 2309–2315. [Google Scholar] [CrossRef]
- Xie, W.; Luo, Z.; Zhou, Y.; Peng, W.; Liu, Q.; Wang, D. Experimental and Numerical Investigation on Opposing Plasma Synthetic Jet for Drag Reduction. Chin. J. Aeronaut. 2022, 35, 75–91. [Google Scholar] [CrossRef]
- Xie, W.; Luo, Z.; Hou, L.; Zhou, Y.; Liu, Q.; Peng, W. Characterization of Plasma Synthetic Jet Actuator with Laval-Shaped Exit and Application to Drag Reduction in Supersonic Flow. Phys. Fluids 2021, 33, 096104. [Google Scholar] [CrossRef]
- Xie, W.; Luo, Z.; Zhou, Y.; Gao, T.; Wu, Y.; Wang, Q. Experimental Study on Shock Wave Control in High-Enthalpy Hypersonic Flow by Using SparkJet Actuator. Acta Astronaut. 2021, 188, 416–425. [Google Scholar] [CrossRef]
- Georgievsky, P.; Levin, V. Supersonic Flow over a Body with Heat Supply Ahead of It; Steklov Institute of Mathematics: Moscow, Russia, 1991; pp. 229–234. [Google Scholar]
- Toro, P.; Myrabo, L.; Nagamatsu, H. Pressure Investigation of the Hypersonic ’Directed Energy Air Spike’ Inlet at Mach Number 10 up to 70 kW; AIAA Paper 1998-0991; American Institute of Aeronautics and Astronautics: Reno, NV, USA, 1998. [Google Scholar]
- Myrabo, L.; Raizer, Y. Laser-Induced Air Spike for Advanced Transatmospheric Vehicles; AIAA Paper 1994-2451; American Institute of Aeronautics and Astronautics: Colorado Springs, CO, USA, 1994. [Google Scholar]
- Tretyakov, P.; Garanin, A.; Kraynev, V.; Tupikin, A.; Yakovlev, V. Investigation of Local Laser Energy Release Influence on Supersonic Flow by Methods of Aerophysical Experiments. In Proceedings of the 8th International Conference on Methods of Aerophysical Research, Novosibirsk, Russia, 2–6 September 1996. [Google Scholar]
- Tretyakov, P.; Kraynev, V.; Yakovlev, V.; Grachev, G.; Ivanchenko, A.; Ponomarenko, A.; Tischenko, V. A Powerful Optical Pulsating Discharge as the Source of Energy Release in Supersonic Flow. In Proceedings of the 7th International Conference on Methods in Aerophysical Research, Novosibirsk, Russia, 22–26 August 1994; pp. 224–228. [Google Scholar]
- Kolesnichenko, Y.; Brovkin, V.; Leonov, S.; Krylov, A.; Lashkov, V.; Mashek, I.; Gorynya, A.; Ryvkin, M. Investigation of AD-Body Interaction with Microwave Discharge Region in Supersonic Flows; AIAA Paper 2001-0345; American Institute of Aeronautics and Astronautics: Reno, NV, USA, 2001. [Google Scholar]
- Kolesnichenko, Y.; Brovkin, V.; Leonov, S.; Krylov, A.; Lashkov, V.; Mashek, I.; Gorynya, A.; Ryvkin, M. Influence of Differently Organized Microwave Discharge on AD-Body Characteristics in Supersonic Flow; AIAA Paper 2001-3060; American Institute of Aeronautics and Astronautics: Anaheim, CA, USA, 2001. [Google Scholar] [CrossRef]
- Kolesnichenko, Y.; Brovkin, V.; Azarova, O.; Grudnitsky, V.; Lashkov, V.; Mashek, I. Energy Release Regimes for Drag Reduction in Supersonic Flow; AIAA Paper 2002-0353; American Institute of Aeronautics and Astronautics: Reno, NV, USA, 2002. [Google Scholar]
- Kolesnichenko, Y.; Brovkin, V.; Khmara, D.; Lashkov, V.; Mashek, I.; Ryvkin, M. Microwave Discharge Parameters in Supersonic Flow; AIAA Paper 2002-0356; American Institute of Aeronautics and Astronautics: Reno, NV, USA, 2002. [Google Scholar] [CrossRef]
- Kolesnichenko, Y.; Brovkin, V.; Azarova, O.; Grudnitsky, V.; Lashkov, V.; Mashek, I. Microwave Energy Deposition for Aerodynamic Application; AIAA Paper 2003-0361; American Institute of Aeronautics and Astronautics: Reno, NV, USA, 2003. [Google Scholar]
- Kolesnichenko, Y.; Brovkin, V.; Khmara, D.; Lashkov, V.; Mashek, I.; Ryvkin, M. Fine Structure of Microwave Discharge: Evolution Scenario; AIAA Paper 2003-0362; American Institute of Aeronautics and Astronautics: Reno, NV, USA, 2003. [Google Scholar]
- Kolesnichenko, Y.; Azarova, O.; Brovkin, V.; Khmara, D.; Lashkov, V.; Mashek, I.; Rivkin, M. Basics in Beamed MW Energy Deposition for Flow/Flight Control; AIAA Paper 2004-0669; American Institute of Aeronautics and Astronautics: Reno, NV, USA, 2004. [Google Scholar]
- Knight, D. Survey of Aerodynamic Drag Reduction at High Speed by Energy Deposition. J. Propuls. Power 2008, 24, 1153–1167. [Google Scholar] [CrossRef]
- Dobrov, Y.; Lashkov, V.; Mashek, I.; Khoronzhuk, R. Investigation of Heat Flux on Aerodynamic Body in Supersonic Gas Flow with Local Energy Deposition. AIP Conf. Proc. 2018, 1959, 050009-1–050009-6. [Google Scholar]
- Yu, X.; Yan, H.; Wang, Y. Numerical Investigation on Wave Drag Reduction by Laser Energy Deposition. In Proceedings of the Tenth International Conference on Computational Fluid Dynamics, Barcelona, Spain, 9–13 July 2018; pp. ICCFD10-272-1–ICCFD10-272-8. [Google Scholar]
- Alberti, A.; Munafò, A.; Pantano, C.; Panesi, M. Supersonic and Hypersonic Non-Equilibrium Flow Control Using Laser Energy Deposition; AIAA Paper 2019-2867; American Institute of Aeronautics and Astronautics: Dallas, TX, USA, 2019. [Google Scholar] [CrossRef]
- Alberti, A.; Munafò, A.; Pantano, C.; Panesi, M. Self-Consistent Computational Fluid Dynamics of Supersonic Drag Reduction via Upstream-Focused Laser Energy Deposition. AIAA J. 2021, 59, 1214–1224. [Google Scholar] [CrossRef]
- Alberti, A.; Munafò, A.; Sahai, A.; Pantano, C.; Panesi, M. FEM Simulation of Laser-Induced Plasma Breakdown Experiments for Combustion Applicatoins; AIAA Paper 2017-1111; American Institute of Aeronautics and Astronautics: Grapevine, TX, USA, 2017. [Google Scholar] [CrossRef]
- Munafó, A.; Alberti, A.; Pantano, C.; Freund, J.; Panesi, M. Modeling of Laser-Induced Breakdown Phenomena in Non-Equilibrium Plasmas; AIAA Paper 2018-0171; American Institute of Aeronautics and Astronautics: Kissimmee, FL, USA, 2018. [Google Scholar] [CrossRef]
- Alberti, A.; Munafò, A.; Pantano, C.; Freund, J.; Panesi, M. Modeling of Air Breakdown by Single-Mode and Multi-Mode Lasers; AIAA Paper 2019-1250; American Institute of Aeronautics and Astronautics: San Diego, CA, USA, 2019. [Google Scholar] [CrossRef]
- Oxenius, J. Kinetic Theory of Particles and Photons: Theoretical Foundations of Non-LTE Plasma Spectroscopy; Springer: New York, NY, USA, 2012. [Google Scholar]
- Adelgren, R.; Yan, H.; Elliott, G.; Knight, D.; Beutner, T.; Zheltovodov, A. Control of Edney IV Interaction by Pulsed Laser Energy Deposition. AIAA J. 2005, 43, 256–269. [Google Scholar] [CrossRef]
- Kandala, R.; Candler, G. Numerical Studies of Laser-Induced Energy Deposition for Supersonic Flow Control. AIAA J. 2004, 42, 2266–2275. [Google Scholar] [CrossRef]
- Zheltovodov, A.; Pimonov, E.; Knight, D. Energy Deposition Influence on Supersonic Flow Over Axisymmetric Bodies; AIAA Paper 2007-1230; American Institute of Aeronautics and Astronautics: Reno, NV, USA, 2007. [Google Scholar] [CrossRef]
- Azarova, O.; Knight, D.; Kravchenko, O. Lift Forces, Heat Fluxes and Self-Sustained Oscillations Over Supersonic Bodies under Asymmetric Energy Deposition. In Proceedings of the 8th European Conference on AeroSpace Sciences, Madrid, Spain, 1–4 July 2019. [Google Scholar] [CrossRef]
- Das, D.; Desai, S.; Kulkarni, V.; Gadgil, H. Performance Assessment of Energy Deposition Based Drag Reduction Technique for Earth and Mars Flight Conditions. Acta Astronaut. 2019, 159, 418–428. [Google Scholar] [CrossRef]
- Elias, P.Q.; Severac, N.; Luyssen, J.M.; Tobeli, J.P.; Lambert, F.; Bur, R.; A Houard, Y.B.A.; Albert, S.; Mysyrowicz, A.; Doudet, I. Experimental Investigation of Linear Energy Deposition Using Femtosecond Laser Filamentation in a M = 3 Supersonic Flow; AIAA Paper 2018-4896; American Institute of Aeronautics and Astronautics: Cincinnati, OH, USA, 2018. [Google Scholar] [CrossRef]
- Refloch, A.; Courbet, B.; Murrone, A.; Villedieu, P.; Laurent, C. CEDRE Software. Aerosp. Lab J. 2011, 2, 1–10. [Google Scholar]
- Leonov, S.; Yarantsev, D.; Soloviev, V. High Speed Inlet Customization by Surface Electrical Discharge; AIAA Paper No. 2006-0403; American Institute of Aeronautics and Astronautics: Reno, NV, USA, 2006. [Google Scholar]
- Caraballo, E.; Webb, N.; Little, J.; Kim, J.H.; Samimy, M. Supersonic Inlet Flow Control Using Plasma Actuators; AIAA Paper 2009-924; American Institute of Aeronautics and Astronautics: Orlando, FL, USA, 2009. [Google Scholar]
- Leonov, S.; Firsov, A.; Yarantsev, D. Active Steering of Shock Waves in Compression Ramp by Nonuniform Plasma; AIAA Paper 2010-0260; American Institute of Aeronautics and Astronautics: Orlando, FL, USA, 2010. [Google Scholar] [CrossRef]
- Falempin, F.; Firsov, A.; Yarantsev, D.; Goldfeld, M.; Timofeev, K.; Leonov, S. Plasma Control of Shock Wave Configuration in Off-Design Model of M = 2 Inlet. Exp. Fluids 2015, 56, 54. [Google Scholar] [CrossRef]
- Leonov, S.; Bityurin, V.; Savelkin, K.; Yarantsev, D. Effect of Electrical Discharge on Separation Processes and Shocks Position in Supersonic Airflow; AIAA Paper No. 2002-0355; American Institute of Aeronautics and Astronautics: Reno, NV, USA, 2002. [Google Scholar]
- Utkin, Y.; Keshav, S.; Kim, J.H.; Kastner, J.; Adamovich, I.; Samimy, M. Development and Use of Localized Arc Filament Plasma Actuators for High-Speed Flow Control. J. Phys. D Appl. Phys. 2007, 40, 685–694. [Google Scholar] [CrossRef]
- Starkovskiy, A.; Aleksandrov, N. Gasdynamic Flow Control by Ultrafast Local Heating in a Strongly Nonequilibrium Pulsed Plasma. Plasma Phys. Rep. 2021, 47, 148–209. [Google Scholar] [CrossRef]
- Takahashi, M.; Ohnishi, N. Separation Control on an Airfoil Using Repetitive Laser Pulses; AIAA Paper 2018-1430; American Institute of Aeronautics and Astronautics: Kissimmee, FL, USA, 2018. [Google Scholar] [CrossRef]
- Ukai, T.; Kontis, K.; Yang, L. Flow Structure Generated by Laser-Induced Blast Wave Propagation Through the Boundary Layer of a Flat Plate. Aerosp. Sci. Technol. 2018, 78, 569–573. [Google Scholar] [CrossRef]
- Feng, L.; Ma, X.; Zhang, Y. Response Characteristics of Impinging Shock Wave/Turbulent Boundary Layer Interaction Disturbed by Arc Plasma Energy Deposition. Phys. Fluids 2022, 34, 015132. [Google Scholar] [CrossRef]
- Tang, M.; Wu, Y.; Wang, H.; Jin, D.; Guo, S.; Gan, T. Effects of Capacitance on a Plasma Synthetic Jet Actuator with a Conical Cavity. Sens. Actuators 2018, A 276, 284–295. [Google Scholar] [CrossRef]
- Gan, T.; Wang, Q. Manipulation of Ramp-Induced Shock Using an Array of Surface Arc Plasma Actuators. Int. J. Heat Fluid Flow 2022, 93, 108894. [Google Scholar] [CrossRef]
- Ma, X.; Fan, J.; Wu, Y.; Liu, X.; Xue, R. Study on the Mechanism of Shock Wave and Boundary Layer Interaction Control Using High-Frequency Pulsed Arc Discharge Plasma. Phys. Fluids 2022, 34, 086102. [Google Scholar] [CrossRef]
- Feng, L.; Wang, H.; Chen, Z.; Zhou, Y.; Yang, Y. Unsteadiness Characterization of Shock Wave/Turbulent Boundary Layer Interaction Controlled by High-Frequency Arc Plasma Energy Deposition. Phys. Fluids 2021, 33, 015114. [Google Scholar] [CrossRef]


























































| Method | Type |
|---|---|
| DC Arc | c, p |
| Dielectric Barrier Discharge (DBD) | p |
| Laser Discharge | p |
| Microwave Discharge | p |
| SparkJet | p |
| Quantity | Value |
|---|---|
| 2 | |
| (kPa) | 95.6 |
| (K) | 296 |
| (m) | 11.9 |
| Configuration | Case 1 | Case 2 | Case 3 |
|---|---|---|---|
| Quiescent | |||
| Energy (mJ) | 177.1 | 108.9 | 84.9 |
| Frequency (kHz) | 1 | 2 | 3 |
| Supersonic | |||
| Energy (mJ) | 172.5 | 105.4 | 79.7 |
| Frequency (kHz) | 1 | 2 | 3 |
| Quantity | Value |
|---|---|
| Orifice exit diameter (mm) | 1 |
| Orifice throat length (mm) | 4 |
| Orifice taper angle (deg) | 45 |
| Cavity height (mm) | 4 |
| Cavity diameter (mm) | 4.6 |
| Energy deposition region (mm) | |
| Energy deposited (mJ) | 3.0 |
| Electrode height (mm) | 1, 2 and 3 |
| Quantity | Value | ||
|---|---|---|---|
| Case 1 | Case 2 | Case 3 | |
| Electrode height (mm) | 1 | 2 | 3 |
| Impulse (N·s) | 2.47 | 2.22 | 2.01 |
| Jet duration (s) | 233 | 210 | 210 |
| Quantity | Case 1 | Case 2 | Case 3 | Case 4 | Case 5 |
|---|---|---|---|---|---|
| (kV) | 1.25 | 1.77 | 2.50 | 1.77 | 1.77 |
| (J) | 0.78 | 1.56 | 3.12 | 1.56 | 1.56 |
| (Hz) | 100 | 100 | 100 | 50 | 200 |
| 1.3 | 2.6 | 5.2 | 2.6 | 2.6 | |
| 0.06 | 0.06 | 0.06 | 0.03 | 0.12 | |
| 1.05 to 1.09 | 1.10 to 1.15 | 0.86 to 0.92 | 1.14 to 1.20 | 0.77 to 0.81 | |
| Initial voltage of capacitor | |||||
| Capacitor energy | |||||
| Frequency of SparkJet | |||||
| Helmholtz frequency | |||||
| Dimensionless energy deposition | |||||
| Quantity | Small Cavity | Large Cavity |
|---|---|---|
| (F) | 0.1 | 1.0 |
| (kV) | 0.25 | 2.0 |
| (J) | 0.003125 | 2.0 |
| (mm) | 50 to 150 | 942 |
| (mm) | 1 to 7 | 1 to 8 |
| (mm) | 1.0 | 1.5 |
| Capacitance | ||
| Initial voltage of capacitor | ||
| Capacitor energy | ||
| Electrode separation distance | ||
| Cavity exit diameter | ||
| Quantity | Value |
|---|---|
| 1.6 | |
| (kPa) | 3.06 |
| (K) | 187 |
| Quantity | Value |
|---|---|
| 8 | |
| (kPa) | 0.855 |
| (K) | 123.5 |
| (m/s) | 1782 |
| D (mm) | 76 |
| 10 |
| Quantity | Computation | Experiment a |
|---|---|---|
| 3.45 | 3.45 | |
| (MPa) | 1.40 | 0.93 |
| (K) | 290 | 263 |
| (K) | 85.78 | 235 b |
| (mJ) | 283 | 283 |
| (mJ) | 40.78 | na c |
| FWHM d (ns) | 10 | 10 |
| Wavelength (nm) | 532 | 532 |
| Focal length (mm) | 100 | 100 |
| Quantity | Value |
|---|---|
| 2.5 | |
| 9500 | |
| 1.4 | |
| 0.703 | |
| 0.25 | |
| 0.4, 0.5, 0.6 |
| Quantity | Value |
|---|---|
| 8 | |
| (Pa) | 89 |
| (K) | 113 |
| D (mm) | 60 |
| Q (W) | 5 to 18 |
| Quantity | Value |
|---|---|
| 3 | |
| (MPa) | 0.361 |
| (K) | 309 |
| (m) | 25.6 |
| Quantity | Value |
|---|---|
| Wavelength (nm) | 800 |
| Pulse a (mJ) | |
| Focal length (mm) | 1500 |
| Length of pulse (mm) | |
| Duration of pulse (fs) | ≥50 |
| Distance to hemisphere b (mm) | |
| Repetition rate (Hz) | 10 |
| Quantity | Value |
|---|---|
| 1.17 | |
| Altitude (km) | 20 |
| Angle of attack (deg) | 10 |
| Quantity | Value |
|---|---|
| Pulse energy (mJ) | 100 |
| Repetition rate (kHz) | 80 |
| Quantity | Value | ||
|---|---|---|---|
| Case 1 | Case 2 | Case 3 | |
| 5 | 5 | 5 | |
| (MPa) | 0.548 | 0.641 | 0.719 |
| (K) | 372.3 | 375.5 | 375.5 |
| (m) | 11.0 | 13.0 | 14.4 |
| Quantity | Value |
|---|---|
| Wavelength (nm) | 532 |
| Pulse (mJ) | 203 |
| Duration of pulse (ns) | 4 |
| Location a (mm) | 10, 20, 30 and 40 |
| Quantity | Value | ||
|---|---|---|---|
| Case 1 | Case 2 | Case 3 | |
| 2.5 | 2.5 | 2.5 | |
| (MPa) | 0.10 | 0.10 | 0.10 |
| (K) | 300 | 300 | 300 |
| (m) | 8.84 | 8.84 | 8.84 |
| 51 | 51 | 51 | |
| (deg) | 12 | 14 | 16 |
| (deg) | 33.1 | 35.9 | 38.1 |
| E (mJ) | 200 | 200 | 200 |
| (mJ) | 60 | 60 | 60 |
| Discharge duration (s) | 5 | 5 | 5 |
| Quantity | Value |
|---|---|
| 2.0 | |
| (MPa) | 0.097 |
| (K) | 296 |
| (m) | 11.3 |
| Quantity | Value |
|---|---|
| Maximum output voltage (kV) | 10 |
| Maximum frequency (kHz) | 5 |
| Pulse duration (s) | 1 |
| Quantity | Value |
|---|---|
| 2.5 | |
| (MPa) | 0.1 |
| (K) | 300 |
Publisher’s Note: MDPI stays neutral with regard to jurisdictional claims in published maps and institutional affiliations. |
© 2022 by the authors. Licensee MDPI, Basel, Switzerland. This article is an open access article distributed under the terms and conditions of the Creative Commons Attribution (CC BY) license (https://creativecommons.org/licenses/by/4.0/).
Share and Cite
Knight, D.; Kianvashrad, N. Review of Energy Deposition for High-Speed Flow Control. Energies 2022, 15, 9645. https://doi.org/10.3390/en15249645
Knight D, Kianvashrad N. Review of Energy Deposition for High-Speed Flow Control. Energies. 2022; 15(24):9645. https://doi.org/10.3390/en15249645
Chicago/Turabian StyleKnight, Doyle, and Nadia Kianvashrad. 2022. "Review of Energy Deposition for High-Speed Flow Control" Energies 15, no. 24: 9645. https://doi.org/10.3390/en15249645
APA StyleKnight, D., & Kianvashrad, N. (2022). Review of Energy Deposition for High-Speed Flow Control. Energies, 15(24), 9645. https://doi.org/10.3390/en15249645

