Optimal Economic–Environmental Design of Heat Exchanger Network in Naphtha Cracking Center Considering Fuel Type and CO2 Emissions
Abstract
1. Introduction
2. Methodology
2.1. Process Description
2.2. Naphtha Cracking Center (NCC)
2.3. Energy Reduction Technique
2.4. Economic–Environmental Impact Assessment
3. Results and Discussion
3.1. Case Study
3.2. Economic–Environmental Design
3.3. Economic–Environmental Design Considering Fuel Types
4. Conclusions
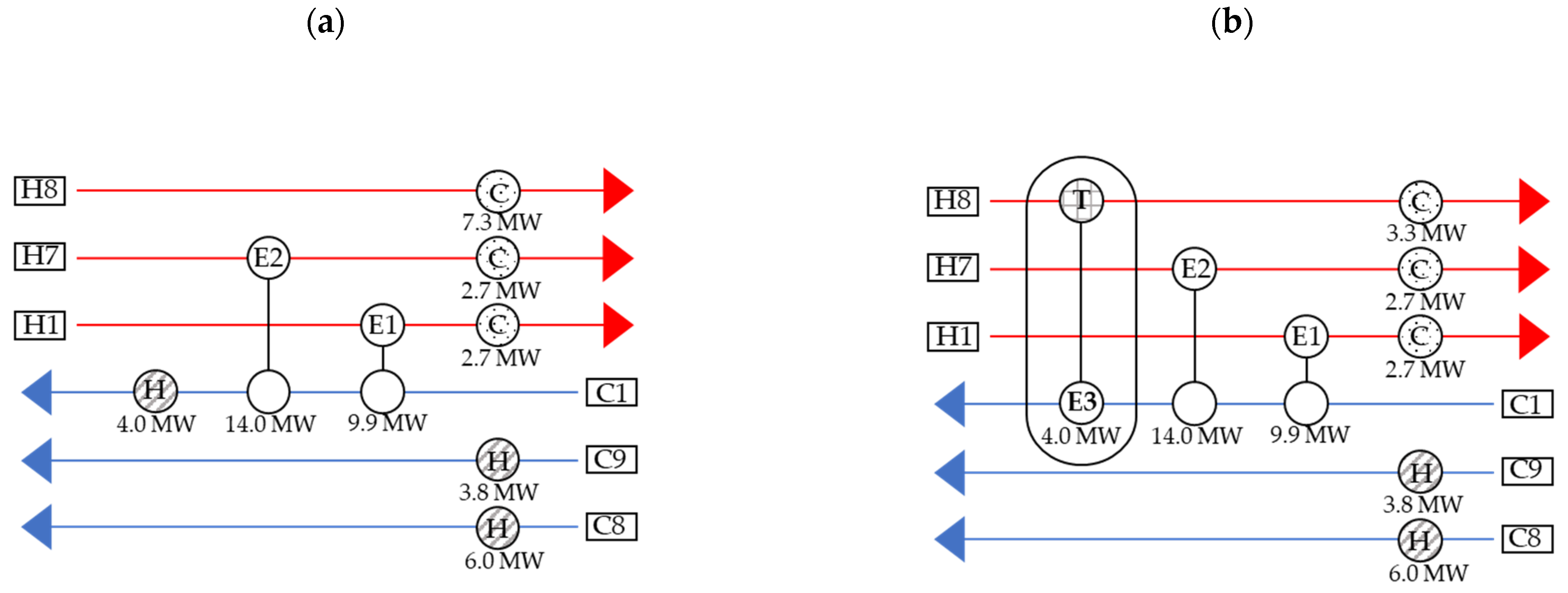
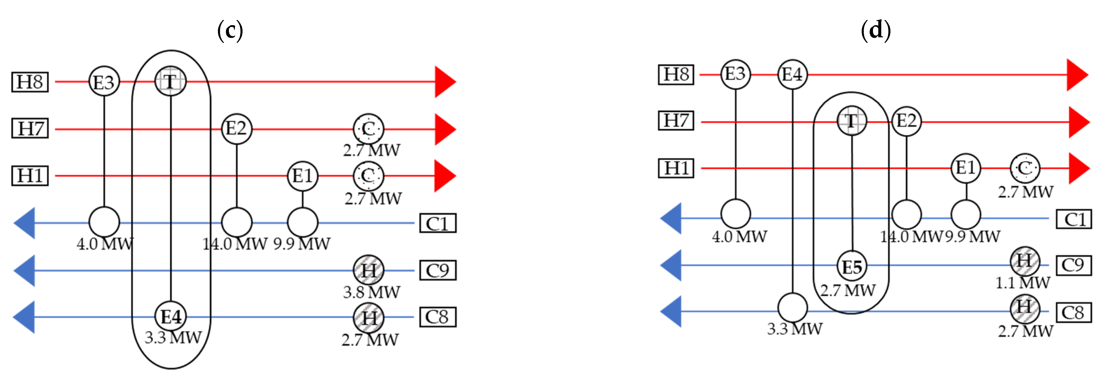
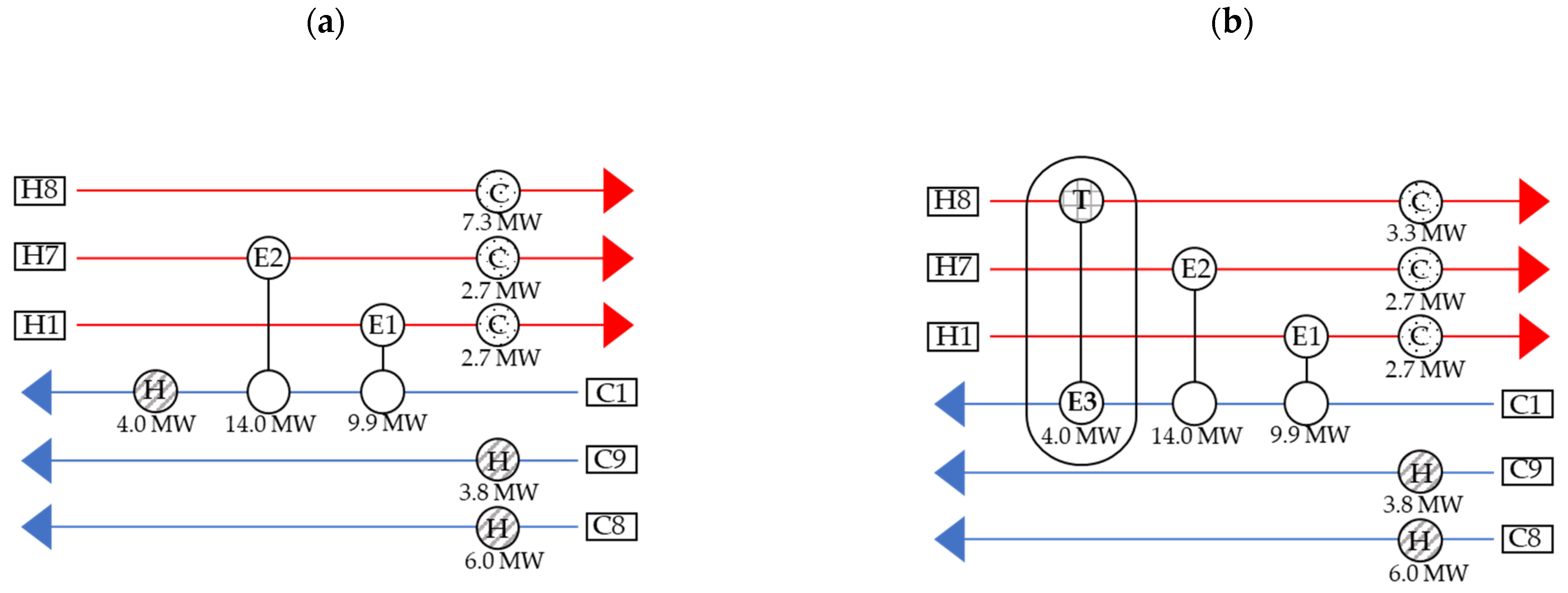
- The reduction in the steam flow rate is related to the economic assessment. The steam flow rate was calculated to be 150.9 ton/h for the base case. After constructing the HEN, the calculated steam flow rates were 146.097 ton/h for Configuration 1, 141.823 ton/h for Configuration 2, and 138.239 ton/h for Configuration 3. Therefore, 3%, 6%, and 8% reductions were found for Configurations 1, 2, and 3, respectively, compared to the base case.
- The cost of the heat exchanger and the saved cost due to the reduction in steam flow rate are essential for evaluating the economic–environmental impact. When natural gas was considered as the fuel, the amount of CO2 reduction of Configuration 1, 2, and 3 was 8.0, 15.0 and 20.8 kilo ton(kton) CO2/yr, and the amount of CO2 reduction was calculated as revenue by multiplying it with the cost of CO2 emission (CEM). The payback period was used as an assessment method, with results of 5.66, 5.73 and 6.16 months without the EIA and 4.50, 4.54, and 4.88 months when including the EIA. These fluctuations, both when including the environmental impact and otherwise, were equal.
- When taking changes in the fuel used for steam generation into consideration, the fluctuation in the payback period revealed the most economical configuration in terms of environmental impact.
Supplementary Materials
Author Contributions
Funding
Institutional Review Board Statement
Informed Consent Statement
Data Availability Statement
Conflicts of Interest
Nomenclature
| Flow rate of reduced steam [ton/hour] | |
| ∑m | Total steam generation from boiler [kIb/yr] |
| ACI | Annual cash inflows [USD/yr] |
| Area | Heat exchange area [m2] |
| CCH | Water chemical treatment cost [USD/kIb] |
| CED | Cost of reduced environmental damage [USD/yr] |
| CEM | Cost of CO2 emission [USD/kg] |
| CF | Fuel cost [USD/MMBtu] |
| Cfix | Annualized fixed cost [USD/kIb] |
| Chx | Cost of a heat exchanger [USD] |
| CInv | Capital investment [USD/yr] |
| CM | Material and labor cost [USD/yr] |
| CO | Other cost [USD/yr] |
| CPW | Power requirement for water pumping and boiler air fans cost [USD/kIb] |
| CRW | Fresh raw water supply cost [USD/kIb] |
| CS | Cost of source [USD/kg] |
| CSSC | Cost of the saved flow rate of steam [USD/yr] |
| CST | Steam cost [USD/ton] |
| CTO | Coal to olefin |
| Cvar | Variable cost [USD/kIb] |
| E | Required energy [MWh/ton] |
| ECC | Ethane cracking center |
| FBF | Average boiler fuel [MMBtu/kIb] |
| FCO2 | Emission factor of CO2 [kg/MWh] |
| FPU | Feed purification unit |
| HEN | Heat exchange network |
| HV | Heating value [kcal/kg] |
| LP | Low-pressure steam |
| MP | Middle-pressure steam |
| MTO | Methanol to olefin |
| MTP | Methanol to propylene |
| MVR | Mechanical vapor recompression |
| NCC | Naphtha cracking center |
| NHU | Naphtha hydrotreating unit |
| P | Cost of the project [USD] |
| PE | Propylene fractionator |
| PFO | Pyrolysis fuel oil |
| R | Fraction of CInv depreciated annually [%] |
| SHR | Self-heat recuperation |
References
- Kim, S.; Oh, S. Impact of US Shale Gas on the Vertical and Horizontal Dynamics of Ethylene Price. Energies 2020, 13, 4479. [Google Scholar] [CrossRef]
- Han, S.Y.; Lee, C.W.; Kim, J.R.; Han, N.S.; Choi, W.C.; Shin, C.-H.; Park, Y.-K. Selective Formation of Light Olefins by the Cracking of Heavy Naphtha. In Carbon Dioxide Utilization for Global Sustainability, Proceedings of the 7th International Conference on Carbon Dioxide Utilization, Seoul, Korea, 12–16 October 2004; Elsevier: Amsterdam, The Netherlands, 2004; pp. 157–160. [Google Scholar]
- Lee, J.; Hong, U.G.; Hwang, S.; Youn, M.H.; Song, I.K. Catalytic cracking of C5 raffinate to light olefins over lanthanum-containing phosphorous-modified porous ZSM-5: Effect of lanthanum content. Fuel Process. Technol. 2013, 109, 189–195. [Google Scholar] [CrossRef]
- Devlin, D.J.; Archuleta, T.; Barbero, R. Membrane Systems for Energy Efficient Separation of Light Gases; Oak Ridge National Lab.(ORNL): Oak Ridge, TN, USA, 1997. [Google Scholar]
- Motelica, A.; Bruinsma, O.S.; Kreiter, R.; den Exter, M.; Vente, J.F. Membrane Retrofit Option for Paraffin/Olefin Separation—A Technoeconomic Evaluation. Ind. Eng. Chem. Res. 2012, 51, 6977–6986. [Google Scholar] [CrossRef]
- Lee, U.; Kim, J.; Chae, I.S.; Han, C. Techno-economic feasibility study of membrane based propane/propylene separation process. Chem. Eng. Process. Process Intensif. 2017, 119, 62–72. [Google Scholar] [CrossRef]
- Kumar, R.; Golden, T.; White, T.; Rokicki, A. Novel adsorption distillation hybrid scheme for propane/propylene separation. Sep. Sci. Technol. 1992, 27, 2157–2170. [Google Scholar] [CrossRef]
- Parmar, K.K.; Parmar, K.K.; Padmavathi, G.; Dash, S.K. Energy reduction and improved product recovery with enhanced safety of industrial scale propane-propylene separation process. Int. J. Energy Res. 2020, 44, 12630–12638. [Google Scholar] [CrossRef]
- Dimian, A.C.; Bildea, C.S. Energy efficient methanol-to-olefins process. Chem. Eng. Res. Des. 2018, 131, 41–54. [Google Scholar] [CrossRef]
- Tahouni, N.; Bagheri, N.; Towfighi, J.; Panjeshahi, M.H. Improving energy efficiency of an Olefin plant—A new approach. Energy Convers. Manag. 2013, 76, 453–462. [Google Scholar] [CrossRef]
- Christopher, C.C.E.; Dutta, A.; Farooq, S.; Karimi, I.A. Process synthesis and optimization of propylene/propane separation using vapor recompression and self-heat recuperation. Ind. Eng. Chem. Res. 2017, 56, 14557–14564. [Google Scholar] [CrossRef]
- Dimian, A.C.; Kiss, A.A. Novel energy efficient process for acetic acid production by methanol carbonylation. Chem. Eng. Res. Des. 2020, 159, 1–12. [Google Scholar] [CrossRef]
- Khoshbin, R.; Oruji, S.; Karimzadeh, R. Catalytic cracking of light naphtha over hierarchical ZSM-5 using rice husk ash as silica source in presence of ultrasound energy: Effect of carbon nanotube content. Adv. Powder Technol. 2018, 29, 2176–2187. [Google Scholar] [CrossRef]
- Jahromi, F.S.; Beheshti, M. An extended energy saving method for modification of MTP process heat exchanger network. Energy 2017, 140, 1059–1073. [Google Scholar] [CrossRef]
- Aas, E. Optimization of Heat Exchanger Networks Using Aspen Energy Analyzer and SeqHENS. Master’s Thesis, NTNU, Trondheim, Norway, 2019. [Google Scholar]
- Liu, J.; Zhang, P.; Xie, Q.; Liang, D.; Bai, L. Flexibility analysis and design of heat exchanger network for syngas-to-methanol process. Int. J. Coal Sci. Technol. 2021, 8, 1468–1478. [Google Scholar] [CrossRef]
- Paiko, I.; Azeez, O.; Makwashi, N.; Zhao, D. Pinch Analysis in Optimizing Energy Consumption on a Naptha Hydrotreating Unit in a Refinery. Pet. Petrochem. Eng. J. 2017, 2578–4846. [Google Scholar]
- Beninca, M.; Trierweiler, J.O.; Secchi, A.R. Heat integration of an Olefins Plant: Pinch Analysis and mathematical optimization working together. Braz. J. Chem. Eng. 2011, 28, 101–116. [Google Scholar] [CrossRef]
- Zhao, Y.; Zhao, Y.; Huang, Y.; Wang, J.; Bao, W.; Chang, L.; Shi, L.; Yi, Q. Pinch Analysis for Heat Integration of Pulverized Coke Chemical Looping Gasification Coupled with Coke-Oven Gas to Methanol and Ammonia. Processes 2022, 10, 1879. [Google Scholar] [CrossRef]
- Idris, J.; Shirai, Y.; Andou, Y.; Ali, A.A.M.; Othman, M.R.; Ibrahim, I.; Hassan, M.A. Self-sustained carbonization of oil palm biomass produced an acceptable heating value charcoal with low gaseous emission. J. Clean. Prod. 2015, 89, 257–261. [Google Scholar] [CrossRef]
- Fakhroleslam, M.; Sadrameli, S.M. Thermal/catalytic cracking of hydrocarbons for the production of olefins; a state-of-the-art review III: Process modeling and simulation. Fuel 2019, 252, 553–566. [Google Scholar] [CrossRef]
- Lee, J.; Park, S.-K. Synthesis of Carbon Materials from PFO, Byproducts of Naphtha Cracking Process. Appl. Chem. Eng. 2011, 22, 495–500. [Google Scholar]
- Ren, T.; Patel, M.; Blok, K. Olefins from conventional and heavy feedstocks: Energy use in steam cracking and alternative processes. Energy 2006, 31, 425–451. [Google Scholar] [CrossRef]
- Linnhoff, B.; Hindmarsh, E. The pinch design method for heat exchanger networks. Chem. Eng. Sci. 1983, 38, 745–763. [Google Scholar] [CrossRef]
- Linnhoff, B.; Mason, D.R.; Wardle, I. Understanding heat exchanger networks. Comput. Chem. Eng. 1979, 3, 295–302. [Google Scholar] [CrossRef]
- March, L. Introduction to Pinch Technology; Targeting House: Northwich, UK, 1998. [Google Scholar]
- Dimian, A.C.; Bildea, C.S.; Kiss, A.A. Pinch point analysis. In Computer Aided Chemical Engineering; Elsevier: Amsterdam, The Netherlands, 2014; Volume 35, pp. 525–564. [Google Scholar]
- Islam, F. Sustainability Assessment of Direct Energy Deposition (DED) Based Hybrid Manufacturing Using Life Cycle Assessment (LCA) Method; West Virginia University: Morgantown, WV, USA, 2021. [Google Scholar]
- Al-Riyami, B.A.; Klemeš, J.; Perry, S. Heat integration retrofit analysis of a heat exchanger network of a fluid catalytic cracking plant. Appl. Therm. Eng. 2001, 21, 1449–1487. [Google Scholar] [CrossRef]
- Ganjehkaviri, A.; Jaafar, M.M.; Hosseini, S.E. Optimization and the effect of steam turbine outlet quality on the output power of a combined cycle power plant. Energy Convers. Manag. 2015, 89, 231–243. [Google Scholar] [CrossRef]
- Nieuwlaar, E.; Roes, A.L.; Patel, M.K. Final energy requirements of steam for use in environmental life cycle assessment. J. Ind. Ecol. 2016, 20, 828–836. [Google Scholar] [CrossRef]
- Eggleston, H.; Buendia, L.; Miwa, K.; Ngara, T.; Tanabe, K. 2006 IPCC Guidelines for National Greenhouse Gas Inventories. 2006. Available online: https://www.osti.gov/etdeweb/biblio/20880391 (accessed on 1 July 2006).
- Kim, S.-K.; Jang, K.-W.; Hong, J.-H.; Jung, Y.-W.; Kim, H.-C. Estimated CO2 emissions and analysis of solid recovered fuel (SRF) as an alternative fuel. Asian J. Atmos. Environ. 2013, 7, 48–55. [Google Scholar] [CrossRef]
- Sun, L.; Doyle, S.; Smith, R. Understanding steam costs for energy conservation projects. Appl. Energy 2016, 161, 647–655. [Google Scholar] [CrossRef]
- Zhu, F.X.X. Energy and Process Optimization for the Process Industries; John Wiley and Sons: Hoboken, NJ, USA, 2014. [Google Scholar]
- New York State Energy Research and Development Authority Energy Prices, Dollars per Million Btu: Beginning 1970. Available online: https://data.ny.gov/Energy-Environment/Energy-Prices-Dollars-per-Million-Btu-Beginning-19/pzgr-wqm5/data (accessed on 4 February 2020).
- Javanshir, N.; Syri, S.; Teräsvirta, A.; Olkkonen, V. Abandoning peat in a city district heat system with wind power, heat pumps, and heat storage. Energy Rep. 2022, 8, 3051–3062. [Google Scholar] [CrossRef]
- Larson, E.D.; Kreutz, T.G.; Greig, C.; Williams, R.H.; Rooney, T.; Gray, E.; Elsido, C.; Martelli, E.; Meerman, J.C. Design and analysis of a low-carbon lignite/biomass-to-jet fuel demonstration project. Appl. Energy 2020, 260, 114209. [Google Scholar] [CrossRef]
- Zhao, H.; Zhao, D.; Ye, J.; Wang, P.; Chai, M.; Li, Z. Directional Oxygen Functionalization by Defect in Different Metamorphic-Grade Coal-Derived Carbon Materials for Sodium Storage. Energy Environ. Mater. 2022, 5, 313–320. [Google Scholar] [CrossRef]
- Lee, J.; Kim, J.; Kim, S.; Im, G.; Lee, S.; Jeon, E.-C. Development of a country-specific CO2 emission factor for domestic anthracite in Korea, 2007–2009. Environ. Sci. Pollut. Res. 2012, 19, 2722–2727. [Google Scholar] [CrossRef] [PubMed]
- Nuraini, A.A.; Salmi, S.; Aziz, H. Efficiency and boiler parameters effects in sub-critical boiler with different types of sub-bituminous coal. Iran. J. Sci. Technol. Trans. Mech. Eng. 2020, 44, 247–256. [Google Scholar] [CrossRef]
- Mehedi, H.; Dinker, V. Adani G Coal Powe; Bangladesh Working Group on External Debt (BWGED): Bangladesh, India, 2022. [Google Scholar]
- Ng, W.Z.; Obon, A.A.; Lee, C.L.; Ong, Y.H.; Gourich, W.; Maran, K.; Tang, D.B.Y.; Song, C.P.; Chan, E.-S. Techno-economic analysis of enzymatic biodiesel co-produced in palm oil mills from sludge palm oil for improving renewable energy access in rural areas. Energy 2022, 243, 122745. [Google Scholar] [CrossRef]
- Abbasianjahromi, H.; Aghevli, S.; Ravanshadnia, M. Economic risk assessment of concrete and asphaltic pavements in freeways and highways. Case Stud. Constr. Mater. 2020, 12, e00346. [Google Scholar] [CrossRef]
- Jha, G.; Soren, S.; Mehta, K.D. Life cycle assessment of sintering process for carbon footprint and cost reduction: A comparative study for coke and biomass-derived sintering process. J. Clean. Prod. 2020, 259, 120889. [Google Scholar] [CrossRef]
- Dashti, A.; Noushabadi, A.S.; Asadi, J.; Raji, M.; Chofreh, A.G.; Klemeš, J.J.; Mohammadi, A.H. Review of higher heating value of municipal solid waste based on analysis and smart modelling. Renew. Sustain. Energy Rev. 2021, 151, 111591. [Google Scholar] [CrossRef]
- Mustia, D.; Edy, S.; Nurul, A. Analysis of Waste Composition as a Source of Refuse-Derived Fuel in Cilacap; IOP Conference Series: Earth and Environmental Science; IOP Publishing: Bristol, UK, 2021; p. 012063. [Google Scholar]
- Lam, S.S.; Mahari, W.A.W.; Ok, Y.S.; Peng, W.; Chong, C.T.; Ma, N.L.; Chase, H.A.; Liew, Z.; Yusup, S.; Kwon, E.E. Microwave vacuum pyrolysis of waste plastic and used cooking oil for simultaneous waste reduction and sustainable energy conversion: Recovery of cleaner liquid fuel and techno-economic analysis. Renew. Sustain. Energy Rev. 2019, 115, 109359. [Google Scholar] [CrossRef]
- Pérez-Uresti, S.I.; Martín, M.; Jiménez-Gutiérrez, A. Estimation of renewable-based steam costs. Appl. Energy 2019, 250, 1120–1131. [Google Scholar] [CrossRef]
- Di Gianfrancesco, A. The fossil fuel power plants technology. In Materials for Ultra-Supercritical and Advanced Ultra-Supercritical Power Plants; Elsevier: Amsterdam, The Netherlands, 2017; pp. 1–49. [Google Scholar]
- Wilson, I.; Staffell, I. Rapid fuel switching from coal to natural gas through effective carbon pricing. Nat. Energy 2018, 3, 365–372. [Google Scholar] [CrossRef]









| Energy Source | FCO2 (kg CO2/MWh) [32] |
|---|---|
| Coke | 385.2 |
| Peat | 381.6 |
| Lignite | 363.6 |
| Anthracite | 353.88 |
| Sub-bituminous | 345.96 |
| Bitumen | 290.52 |
| Charcoal | 403.2 |
| Municipal wastes | 330.12 |
| Waste plastic | 214.91 [33,34] |
| Natural gas | 201.96 |
| Biogas | 196.56 |
| Solar | 0 |
| Cvar | Cfix | ||
|---|---|---|---|
| FBF, average boiler fuel [MMBtu/1000 Ib steam] | 1.56 | CInv, boiler capital cost [MMUSD] | 20 |
| CRW, freshwater [USD/1000 Ib steam] | 0.02 | R [% of capital cost] | 15 |
| CCH, water treatment cost [USD/1000 Ib steam] | 0.74 | CM, material and labor cost [USD/yr] | 360,000 |
| CPW, power requirement for water pumping, and boiler air fans cost [USD/1000 Ib steam] | 1.77 | ||
| Energy Source | HV (kcal/kg Source) | (USD/kg Source) | (USD/MMBtu) | CST, MP (USD/ton) | CST, LP (USD/ton) |
|---|---|---|---|---|---|
| Coke | - | - | 3.6 [36] | 18.95 | 18.62 |
| Peat | - | - | 4.6 [37] | 21.93 | 21.55 |
| Lignite | - | - | 0.00283 [38] | 8.148 | 8.008 |
| Anthracite | 4519 [39] | 0.14 [40] | 7.812 | 31.59 | 31.05 |
| Sub-bituminous | 5013 [41] | 0.186 [42] | 9.205 | 35.77 | 35.15 |
| Bitumen | 6810 [43] | 0.2 [44] | 7.406 | 30.37 | 29.84 |
| Charcoal | 5982 [20] | 0.15 [45] | 6.324 | 27.12 | 26.65 |
| Municipal wastes | 4612 [46] | 0.03453 [47] | 1.888 | 13.80 | 13.56 |
| Waste plastic | 10,473 [33] | 0.19 [48] | 4.575 | 16.94 | 16.65 |
| Natural gas | - | - | - | 17.57 [49] | 16.81 [49] |
| Biogas | - | - | - | 27.89 [49] | 27.42 [49] |
| Solar | - | - | - | 33.22 [49] | 32.50 [49] |
Publisher’s Note: MDPI stays neutral with regard to jurisdictional claims in published maps and institutional affiliations. |
© 2022 by the authors. Licensee MDPI, Basel, Switzerland. This article is an open access article distributed under the terms and conditions of the Creative Commons Attribution (CC BY) license (https://creativecommons.org/licenses/by/4.0/).
Share and Cite
Jung, S.; Jung, H.; Ahn, Y. Optimal Economic–Environmental Design of Heat Exchanger Network in Naphtha Cracking Center Considering Fuel Type and CO2 Emissions. Energies 2022, 15, 9538. https://doi.org/10.3390/en15249538
Jung S, Jung H, Ahn Y. Optimal Economic–Environmental Design of Heat Exchanger Network in Naphtha Cracking Center Considering Fuel Type and CO2 Emissions. Energies. 2022; 15(24):9538. https://doi.org/10.3390/en15249538
Chicago/Turabian StyleJung, Subin, Hyojin Jung, and Yuchan Ahn. 2022. "Optimal Economic–Environmental Design of Heat Exchanger Network in Naphtha Cracking Center Considering Fuel Type and CO2 Emissions" Energies 15, no. 24: 9538. https://doi.org/10.3390/en15249538
APA StyleJung, S., Jung, H., & Ahn, Y. (2022). Optimal Economic–Environmental Design of Heat Exchanger Network in Naphtha Cracking Center Considering Fuel Type and CO2 Emissions. Energies, 15(24), 9538. https://doi.org/10.3390/en15249538
