Application of Modelling and Simulation in Durability Tests of Vehicles and Their Components
Abstract
1. Introduction
2. Up-to-Date State and the Essence of the Method Proposed
2.1. Examples of Stands for the Simulation of Operating Loads on Vehicles and Their Structural Nodes
2.2. Methods of the Carrying out of Bench Simulation Tests of the Operating Loads on Vehicles and Their Structural Nodes
- ➢
- variant 1 (simulation based on the input signals): The signals that control the vibrators of the test stand are predetermined, e.g., based on measurements of the geometric profile of the road surface to be simulated;
- ➢
- variant 2 (simulation based on the output signals): The machine is controlled by external inputs specially shaped so that the values of specific output parameters obtained on the test stand are in compliance with those previously measured during the corresponding road test (carried out in predefined conditions).

2.3. The Essence of the Method Proposed
3. Possible Useful Simulation Models and an Example Procedure of the Method Proposed
3.1. Examples of the Possible Useful Simulation Models of Motion and Dynamics of Road Vehicles
3.2. Example Procedure Followed When the Modelling and Simulation Is Employed to Determine the Spectrum and Time History of the Load on a Selected Node of the Vehicle Structure Tested for Durability
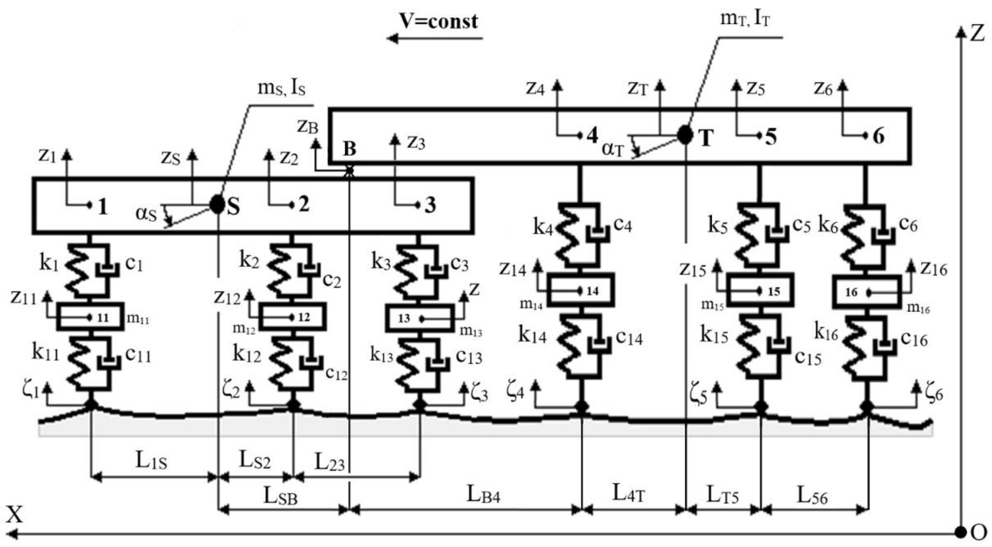
3.2.1. Structure of the Physical Model of a Tractor-Semitrailer Unit
3.2.2. Main Simplifying Assumptions
- The speed of the vehicle combination in the analysed rectilinear motion is constant, V = const.
- The road surface is non-deformable and uneven. The road profile is considered as a Gaussian (normal), stationary, and ergodic random process. It is described as recommended by ISO [27,28]. Its shortest and longest wavelength is 0.1 m and 100 m, respectively. Apart from this unevenness, the road surface is level with no longitudinal slope.
- The spring and damping suspension elements have linear characteristics.
- The spring and damping properties of the road wheels are linear in the radial direction.
- The phenomena of road wheel lift-off and hop and the wheel suspension blocking during compression or rebound are ignored.
- The described translational and angular displacements are considered in relation to the static equilibrium position, for the horizontal and ideally smooth road surface.
- The said relative displacements are so small that Simplifications (1) and (2) may be adopted.sin αS = αS, cos αS = 1sin αT = αT, cos αT = 1
- The longitudinal components of the movement of points 1–6, 11–16, S, T, and B are omitted.
- The smoothing properties of the tires are considered in the form of a “fixed footprint tire model (FFTM)” [17], leading to the filtration of the power spectral density (PSD) of the road profile heights.
- If the model of the vehicle combination is interpreted not as a tractor-semitrailer unit but as a car towing a trailer (coupled by a ball hook-drawbar joint or a rotary joint in the case of a two-dimensional model as discussed herein), then the drawbar of the trailer is rigidly connected to the trailer body. There are no articulated joints (in the trailer), as is the case with trailers with at least two axles.
3.2.3. Indication of Generalized Coordinates and Their Relations with the Adopted Coordinates Describing the Movement of the Vehicle Combination under Analysis
3.2.4. Other Important Relationships to Be Defined before Deriving the Equations of Motion
3.2.5. Equations of Motion—Mathematical Model
3.2.6. Equations of Motion in the Frequency Domain
3.2.7. Vertical Force on the Connection between Tractor’s Fifth Wheel and the King Pin of the Semitrailer
3.2.8. Description of the Random Input from Uneven Road Surface
3.2.9. Smoothing Properties of the Tire
3.2.10. Power Spectral Density of the System Response
3.2.11. Standard Deviation and Extreme Values of the System Response
3.2.12. Natural Frequencies of the System Tested
3.2.13. Generating the Realization of a Random Process That Is the Response of the System under Analysis in the Time Domain
4. Example Calculation Results
4.1. The Data Adopted for the Model of the Tractor-Semitrailer Combination
- -
- road 1: road B (good); Sd(Ω0) = 0.000004, Ω0 = 1.0, w = 2;
- -
- road 2: road C (average); Sd(Ω0) = 0.000016, Ω0 = 1.0, w = 2;
- -
- road 3: road D (poor); Sd(Ω0) = 0.000064, Ω0 = 1.0, w = 2.
4.2. Natural Frequencies of the System under Analysis
f4 = 11.01 Hz, f5 = 11.02 Hz, f6 = 11.04 Hz,
f7 = 11.04 Hz, f8 = 11.05 Hz, f9 = 12.29 Hz
4.3. Power Spectral Densities of the Random Excitation due to Road Surface Irregularities, for the Adopted Speed Values of the Vehicle Combination Tested
4.4. Modules of Transmittance of the Vertical Force F on the Joint between Tractor’s Fifth Wheel and Semitrailer’s Kingpin
4.5. Power Spectral Densities of the Vertical Force F on the Joint between the Tractor’s Fifth Wheel and the Semitrailer’s Kingpin, for the Assumed Values of Speed of the Vehicle Combination under Analysis
4.6. Extreme Values of the Dynamic Force Components on the Joint between the Tractor’s Fifth Wheel and the Semitrailer’s Kingpin
4.7. Realization of the Random Process That Describes the Dynamic Component of the Vertical Force F on the Joint between the Tractor’s Fifth Wheel and the Kingpin of the Semitrailer
5. Summary, Final Conclusions
Funding
Institutional Review Board Statement
Informed Consent Statement
Data Availability Statement
Conflicts of Interest
References
- Azrulhisham, E.; Asri, Y.M.; Dzuraidah, A.W.; Nik Abdullah, N.M.; Che Hassan, C.H.; Shahrom, A. Application of road simulator service loads in automotive component durability assessment. Open Ind. Manuf. Eng. J. 2011, 4, 1–7. [Google Scholar] [CrossRef][Green Version]
- Dukkipati, R.; Pang, J.; Qatu, M.S.; Sheng, G.; Shuguang, Z. Road Vehicle Dynamics; SAE International: Warrendale, PA, USA, 2008. [Google Scholar]
- Gierulski, W. Kształtowanie drgań w stanowiskowych badaniach symulacyjnych. Zesz. Nauk. Politech. Świętokrzyskiej Mech. 1991, 46. [Google Scholar]
- Kaczor, M.; Januszka, M. Optymalizacja konstrukcji naczep z zastosowaniem symulatora drogi MTS. Mechanik 2019, 92, 52–54. [Google Scholar] [CrossRef]
- MTS. Model 320 Tire-Coupled Road Simulators. Versatile, Repeatable Road Simulation for the Full Range of Vehicle Sizes and Applications. MTS Booklet. Available online: https://www.mts.com/cs/groups/public/documents/library/dev_002219.pdf (accessed on 1 February 2020).
- Osiecki, J.W. Badania Pojazdów Samochodowych i ich Zespołów na Stanowiskach Badawczych; Specjalne zagadnienia mechaniki i sterowania; Politechnika Świętokrzyska: Kielce, Poland, 2004; pp. 19–49. ISBN 83-88906-16-x. [Google Scholar]
- Osiecki, J.W.; Gromadowski, T.; Stępiński, B. Badania Pojazdów Samochodowych i ich Zespołów na Symulacyjnych Stanowiskach Badawczych; Wydawnictwo Instytutu Technologii Eksploatacji—PIB: Radom, Poland, 2006; ISBN 83-7204-510-0. [Google Scholar]
- Rao, S.S. Mechanical Vibrations, 5th ed.; Prentice Hall—Pearson: Hoboken, NJ, USA, 2010; ISBN 978-0-13-212819-3. [Google Scholar]
- Rill, G.; Castro, A.A. Road Vehicle Dynamics. Fundamentals and Modeling with MATLAB®, 2nd ed.; CRC Press: Boca Raton, FL, USA; Taylor & Francis Group: Abingdon, UK, 2020; ISBN 9780367199739. [Google Scholar]
- Homepage of Łukasiewicz PIMOT. BLY Laboratory. Available online: https://pimot.lukasiewicz.gov.pl/index.php?option=com_content&view=article&id=40&Itemid=222 (accessed on 7 October 2022).
- Homepage of MTS. Available online: https://test.mts.com/industries/automotive (accessed on 13 May 2020).
- Homepage of Wielton. Available online: https://wieltongroup.com/innowacyjnosc/ (accessed on 10 September 2022).
- Homepage 40ton.net (Motoryzacja dla Profesjonalistów—Automotive for Professionals). Available online: https://40ton.net/zobacz-jak-dziala-i-do-czego-sluzy-centrum-badawczo-rozwojowe-firmy-wielton-otwarte-wczoraj-w-wieluniu/ (accessed on 10 September 2022).
- Lozia, Z. The concept of the application of modelling and simulation to simplify and reduce the cost of durability tests of vehicles and their components. In IOP Conference Series: Materials Science and Engineering; IOP Publishing: Bristol, UK, 2022; Volume 1247. [Google Scholar] [CrossRef]
- Kamiński, E.; Pokorski, J. Teoria Samochodu. Dynamika Zawieszeń i Układów Napędowych Pojazdów Samochodowych; WKŁ: Warsaw, Poland, 1983. [Google Scholar]
- Kasprzyk, T.; Prochowski, L. Teoria Samochodu. Obciążenia Dynamiczne Zawieszeń; WKŁ: Waraw, Poland, 1990. [Google Scholar]
- Lozia, Z. Analiza Ruchu Samochodu Dwuosiowego na tle Modelowania jego Dynamiki; Monograph 41; Transport; Prace Naukowe Politechniki Warszawskiej: Warsaw, Poland, 1998. [Google Scholar]
- Lozia, Z. Examples of authorial models for the simulation of motor vehicle motion and dynamics. Zesz. Nauk. Inst. Pojazdów PW 2015, 104, 9–27. [Google Scholar]
- Lozia, Z. The use of a linear quarter-car model to optimize the damping in a passive automotive suspension system—A follow-on from many authors’ works of the recent 40 years. Arch. Automot. Eng.—Arch. Motoryz. 2016, 71, 39–71. [Google Scholar] [CrossRef]
- Osiecki, J. Dynamika Maszyn; Wojskowa Akademia Techniczna: Warsaw, Poland, 1994. [Google Scholar]
- Osiński, Z. Teoria Drgań; PWN: Warsaw, Poland, 1978. [Google Scholar]
- Prochowski, L. Pojazdy Samochodowe. Mechanika Ruchu; WKŁ: Warsaw, Poland, 2005. [Google Scholar]
- Arczyński, S. Mechanika Ruchu Samochodu; WNT: Warsaw, Poland, 1993. [Google Scholar]
- Mitschke, M. Teoria Samochodu. Dynamika Samochodu; WKŁ: Warsaw, Poland, 1977. [Google Scholar]
- Mitschke, M. Dynamika Samochodu; Tome 2: Drgania; WKŁ: Warsaw, Poland, 1989. [Google Scholar]
- Lozia, Z. Simulation testing of two ways of disturbing the motion of a motor vehicle entering a skid pad as used for tests at Driver Improvement Centres. Arch. Automot. Eng.—Arch. Motoryz. 2016, 72, 111–125. [Google Scholar] [CrossRef]
- ISO/TC 108/253; Reporting Vertical Road Surface Irregularities. Generalised Vertical Road Inputs to Vehicles. ISO: Geneva, Switzerland, 1980.
- ISO 8608:2016(E); 2nd ed. Mechanical Vibration—Road Surface Profiles—Reporting of Measured Data. ISO: Geneva, Switzerland, 2016.
- Meirovitch, L. Elements of Vibration Analysis; McGraw-Hill Kogakusha: Tokyo, Japan, 1975. [Google Scholar]
- Meirovitch, L. Fundamentals of Vibrations; McGraw-Hill International Edition: Singapore, 2001. [Google Scholar]
- Newland, D.E. An Introduction to Random Vibration Spectral and Wavelet Analysis, 3rd ed.; Dover Publications, Inc.: Mineola, NY, USA, 1993. [Google Scholar]
- Osiecki, J. Podstawy Analizy Drgań Mechanicznych; Politechnika Świętokrzyska: Kielce, Poland, 1979. [Google Scholar]
- Bishop, R.E.D.; Gladwell, S.M.L.; Michaelson, S. Macierzowa Analiza Drgań; WNT: Warsaw, Poland, 1972. [Google Scholar]













Publisher’s Note: MDPI stays neutral with regard to jurisdictional claims in published maps and institutional affiliations. |
© 2022 by the author. Licensee MDPI, Basel, Switzerland. This article is an open access article distributed under the terms and conditions of the Creative Commons Attribution (CC BY) license (https://creativecommons.org/licenses/by/4.0/).
Share and Cite
Lozia, Z. Application of Modelling and Simulation in Durability Tests of Vehicles and Their Components. Energies 2022, 15, 9398. https://doi.org/10.3390/en15249398
Lozia Z. Application of Modelling and Simulation in Durability Tests of Vehicles and Their Components. Energies. 2022; 15(24):9398. https://doi.org/10.3390/en15249398
Chicago/Turabian StyleLozia, Zbigniew. 2022. "Application of Modelling and Simulation in Durability Tests of Vehicles and Their Components" Energies 15, no. 24: 9398. https://doi.org/10.3390/en15249398
APA StyleLozia, Z. (2022). Application of Modelling and Simulation in Durability Tests of Vehicles and Their Components. Energies, 15(24), 9398. https://doi.org/10.3390/en15249398
