Study on the Performance of a Newly Designed Cooling System Utilizing Dam Water for Internet Data Centers
Abstract
1. Introduction
2. Literature Review
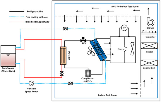
3. Experimental Setup and Procedure
4. Experimental Results and Discussion
4.1. Performance Characteristics of an Air Source Conventional IDC Cooling System
4.2. Performance Characteristics of a Hybrid IDC Cooling System Utilizing Deep Water Dam Source
4.2.1. Hybrid IDC Cooling System Utilizing Deep Water Dam Source Forced-Cooling Mode
4.2.2. Hybrid IDC Cooling System Mode Change Temperature (MCT) and Hybrid Mode Performance
4.3. Performance Comparison of Conventional and Hybrid Cooling System Utilizing Dam Deep Water Based on External Zone Bin Data
5. Conclusions
Author Contributions
Funding
Conflicts of Interest
Nomenclature
| COP | Coefficient of Performance |
| DX | Direct Expansion |
| DB | Dry Bulb |
| EEV | Electronic Expansion Valve |
| EWT | Entering Water Temperature |
| HX | Heat Exchanger |
| ID | Indoor |
| IDC | Internet Data Center |
| ICOP | Integrated Coefficient of Performance |
| ISO | International Standards Organization |
| LPM | Liters per minute |
| MCT | Mode Change Temperature |
| PUE | Power Usage Effectiveness |
| OD | Outdoor |
| WB | Wet Bulb |
| Q | Capacity |
References
- Zhang, Q.; Meng, Z.; Hong, X.; Zhan, Y.; Liu, J.; Dong, J.; Bai, T.; Niu, J.; Deen, M.J. A Survey on Data Center Cooling Systems: Technology, Power Consumption Modeling and Control Strategy Optimization. J. Syst. Archit. 2021, 119, 102253. [Google Scholar] [CrossRef]
- Gao, T.; Sammakia, B.G.; Geer, J.; Murray, B.; Tipton, R.; Schmidt, R. Comparative Analysis of Different in Row Cooler Management Configurations in a Hybrid Cooling Data Center; American Society of Mechanical Engineers: New York, NY, USA, 2015. [Google Scholar]
- Han, Z.; Wei, H.; Sun, X.; Bai, C.; Xue, D.; Li, X. Study on Influence of Operating Parameters of Data Center Air Conditioning System Based on the Concept of On-Demand Cooling. Renew. Energy 2020, 160, 99–111. [Google Scholar] [CrossRef]
- Amoabeng, K.O.; Choi, J.M. Review on Cooling System Energy Consumption in Internet Data Centers. Int. J. Air-Cond. Refrig. 2016, 24, 1–17. [Google Scholar] [CrossRef]
- Deymi-Dashtebayaz, M.; Namanlo, S.V. Potentiometric and Economic Analysis of Using Air and Water-Side Economizers for Data Center Cooling Based on Various Weather Conditions. Int. J. Refrig. 2019, 99, 213–225. [Google Scholar] [CrossRef]
- Gao, T.; Samadiani, E.; Sammakia, B.; Schmidt, R. Comparative Thermal and Energy Analysis of a Hybrid Cooling Data Center with Rear Door Heat Exchangers; American Society of Mechanical Engineers: New York, NY, USA, 2013. [Google Scholar]
- Wang, Z.; Zhang, X.; Li, Z.; Luo, M. Analysis on Energy Efficiency of an Integrated Heat Pipe System in Data Centers. Appl. Therm. Eng. 2015, 90, 937–944. [Google Scholar] [CrossRef]
- Yan, G.; Feng, Y.; Peng, L. Experimental Analysis of a Novel Cooling System Driven by Liquid Refrigerant Pump and Vapor Compressor. Int. J. Refrig. 2015, 49, 11–18. [Google Scholar] [CrossRef]
- Zhang, H.; Shao, S.; Zou, H.; Tian, C. Performance Analysis on Hybrid System of Thermosyphon Free Cooling and Vapor Compression Refrigeration for Data Centers in Different Climate Zones of China. Energy Procedia 2014, 61, 428–431. [Google Scholar] [CrossRef]
- Deymi-Dashtebayaz, M.; Valipour Namanlo, S.; Arabkoohsar, A. Simultaneous Use of Air-Side and Water-Side Economizers with the Air Source Heat Pump in a Data Center for Cooling and Heating Production. Appl. Therm. Eng. 2019, 161, 114133. [Google Scholar] [CrossRef]
- Wang, J.; Zhang, Q.; Yu, Y. An Advanced Control of Hybrid Cooling Technology for Telecommunication Base Station. Energy Build. 2016, 133, 172–184. [Google Scholar] [CrossRef]
- Han, Z.; Zhang, Y.; Meng, X.; Liu, Q.; Li, W.; Han, Y.; Zhang, Y. Simulation Study on the Operating Characteristics of the Heat Pipe for Combined Evaporative Cooling of Computer Room Air-Conditioning System. Energy 2016, 98, 15–25. [Google Scholar] [CrossRef]
- Sun, Y.; Wang, T.; Yang, L.; Hu, L.; Zeng, X. Research of an Integrated Cooling System Consisted of Compression Refrigeration and Pump-Driven Heat Pipe for Data Centers. Energy Build. 2019, 187, 16–23. [Google Scholar] [CrossRef]
- Liu, Y.; Yang, X.; Li, J.; Zhao, X. Energy Savings of Hybrid Dew-Point Evaporative Cooler and Micro-Channel Separated Heat Pipe Cooling Systems for Computer Data Centers. Energy 2018, 163, 629–640. [Google Scholar] [CrossRef]
- Ma, Y.; Ma, G.; Zhang, S.; Xu, S. Experimental investigation on a novel integrated system of vapor compression and pump-driven two phase loop for energy saving in data centers cooling. Energy Convers. Manag. 2015, 106, 194–200. [Google Scholar] [CrossRef]
- Meng, F.; Zhang, Q.; Lin, Y.; Zou, S.; Fu, J.; Liu, B.; Wang, W.; Ma, X.; Du, S. Field study on the performance of a thermosyphon and mechanical refrigeration hybrid cooling system in a 5G telecommunication base station. Energy 2022, 252, 123744. [Google Scholar] [CrossRef]
- Wang, J.; Zhang, Q.; Yoon, S.; Yu, Y. Reliability and Availability Analysis of a Hybrid Cooling System with Water-Side Economizer in Data Center. Build. Environ. 2019, 148, 405–416. [Google Scholar] [CrossRef]
- Wang, J.; Zhang, Q.; Yoon, S.; Yu, Y. Impact of Uncertainties on the Supervisory Control Performance of a Hybrid Cooling System in Data Center. Build. Environ. 2019, 148, 361–371. [Google Scholar] [CrossRef]
- ISO 13256-2; Water-Source Heat Pumps—Testing and Rating for Performance—Part 2: Water-to-Water and Brine-to-Water Heat Pumps. ISO: Geneva, Switzerland, 1998.
- ANSI/ASHRAE, 127; Method of Testing for Rating Air-Conditioning Units Serving Data Center (DC) and Other Information Technology Equipment (ITE) Spaces, 180 Technology Parkway NW. ANSI/ASHRAE: Peachtree Corners, GA, USA, 2020.
- AHRI Standard 1361 (SI); Performance Rating of Computer and Data Processing Room Air Conditioners. AHRI: Arlington, VA, USA, 2017.
- ANSI/AMCA 210-99; Laboratory Method of Testing Fans for Aerodynamic Performance Rating, 210. Air Movement and Control Association International Inc.: Arlington Heights, IL, USA, 1999.
- Anka, S.K.; Mensah, K.; Boahen, S.; Ohm, T.I.; Cho, Y.; Choi, J.W.; Choo, S.H.; Kim, H.Y.; Choi, J.M. Performance optimization of an air source HVAC system for an internet data center building using the integrated COP method. J. Build. Eng. 2022, 61, 105308. [Google Scholar] [CrossRef]





















| Components | Type | Specifications |
|---|---|---|
| Compressor | Scroll | 3.5 kW |
| Evaporator (Multi-function HX) | Fin-tube heat exchanger Countercurrent flow | 15 kW |
| Condenser | Fin-tube heat exchanger Countercurrent flow | 20 kW |
| Plate HX | Kaori plate HX | Max. working temperature: 200 °C Max. working pressure: 30 bar |
| Expansion device Pump | Electronic expansion valve Centrifugal pump | Step motor-driven (500 steps) |
| Sensors | Specification | ||
|---|---|---|---|
| Manufacturer | Model or Type | Accuracy | |
| Pressure transducer | Setra System Inc. | C206 | of reading |
| Thermocouple | Omega | T-type | |
| RTD | Watlow | A class | |
| Volumetric flow rate | Madger meter | Magnetic | of reading |
| Power meter | Yokogawa | WT 330 | of the full range |
| Parameters | Conventional Cycle | Forced-Cooling Mode | Free-Cooling Mode | ||||
|---|---|---|---|---|---|---|---|
| ID | DB | 26.7 | 19.4 | 26.7 | 19.4 | 26.7 | 19.4 |
| WB | 21.1 | 15.6 | 21.1 | 15.6 | 21.1 | 15.6 | |
| OD | DB | 30.6, 26.7, 16.7, 12, 7 | - | - | |||
| WB | 24, 15.6, 6 | ||||||
| EWT | 30, 25, 15, 10, 7 | 13, 10, 9, 8, 7 | |||||
| EEV | 6 | 6 | - | ||||
| Parameter | Uncertainty According to Operating Mode % | ||
|---|---|---|---|
| Conventional | Forced-Cooling | Free-Cooling | |
| COP | 2.96 | 3.01 | 3.23 |
| Capacity | 2.5 | 2.54 | 2.86 |
| Water Temperature, °C | |||
|---|---|---|---|
| Year | Min. | Max. | Average |
| 2017 | 4.8 | 15.90 | 8.71 |
| 2018 | 5.06 | 12.55 | 8.64 |
| 2019 | 5.57 | 17.44 | 7.22 |
| 2020 | 6.17 | 18.35 | 11.66 |
| # | Province | Representative Year | Hours 18.3 | 12.8 < Hours ≤ 18.3 | 7.2 < Hours ≤ 12.8 | Hours ≤ 7.2 | ||||
|---|---|---|---|---|---|---|---|---|---|---|
| Hours | % | Hours | % | Hours | % | Hours | % | |||
| 1 | Gangwon-Do (Soyang-Dam) | 2020 | 6 | 0.01810 | 16,564 | 49.987 | 11,411 | 34.43 | 5162 | 15.57 |
| 2 | 2019 | 0 | 0.00000 | 174 | 0.53 | 10,246 | 30.91 | 22,723 | 68.56 | |
| 3 | 2018 | 0 | 0.00000 | 0 | 0.00 | 26,382 | 79.60 | 6761 | 20.40 | |
| 4 | 2017 | 0 | 0.0 | 7308 | 22.0 | 15,539 | 46.9 | 10,296 | 31.1 | |
| TEST TYPE | A | B | C | D | ||||||
| AVERAGE | 2 | 0.0 | 6012 | 18.1 | 15,895 | 48.0 | 11,236 | 33.9 | ||
| System | Test Type | Temperature Condition | Weighted Average | Water Flow Rate (lpm) | MCT (°C) |
|---|---|---|---|---|---|
| Conventional air source IDC cooling system | A | 35 | 0.085 | N/A | N/A |
| B | 26.7 | 0.306 | |||
| C | 18.3 | 0.387 | |||
| D | 4.4 | 0.222 | |||
| Hybrid IDC cooling system utilizing deep water source from dam | A | 28.3 | 0 | 42/72 | 9.15 |
| B | 21.1 | 0.181 | |||
| C | 12.8 | 0.48 | |||
| D | 7.2 | 0.339 |
| # | Representative City | 26.7 °C | 18.3 °C–26.7 °C | 4.4 °C–18.3 °C | ≤4.4 °C | ||||
|---|---|---|---|---|---|---|---|---|---|
| Hours | % | Hours | % | Hours | % | Hours | % | ||
| 1 | Jeonju | 995 | 11.2 | 2604 | 29.2 | 3184 | 35.8 | 2121 | 23.8 |
| 2 | Seogwipo | 934 | 10.5 | 3219 | 36.2 | 4443 | 49.9 | 307 | 3.4 |
| 3 | Yeosu | 446 | 5.0 | 3006 | 33.8 | 3977 | 44.7 | 1475 | 16.6 |
| 4 | Cheongju | 911 | 10.2 | 2505 | 28.1 | 2761 | 31.0 | 2727 | 30.6 |
| 5 | Cheonan | 746 | 8.4 | 2517 | 28.3 | 2891 | 32.5 | 2750 | 30.9 |
| 6 | Incheon | 434 | 4.9 | 2881 | 32.4 | 3369 | 37.8 | 2220 | 24.9 |
| 7 | Pohang | 797 | 9.0 | 2860 | 32.1 | 3690 | 41.4 | 1557 | 17.5 |
| 8 | Changwon | 620 | 7.0 | 2973 | 33.4 | 3938 | 44.2 | 1373 | 15.4 |
| 9 | Suwon | 680 | 7.6 | 2682 | 30.1 | 3159 | 35.5 | 2383 | 26.8 |
| 10 | Gwangju | 969 | 10.9 | 2746 | 30.8 | 3160 | 35.5 | 2029 | 22.8 |
| 11 | Cheolwon | 439 | 4.9 | 2363 | 26.5 | 3112 | 35.0 | 2990 | 33.6 |
| 12 | Busan-Gimhae | 798 | 9.0 | 2756 | 31.0 | 3862 | 43.4 | 1488 | 16.7 |
| 13 | Seoul | 844 | 9.5 | 2625 | 29.5 | 3066 | 34.4 | 2369 | 26.6 |
| 14 | Daegu | 1051 | 11.8 | 2504 | 28.1 | 3566 | 40.0 | 1783 | 20.0 |
| 15 | Daejeon | 782 | 8.8 | 2633 | 29.6 | 3104 | 34.9 | 2385 | 26.8 |
| 16 | Ulsan | 727 | 8.2 | 2664 | 29.9 | 3879 | 43.6 | 1634 | 18.4 |
| TEST TYPE | A | B | C | D | |||||
| AVERAGE | 761 | 8.5 | 2721 | 30.6 | 3448 | 38.7 | 1974 | 22.2 | |
Publisher’s Note: MDPI stays neutral with regard to jurisdictional claims in published maps and institutional affiliations. |
© 2022 by the authors. Licensee MDPI, Basel, Switzerland. This article is an open access article distributed under the terms and conditions of the Creative Commons Attribution (CC BY) license (https://creativecommons.org/licenses/by/4.0/).
Share and Cite
Anka, S.K.; Boafo, N.L.; Mensah, K.; Boahen, S.; Lee, K.H.; Choi, J.M. Study on the Performance of a Newly Designed Cooling System Utilizing Dam Water for Internet Data Centers. Energies 2022, 15, 9274. https://doi.org/10.3390/en15249274
Anka SK, Boafo NL, Mensah K, Boahen S, Lee KH, Choi JM. Study on the Performance of a Newly Designed Cooling System Utilizing Dam Water for Internet Data Centers. Energies. 2022; 15(24):9274. https://doi.org/10.3390/en15249274
Chicago/Turabian StyleAnka, Selorm Kwaku, Nicholas Lamptey Boafo, Kwesi Mensah, Samuel Boahen, Kwang Ho Lee, and Jong Min Choi. 2022. "Study on the Performance of a Newly Designed Cooling System Utilizing Dam Water for Internet Data Centers" Energies 15, no. 24: 9274. https://doi.org/10.3390/en15249274
APA StyleAnka, S. K., Boafo, N. L., Mensah, K., Boahen, S., Lee, K. H., & Choi, J. M. (2022). Study on the Performance of a Newly Designed Cooling System Utilizing Dam Water for Internet Data Centers. Energies, 15(24), 9274. https://doi.org/10.3390/en15249274

