FBG Sensing Technology for an Enhanced Microgrid Performance
Abstract
1. Introduction
2. Materials and Methods
2.1. FBG Sensing Background
- grating period
- : The variation in the refractive index;
- : The fraction of power in the core.
- the grating periods;
- V: the fringe visibility;
- : the grating length.
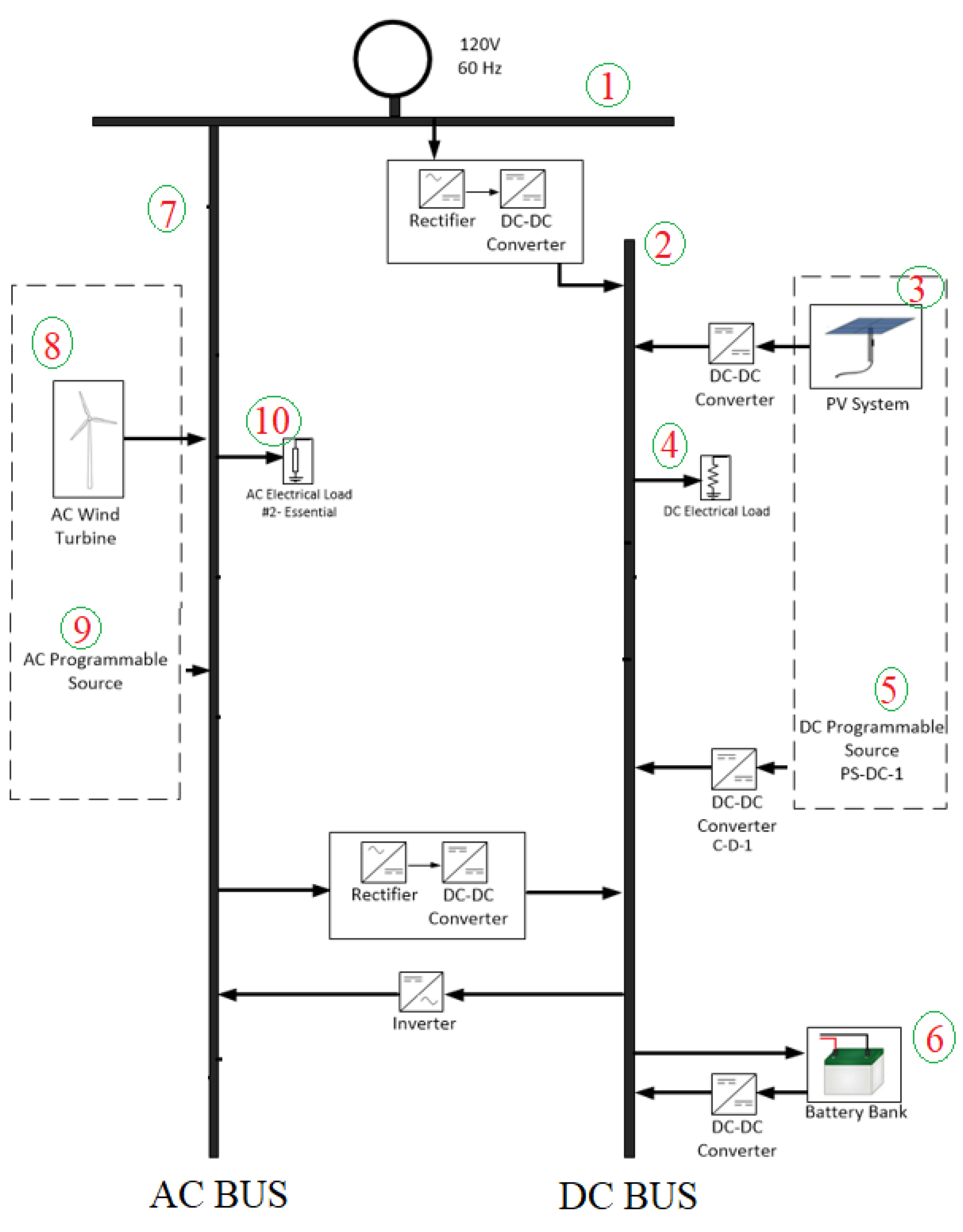
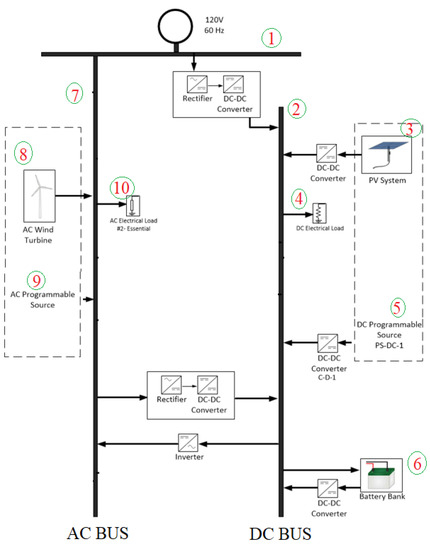
2.2. Experimental Setup of MG
2.3. Simulink Model of MG
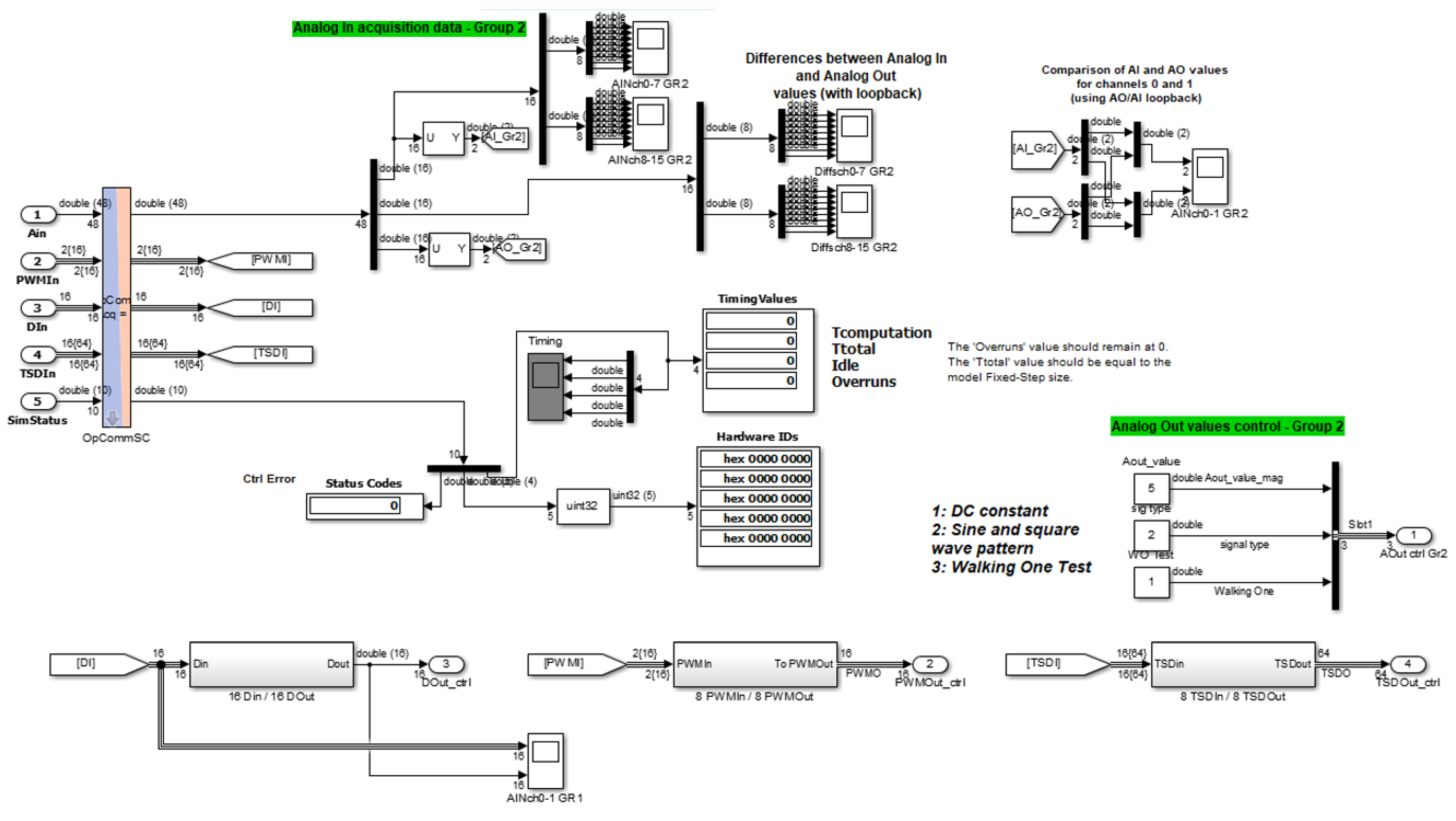
2.4. Real-Time Simulation
3. Results
3.1. Unit Testing of MG Sensing
3.1.1. Normal Condition at PV Array as an Energy Source
3.1.2. Normal Condition at the PCC
3.1.3. Battery Charging Test Case with All Sensors
3.1.4. Battery Discharging Test Case
3.1.5. Testing the Condition of EMI Effects at the PCC
3.1.6. Testing the Condition of HV Effects at the PCC
3.2. Testing the Effect of Sensing Accuracy on the MG Performance
3.2.1. Testing at Normal Condition
3.2.2. Testing under EMI Effects
4. Conclusions
Author Contributions
Funding
Data Availability Statement
Conflicts of Interest
References
- Thomas, M.S.; Mcdonald, J.D. Power System SCADA and Smartgrid; Apple Academic Press Inc.: Burlington, ON, Canada, 2015. [Google Scholar]
- Kiritsis, N.; Khan, K.; Sachdeva, D. Preparing the Millennial Engineering Graduate to Join the Workforce. In Proceedings of the Presented in ABB Automation and Power World (APW) Digital Conference, Houston, TX, USA, 13–16 March 2017. [Google Scholar]
- Khan, K.R. Control of Energy Delivery System using Distributed Controller. In Proceedings of the SSECT16, New Orleans, LA, USA, 1 September 2017. [Google Scholar]
- Khan, K.R.; Nadeem, A.R.A.; Siddiqui, M.S.; Khan, R.A. Remote Monitoring and Control of Microgrid using Smart Sensor Network and Internet of Thing. In Proceedings of the ICAAIS Conference, Riyadh, Saudi Arabia, 4–5 April 2018. [Google Scholar]
- Khan, K.R.; Rahman, A.; Alghamdi, T.; Nadeem, A.; Siddiqui, M.S.; Khan, R.A. Smart Monitoring of Microgrid Critical Assets using Smart Sensors. MAGNT Res. Rep. 2018, 2, 439–446. [Google Scholar]
- Khan, K.R.; Siddiqui, M.S.; al Saawy, Y.; Islam, N.; Rahman, A. Condition Monitoring of a Campus Microgrid Elements using Smart Sensors. Procedia Comput. Sci. 2019, 163, 109–116. [Google Scholar] [CrossRef]
- Ipakchi, A.; Rahimi, F. Grid of the future. IEEE Power Energy Mag. 2009, 7, 52–62. [Google Scholar] [CrossRef]
- Venkatraman, K.; Reddy, B.D.; Selvan, M.P.; Moorthi, S.; Kumaresan, N.; Gounden, N.A. Online condition monitoring and power management system for standalone micro-grid using FPGAs. IET Gener. Transm. Distrib. 2016, 10, 3875–3884. [Google Scholar] [CrossRef]
- Pourramezan, R.; Seyedi, Y.; Karimi, H.; Zhu, G.; Mont-Briant, M. Design of an Advanced Phasor Data Concentrator for Monitoring of Distributed Energy Resources in Smart Microgrids. IEEE Trans. Ind. Inform. 2017, 13, 3027–3036. [Google Scholar] [CrossRef]
- Pal, D.; Meyur, R.; Menon, S.; Reddy, M.J.B.; Mohanta, D.K. Real-time condition monitoring of substation equipment using thermal cameras. IET Gener. Transm. Distrib. 2018, 12, 895–902. [Google Scholar] [CrossRef]
- Rana, M.M. Architecture of the Internet of Energy Network: An Application to Smart Grid Communications. IEEE Access J. 2017, 5, 4704–4710. [Google Scholar] [CrossRef]
- ISO/IEC 30101-2014; Information Technology—Sensor Networks: Sensor Network and Its Interfaces for Smart Grid System. ISO: Geneva, Switzerland, 2014.
- Grid Modernization Laboratory Consortium. Project 1.2.5: Sensing & Measurement Strategy, Task 2: Technology Roadmap Development Technology Review Draft Document; U.S. Department of Energy: Washington, DC, USA, 2016.
- The Smart Grid: An Introduction. 2012. Available online: https://www.energy.gov/sites/default/files/oeprod/DocumentsandMedia/DOE_SG_Book_Single_Pages%281%29.pdf (accessed on 1 August 2022).
- Elxayed, Y.; Saad, N.; Zekry, A. Enhancing the maximum power point tracking techniques for photovoltaic systems. Renew. Sustain. Energy Rev. 2014, 40, 505–514. [Google Scholar] [CrossRef]
- Elxayed, Y.; Saad, N.; Zekry, A. Enhancing the design of battery charging controllers for photovoltaic systems. Renew. Sustain. Energy Rev. 2016, 58, 646–655. [Google Scholar] [CrossRef]
- Elxayed, Y.; Saad, N.; Zekry, A. Enhancing the tracking techniques for the global maximum power point under partial shading conditions. Renew. Sustain. Energy Rev. 2017, 73, 1173–1183. [Google Scholar] [CrossRef]
- Elsayed, Y.; Gabbar, H.A. Enhancing FBG Sensing in the Industrial Application by Optimizing the Grating Parameters Based on NSGA-II. Sensors 2022, 22, 8203. [Google Scholar] [CrossRef] [PubMed]
- New York Independent System Operator. A Review of Distributed Energy Resources; Dnv, G.L., Ed.; New York Independent System Operator: Rensselaer, NY, USA, 2014. [Google Scholar]
- Wikipedia Contributors. “Fiber Bragg Grating.” Wikipedia, Wikimedia Foundation, 15 Dec. 2019. Available online: en.wikipedia.org/wiki/Fiber_bragg_grating (accessed on 1 August 2022).
- Hisham, H.K. Numerical Analysis of Thermal Dependence of the Spectral Response of Polymer Optical Fiber Bragg Gratings. Iraq J. Electr. Electron. Eng. 2016, 12, 85–95. [Google Scholar] [CrossRef]
- Hong, C.-Y. An optical fibre monitoring system for evaluating the performance of a soil nailed slope. Smart Struct. Syst. 2012, 9, 393–410. [Google Scholar]
- Inaudi, D.; Glisic, B. Fiber Optic Sensing for Innovative Oil & Gas Production and Transport Systems. In Proceedings of the 18th International Conference on Optical Fiber Sensors, Cancún, Mexico, 23 October 2006; pp. 1–4. [Google Scholar]
- Elsayed, E.; Zekry, A.; Saad, N. Enhancing the Optimization of Hybrid Renewable Energy Systems by Using Statistical Calculations and Data Mining Analysis. Int. J. Renew. Energy Res. 2019, 9, 868–886. [Google Scholar]
- Elsayed, E.; Zekry, A.; Saad, N. Assessing Wind Energy Conversion Systems Based on Newly Developed Wind Turbine Emulator. Int. J. Smart Grid 2020, 4, 139–148. [Google Scholar]
- Elsayed, E.; Zekry, A.; Saad, N. Enhancing the Energy Utilization of Hybrid Renewable Energy Systems. Int. J. Renew. Energy Res. 2019, 10, 1974–1987. [Google Scholar]
- Othonos, A.; Kalli, K.; Kohnke, G.E. Fiber Bragg Gratings: Fundamentals and Applications in Telecommunications and Sensing. Phys. Today 2000, 53, 61–62. [Google Scholar] [CrossRef]


















| Sensors | Test Cases | Potential Points |
|---|---|---|
| MTS FBG Temperature sensors, | Normal case | Battery pack |
| DS18b20 digital temperature sensor | HV Effects | PCC |
| LM35 analog temperature sensor | EMI Effects | PV array |
| min | max | Avg | std | |
|---|---|---|---|---|
| IR | 24.15217 | 24.25836 | 24.18738 | 0.021523 |
| LM35 | 23.12 | 26.64 | 25.18818 | 0.7772 |
| DS1820 | 24.56 | 26.38 | 25.54879 | 0.512773 |
| FBG | 24.14999 | 24.21119 | 24.16056 | 0.011033 |
| Sensor | Minimum | Maximum | Mean | std |
|---|---|---|---|---|
| LM35 | 23.12 | 27.59 | 25.63666667 | 0.843662 |
| DS18B20 | 24.56 | 27.56 | 26.10838384 | 0.719801 |
| FBG | 24.14998872 | 24.39 | 24.26463471 | 0.084516 |
| IR | 23.96363717 | 24.37186922 | 24.16026272 | 0.103179 |
| Minimum | Maximum | Mean | std | |
|---|---|---|---|---|
| IR | 29.07688 | 29.45507 | 29.26742 | 0.100912151 |
| LM35 | 28.26728 | 32.74276 | 30.73532 | 0.843199771 |
| DS1820 | 29.15517 | 29.46502 | 29.31607 | 0.094830821 |
| FBG | 29.58173 | 32.56393 | 31.16355 | 0.724598182 |
Publisher’s Note: MDPI stays neutral with regard to jurisdictional claims in published maps and institutional affiliations. |
© 2022 by the authors. Licensee MDPI, Basel, Switzerland. This article is an open access article distributed under the terms and conditions of the Creative Commons Attribution (CC BY) license (https://creativecommons.org/licenses/by/4.0/).
Share and Cite
Elsayed, Y.; Gabbar, H.A. FBG Sensing Technology for an Enhanced Microgrid Performance. Energies 2022, 15, 9273. https://doi.org/10.3390/en15249273
Elsayed Y, Gabbar HA. FBG Sensing Technology for an Enhanced Microgrid Performance. Energies. 2022; 15(24):9273. https://doi.org/10.3390/en15249273
Chicago/Turabian StyleElsayed, Yasser, and Hossam A. Gabbar. 2022. "FBG Sensing Technology for an Enhanced Microgrid Performance" Energies 15, no. 24: 9273. https://doi.org/10.3390/en15249273
APA StyleElsayed, Y., & Gabbar, H. A. (2022). FBG Sensing Technology for an Enhanced Microgrid Performance. Energies, 15(24), 9273. https://doi.org/10.3390/en15249273

