Research on ZVS Phase-Shifted Full-Bridge Broadband Inverter Based on Auxiliary Current Source
Abstract
1. Introduction
2. Full-Bridge Inverter Circuit and Its Working Modes Analysis
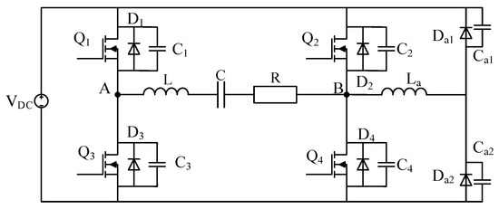
2.1. Full-Bridge Inverter Topology
2.2. Circuit Working Modes Analysis
- All switches and diodes are ideal devices. The conduction voltage drop of the diode is vd.
- All inductors and capacitors are ideal devices.
- C1 = C2 = C3 = C4 = Cp, Ca1 = Ca2 = Ca.
- To realize the soft switching of the leading bridge arm, it is necessary to ensure that the current flowing through the capacitor can charge the capacitor to the power supply voltage VDC within the dead time. According to , combined with (9), the time required to charge the capacitor to the power supply voltage VDC can be obtained as:This time is less than the dead time to ensure soft switching.
- To realize the soft switching of the lagging bridge arm, it is necessary to ensure that the charging and discharging time t3a of the lagging bridge arm is less than the dead time.
- The maximum value iLah of the auxiliary inductor current iLa is only related to the parameters of the DC voltage source and the auxiliary network, , therefore, as long as the parameters of the auxiliary network are determined, the magnitude of the current injected into the desired bridge arm can be determined.
- The voltage stress of the auxiliary capacitor is the DC voltage source voltage VDC.
- The voltage stress of the auxiliary diode is VDC and its current stress is iLah.
- When Q4 (or Q2) is off, the auxiliary inductor current iLa flows into (or out of) node B. Its amplitude is:where .
2.3. Applicable Frequency Range
3. Simulation Results Analysis
3.1. Simulation Parameter Setting
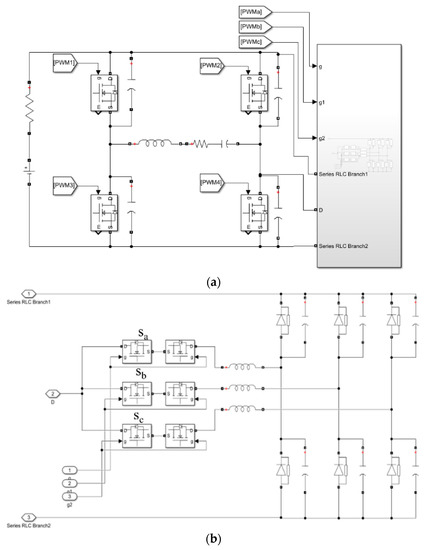
3.2. Simulation Circuit and Results Analysis
3.3. Loss and Efficiency Analysis
3.4. Scalability to High Power Application
4. Experimental Results and Analysis
4.1. Without Auxiliary Current Source
4.2. With Auxiliary Current Source
4.3. Operation of the Broadband Auxiliary Current Source
5. Conclusions
Author Contributions
Funding
Conflicts of Interest
References
- Chudjuarjeen, S.; Sangswang, A.; Koompai, C. LLC resonant inverter for induction heating with asymmetrical voltage-cancellation control. In Proceedings of the 2009 IEEE International Symposium on Circuits and Systems (ISCAS), Taiwan, China, 24–27 May 2009; pp. 2874–2877. [Google Scholar]
- Wang, Q.; Wang, Y. Resonant DC link soft-switching inverter with low-loss auxiliary circuit. Int. J. Electron. 2019, 106, 1602–1615. [Google Scholar] [CrossRef]
- SFeng, X.; DianGuo, X.; YuXiu, L. A novel zero-voltage and zero-current-switching full-bridge PWM converter. In Proceedings of the IECON’03 29th Annual Conference of the IEEE Industrial Electronics Society (IEEE Cat. No. 03CH37468), Roanoke, VA, USA, 2–6 November 2003; pp. 383–390. [Google Scholar]
- Tabisz, W.; Jovanic, M.; Lee, F. High-frequency multi-resonant converter technology and its applications. In Proceedings of the 1990 Fourth International Conference on Power Electronics and Variable-Speed Drives (Conf. Publ. No. 324), London, UK, 17–19 July 1990; pp. 1–8. [Google Scholar]
- Lee, F.C. High-frequency quasi-resonant converter technologies. Proc. IEEE 1988, 76, 377–390. [Google Scholar] [CrossRef]
- Steigerwald, R.L. A comparison of half-bridge resonant converter topologies. IEEE Trans. Power Electron. 1988, 3, 174–182. [Google Scholar] [CrossRef]
- Cai, H.; Shi, L.; Li, Y. Harmonic-based phase-shifted control of inductively coupled power transfer. IEEE Trans. Power Electron. 2013, 29, 594–602. [Google Scholar] [CrossRef]
- Yao, C.; Dong, S.; Zhao, Y.; Zhou, Y.; Mi, Y.; Li, C. High-frequency composite pulse generator based on full-bridge inverter and soft switching for biological applications. IEEE Trans. Dielectr. Electr. Insul. 2016, 23, 2730–2737. [Google Scholar] [CrossRef]
- Bhaskar, D.V.; Vishwanathan, N. Full bridge series resonant inverter for induction cooking application. In Proceedings of the 2012 IEEE 5th India International Conference on Power Electronics (IICPE), Delhi, India, 6–8 December 2012; pp. 1–5. [Google Scholar]
- Mishima, T.; Takami, C.; Nakaoka, M. A new current phasor-controlled ZVS twin half-bridge high-frequency resonant inverter for induction heating. IEEE Trans. Ind. Electron. 2013, 61, 2531–2545. [Google Scholar] [CrossRef]
- Takami, C.; Mishima, T.; Nakaoka, M. A new ZVS phase shift-controlled class D full-bridge high-frequency resonant inverter for induction heating. In Proceedings of the 2012 15th International Conference on Electrical Machines and Systems (ICEMS), Sapporo, Japan, 21–24 October 2012; pp. 1–6. [Google Scholar]
- Salvi, B.; Porpandiselvi, S.; Vishwanathan, N. A Three Switch Resonant Inverter for Multiple Load Induction Heating Applications. IEEE Trans. Power Electron. 2022, 37, 12108–12117. [Google Scholar] [CrossRef]
- Kim, J.-W.; Lee, M.; Lai, J.-S. A new control method for series resonant inverter with inherently phase-locked coil current with induction cookware applications. In Proceedings of the 2018 IEEE Applied Power Electronics Conference and Exposition (APEC), San Antonio, TX, USA, 4–8 March 2018; pp. 3517–3522. [Google Scholar]
- Herasymenko, P.; Yurchenko, O. An Extended Pulse-Density-Modulated Series-Resonant Inverter for Induction Heating Applications. In Proceedings of the 2020 IEEE 61th International Scientific Conference on Power and Electrical Engineering of Riga Technical University (RTUCON), Riga, Latvia, 5–7 November 2020; pp. 1–8. [Google Scholar]
- Leyh, G.; Kennan, M. Efficient wireless transmission of power using resonators with coupled electric fields. In Proceedings of the 2008 40th North American Power Symposium, Calgary, AB, Canada, 28–30 September 2008; pp. 1–4. [Google Scholar]
- Doan, V.D.; Jeng, J.T.; Tsao, T.H.; Pham, T.T.; Huang, G.W.; Dinh, C.H.; Lee, T.H.; Mei, P.I. Development of a Broad Bandwidth Helmholtz Coil for Biomagnetic Application. IEEE Trans. Magn. 2021, 57, 1–5. [Google Scholar] [CrossRef]
- Ruan, X.; Yan, Y. An improved phase-shifted zero-voltage and zero-current switching PWM converter. In Proceedings of the APEC’98 Thirteenth Annual Applied Power Electronics Conference and Exposition, Anaheim, CA, USA, 15–19 February 1998; pp. 811–815. [Google Scholar]
- Xiao, Q.; Zhao, J.; Wang, M. Research on frequency tracking capacitive PWM of induction heating power supply. In Proceedings of the 2010 International Conference on Challenges in Environmental Science and Computer Engineering, Wuhan, China, 6–7 March 2010; pp. 377–380. [Google Scholar]
- Chen, G.; Zhou, Y.; Ding, Z.; Zeng, J.; Huang, L. A Three-Leg-Based Full-Bridge Converter with Wide Input Voltage Range. IEEE Trans. Ind. Electron. 2021, 69, 5690–5699. [Google Scholar] [CrossRef]





















| Number | La (μH) | Ca (nF) | Lowest Frequency fL (kHz) | Highest Frequency fH (kHz) | 
|---|---|---|---|---|
| 1 | 44.18 | 220.9 | 9.99 | 50.80 | 
| 2 | 8.69 | 43.47 | 50.80 | 257.66 | 
| 3 | 2.78 | 13.9 | 158.78 | 803.94 | 
| Parameter | Value | 
|---|---|
| power supply voltage VDC (V) | 30 | 
| Phase shift angle θ (°) | 90 | 
| Load inductance L (mH) | 1 | 
| Load Resistance R (Ω) | 15 | 
| Gate Signal Duty Cycle D (%) | 50 | 
| MOSFET | NCE8290AC | 
| Bidirectional switch | AOD482 | 
| ESR of the inductance La1 (mΩ) | 150 | 
| ESR of the inductance La2 (mΩ) | 55 | 
| ESR of the inductance La3 (mΩ) | 35 | 
| Auxiliary diode | SS510 | 
| Gate driver chip | UCC27712 | 
| Publisher’s Note: MDPI stays neutral with regard to jurisdictional claims in published maps and institutional affiliations. | 
© 2022 by the authors. Licensee MDPI, Basel, Switzerland. This article is an open access article distributed under the terms and conditions of the Creative Commons Attribution (CC BY) license (https://creativecommons.org/licenses/by/4.0/).
Share and Cite
Zhao, Y.; Xiao, Q.; Zhang, Z.; Zhao, X.; Lin, D. Research on ZVS Phase-Shifted Full-Bridge Broadband Inverter Based on Auxiliary Current Source. Energies 2022, 15, 8661. https://doi.org/10.3390/en15228661
Zhao Y, Xiao Q, Zhang Z, Zhao X, Lin D. Research on ZVS Phase-Shifted Full-Bridge Broadband Inverter Based on Auxiliary Current Source. Energies. 2022; 15(22):8661. https://doi.org/10.3390/en15228661
Chicago/Turabian StyleZhao, Yuezhang, Quan Xiao, Zihao Zhang, Xueting Zhao, and Deyan Lin. 2022. "Research on ZVS Phase-Shifted Full-Bridge Broadband Inverter Based on Auxiliary Current Source" Energies 15, no. 22: 8661. https://doi.org/10.3390/en15228661
APA StyleZhao, Y., Xiao, Q., Zhang, Z., Zhao, X., & Lin, D. (2022). Research on ZVS Phase-Shifted Full-Bridge Broadband Inverter Based on Auxiliary Current Source. Energies, 15(22), 8661. https://doi.org/10.3390/en15228661
 
        

 
       