Formulation and Data-Driven Optimization for Maximizing the Photovoltaic Power with Tilt Angle Adjustment
Abstract
1. Introduction
2. Methodology
- Preprocess the raw data from the National Institute of Standards and Technology (NIST) photovoltaic data set and remove outliers;
- Perform a statistical analysis using the NIST data set to determine crucial input parameters for the neural network;
- Analyze the five-parameter model and determine essential parameters from the physical viewpoint;
- Cross-validate the conclusion derived from statistical analysis and mathematical analysis;
- Normalize the data and shuffle the data points to avoid memorization of trend patterns by the neural network. Then, split the processed data: 80% for training and the remaining 20% for testing;
- Train the neural network with the training set and evaluate the performance of the neural network with the test set;
- Extract data from TRNSYS and prepare for simulation;
- Calculate the solar position relative to a certain position on the Earth with data extracted from TRNSYS. Express the solar position with the hour angle. Then, use the Liu–Jordan model to calculate the total solar irradiance incident on the tilted surface by using the hour angle;
- Use the trained neural network to calculate power output. Then, determine the optimal tilt angle to maximize the power output with a brute force algorithm;
- Perform an optimization process for different time intervals (one hour, one month, and one year);
- Discuss the results and uncertainties.
2.1. Solar Position Model
2.2. Liu–Jordan Model
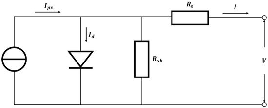
2.3. Five-Parameter Model
3. Data Analysis
3.1. Data Pre-Process and Hypothesis Test
3.2. Correlation Analysis
3.3. Cross Validation
4. Simulation and Results
5. Discussion
6. Conclusions
Author Contributions
Funding
Data Availability Statement
Conflicts of Interest
Nomenclature
| Solar Position Model | |||
| γ | Fractional year | t | Standard Time in 24 h clock |
| EoT | Equation of Time | UTC | Coordinated Universal Time |
| L | Longitude | ΔTZ | Time Zone in UTC |
| Lst | Solar time | ω | Hour angle |
| n | The day number within a year (1–365) | ||
| Liu–Jordan model | |||
| Gsc | Solar constant | Rb | Inclination factor of beam irradiance |
| GHI | Solar irradiance on a horizontal surface | Rd | Inclination factor of diffuse irradiance |
| kT | Hourly clearness index | Rr | Inclination factor of reflect irradiance |
| I0 | Extraterrestrial irradiance on a flat surface | β | Tilt angle |
| Ib,t | Hourly direct beam irradiance on tilt surface | δ | Declination |
| Id,t | Hourly diffuse irradiance on tilted surface | ϕ | Latitude |
| Ir,t | Hourly reflective irradiance on tilt surface | ρ | Reflective coefficient |
| It | Total irradiance incident on a tilt surface | ||
| 5-Parameter Model | |||
| f | Modified ideality factor | Rsh | Shunt resistance |
| G | Solar irradiance on tilt surface | STC | Standard Test Conditions |
| Gnoct | Solar irradiance at NOCT | Ta | Ambient temperature |
| Idio | Diode current | Ta,noct | Ambient temperature at NOCT |
| Ipv | Photovoltaic current | Tc | Cell temperature |
| Is | Diode’s saturation current | Tc,noct | Cell temperature at NOCT |
| Isc | Short circuit current | Voc | Open circuit voltage |
| IMPP | Current at MPP | VMPP | Voltage at MPP |
| MPP | Maximum Power Point | α | Cell absorption coefficient |
| NOCT | Nominal Operating Cell Temperature | αP | Temperature coefficient of power |
| P | Power Output | ηmp,STC | Efficiency at MPP at STC |
| Rs | Series resistance | τ | Radiation transmission coefficient |
References
- AccessScience. Paris Climate Agreement; UNFCCC: New York, NY, USA, 2021. [Google Scholar]
- Sampaio, P.G.V.; González, M.O.A. Photovoltaic solar energy: Conceptual framework. Renew. Sustain. Energy Rev. 2017, 74, 590–601. [Google Scholar] [CrossRef]
- International Renewable Energy Agency. Renewable Power Generation Costs in 2020; International Renewable Energy Agency: Abu Dhabi, United Arab Emirates, 2020. [Google Scholar]
- Energyhub. Cost of Solar Power in Canada 2021; Energyhub: Brooklyn, NY, USA, 2021. [Google Scholar]
- Sharma, D.; Mehra, R.; Raj, B. Comparative analysis of photovoltaic technologies for high efficiency solar cell design. Superlattices Microstruct. 2021, 153, 106861. [Google Scholar] [CrossRef]
- Raina, G.; Vijay, R.; Sinha, S. Study on the optimum orientation of bifacial photovoltaic module. Int. J. Energy Res. 2021, 46, 4247–4266. [Google Scholar] [CrossRef]
- Ibrahim, K.H.; Ahmed, E.M.; Saleh, S.M. Minimum cost-based design of isolated PV -wind hybrid system considering the PV tilt angle and wind turbine hub height as design parameters using genetic algorithm. Int. J. Energy Res. 2021, 45, 13149–13162. [Google Scholar] [CrossRef]
- Ganti, P.K.; Naik, H.; Barada, M.K. Hybrid TSA-RBFN based approach for MPPT of the solar PV panel under the effects of tilt angles variations and environmental effects. Int. J. Energy Res. 2021, 45, 20104–20131. [Google Scholar] [CrossRef]
- Sharma, A.; Kallioğlu, M.A.; Awasthi, A.; Chauhan, R.; Fekete, G.; Singh, T. Correlation formulation for optimum tilt angle for maximizing the solar radiation on solar collector in the Western Himalayan region. Case Stud. Therm. Eng. 2021, 26, 101185. [Google Scholar] [CrossRef]
- Alghamdi, A. Performance Enhancement of Roof-Mounted Photovoltaic System: Artificial Neural Network Optimization of Ground Coverage Ratio. Energies 2021, 14, 1537. [Google Scholar] [CrossRef]
- Mansour, R.B.; Khan, M.A.M.; Alsulaiman, F.A.; Mansour, R.B. Optimizing the solar PV tilt angle to maximize the power output: A case study for Saudi Arabia. IEEE Access 2021, 9, 15914–15928. [Google Scholar] [CrossRef]
- Hassan, Q.; Abbas, M.K.; Abdulateef, A.M.; Abdulateef, J.; Mohamad, A. Assessment the potential solar energy with the models for optimum tilt angles of maximum solar irradiance for Iraq. Case Stud. Chem. Environ. Eng. 2021, 4, 100140. [Google Scholar] [CrossRef]
- Alhamer, E.E. Solar Photovoltaic Tilt Angle Optimization in the United States; University of Dayton: Dayton, OH, USA, 2021. [Google Scholar]
- Makenzi, M.; Muguthu, J.; Murimi, E. Maximization of Site-Specific Solar Photovoltaic Energy Generation through Tilt Angle and Sun-Hours Optimization. J. Renew. Energy 2020, 2020, 1–11. [Google Scholar] [CrossRef]
- Gwesha, A.O.; Li, P.; Alfulayyih, Y.M. Optimization of Fixed Photovoltaic Panel “Tilt” Angles for Maximal Energy Harvest Considering Year-Around Sky Coverage Conditions. J. Sol. Energy Eng. 2020, 143, 1–11. [Google Scholar] [CrossRef]
- Asiri, S.A.; Salilih, E.M.; Alfawaz, K.M.; Alogla, A.F.; Abu-Hamdeh, N.H.; Nusier, O.K. Improve the performance of renewable energy conversion and storage via ANN in a system of solar water heater with variable speed photovoltaic circulating pump. Int. J. Energy Res. 2022. [Google Scholar] [CrossRef]
- Bamisile, O.; Oluwasanmi, A.; Ejiyi, C.; Yimen, N.; Obiora, S.; Huang, Q. Comparison of machine learning and deep learning algorithms for hourly global/diffuse solar radiation predictions. Int. J. Energy Res. 2021, 46, 10052–10073. [Google Scholar] [CrossRef]
- Akhavan Shams, S.; Ahmadi, R. Dynamic optimization of solar-wind hybrid system connected to electrical battery or hydrogen as an energy storage system. Int. J. Energy Res. 2021, 45, 10630–10654. [Google Scholar] [CrossRef]
- Shboul, B.; Al-Arfi, I.; Michailos, S.; Ingham, D.; Ma, L.; Hughes, K.J.; Pourkashanian, M. A new ANN model for hourly solar radiation and wind speed prediction: A case study over the north & south of the Arabian Peninsula. Sustain. Energy Technol. Assessments 2021, 46, 101248. [Google Scholar] [CrossRef]
- Ağbulut, Ü.; Gürel, A.E.; Biçen, Y. Prediction of daily global solar radiation using different machine learning algorithms: Evaluation and comparison. Renew. Sustain. Energy Rev. 2020, 135, 110114. [Google Scholar] [CrossRef]
- Villegas-Mier, C.G.; Rodriguez-Resendiz, J.; Álvarez-Alvarado, J.M.; Rodriguez-Resendiz, H.; Herrera-Navarro, A.M.; Rodríguez-Abreo, O. Artificial Neural Networks in MPPT Algorithms for Optimization of Photovoltaic Power Systems: A Review. Micromachines 2021, 12, 1260. [Google Scholar] [CrossRef]
- Shukla, K.N.; Rangnekar, S.; Sudhakar, K. Comparative study of isotropic and anisotropic sky models to estimate solar radiation incident on tilted surface: A case study for Bhopal, India. Energy Rep. 2015, 1, 96–103. [Google Scholar] [CrossRef]
- Heinz, S.; Benner, C.; Spann, N.; Bertolino, E. Simple Combinations of Lineage-Determining Transcription Factors Prime cis-Regulatory Elements Required for Macrophage and B Cell Identities. Mol. Cell 2010, 38, 576–589. [Google Scholar] [CrossRef]
- Duffie, J.A.; Beckman, W.A.; Worek, W.M. Solar Engineering of Thermal Processes, 2nd ed. J. Sol. Energy Eng. 1994, 116, 67–68. [Google Scholar] [CrossRef]
- Boyd, M.; Chen, T.; Dougherty, B. NIST Campus Photovoltaic (PV) Arrays and Weathe Station Data Sets; National Institute of Standards and Technology, U.S. Department of Commerce: Washington, DC, USA, 2017.
- Bader, S.; Ma, X.; Oelmann, B. One-diode photovoltaic model parameters at indoor illumination levels—A comparison. Sol. Energy 2019, 180, 707–716. [Google Scholar] [CrossRef]
- Alzahrani, M.; Shanks, K.; Mallick, T.K. Advances and limitations of increasing solar irradiance for concentrating photovoltaics thermal system. Renew. Sustain. Energy Rev. 2020, 138, 110517. [Google Scholar] [CrossRef]
- Garud; Sandip, K.; Jayaraj, S.; Lee, M. A review on modeling of solar photovoltaic systems using artificial neural networks, fuzzy logic, genetic algorithm and hybrid models. Int. J. Energy Res. 2021, 45, 6–35. [Google Scholar] [CrossRef]
- University of Wisconsin–Madison. TRNSYS, a Transient Simulation Program; Solar Energy Laboratory: Madison, WI, USA, 1975. [Google Scholar]
- Mansir, I.B.; Musharavati, F.; Abubakar, A.A. Using deep learning artificial intelligence and multiobjective optimization in obtaining the optimum ratio of a fuel cell to electrolyzer power in a hydrogen storage system. Int. J. Energy Res. 2022. [Google Scholar] [CrossRef]












| Hyperparameter | Value |
|---|---|
| Layers | 5 |
| Neurons | (1,4,16,32,64) |
| Batch Size | 64 |
| Epochs | 30 |
| Dropout | 0.2 |
| Month | Hourly (MWh) | Monthly (MWh) | Annually (MWh) | Base (MWh) |
|---|---|---|---|---|
| January | 2.84 | 2.78 | 2.69 | 2.19 |
| February | 3.98 | 3.93 | 3.93 | 2.92 |
| March | 6.33 | 6.27 | 6.27 | 5.17 |
| April | 9.09 | 8.75 | 8.75 | 8.10 |
| May | 12.87 | 10.69 | 10.46 | 10.48 |
| June | 14.02 | 11.17 | 10.73 | 11.08 |
| July | 13.02 | 10.42 | 10.09 | 10.28 |
| August | 11.07 | 10.09 | 10.05 | 9.52 |
| September | 9.04 | 8.98 | 8.86 | 7.50 |
| October | 7.97 | 7.88 | 7.44 | 5.61 |
| November | 4.64 | 4.58 | 4.31 | 3.29 |
| December | 2.48 | 2.43 | 2.43 | 1.88 |
| Month | Power-Based | Irradiance-Based |
|---|---|---|
| January | 51° | 56° |
| February | 55° | 56° |
| March | 46° | 47° |
| April | 29° | 31° |
| May | 15° | 17° |
| June | 9° | 12° |
| July | 12° | 14° |
| August | 24° | 26° |
| September | 42° | 42° |
| October | 56° | 56° |
| November | 58° | 61° |
| December | 52° | 56° |
Publisher’s Note: MDPI stays neutral with regard to jurisdictional claims in published maps and institutional affiliations. |
© 2022 by the authors. Licensee MDPI, Basel, Switzerland. This article is an open access article distributed under the terms and conditions of the Creative Commons Attribution (CC BY) license (https://creativecommons.org/licenses/by/4.0/).
Share and Cite
Ye, W.; Herdem, M.S.; Li, J.Z.; Nathwani, J.; Wen, J.Z. Formulation and Data-Driven Optimization for Maximizing the Photovoltaic Power with Tilt Angle Adjustment. Energies 2022, 15, 8578. https://doi.org/10.3390/en15228578
Ye W, Herdem MS, Li JZ, Nathwani J, Wen JZ. Formulation and Data-Driven Optimization for Maximizing the Photovoltaic Power with Tilt Angle Adjustment. Energies. 2022; 15(22):8578. https://doi.org/10.3390/en15228578
Chicago/Turabian StyleYe, Wenrui, Münür Sacit Herdem, Joey Z. Li, Jatin Nathwani, and John Z. Wen. 2022. "Formulation and Data-Driven Optimization for Maximizing the Photovoltaic Power with Tilt Angle Adjustment" Energies 15, no. 22: 8578. https://doi.org/10.3390/en15228578
APA StyleYe, W., Herdem, M. S., Li, J. Z., Nathwani, J., & Wen, J. Z. (2022). Formulation and Data-Driven Optimization for Maximizing the Photovoltaic Power with Tilt Angle Adjustment. Energies, 15(22), 8578. https://doi.org/10.3390/en15228578

