Discussion on the Feasibility of Deep Peak Regulation for Ultra-Supercritical Circulating Fluidized Bed Boiler
Abstract
:1. Introduction
2. Boiler Configuration
3. Technology for Deep Peak Regulation of USC-CFB
3.1. Low-Load Stable Combustion Technology
3.2. Hydrodynamic Safety Technology
3.3. Wide Load Denitration Technology
3.3.1. Bed Temperature and Bed Pressure Uniformity Design
3.3.2. Secondary Air Depth Classification
3.3.3. Optimization of Oxygen Content in Operation
3.4. Rapid-Load-Change Technology
3.4.1. Performance Improvement of Wear-Resistant Refractory Material
3.4.2. Fast Control of Bed Inventory in Furnace during Load Changing
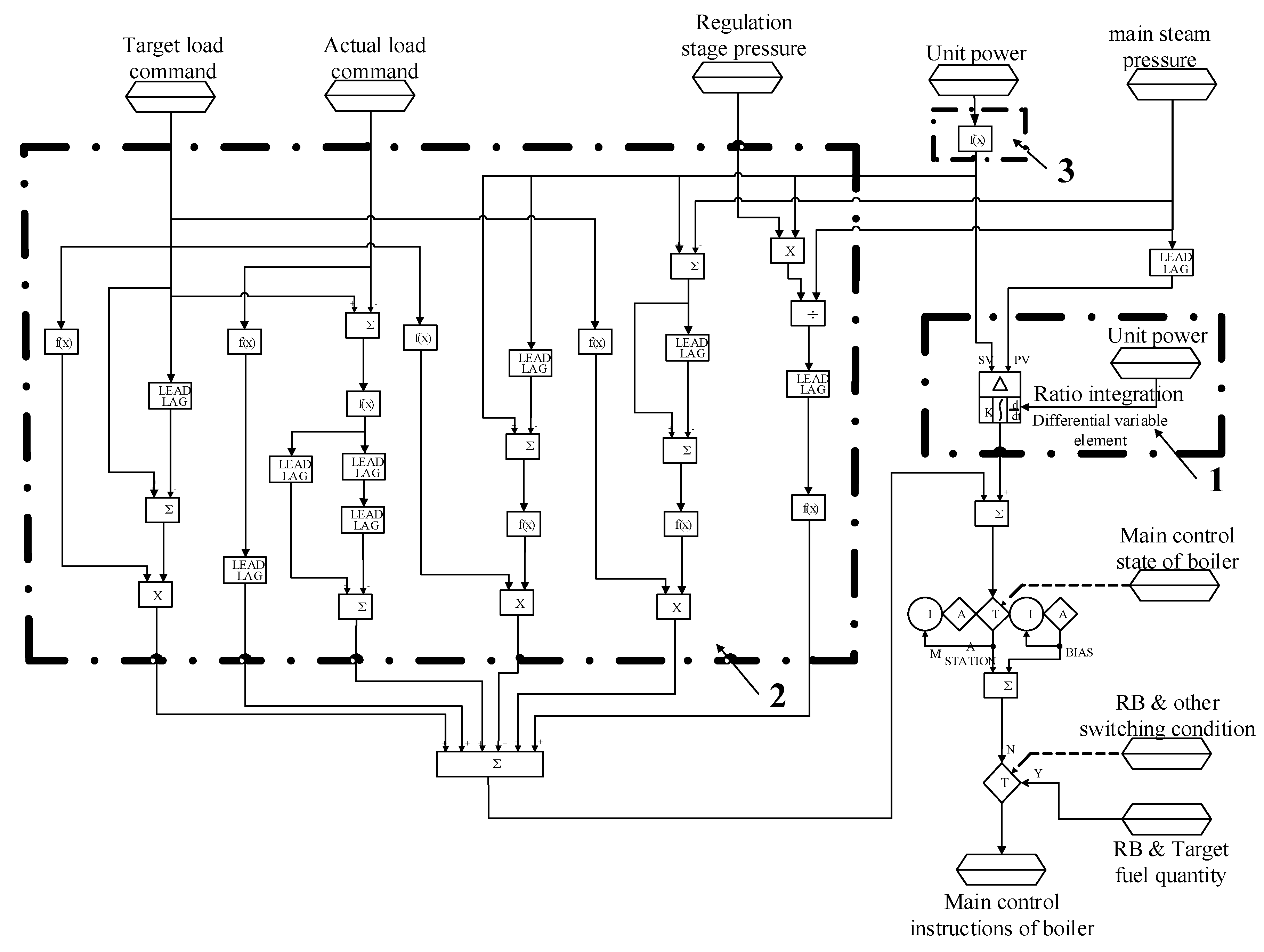
3.4.3. Unit Control Strategy Optimization
4. Prediction of Unit’s Deep-Peak-Load-Regulation Performance
4.1. Low-Load Stable-Combustion Performance
4.2. Hydrodynamic Safety Performance
4.3. Environmental Protection Performance
4.4. Variable Load Performance of Unit
5. Conclusions
Author Contributions
Funding
Institutional Review Board Statement
Informed Consent Statement
Data Availability Statement
Conflicts of Interest
Abbreviations
| BCP | boiler circulation pump |
| BMCR | boiler maximum continuous rating |
| CFB | circulating fluidized bed |
| EHE | external heat exchanger |
| MW | megawatt |
| SC | supercritical |
| SNCR | selective non-catalytic reduction |
| USC | ultra-supercritical |
References
- Mao, J.; Guo, H.; Wu, Y. Road to low-carbon transformation of coal power in China: A review of biomass co-firing policies and technologies for coal power abroad and its inspiration on biomass utilization. Clean Coal Technol. 2022, 28, 1–11. [Google Scholar]
- Lv, J.; Yang, H.; Yang, F.; Liu, D.; Zhang, M.; Huang, D. Analysis on current situation of low calorific value coal resources and application of circulating fluidized bed power generation. China Coal 2021, 47, 101–108. [Google Scholar]
- Lyu, J.; Zhang, M.; Yang, H.; Liu, Q.; Liu, Z.; Zhao, Y. Conceptual design of a simplified 660MW USC-circulating fluidized bed boiler. Proc. CSEE 2014, 34, 741–747. [Google Scholar]
- Yue, G.X.; Lu, J.; Xu, P.; Hu, X.K.; Ling, W.; Chen, Y. The up-to-date development and future of circulating fluidized bed combustion technology. Electr. Power 2016, 49, 1–13. [Google Scholar]
- Peng, Z.; Yang, G.; Wu, W. 600MW SC-CFB unit deep peak-regulating operation technology. Energy Technol. 2020, 18, 55–58. [Google Scholar]
- Zhang, C.; Ma, S.; Zhang, J.; Li, S.; Sun, W. Pollutant emission from 350MW CFB boiler under varying load condition. Therm. Power Gener. 2020, 49, 41–47. [Google Scholar]
- Li, J.J.; Yang, H.R.; Lv, J.F. Low NOX emission characteristic of low energy consumption CFB boilers. J. Combust. Sci. Technol. 2013, 19, 293–298. [Google Scholar]
- Jiang, C.; Niu, R. Research on operation method of deep peak-shaving of 330 MW CFB unit. J. Shenyang Inst. Eng. Nat. Sci. 2017, 13, 326–330. [Google Scholar]
- Yu, H.Y.; Gao, M.M.; Zhang, M. Performance analysis and evaluation of deep peak-regulating for circulating fluidized bed units. Therm. Power Gener. 2020, 49, 65–72. [Google Scholar]
- Yu, R.; Wang, T. Economic analysis of deep peak load Regulation of 350 MW SC-CFB Unit. Coal Sci. Technol. Mag. 2020, 41, 12–13+27. [Google Scholar]
- Yang, Q. Experiment study on deep peak regulation of CFB units. Shanxi Electr. Power 2018, 213, 51–53. [Google Scholar]
- Sun, X.; Shi, B.; Shi, Z. Regulation and load variation performance of the domestic 330 MW CFB boiler. Electr. Power 2013, 46, 16–20. [Google Scholar]
- Liu, J.; Hong, F.; Gao, M.; Li, C.; Chen, F. Research on the control strategy for quick load change of circulating fluidized bed boiler units. Proc. CSEE 2017, 37, 4130–4137+S20. [Google Scholar]
- Cai, J.; Shan, L.; Wang, Z.; Zhang, M.; Jin, Y.; Cai, X.; Wang, P.; Yang, H. Variable load characteristics of a 350MW SC-circulating fluidized bed boiler. Therm. Power Gener. 2020, 49, 98–103+108. [Google Scholar]
- Wang, P.; Deng, B.; Cai, J.; Wang, K.; Kong, H.; Li, L.; Zhang, M.; Yang, H. Technical difficulties and related control strategies on deep peak regulation for SC-circulating fluidized bed boiler. Electr. Power 2021, 54, 206–212. [Google Scholar]









| Unit | Designed Coal | Checked Coal | ||
|---|---|---|---|---|
| Ultimate analysis | Car | % | 39.51 | 37.96 |
| Har | % | 2.21 | 2.28 | |
| Oar | % | 6.81 | 7.39 | |
| Nar | % | 0.40 | 0.39 | |
| St,ar | % | 0.63 | 0.80 | |
| Proximate analysis | Aar | % | 31.34 | 37.18 |
| War | % | 19.10 | 14.00 | |
| Mad | % | 2.41 | 2.32 | |
| Vdaf | % | 33.52 | 35.37 | |
| Low heating value | Qnet,ar | MJ/kg | 14.52 | 13.99 |
| Item | Unit | Value |
|---|---|---|
| BMCR | t/h | 1960 |
| superheater outlet steam pressure | MPa (a) | 29.4 |
| superheater outlet steam temperature | °C | 605 |
| reheater outlet steam temperature | °C | 623 |
| feed water temperature | °C | 308.3 |
| exhaust gas temperature | °C | 128 |
| boiler efficiency | % | 93.5 |
| Location | Item | Unit | 100% | 75% | 25% |
|---|---|---|---|---|---|
| Water wall outlet | Average temperature | °C | 408 | 383 | 326 |
| Maximum temperature | °C | 418 | 387 | 326 | |
| Minimum temperature | °C | 403 | 378 | 326 | |
| Maximal temperature difference | °C | 15 | 9 | 0 | |
| Maximum temperature difference between adjacent loops | °C | 4 | 4 | 0 | |
| Water-cooling screen outlet | Average temperature | °C | 428 | 411 | 366 |
| Maximum temperature | °C | 439 | 420 | 379 | |
| Minimum temperature | °C | 421 | 401 | 353 | |
| Maximal temperature difference | °C | 18 | 19 | 26 | |
| Maximum temperature difference between adjacent loops | °C | 4 | 5 | 7 |
| Indicator Name | Concentration (mg/Nm3) |
|---|---|
| dust | <10 |
| SO2 | <35 |
| NOX | <50 |
| a with a base oxygen content of 6% | |
Publisher’s Note: MDPI stays neutral with regard to jurisdictional claims in published maps and institutional affiliations. |
© 2022 by the authors. Licensee MDPI, Basel, Switzerland. This article is an open access article distributed under the terms and conditions of the Creative Commons Attribution (CC BY) license (https://creativecommons.org/licenses/by/4.0/).
Share and Cite
Xin, S.; Wang, H.; Li, J.; Wang, G.; Wang, Q.; Cao, P.; Zhang, P.; Lu, X. Discussion on the Feasibility of Deep Peak Regulation for Ultra-Supercritical Circulating Fluidized Bed Boiler. Energies 2022, 15, 7720. https://doi.org/10.3390/en15207720
Xin S, Wang H, Li J, Wang G, Wang Q, Cao P, Zhang P, Lu X. Discussion on the Feasibility of Deep Peak Regulation for Ultra-Supercritical Circulating Fluidized Bed Boiler. Energies. 2022; 15(20):7720. https://doi.org/10.3390/en15207720
Chicago/Turabian StyleXin, Shengwei, Hu Wang, Jianbo Li, Gang Wang, Quanhai Wang, Peiqing Cao, Peng Zhang, and Xiaofeng Lu. 2022. "Discussion on the Feasibility of Deep Peak Regulation for Ultra-Supercritical Circulating Fluidized Bed Boiler" Energies 15, no. 20: 7720. https://doi.org/10.3390/en15207720
APA StyleXin, S., Wang, H., Li, J., Wang, G., Wang, Q., Cao, P., Zhang, P., & Lu, X. (2022). Discussion on the Feasibility of Deep Peak Regulation for Ultra-Supercritical Circulating Fluidized Bed Boiler. Energies, 15(20), 7720. https://doi.org/10.3390/en15207720
