Power Generation Control of Renewable Energy Based Hybrid Deregulated Power System
Abstract
:1. Introduction
1.1. Related Literature and Limitations
1.2. Contribution and Objectives
- The cascaded ID-PD controller is applied for system dynamics control of a hybrid deregulated power system.
- The impact of a solar-thermal-system (STS) and geo-thermal (GT) plant on system dynamics.
- The inclusion of an SMES device in addition to RES to regulate the system dynamics.
- The preliminary application of the SBO technique to optimize the secondary controller gains.
- Sensitivity evaluation for the proposed cascaded ID-PD controller.
Objectives
- 1.
- To design a hybrid deregulated power system integrated with renewable energy sources for LFC operation.
- 2.
- To apply the SBO technique in optimizing several secondary controller gains viz PID, PIDD and cascaded ID-PD.
- 3.
- To choose the optimal secondary controller among those mentioned in (2).
- 4.
- To check the influence of geo-thermal and solar-thermal-systems on dynamic stability of the power system.
- 5.
- To investigate the system performance in presence of an SMES device.
- 6.
- To validate the resilience of the proposed cascaded ID -PD controller gains for erratic load perturbations, variations in system loading, inertial constant (H) and changes in DISCO involvement matrix (DIM).
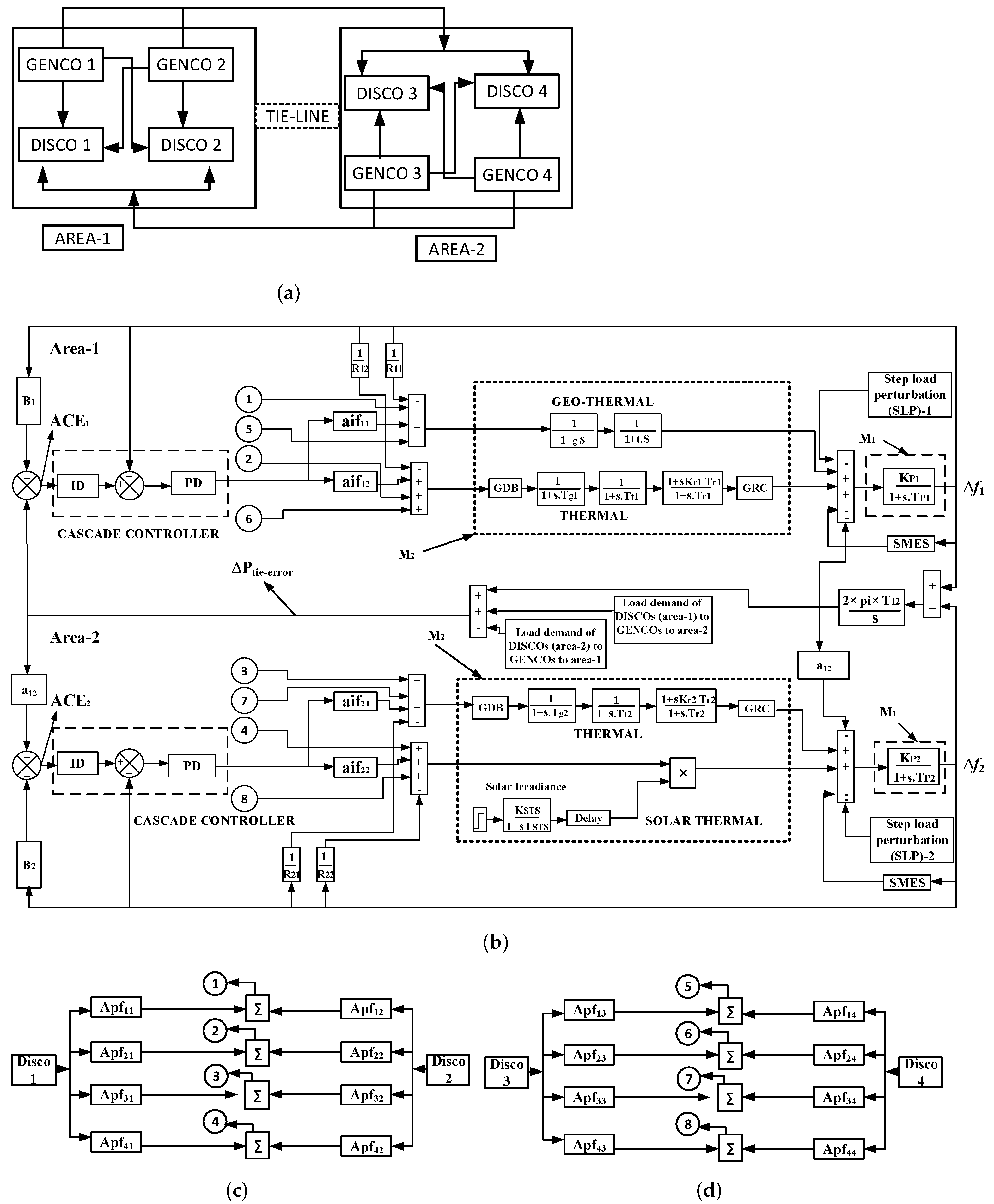
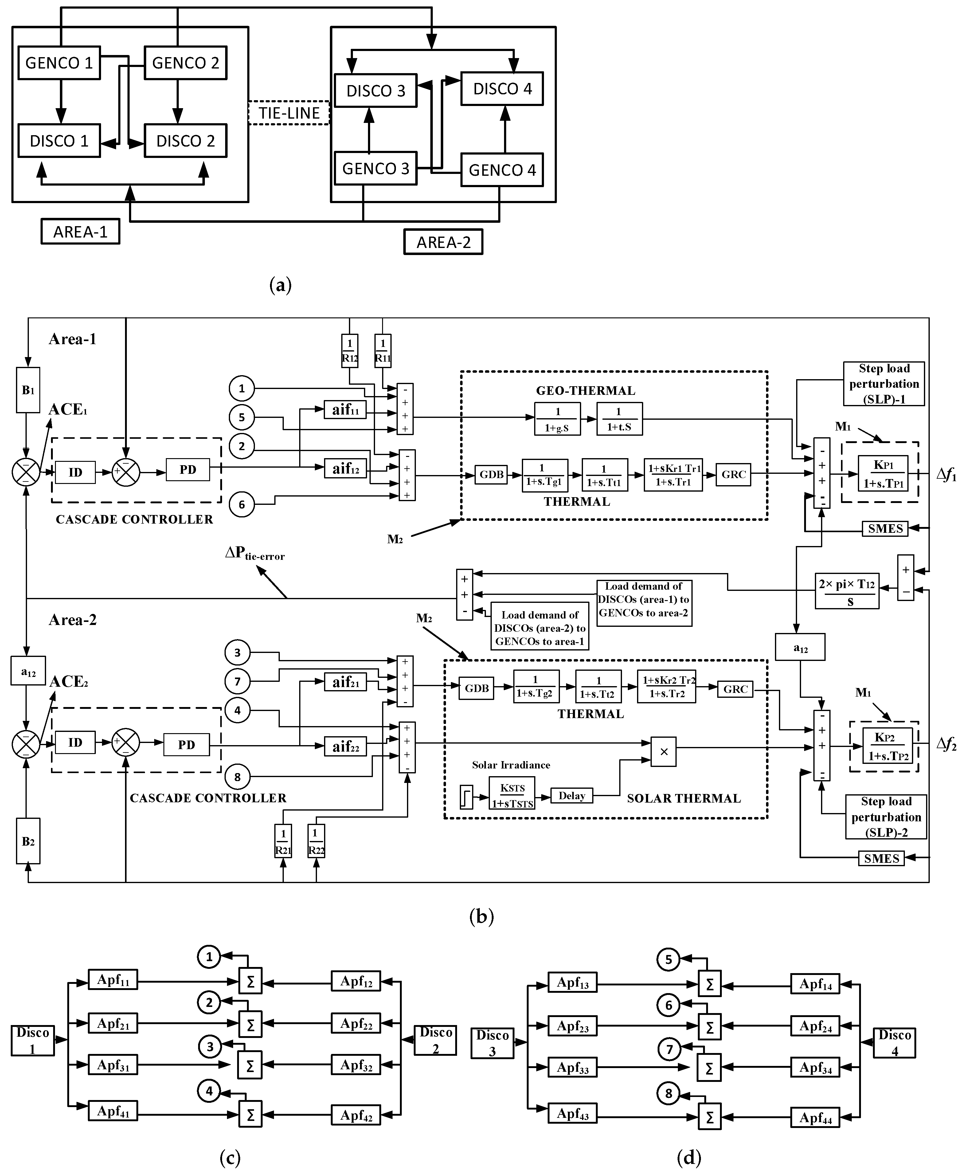
2. Power System under Examination
Superconducting Magnetic Energy Storage (SMES) Modelling
3. Satin Bowerbird Optimizer (SBO) Technique
- 1:
- Random initialization of bowers;
- 2:
- Determine the bowers cost;
- 3:
- Determine the perfect bower and consider it elite;
- 4:
- While the end criteria is not met;
- 5:
- 6:
- For each bower:
- 7:
- For each element of bower;
- 8:
- Estimate utilizing Equation (6);
- 9:
- 10:
- End for
- 11:
- End for
- 12:
- Determine the total cost of all bowers;
- 13:
- Update elite if a bower have become more fit than elite;
- 14:
- End while;
- 15:
- Return best bower.
4. Secondary Controller for the Presented Deregulated Hybrid Power System
- 1.
- Efficient in dealing with load fluctuations.
- 2.
- Capable of dealing with energy storage system uncertainty.
- 3.
- Healthy enough for renewable energy source uncertainties.
- 4.
- Malleable to varying operational conditions in terms of tuning.
4.1. Motivation for Cascaded Secondary Controller
4.2. Cascaded Integral Derivative-Proportional Derivative (Cascaded ID-PD) Controller
- 1.
- The inner measurement minimizes the effects of disruptions applied in sequence to the outer process.
- 2.
- The measurement of outer processes controls the final output characteristics.
5. Result and Discussion
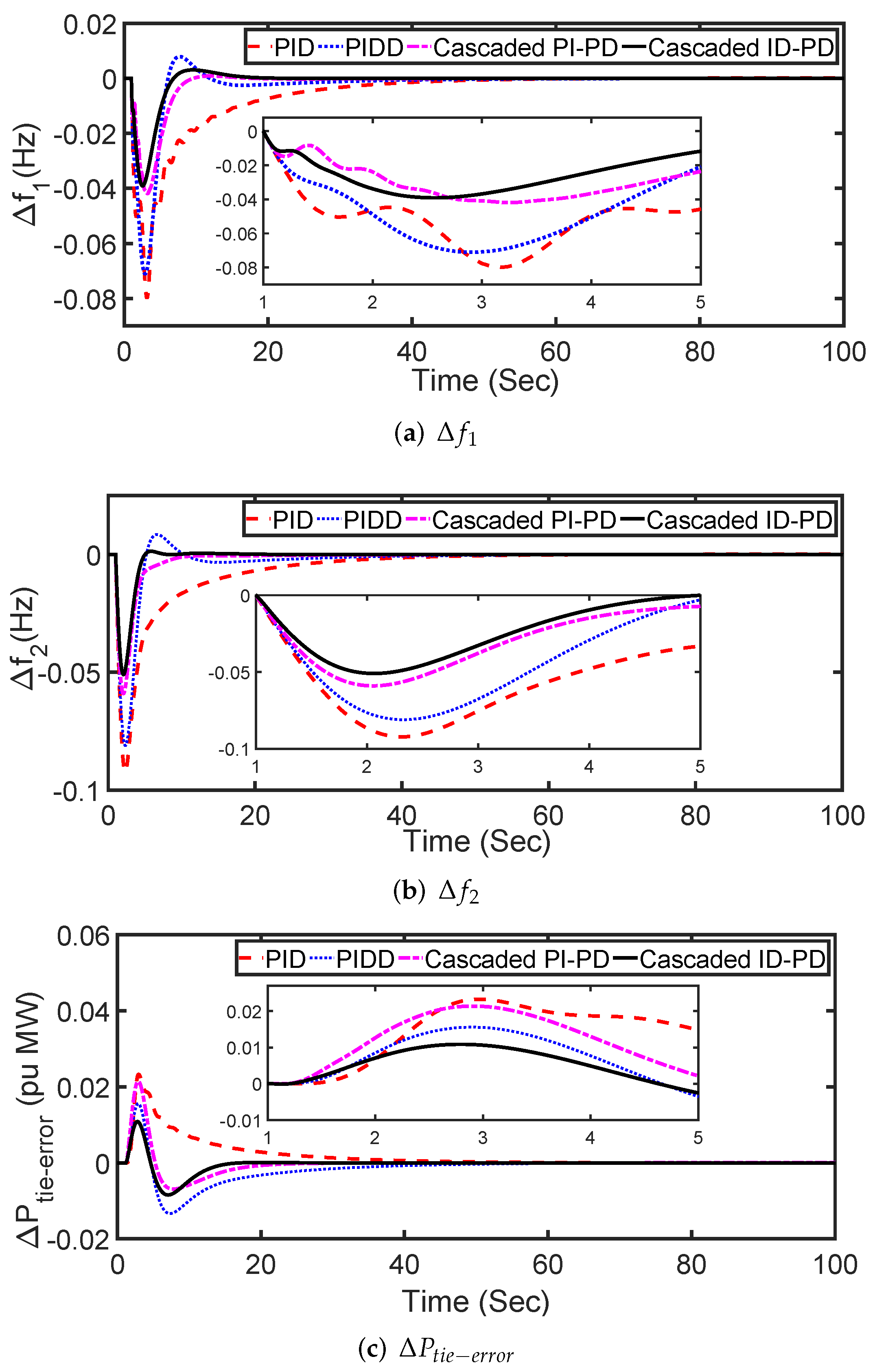
5.1. Selection of Optimal Controller in Bilateral Transaction of Deregulated Power Market
5.2. Effect of Renewable-Energy-Sources (RES) on System Dynamics
5.3. System Performance with Super-Conducting-Magnetic-Energy-Storage (SMES) Device
5.4. Sensitivity Evaluation (SE)
5.4.1. Random Load Perturbation (RLP)
5.4.2. System Loading Variation
5.4.3. Inertial Constant (H) Variation
5.4.4. Deviations in Solar Irradiance
5.4.5. System Behaviour with DIM Changed
6. Conclusions
Author Contributions
Funding
Data Availability Statement
Conflicts of Interest
Nomenclature
| f | Nominal frequency (Hz) |
| i | Any area (1,2) |
| Hi | Inertial Constant(s) |
| Change in frequency for area ’i’ (Hz) | |
| Tie-line-power-interchange for area i-j (pu MW) | |
| area frequency response characteristics | |
| g | Geo-thermal gain |
| t | Geo-thermal time constant |
| Solar-thermal-system | |
| STS gain | |
| STS time constant | |
| Speed regulation of governor | |
| Time constant for power system | |
| Gain for power system | |
| Superconducting-magnetic-energy-storage | |
| SMES gain | |
| SMES time constant |
Appendix A
Nominal System Parameters
References
- Farooq, Z.; Rahman, A.; Ahmad Lone, S. Load frequency control of multi-source electrical power system integrated with solar-thermal and electric vehicle. Int. Trans. Electr. Energy Syst. 2021, 31, e12918. [Google Scholar] [CrossRef]
- Safiullah, S.; Rahman, A.; Lone, S.A. State-observer based IDD controller for concurrent frequency-voltage control of a hybrid power system with electric vehicle uncertainties. Int. Trans. Electr. Energy Syst. 2021, 31, e13083. [Google Scholar] [CrossRef]
- Latif, A.; Hussain, S.S.; Das, D.C.; Ustun, T.S.; Iqbal, A. A review on fractional order (FO) controllers’ optimization for load frequency stabilization in power networks. Energy Rep. 2021, 7, 4009–4021. [Google Scholar] [CrossRef]
- Christie, R.; Wollenberg, B.; Wangensteen, I. Transmission management in the deregulated environment. Proc. IEEE 2000, 88, 170–195. [Google Scholar] [CrossRef]
- Sahu, R.K.; Panda, S.; Rout, U.K.; Sahoo, D.K. Teaching learning based optimization algorithm for automatic generation control of power system using 2-DOF PID controller. Int. J. Electr. Power Energy Syst. 2016, 77, 287–301. [Google Scholar] [CrossRef]
- Subbaramaiah, k. Improvement of dynamic performance of SSSC and TCPS based hydrothermal system under deregulated scenario employing PSO based dual mode controller. Eur. J. Sci. Res. 2011, 57, 230–243. [Google Scholar]
- Zare, K.; Hagh, M.T.; Morsali, J. Effective oscillation damping of an interconnected multi-source power system with automatic generation control and TCSC. Int. J. Electr. Power Energy Syst. 2015, 65, 220–230. [Google Scholar] [CrossRef]
- Rahman, A.; Saikia, L.C.; Sinha, N. Automatic generation control of an unequal four-area thermal system using biogeography-based optimised 3DOF-PID controller. IET Gener. Transm. Distrib. 2016, 10, 4118–4129. [Google Scholar] [CrossRef]
- Lee, D.J.; Wang, L. Small-Signal Stability Analysis of an Autonomous Hybrid Renewable Energy Power Generation/Energy Storage System Part I: Time-Domain Simulations. IEEE Trans. Energy Convers. 2008, 23, 311–320. [Google Scholar] [CrossRef]
- Das, D.C.; Sinha, N.; Roy, A. Small signal stability analysis of dish-Stirling solar thermal based autonomous hybrid energy system. Int. J. Electr. Power Energy Syst. 2014, 63, 485–498. [Google Scholar] [CrossRef]
- Farooq, Z.; Rahman, A.; Lone, S.A. System dynamics and control of EV incorporated deregulated power system using MBO-optimized cascaded ID-PD controller. Int. Trans. Electr. Energy Syst. 2021, 31, e13100. [Google Scholar] [CrossRef]
- Safiullah, S.; Rahman, A.; Ahmad Lone, S. Optimal control of electrical vehicle incorporated hybrid power system with second order fractional-active disturbance rejection controller. Optim. Control. Appl. Methods 2021. [Google Scholar] [CrossRef]
- Rahman, A.; Saikia, L.C.; Sinha, N. Automatic generation control of an interconnected two-area hybrid thermal system considering dish-stirling solar thermal and wind turbine system. Renew. Energy 2017, 105, 41–54. [Google Scholar] [CrossRef]
- Hossain, M.; Madlool, N.; Rahim, N.; Selvaraj, J.; Pandey, A.; Khan, A.F. Role of smart grid in renewable energy: An overview. Renew. Sustain. Energy Rev. 2016, 60, 1168–1184. [Google Scholar] [CrossRef]
- Nadeem, F.; Hussain, S.M.S.; Tiwari, P.K.; Goswami, A.K.; Ustun, T.S. Comparative Review of Energy Storage Systems, Their Roles, and Impacts on Future Power Systems. IEEE Access 2019, 7, 4555–4585. [Google Scholar] [CrossRef]
- Elsisi, M.; Soliman, M.; Aboelela, M.; Mansour, W. Improving the grid frequency by optimal design of model predictive control with energy storage devices. Optim. Control. Appl. Methods 2017, 39, 263–280. [Google Scholar] [CrossRef]
- Lu, C.F.; Liu, C.C.; Wu, C.J. Effect of battery energy storage system on load frequency control considering governor deadband and generation rate constraint. IEEE Trans. Energy Convers. 1995, 10, 555–561. [Google Scholar]
- Tasnin, W.; Saikia, L.C. Performance comparison of several energy storage devices in deregulated AGC of a multi-area system incorporating geothermal power plant. IET Renew. Power Gener. 2018, 12, 761–772. [Google Scholar] [CrossRef]
- Pradhan, P.C.; Sahu, R.K.; Panda, S. Firefly algorithm optimized fuzzy PID controller for AGC of multi-area multi-source power systems with UPFC and SMES. Eng. Sci. Technol. Int. J. 2016, 19, 338–354. [Google Scholar] [CrossRef] [Green Version]
- Heimisson, B. Improved Frequency Control Strategies for Geothermal Power Plants. Master’s Thesis, Chalmers University of Technology, Gothenburg, Sweden, 2014. [Google Scholar]
- Tasnin, W.; Saikia, L.C.; Rajbongshi, R.; Saha, D.; Saha, A. Effect of Geothermal and Other Renewables on AGC of an Interconnected Thermal System. In Innovations in Infrastructure; Deb, D., Balas, V., Dey, R., Eds.; Advances in Intelligent Systems and Computing; Springer: Berlin/Heidelberg, Germany, 2019; Volume 757. [Google Scholar] [CrossRef]
- Pappachen, A.; Fathima, A.P. Critical research areas on load frequency control issues in a deregulated power system: A state-of-the-art-of-review. Renew. Sustain. Energy Rev. 2017, 72, 163–177. [Google Scholar] [CrossRef]
- Parida, M.; Nanda, J. Automatic generation control of a hydro-thermal system in deregulated environment. In Proceedings of the 2005 International Conference on Electrical Machines and Systems, Beijing, China, 27–29 September 2005; Volume 2, pp. 942–947. [Google Scholar]
- Rahman, A.; Saikia, L.C.; Sinha, N. Load frequency control of a hydro-thermal system under deregulated environment using biogeography-based optimised three-degree-of-freedom integral-derivative controller. IET Gener. Transm. Distrib. 2015, 9, 2284–2293. [Google Scholar] [CrossRef]
- Kumar, J.; Ng, K.H.; Sheble, G. AGC simulator for price-based operation. I. A model. IEEE Trans. Power Syst. 1997, 12, 527–532. [Google Scholar] [CrossRef]
- Donde, V.; Pai, M.; Hiskens, I. Simulation and optimization in an AGC system after deregulation. IEEE Trans. Power Syst. 2001, 16, 481–489. [Google Scholar] [CrossRef]
- Debbarma, S.; Saikia, L.C.; Sinha, N. AGC of a multi-area thermal system under deregulated environment using a non-integer controller. Electr. Power Syst. Res. 2013, 95, 175–183. [Google Scholar] [CrossRef]
- Bhatt, P.; Roy, R.; Ghoshal, S. Optimized multi area AGC simulation in restructured power systems. Int. J. Electr. Power Energy Syst. 2010, 32, 311–322. [Google Scholar] [CrossRef]
- Daraz, A.; Malik, S.A.; Mokhlis, H.; Haq, I.U.; Zafar, F.; Mansor, N.N. Improved-Fitness Dependent Optimizer Based FOI-PD Controller for Automatic Generation Control of Multi-Source Interconnected Power System in Deregulated Environment. IEEE Access 2020, 8, 197757–197775. [Google Scholar] [CrossRef]
- Ebrahim, M.A.; Becherif, M.; Abdelaziz, A.Y. PID-/FOPID-based frequency control of zero-carbon multi sources-based interconnected power systems under deregulated scenarios. Int. Trans. Electr. Energy Syst. 2021, 31, 1–22. [Google Scholar] [CrossRef]
- Tasnin, W.; Saikia, L.C.; Raju, M. Deregulated AGC of multi-area system incorporating dish-Stirling solar thermal and geothermal power plants using fractional order cascade controller. Int. J. Electr. Power Energy Syst. 2018, 101, 60–74. [Google Scholar] [CrossRef]
- Mohanty, B.; Hota, P.K. Comparative performance analysis of fruit fly optimisation algorithm for multi-area multi-source automatic generation control under deregulated environment. IET Gener. Transm. Distrib. 2015, 9, 1845–1855. [Google Scholar] [CrossRef]
- Dash, P.; Saikia, L.C.; Sinha, N. Automatic generation control of multi area thermal system using Bat algorithm optimized PD–PID cascade controller. Int. J. Electr. Power Energy Syst. 2015, 68, 364–372. [Google Scholar] [CrossRef]
- Veerasamy, V.; Wahab, N.I.A.; Ramachandran, R.; Othman, M.L.; Hizam, H.; Irudayaraj, A.X.R.; Guerrero, J.M.; Kumar, J.S. A Hankel Matrix Based Reduced Order Model for Stability Analysis of Hybrid Power System Using PSO-GSA Optimized Cascade PI-PD Controller for Automatic Load Frequency Control. IEEE Access 2020, 8, 71422–71446. [Google Scholar] [CrossRef]
- Latif, A.; Hussain, S.S.; Das, D.C.; Ustun, T.S. State-of-the-art of controllers and soft computing techniques for regulated load frequency management of single/multi-area traditional and renewable energy based power systems. Appl. Energy 2020, 266, 114858. [Google Scholar] [CrossRef]
- Moosavi, S.H.S.; Bardsiri, V.K. Satin bowerbird optimizer: A new optimization algorithm to optimize ANFIS for software development effort estimation. Eng. Appl. Artif. Intell. 2017, 60, 1–15. [Google Scholar] [CrossRef]
- Johnson, M.A.; Moradi, M.H. PID Control: New Identification and Design Methods; Springer: Berlin/Heidelberg, Germany, 2005. [Google Scholar] [CrossRef]













| Controller | N | ISE | |||||||
| PID | 0.63 | 1.54 | 1.39 | 0.25 | 0.26 | 0.18 | 0.78 | 42.31 | 0.019964 |
| PIDD | 0.86 | 0.87 | 0.23 | 1.62 | 0.64 0.49 | 0.68 0.75 | 49.18 50.61 | 35.62 33.19 | 0.016627 |
| Cascaded PI-PD | 0.65 1.33 | 0.59 1.15 | 0.59 | 1.21 | 1.51 | 0.75 | 21.60 | 79.04 | 0.010023 |
| Cascaded ID-PD | 0.88 | 1.27 | 0.96 | 2.09 | 1.91 0.31 | 0.23 1.65 | 37.76 10.77 | 62.38 21.49 | 0.007547 |
| Parameter | Controller | PU | PO | ST |
| PID | −0.0799 | 0.00014 | 58.38 | |
| PIDD | −0.0710 | 0.00791 | 42.2 | |
| Cascaded PI-PD | −0.0419 | 0.00105 | 19.82 | |
| Cascaded ID-PD | −0.0391 | 0.00305 | 17.1 | |
| PID | −0.0922 | 0.00014 | 58.3 | |
| PIDD | −0.0810 | 0.00851 | 43.32 | |
| Cascaded PI-PD | −0.0598 | 0.00131 | 18.17 | |
| Cascaded ID-PD | −0.0509 | 0.00138 | 15.79 | |
| PID | −5.8 | 0.02328 | 60.39 | |
| PIDD | −0.0133 | 0.01559 | 52.1 | |
| Cascaded PI-PD | −0.0079 | 0.02138 | 22.73 | |
| Cascaded ID-PD | −0.0084 | 0.01085 | 16.8 |
| Proportional gain | ||||
| Value | 1.35 | 2.51 | ||
| Integral gain | ||||
| Value | 1.06 | 1.11 | ||
| Derivative gain | ||||
| Value | 1.36 | 0.74 | 0.48 | 1.16 |
| N | ||||
| Value | 86.7 | 40.6 | 11.3 | 44.3 |
| Combination | Controller | PU | PO | ST |
| LFC Only | −0.0391 | 0.00305 | 17.1 | |
| LFC+SMES | −0.0276 | 0.003 | 15.98 | |
| LFC only | −0.0509 | 0.00138 | 15.79 | |
| LFC+SMES | −0.0401 | 0.00051 | 14.32 | |
| LFC Only | −0.0084 | 0.01085 | 16.8 | |
| LFC+SMES | −0.0066 | 0.0103 | 16.5 |
| Proportional Gain | ||||
| Value | 0.79 | 1.32 | ||
| Integral gain | ||||
| Value | 1.02 | 1.98 | ||
| Derivative gain | ||||
| Value | 1.8356 | 0.29 | 0.20 | 1.56 |
| N | ||||
| Value | 40.81 | 40.17 | 59.18 | 70.38 |
| Proportional gain | ||||
| Value | 1.18 | 1.38 | ||
| Integral gain | ||||
| Value | 0.87 | 1.95 | ||
| Derivative gain | ||||
| Value | 1.76 | 0.40 | 0.43 | 1.29 |
| N | ||||
| Value | 39.32 | 15.32 | 70.71 | 58.39 |
| Proportional gain | ||||
| Value | 0.94 | 1.23 | ||
| Integral gain | ||||
| Value | 1.19 | 1.81 | ||
| Derivative gain | ||||
| Value | 1.69 | 0.38 | 0.54 | 1.71 |
| N | ||||
| Value | 41.7 | 30.29 | 77.38 | 65.29 |
| Proportional gain | ||||
| Value | 1.07 | 1.49 | ||
| Integral gain | Ig1 | Ig2 | ||
| Value | 1.03 | 1.68 | ||
| Derivative gain | ||||
| Value | 1.87 | 0.29 | 0.38 | 1.22 |
| N | ||||
| Value | 57.9 | 40.28 | 51.9 | 70.38 |
| Proportional gain | Pg1 | Pg2 | ||
| Value | 0.99 | 1.16 | ||
| Integral gain | Ig1 | Ig2 | ||
| Value | 0.96 | 2.09 | ||
| Derivative gain | Dg11 | Dg12 | Dg21 | Dg22 |
| Value | 1.91 | 0.31 | 0.23 | 1.61 |
| N | N11 | N12 | N21 | N22 |
| Value | 37.76 | 10.77 | 62.12 | 60.18 |
| Proportional gain | Pg1 | Pg2 | ||
| Value | 0.90 | 1.18 | ||
| Integral gain | Ig1 | Ig2 | ||
| Value | 0.84 | 1.96 | ||
| Derivative gain | Dg11 | Dg12 | Dg21 | Dg22 |
| Value | 1.78 | 0.42 | 0.31 | 1.72 |
| N | N11 | N12 | N21 | N22 |
| Value | 38.81 | 18.37 | 58.39 | 70.39 |
Publisher’s Note: MDPI stays neutral with regard to jurisdictional claims in published maps and institutional affiliations. |
© 2022 by the authors. Licensee MDPI, Basel, Switzerland. This article is an open access article distributed under the terms and conditions of the Creative Commons Attribution (CC BY) license (https://creativecommons.org/licenses/by/4.0/).
Share and Cite
Farooq, Z.; Rahman, A.; Hussain, S.M.S.; Ustun, T.S. Power Generation Control of Renewable Energy Based Hybrid Deregulated Power System. Energies 2022, 15, 517. https://doi.org/10.3390/en15020517
Farooq Z, Rahman A, Hussain SMS, Ustun TS. Power Generation Control of Renewable Energy Based Hybrid Deregulated Power System. Energies. 2022; 15(2):517. https://doi.org/10.3390/en15020517
Chicago/Turabian StyleFarooq, Zahid, Asadur Rahman, S. M. Suhail Hussain, and Taha Selim Ustun. 2022. "Power Generation Control of Renewable Energy Based Hybrid Deregulated Power System" Energies 15, no. 2: 517. https://doi.org/10.3390/en15020517
APA StyleFarooq, Z., Rahman, A., Hussain, S. M. S., & Ustun, T. S. (2022). Power Generation Control of Renewable Energy Based Hybrid Deregulated Power System. Energies, 15(2), 517. https://doi.org/10.3390/en15020517

