Next Article in Journal
Secondary Voltage Collaborative Control of Distributed Energy System via Multi-Agent Reinforcement Learning
Next Article in Special Issue
Analysis of the Thermal Processes in an Electromagnetic Mill
Previous Article in Journal
The Application and Development of LVDC Buildings in China
Previous Article in Special Issue
Civic Energy in an Orchard Farm–Prosumer and Energy Cooperative—A New Approach to Electricity Generation
 
 
Font Type:
Arial Georgia Verdana
Font Size:
Aa Aa Aa
Line Spacing:
Column Width:
Background:
Article

Application of a Fractional Transfer Function for Simulating the Eddy Currents Effect in Electrical Systems

by
Volodymyr Moroz
1,2,* and
Oleksandr Makarchuk
1,2
1
Institute of Power Engineering and Control Systems, Lviv Polytechnic National University, 79013 Lviv, Ukraine
2
Faculty of Electrical Engineering, Czestochowa University of Technology, 42-201 Czestochowa, Poland
*
Author to whom correspondence should be addressed.
Energies 2022, 15(19), 7046; https://doi.org/10.3390/en15197046
Submission received: 18 August 2022 / Revised: 22 September 2022 / Accepted: 22 September 2022 / Published: 25 September 2022
(This article belongs to the Special Issue Technical, Economic and Managerial Aspects of the Energy Transition)

Abstract

Some electrical devices contain a solid nonlaminated magnetic core as a component. In the case of variable magnetic flux, eddy currents arise in such a core, which should be taken into account for computer simulation if higher precision is needed. The fractional order transfer function (FOTF) based on the simple traditional model of excitation circuit of a DC machine is proposed for eddy current simulation. This model is illustrated by mathematical (based on differential equations and the Laplace operator) and structural approaches to the excitation circuit of a common DC generator with a solid core. The skin effect for more precise simulation of eddy currents is also considered by means of fractional order transfer functions in the computer models. Magnetic saturation and hysteresis were not taken into account in this case. The proposed model is simple and ensures adequate accuracy, confirmed experimentally using the FOTF Toolbox for MATLAB and Simulink. This model is distinct and proposed for the fast and accurate computer simulation of eddy currents in electrical devices with a solid magnetic core.

1. Introduction

Many electromechanical systems have complex structures, and in this case, computer simulation provides a quick and often easy approach to studying the behavior of many systems. Thus, computer simulation makes it possible to simplify the process of studying electrical systems (such as electric drives), which are the main consumers of electric energy. We believe that complex computer models determine the depth of research in the processes of electrical engineering systems. One of the factors in the increased accuracy of simulating such a system is considering eddy currents if the system includes a solid ferromagnetic core. The stator frame of an electric machine or a DC relay is a good example of electrical systems for simulation.
The problem of eddy current simulation emerged more than half a century ago in automated DC electric drives with alternating excitation of a DC machine. For example, in 1962, Olgerd Slezhanovsky published the article “On Accounting and Compensation of the Influence of Eddy Currents in the Control Systems of the Flow of Excitation of Electric Machines” in the ELECTRICITY magazine [1]. He suggested to consider the effect of eddy currents in a massive magnetic frame of DC machines for the motors with variable excitation, as indicated in this article.
Modern research is also focused on the investigation of the phenomenon of eddy currents in magnetic circuits, e.g.:
  • Various types of electric machines and devices [2,3,4,5,6,7,8,9,10];
  • Energy transformation systems [4,8,10]; and
  • Measuring systems [11].
In the mid-1980s, after conducting experiments, the need for more accurate consideration of eddy currents in the modeling of electrical systems had become obvious. The test system of these experiments was a simple voltage regulator based on the 4GPEM-220 220 kW DC generator (see Figure 1). This type of DC generator was used for a mining shovel excavator with a BUTV thyristor exciter (reference code: B-3801) and the Ward–Leonard system as the main part of the electric driver for the main shovel mechanism.
In this experiment, to regulate the generator’s output UG, a voltage controller (a simple P-regulator based on a single operating amplifier) with a voltage feedback (see Figure 2) was used on the testing stand (see Figure 3) at the Karpinsky Electric Machine Building Plant (ex-USSR plant, now Russia).
The oscillogram in Figure 4 shows the reason for considering eddy currents for the computer simulation of the solid conductive ferromagnetic core of most electrical elements. It shows a significant difference between the exciting current Id and the output voltage UG of the DC generator, which corresponds to the magnetizing current Iµ.
For engineering applications, if high accuracy is not required and high calculation speed is preferred, it is possible to use a simple model considering the presence of eddy currents with the skin effect.

2. Materials and Methods

Some models for eddy current simulation with a skin effect are complicated because they use FEM analyses for the best accuracy [7,11]. Such models are detailed and provide high accuracy, but at the same time, they require proper software and high computing power, making it impossible to perform high-speed simulations, which are often needed for primary evaluation of engineering decisions.
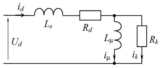
The classical model of eddy currents, particularly in DC machines (see Figure 5), was suggested more than half century ago by many authors (see [1,5,6,10], for example). This model is based on a simple equivalent LµRk circuit with a fictitious element Rk of the eddy current (indicated as ik). The introduction of the fictitious element of the eddy current creates the difference between the exciting current id and the magnetizing current iµ (corresponding to the EMF or the generator voltage UG).
The above-discussed model (Figure 5) is described by the system of algebraic and differential equations and is shown below:
{ L s d i d d t + i d R d + L μ d i μ d t = U d   ; L μ d i μ d t = i k R k   ; i μ + i k i d = 0   ;
or
{ T s d i d d t + i d + T μ d i μ d t = U d R d   ; T k d i μ d t = i k ; i μ + i k i d = 0   ;
where iμ is a magnetizing current; id is an exciting current; ik is a current of fictitious element of eddy currents; T s = L s R d is an inertia or time constant of leakage inductance circuit; T k = L μ R k is an inertia or time constant of the eddy currents circuit with the fictitious element; T μ = L μ R d is an inertia or time constant of the magnetizing circuit.
It is possible to express the structural model in the operator form (also known as a transfer function in Control Theory) for exciting and magnetizing currents using the previous Equations (1) and (2):
I d ( s ) = T k s + 1 s 2 T s T k + ( T s + T k + T μ ) s + 1 U d R d
I μ ( s ) = 1 s 2 T s T k + ( T s + T k + T μ ) s + 1 U d R d
Using an equivalent electrical circuit, shown in Figure 5, and the system of Equation (2), one can develop a structural model for describing the effect of eddy currents. The different form of a traditional model of a magnetizing circuit with eddy currents is presented in Figure 6 by two structure models:
  • Directly developed based on the electrical circuit in Figure 2 and the system of Equations (1) and (2); and
  • Slightly structurally transformed based on the system of Equation (2).
For most DC generators with a solid iron frame, the time constant Tk (inertia) of the fictitious eddy current circuit is 15% … 30% of the time constant (inertia) of the entire excitation winding. In particular, the value of the time constant Tk can be calculated according to the empirical formula suggested by O. Slezhanovskiy [1]:
T k 4 l j   a 2 b 2 π k ρ δ ( a 2 + b 2 )
where lj is the distance between the stator poles in cm; a and b are the thickness and length of the stator back, respectively, in cm; δ is the air gap between the pole and the rotor of a DC machine in cm; kρ = 2 × 104 (coefficient for steel).

3. Results

3.1. Simulation of Eddy Current Distribution

This is the simplest model for eddy currents but also currently the most popular one. The coefficient of distribution of the magnetic field in the stator frame (also known as the skin effect) was not considered in the model [12,13]. This phenomenon changes the parameters of the fictitious element of eddy currents in transient processes, which can be easily considered if we assume that the stator frame is unsaturated in most cases. An analytical expression for the distribution of magnetic and electric fields in solid metal is known from electromagnetics (for example, [14]) as an expression for the distribution of the current density in a finite thickness metal:
j = j 0 ( e α d + e α ( b d ) )
where j0 is the eddy current density at the edge of the metal, d is the distance from the edge, and b is the thickness of the metal.
α = ω μ μ 0 σ 2
where ω is the angular frequency of AC, μ is a relative magnetic permeability of the rolling steel type CT3, μ0 is a magnetic permeability of the vacuum, and σ is the specific conductivity. For iron (steel), σ ≅ 107 S/m.
Given in Figure 7 is the graphical representation of Equation (5) for the relative density of the eddy current along a solid block of rolled steel, type CT3, of 5 cm thickness, which corresponds to the stator thickness of the generator 4GPEM-220. The plots were built in MATLAB software for three frequencies of 10, 30, and 100 Hz, which visually demonstrate the skin effect in a solid conductor. The MATLAB script is presented below.
The skin (surface) effect can be taken into account in the model by the coefficient of the varied resistance, depending on the frequency ω, i.e.,
K σ = R k R ω
where Rω is the resistance of the fictitious element of eddy currents at the frequency ω, and Rk is the resistance of fictitious element of eddy currents on direct current.
Coefficient Kσ is calculated by integrating the current distribution (5) due to the skin effect:
K σ = 1 2 b 0 b ( e α x + e α ( b x ) )   d x = 1 e α b α b
Replacing in (8) the α coefficient with its expression from the frequency ω of Equation (6) [12,13,15], one can obtain (see Figure 8):
K σ ( ω ) = 1 e α b α b | α = ω μ μ 0 σ 2 = 1 e b ω μ μ 0 σ 2 b ω μ μ 0 σ 2
The part of the MATLAB script for building the plot for the visual representation of the coefficient of change in resistance of eddy currents is given below.

3.2. Simulation of Eddy Current Distribution Using Fractional Order Transfer Function

A simulation of the resistance growth with the frequency ω was suggested by one of the authors in the mid-1990s [12,13] with satisfactory approximation accuracy by adding imaginary inductance (designated as Lk), which is connected in series to the resistance Rk of the fictitious element of eddy currents. This approximation includes the following assumptions:
  • The coefficient Kσ increases proportionally to the square root of the angular frequency ω as opposed to the inductive resistance, which is in proportion to the frequency ω.
  • The saturation of the stator core is not taken into account in places of the magnetic field concentration (this is true in most cases during transient processes).
As suggested in [12,13], the value of the additional inductance Lk can be chosen for the slightest error of approximation of the transient characteristic of the viable DC machine in the generator mode or by the convergence of the amplitude–frequency characteristics of the coefficient Kσ and the circuit, which is formed by the additional imaginary inductance Lk and the resistance Rk. As shown by experimental studies [12,13], for the majority of electric machines with a solid stator, the value Lk is (1 … 2) Lμ. It should be mentioned for future analysis that such an RL circuit has a decline of –20 dB/decade on the graph of the amplitude–frequency characteristics (also known as the Bode diagram).
A more precise approximation of the effect of eddy currents on the magnetizing current can be made by replacing the permanent resistance of the equivalent (or virtual) element of eddy currents Rk with the variable resistance Rω of the system having a frequency dependence of the fractional order (proportional to the square root of the angular frequency ω or the frequency f) according to the dependence (9). This resistance can be visualized by the structural model shown in Figure 3b as a block of the fractional order with the corresponding transfer function [15]:
R ω ( s ) = R k T k s 0.5 + 1
The frequency response graph (Bode diagram—see Figure 9) for this type of block can be constructed using the Control Systems Toolbox with FOTF Toolbox (ver. 1.3 used) for MATLAB [16], and it confirms the corresponding frequency response for the planned resistance model Rω. It should be noted that this transfer function does have a decline of −10 dB/decade of the amplitude–frequency characteristic. The MATLAB script using the FOTF Toolbox ver. 1.3 is presented below.

3.3. Results of the Computer Simulation

The suggested fractional transfer function for resistance Rω can be used to build a structural model of the impact of eddy currents in a solid ferromagnetic frame (Figure 10) [15].
This model (Figure 11) was tested for a step disturbance (with a value of 20) using the FOTF Toolbox (version 1.3) for MATLAB and Simulink [15,16]. These computer model parameters are based on a DC generator model for a mining shovel excavator of GPEM-220 type: Rd = 1.764 Ohm; Rk = 6Rd; Ts = 0.127 s; Tk = 0.52 s. Parameters of the used FOTF block are show in Figure 12.
Figure 13 shows the results of the computer simulation of the 20 V voltage jump (also known as the step response in Control Theory) with the suggested Simulink model based on the transfer function of the fractional order (labeled “Proposed model”) in comparison with the classical model (see Figure 5, labeled “Traditional model”), as well as the experimental results (labeled “Experiment”). The experiment was conducted on the excavator DC generator of GPEM-220 type using the BUTV exciter for the reduced output voltage in order to ensure its operation on the linear part of the magnetizing curve. This ensures the correspondence between the generator’s EMF (or generator’s voltage UG without load) and the magnetizing current Iµ. The magnetizing current in this experiment is easily calculated—in static mode, the magnetizing current Iµ and the excitation current Id (it measured by equipment) are equal. The proportional coefficient between the magnetizing current Iµ and the generator’s EMF (measured by equipment) is easily calculated. It should be noted that a slight discrete filtering (leveling) of measurement values from the DC machine was used to construct these lines to reduce noise and interference.
Note that the line labeled “Experiment” in the graphs is noisy (looks “hairy”) and fully covers the line from the proposed computer model, labeled “Proposed model”. This indicates almost complete convergence of the results and the accuracy of the proposed model.

4. Discussion

The method suggested for the simulation of eddy currents in a solid metallic core of electric machines is relatively simple and suitable for many computer applications. It is more accurate than the well-known traditional method considering eddy currents (as suggested in the article), and provides results practically identical to experimental data for a viable DC generator with a solid frame.
This method is not highly accurate because the magnetization curve and the hysteresis of the magnetic material of the core are not taken into account. However, the proposed model is suitable for brief computer simulation for engineering purposes and gives precise results.

5. Conclusions

The proposed computer model for eddy current simulation was used in a traction electrical driver model of a mining shovel excavator and produced satisfactory results that were published in some articles during the 2000s, but these are not included in the references list.
The fractional calculus application in the simulation can give adequate results in electrical engineering. We have reaffirmed that the FOTF Toolbox for MATLAB and Simulink is a useful tool for implementing the fractional order transfer function, and we express gratitude to Dinya Xue [16] for his work in this regard.

Author Contributions

Conceptualization, V.M. and O.M.; methodology, V.M.; software, V.M.; validation, O.M.; formal analysis, V.M.; investigation, O.M.; resources, V.M.; data curation, O.M.; writing—original draft preparation, V.M.; writing—review and editing, V.M. and O.M.; visualization, O.M.; supervision, V.M.; project administration, O.M.; funding acquisition, O.M. All authors have read and agreed to the published version of the manuscript.

Funding

This research received no external funding.

Acknowledgments

Many thanks to Dinya Xue [16] for his work in creating the FOTF Toolbox for MATLAB.

Conflicts of Interest

The authors declare no conflict of interest. The funders had no role in the design of the study; in the collection, analyses, or interpretation of data; in the writing of the manuscript, or in the decision to publish the results.

References

  1. Slezanowski, O. On the account and compensation of the eddy currents effect in control systems of the electrical machines excitation. Electricity 1962, 9, 23–27. (In Russian) [Google Scholar]
  2. Polinder, H.; Hoeijmakers, M.J. Eddy-current losses in the segmented surface-mounted magnets of a PM machine. IEEE Proc.-Electr. Power Appl. 1999, 146, 261–266. [Google Scholar] [CrossRef]
  3. Sixdenier, F.; Raulet, M.-A.; Marion, R.; Goyet, R.; Clerc, G.; Allab, F. Dynamical Models for Eddy Current in Ferromagnetic Cores Introduced in an FE-Tuned Magnetic Equivalent Circuit of an Electromagnetic Relay. IEEE Trans. Magn. 2008, 44, 866–869. [Google Scholar] [CrossRef]
  4. Liu, R.; Mi, C.C.; Gao, D.W. Modeling of Eddy-Current Loss of Electrical Machines and Transformers Operated by Pulsewidth-Modulated Inverters. IEEE Trans. Magn. 2008, 44, 2012–2028. [Google Scholar]
  5. Krings, A.; Soulard, J. Overview and Comparison of Iron Loss Models for Electrical Machines. In Proceedings of the Ecologic Vehicles & Renewable Energies, Monte-Carlo, Monaco, 25–28 March 2010; Available online: http://www.diva-portal.org/smash/get/diva2:473007/FULLTEXT01.pdf (accessed on 7 August 2022).
  6. Question: In Equivalent Circuits for Dc Motors, Iron Losses: Chegg Study. Available online: http://www.chegg.com/homework-help/questions-and-answers/equivalent-circuits-dc-motors-iron-losses-eg-eddy-current-losses-stator-usually-neglected--q21102949 (accessed on 7 August 2022).
  7. Zhao, H.; Luo, Y.; Ren, H.W.; Peter, B. A Complete Model for Iron Losses Prediction in Electric Machines Including Material Measurement, Data Fitting, FE Computation and Experimental Validation. Przegląd Elektrotechniczny Electr. Rev. 2012, 88, 52–55. [Google Scholar]
  8. Corda, J.; Jamil, S.M. Inclusion of Eddy-Currents Impact in the Model of a Switched Reluctance Machine Based on the Equivalent Electric Circuit; White Rose Research Papers; University of Leeds: Leeds, UK, 2013; Available online: http://eprints.whiterose.ac.uk/83691/ (accessed on 7 August 2022).
  9. Chen, C.; Liu, Y.; Wang, Y. A Novel Model of Magnetic Eddy-current Coupling Based on the Magnetic Equivalent Circuit Method. In Proceedings of the 2016 3rd International Conference on Materials Science and Mechanical Engineering (ICMSME 2016), Windsor, UK, 29–30 September 2016; pp. 104–109, ISBN 978-1-60595-391-5. [Google Scholar]
  10. Ruderman, A.; Reznikov, B.; Thielemans, S. Single-Leg Flying Capacitor Converter Voltage Balancing Dynamics Analysis Accounting for PWM Iron Loss. In Proceedings of the 8th International Conference on Power Electronics, ECCE Asia, Jeju, Korea, 30 May–3 June 2011; pp. 977–982. [Google Scholar] [CrossRef]
  11. Fang, J.; Wen, T. A Wide Linear Range Eddy Current Displacement Sensor Equipped with Dual-Coil Probe Applied in the Magnetic Suspension Flywheel. Sensors 2012, 12, 10693–10706. [Google Scholar] [CrossRef] [PubMed]
  12. Plahtyna, O.H.; Moroz, V.I. Improving of the DC generator model during the simulation of electric drives. J. Lviv. Polytech. State Univ. Electromech. Power Syst. 1995, 288, 80–83. (In Ukrainian) [Google Scholar]
  13. Moroz, V.; Karpluk, L. Improvement of the DC series motor model. J. Lviv. Polytech. State Univ. Electromech. Power Syst. 1998, 347, 118–123. (In Ukrainian) [Google Scholar]
  14. Hayt, W.H. Engineering Electromagnetics, 5th ed.; McGraw-Hill: New York, NY, USA, 1989; ISBN 978-0070274068. [Google Scholar]
  15. Moroz, V.; Calus, D.; Makarchuk, O. Fractional Order Transfer Function for Eddy Current Simulation. In Proceedings of the 14th International Conference on Advanced Trends in Radioelectronics, Telecommunications and Computer Engineering (TCSET-2018), Lviv-Slavske, Ukraine, 20–24 February 2018; IEEE Catalogue Number: CFP1838R-USB. IEEE: Piscataway, NJ, USA, 2018; p. 200, ISBN 978-1-5386-2555-2. [Google Scholar]
  16. Xue, D. FOTF Toolbox: FOTF Toolbox for Fractional-Order Systems. Updated 19 May 2022. Available online: https://www.mathworks.com/matlabcentral/fileexchange/60874-fotf-toolbox (accessed on 7 August 2022).
Figure 1. Photo of 4GPEM-220 DC generator in a factory.
Figure 1. Photo of 4GPEM-220 DC generator in a factory.
Energies 15 07046 g001
Figure 2. Functional scheme of the system for conducting the experiment.
Figure 2. Functional scheme of the system for conducting the experiment.
Energies 15 07046 g002
Figure 3. Photos of equipment for experiment. (a) Prototype of BUTV (B-3801) thyristor exciter for mining excavators; (b) The testing stand in Karpinsky Electric Machine Building Plant.
Figure 3. Photos of equipment for experiment. (a) Prototype of BUTV (B-3801) thyristor exciter for mining excavators; (b) The testing stand in Karpinsky Electric Machine Building Plant.
Energies 15 07046 g003
Figure 4. Experimental oscillogram of a DC generator with the effect of eddy currents. UG—output voltage of DC generator (generator’s EMF); Ud—filtered excitation voltage; Id—filtered excitation current.
Figure 4. Experimental oscillogram of a DC generator with the effect of eddy currents. UG—output voltage of DC generator (generator’s EMF); Ud—filtered excitation voltage; Id—filtered excitation current.
Energies 15 07046 g004
Figure 5. Traditional equivalent electric exciting circuits of a DC machine with eddy current element. id is an exciting current; iμ is a magnetizing current; Ud is an excitation voltage; ik is a current of fictitious element of eddy currents; Ls is a leakage inductance for excitation winding; Lµ is a magnetizing inductance for excitation winding; Rd is a field resistance; Rk is a resistance of fictitious element of eddy currents.
Figure 5. Traditional equivalent electric exciting circuits of a DC machine with eddy current element. id is an exciting current; iμ is a magnetizing current; Ud is an excitation voltage; ik is a current of fictitious element of eddy currents; Ls is a leakage inductance for excitation winding; Lµ is a magnetizing inductance for excitation winding; Rd is a field resistance; Rk is a resistance of fictitious element of eddy currents.
Energies 15 07046 g005
Figure 6. Structural model for the excitation circuit of a DC machine with eddy currents, based on the system of Equation (2). (a) structural model (first step); (b) structural model after transformations.
Figure 6. Structural model for the excitation circuit of a DC machine with eddy currents, based on the system of Equation (2). (a) structural model (first step); (b) structural model after transformations.
Energies 15 07046 g006
Figure 7. Relative density of eddy currents within a solid steel core of 5 cm thickness for frequencies of 10, 30, and 100 Hz due to the skin effect.
Figure 7. Relative density of eddy currents within a solid steel core of 5 cm thickness for frequencies of 10, 30, and 100 Hz due to the skin effect.
Energies 15 07046 g007
Figure 8. The coefficient of change in resistance of eddy currents’ fictitious element due to the skin effect depending on frequency f (in Hz) in a 5 cm thick solid steel core.
Figure 8. The coefficient of change in resistance of eddy currents’ fictitious element due to the skin effect depending on frequency f (in Hz) in a 5 cm thick solid steel core.
Energies 15 07046 g008
Figure 9. Bode diagram for Rω/Rk approximation using fractional order block.
Figure 9. Bode diagram for Rω/Rk approximation using fractional order block.
Energies 15 07046 g009
Figure 10. Structural model of the impact of eddy currents by the approximation of Rω by means of the fractional order block.
Figure 10. Structural model of the impact of eddy currents by the approximation of Rω by means of the fractional order block.
Energies 15 07046 g010
Figure 11. Computer Simulink model based on structural models of the eddy currents’ influence with an approximation of Rω of a fractional order block.
Figure 11. Computer Simulink model based on structural models of the eddy currents’ influence with an approximation of Rω of a fractional order block.
Energies 15 07046 g011
Figure 12. Parameters of the FOTF block from Figure 11.
Figure 12. Parameters of the FOTF block from Figure 11.
Energies 15 07046 g012
Figure 13. Results of simulation and experimental. (a) Exciting current of generator; (b) Magnetizing current of generator.
Figure 13. Results of simulation and experimental. (a) Exciting current of generator; (b) Magnetizing current of generator.
Energies 15 07046 g013
Publisher’s Note: MDPI stays neutral with regard to jurisdictional claims in published maps and institutional affiliations.

Share and Cite

MDPI and ACS Style

Moroz, V.; Makarchuk, O. Application of a Fractional Transfer Function for Simulating the Eddy Currents Effect in Electrical Systems. Energies 2022, 15, 7046. https://doi.org/10.3390/en15197046

AMA Style

Moroz V, Makarchuk O. Application of a Fractional Transfer Function for Simulating the Eddy Currents Effect in Electrical Systems. Energies. 2022; 15(19):7046. https://doi.org/10.3390/en15197046

Chicago/Turabian Style

Moroz, Volodymyr, and Oleksandr Makarchuk. 2022. "Application of a Fractional Transfer Function for Simulating the Eddy Currents Effect in Electrical Systems" Energies 15, no. 19: 7046. https://doi.org/10.3390/en15197046

APA Style

Moroz, V., & Makarchuk, O. (2022). Application of a Fractional Transfer Function for Simulating the Eddy Currents Effect in Electrical Systems. Energies, 15(19), 7046. https://doi.org/10.3390/en15197046

Note that from the first issue of 2016, this journal uses article numbers instead of page numbers. See further details here.

Article Metrics

Back to TopTop