VSG Control Applied to Seven-Level PV Inverter for Partial Shading Impact Abatement
Abstract
:1. Introduction
2. Alternatives to Reduce PS Effects
2.1. Maximum Power Point Tracking—MPPT
2.2. Photovoltaic Arrangements
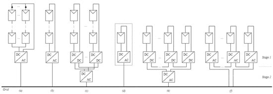
2.3. Arrangements for Power Transfer
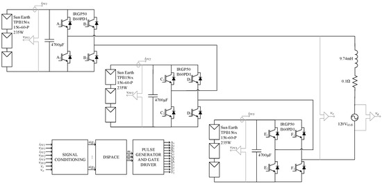
3. System Overview
3.1. Multilevel Topology
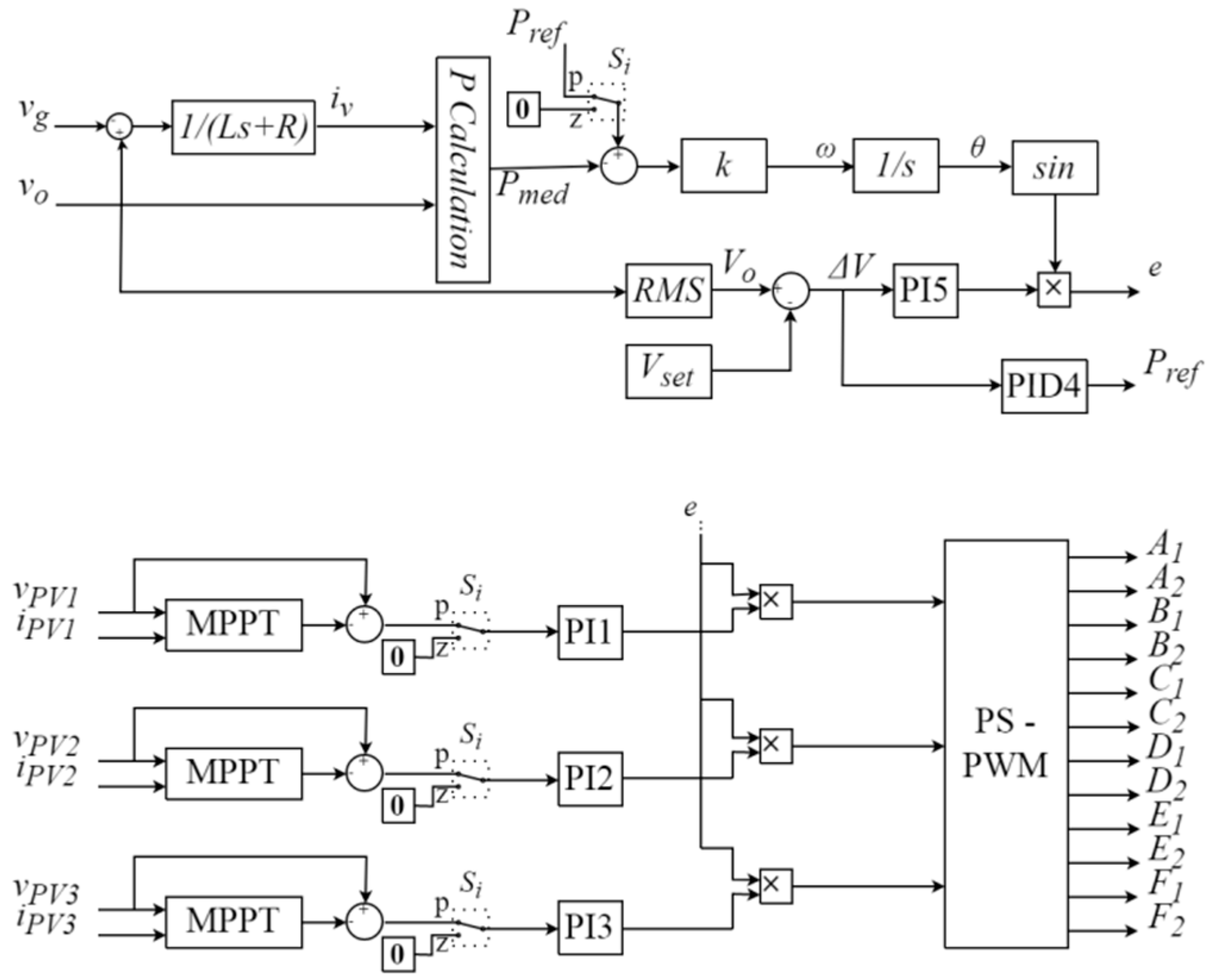
3.2. VSG Control
3.3. Control Philosophy
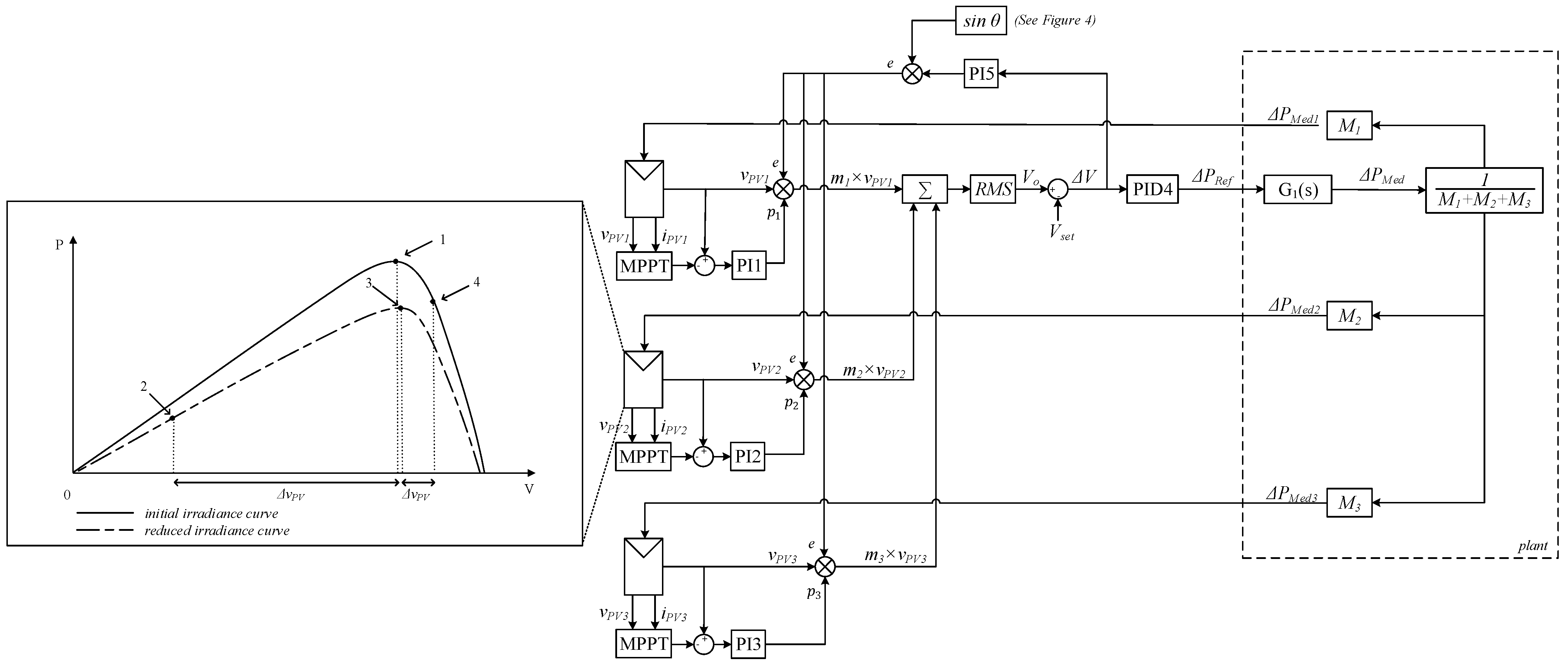
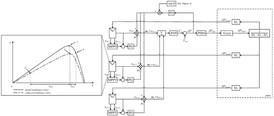
3.4. Effects of Irradiation Variations
4. Experimental Evaluation
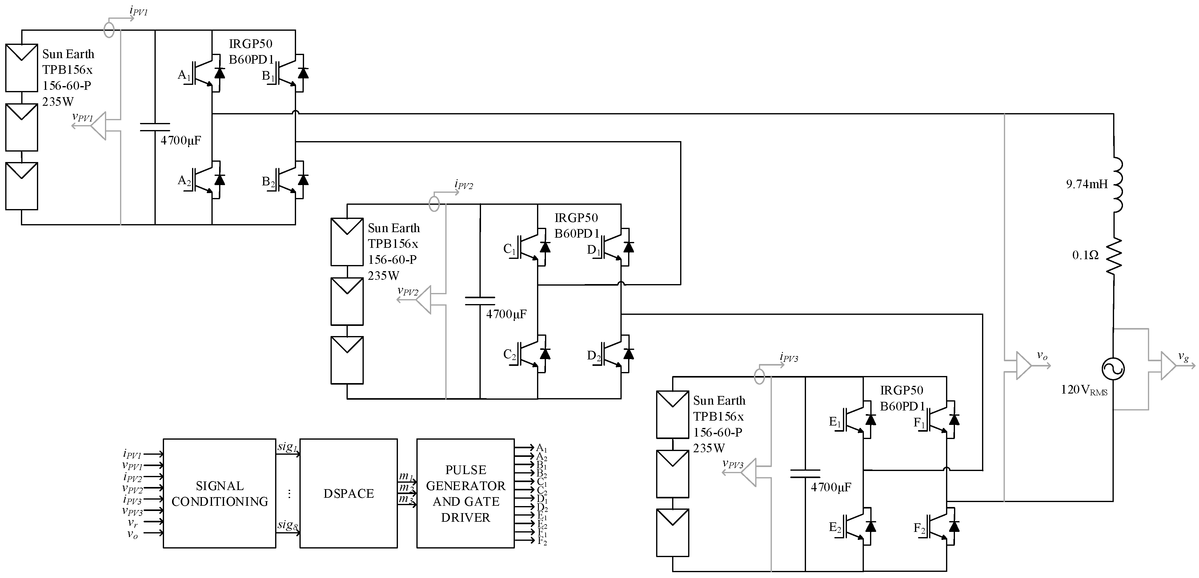
4.1. System Overview
4.2. Experimental Results
5. Conclusions
Author Contributions
Funding
Institutional Review Board Statement
Informed Consent Statement
Data Availability Statement
Conflicts of Interest
References
- Zhang, P.; Sui, H. Maximum Power Point Tracking Technology of Photovoltaic Array under Partial Shading Based On Adaptive Improved Differential Evolution Algorithm. Energies 2020, 13, 1254. [Google Scholar] [CrossRef]
- De Brito, M.A.G.; Galotto, L.; Sampaio, L.P.; Melo, G.D.A.E.; Canesin, C.A. Evaluation of the Main MPPT Techniques for Photovoltaic Applications. IEEE Trans. Ind. Electron. 2013, 60, 1156–1167. [Google Scholar] [CrossRef]
- Villalva, M.G.; Gazoli, J.R.; Filho, E.R. Comprehensive Approach to Modeling and Simulation of Photovoltaic Arrays. IEEE Trans. Power Electron. 2009, 24, 1198–1208. [Google Scholar] [CrossRef]
- Bollipo, R.B.; Mikkili, S.; Bonthagorla, P.K. Hybrid, optimal, intelligent and classical PV MPPT techniques: A review. CSEE J. Power Energy Syst. 2021, 7, 9–33. [Google Scholar] [CrossRef]
- Eltamaly, A.M. An Improved Cuckoo Search Algorithm for Maximum Power Point Tracking of Photovoltaic Systems under Partial Shading Conditions. Energies 2021, 14, 953. [Google Scholar] [CrossRef]
- Barcellona, S.; Barresi, M.; Piegari, L. MMC-Based PV Single-Phase System with Distributed MPPT. Energies 2020, 13, 3964. [Google Scholar] [CrossRef]
- Alves, T.; Torres, J.P.N.; Marques Lameirinhas, R.A.; Fernandes, C.A.F. Different Techniques to Mitigate Partial Shading in Photovoltaic Panels. Energies 2021, 14, 3863. [Google Scholar] [CrossRef]
- Kim, K.A.; Seo, G.-S.; Cho, B.-H.; Krein, P.T. Photovoltaic Hot-Spot Detection for Solar Panel Substrings Using AC Parameter Characterization. IEEE Trans. Power Electron. 2016, 31, 1121–1130. [Google Scholar] [CrossRef]
- Rossi, D.; Omaña, M.; Giaffreda, D.; Metra, C. Modeling and Detection of Hotspot in Shaded Photovoltaic Cells. IEEE Trans. Very Large Scale Integr. Syst. 2015, 23, 1031–1039. [Google Scholar] [CrossRef]
- Batzelis, E.I.; Georgilakis, P.S.; Papathanassiou, S.A. Energy models for photovoltaic systems under partial shading conditions: A comprehensive review. IET Renew. Power Gener. 2015, 9, 340–349. [Google Scholar] [CrossRef]
- Engel, E.; Kovalev, I.; Testoyedov, N.; Engel, N.E. Intelligent Reconfigurable Photovoltaic System. Energies 2021, 14, 7969. [Google Scholar] [CrossRef]
- Xiao, B.; Hang, L.; Mei, J.; Riley, C.; Tolbert, L.M.; Ozpineci, B. Modular Cascaded H-Bridge Multilevel PV Inverter with Distributed MPPT for Grid-Connected Applications. IEEE Trans. Ind. Appl. 2015, 51, 1722–1731. [Google Scholar] [CrossRef]
- Chavan, V.C.; Mikkili, S.; Senjyu, T. Hardware Implementation of Novel Shade Dispersion PV Reconfiguration Technique to Enhance Maximum Power under Partial Shading Conditions. Energies 2022, 15, 3515. [Google Scholar] [CrossRef]
- Vadivel, S.; Boopthi, C.S.; Ramasamy, S.; Ahsan, M.; Haider, J.; Rodrigues, E.M.G. Performance Enhancement of a Partially Shaded Photovoltaic Array by Optimal Reconfiguration and Current Injection Schemes. Energies 2021, 14, 6332. [Google Scholar] [CrossRef]
- Kjaer, S.B.; Pedersen, J.K.; Blaabjerg, F. A review of single-phase grid-connected inverters for photovoltaic modules. IEEE Trans. Ind. Appl. 2005, 41, 1292–1306. [Google Scholar] [CrossRef]
- Alluhaybi, K.; Batarseh, I.; Hu, H. Comprehensive Review and Comparison of Single-Phase Grid-Tied Photovoltaic Microinverters. IEEE J. Emerg. Sel. Top. Power Electron. 2020, 8, 1310–1329. [Google Scholar] [CrossRef]
- Zhang, X.; Hu, Y.; Mao, W.; Zhao, T.; Wang, M.; Liu, F.; Cao, R. A Grid-Supporting Strategy for Cascaded H-Bridge PV Converter Using VSG Algorithm with Modular Active Power Reserve. IEEE Trans. Ind. Electron. 2021, 68, 186–197. [Google Scholar] [CrossRef]
- Mohamed Hariri, M.H.; Mat Desa, M.K.; Masri, S.; Mohd Zainuri, M.A.A. Grid-Connected PV Generation System—Components and Challenges: A Review. Energies 2020, 13, 4279. [Google Scholar] [CrossRef]
- Sochor, P.; Akagi, H. Theoretical and Experimental Comparison between PhaseShifted PWM and Level-Shifted PWM in a Modular Multilevel SDBC Inverter for Utility-Scale Photovoltaic Applications. IEEE Trans. Ind. Appl. 2017, 53, 4695–4707. [Google Scholar] [CrossRef]
- Akhmetov, Z.; Hammami, M.; Grandi, G.; Ruderman, A. On PWM Strategies and Current THD for Single- and Three-Phase Cascade H-Bridge Inverters with Non-Equal DC Sources. Energies 2019, 12, 441. [Google Scholar] [CrossRef] [Green Version]
- Kim, S.-M.; Lee, E.-J.; Lee, J.-S.; Lee, K.-B. An Improved Phase-Shifted DPWM Method for Reducing Switching Loss and Thermal Balancing in Cascaded H-Bridge Multilevel Inverter. IEEE Access 2020, 8, 187072–187083. [Google Scholar] [CrossRef]
- Guo, X.; Wang, X.; Wang, C.; Lu, Z.; Hua, C.; Blaabjerg, F. Improved Modulation Strategy for Singe-Phase Cascaded H-Bridge Multilevel Inverter. IEEE Trans. Power Electron. 2022, 37, 2470–2474. [Google Scholar] [CrossRef]
- Godoy, R.B.; Bizarro, D.; De Andrade, E.T.; Soares, J.D.O.; Ribeiro, P.E.M.J.; Carniato, L.A.; Kimpara, M.L.M.; Pinto, J.O.P.; Al-Haddad, K.; Canesin, C.A. Procedure to Match the Dynamic Response of MPPT and Droop-Controlled Microinverters. IEEE Trans. Ind. Appl. 2017, 53, 2358–2368. [Google Scholar] [CrossRef]
- Godoy, R.B.; Pinto, J.O.P.; Canesin, C.A.; Coelho, E.A.A.; Pinto, A.M.A.C. Differential-Evolution-Based Optimization of the Dynamic Response for Parallel Operation of Inverters with No Controller Interconnection. IEEE Trans. Ind. Electron. 2012, 59, 2859–2866. [Google Scholar] [CrossRef]











| kp | ki | kd | |
|---|---|---|---|
| PI 1, 2, 3, 5 | 0.001 | 0.01 | 0 |
| PID 4 | 15 | 20 | 0.1 |
| Parameters | Values |
|---|---|
| DC-link capacitor | 4700 µF |
| Connection inductance | 9.74 mH |
| Connection resistance | 0.1 Ω |
| Switching frequency | 2.5 kHz |
| Mains frequency | 60 Hz |
| Rated grid voltage | 120 VRMS |
| Maximum power PV | 235 Wp |
| Voltage at MPP | 29.2 V |
| Current at MPP | 7.6 A |
| Open circuit voltage | 32.9 V |
| Short circuit current | 7.6 A |
| 1250 W/m2 | 300 W/m2 | |
|---|---|---|
| PVs Temp | ~60 °C | ~45 °C |
| VPV1 | 71.5 V | 82.5 V |
| VPV2 | 71.0 V | 82.8 V |
| VPV3 | 70.9 V | 83.3 V |
| IPV1 | 9.4 A | 2.6 A |
| IPV2 | 9.7 A | 2.6 A |
| IPV3 | 9.5 A | 2.4 A |
| VO | 119 VRMS | 120 VRMS |
| IO | 15.9 ARMS | 5.6 ARMS |
| PO | 1834 W | 569 W |
| m1 | 0.79 | 0.68 |
| m2 | 0.86 | 0.72 |
| m3 | 0.84 | 0.68 |
Publisher’s Note: MDPI stays neutral with regard to jurisdictional claims in published maps and institutional affiliations. |
© 2022 by the authors. Licensee MDPI, Basel, Switzerland. This article is an open access article distributed under the terms and conditions of the Creative Commons Attribution (CC BY) license (https://creativecommons.org/licenses/by/4.0/).
Share and Cite
Mateus, T.H.d.A.; Pomilio, J.A.; Godoy, R.B.; Pinto, J.O.P. VSG Control Applied to Seven-Level PV Inverter for Partial Shading Impact Abatement. Energies 2022, 15, 6409. https://doi.org/10.3390/en15176409
Mateus THdA, Pomilio JA, Godoy RB, Pinto JOP. VSG Control Applied to Seven-Level PV Inverter for Partial Shading Impact Abatement. Energies. 2022; 15(17):6409. https://doi.org/10.3390/en15176409
Chicago/Turabian StyleMateus, Tiago H. de A., José A. Pomilio, Ruben B. Godoy, and João O. P. Pinto. 2022. "VSG Control Applied to Seven-Level PV Inverter for Partial Shading Impact Abatement" Energies 15, no. 17: 6409. https://doi.org/10.3390/en15176409
APA StyleMateus, T. H. d. A., Pomilio, J. A., Godoy, R. B., & Pinto, J. O. P. (2022). VSG Control Applied to Seven-Level PV Inverter for Partial Shading Impact Abatement. Energies, 15(17), 6409. https://doi.org/10.3390/en15176409

