Next Article in Journal
Research on Rock Damage Evolution Based on Fractal Theory-Improved Dynamic Tensile-Compression Damage Model
Previous Article in Journal
Improving Kraft Pulp Mill Energy Efficiency through Low-Temperature Hydrothermal Carbonization of Biological Sludge
 
 
Font Type:
Arial Georgia Verdana
Font Size:
Aa Aa Aa
Line Spacing:
Column Width:
Background:
Article

Research on Reactive Power Compensation Control Strategy of Flexible On-Load Voltage Regulator

1
Institute of Electrical Engineering, Chinese Academy of Sciences, Beijing 100190, China
2
School of Electronic, Electrical and Communication Engineering, University of Chinese Academy of Sciences, Beijing 100049, China
*
Author to whom correspondence should be addressed.
Energies 2022, 15(17), 6193; https://doi.org/10.3390/en15176193
Submission received: 1 July 2022 / Revised: 6 August 2022 / Accepted: 13 August 2022 / Published: 25 August 2022

Abstract

:
The application of on-load tap-charger (OLTC) transformer technology has become the most direct and effective way to solve the voltage fluctuation of power grid. With the development of active distribution technology, the research focus of on-load voltage regulation technology has gradually turned to the development direction of arc free, fast and intelligent. This paper presents a flexible on-load voltage regulation topology based on power electronic technology. The flexible on-load voltage regulation (flexible OLVR) transformer is a combination of power electronic technology and traditional on-load tap-charger transformer, which can realize fast arcless switching, voltage step-less regulation, power regulation and other functions. In this paper, a new type of flexible on-load voltage regulation transformer is proposed. The OLTC switches of the device adopts the power electronic switch of anti-parallel thyristors, which can realize step, fast and arcless voltage regulation; the power electronic converter (PEC) module is connected to the primary side of the main transformer. At the same time, it proposed a new reactive power compensation control strategy, which could realize the functions of step-less voltage regulation and reactive power compensation. In the end, the rationality and validity of the proposed topology is tested and verified by simulations and experimental tests.

Graphical Abstract

1. Introduction

(a) Motivation and Background
With the vigorous development of new power systems, a large number of different renewable energies, such as wind power and photovoltaic power generation, are connected to the grid, and fluctuating load is also increasing. With the increasing penetration of highly variable renewable production in active distribution systems, the resource scheduling and voltage control problem is increasingly becoming dynamic in nature.
As an important piece of equipment to regulate voltage and maintain voltage stability in power grids, the traditional on-load tap-charger (OLTC) transformer has put forward higher and higher requirements for its voltage regulation ability [1,2,3]. The existing OLTC transformer can only regulate voltage according to a certain step but cannot achieve step-less voltage regulation [4,5]. At the same time, an OLTC transformer cannot be adjusted reactive power, so reactive power compensation devices should be configured to solve the problem of reactive power deficiency [6,7,8]. All solid state power electronic transformers or power electronic hybrid transformers can achieve the above functions, but they need high power adjustment ability and this is expensive [9,10,11]. Therefore, it is still necessary to find a low-cost transformer structure, which can achieve precise voltage regulation and flexible reactive power compensation at the same time.
(b) Relevant Literature
Traditional OLTC adopts a mechanical switch to cut tap winding, but mechanical switches have some disadvantages, such as complex structure, slow switching speed and electric arcs. With the development of a semiconductor switch, the semiconductor and mechanical hybrid OLTC transformer could realize the arc-less switching function, but this structure is still complex [12]. An all-semiconductor switch structure is expensive and has insufficient capacity in surge currents to withstand [13]. The OLTC transformer could only achieve rough load voltage regulation; it needs to cooperate with other reactive power management equipment for accurate voltage regulation [14,15,16]. There is a technique consisting of the coordinated action of an OLTC transformer and hybrid power compensation by unified power flow controller (UPFC) for the voltage regulation of medium voltage distribution grid with distributed generation units [17].
Solid state transformers (SST), also known as power electronic transformers, can achieve a full range control of output voltage and current and ensure flexible power regulation. However, due to the significant increase in cost and low conversion efficiency, it is too limited to be widely used in the grid [18].
Considering the cost and reliability, the hybrid transformer, which combines power electronic converter (PEC) and power transformer, has been widely concerned by scholars. The PEC can be installed at the primary side, secondary side and both sides of the main transformer, which is connected with the main circuit through direct connection or magnetic coupling [19]. There are various types of PEC. For example, the matrix converter can implement voltage compensation and power flow control by applying control strategy to nine switches [20]. For the circuit with an active load, a matrix chopper can also be used [21]. Applying SST structure to power electronic modules can also realize fast voltage and current regulation [22]. The back-to-back converter structure is adopted, which has a simple structure and mature control, and it is one of the topologies with development potential [23]. Although the above hybrid transformer could achieve precise voltage regulation and flexible power control, it should be equipped with the corresponding capacity of the power electronic converter in order to achieve the larger capacity of the regulation.
In this paper, the power electronic converter (PEC) and the traditional OLTC transformer are integrated to form a new type of flexible on-load voltage regulating (flexible OLVR) device, which has the advantages of both the SST and the OLTC transformer. It integrates the PEC with the traditional OLTC transformer winding points and can realize step-less voltage regulation and reactive power compensation by a small capacity power electronic converter. The new type of flexible OLVR is a kind of low cost equipment in distribution grid; it can significantly improve the given ability of the power grid in renewable energy, and it has broad application prospects. At the same time, it proposed a new complex control strategy, which could realize the functions of precise voltage regulation and reactive power compensation of the flexible OLVR device.
(c) Contributions and Organization
The main contributions of this paper include a new flexible OLVR, combining a power electronic converter and an advanced transformer, which combines the reliability of the OLTC transformer with the flexibility and controllability of power electronics. A novel min-voltage vector complex control strategy of the flexible OLVR is proposed for voltage regulation and reactive power compensation, which could extend the reactive power compensation range.
In Table 1, the proposed topology is compared with the existing schemes in the literature in terms of voltage regulation characteristics, cost, control strategy, loss and reactive power compensation capability. As can be seen from Table 1, the flexible on-load voltage regulating (flexible OLVR) device combines the advantages of both the SST and the OLTC transformer. It integrate a small capacity PEC with the traditional OLTC transformer winding points, which could realize step-less voltage regulation and reactive power compensation, while at the same time still having the advantages of low cost, small loss and good dynamic response.
Section 2 presents topology scheme of the flexible OLVR. Section 3 shows the principle of voltage step-less regulation of the flexible OLVR. A new reactive power compensation control strategy is proposed in Section 4, which could realize voltage step-less regulation and reactive power compensation simultaneously by PEC. The rationality and validity of the proposed topology is tested and verified by simulations and experimental tests in Section 5 and Section 6. The conclusions are drawn in Section 7.

2. Structure of Flexible On-Load Voltage Regulator

2.1. Topology Scheme of Flexible OLVR

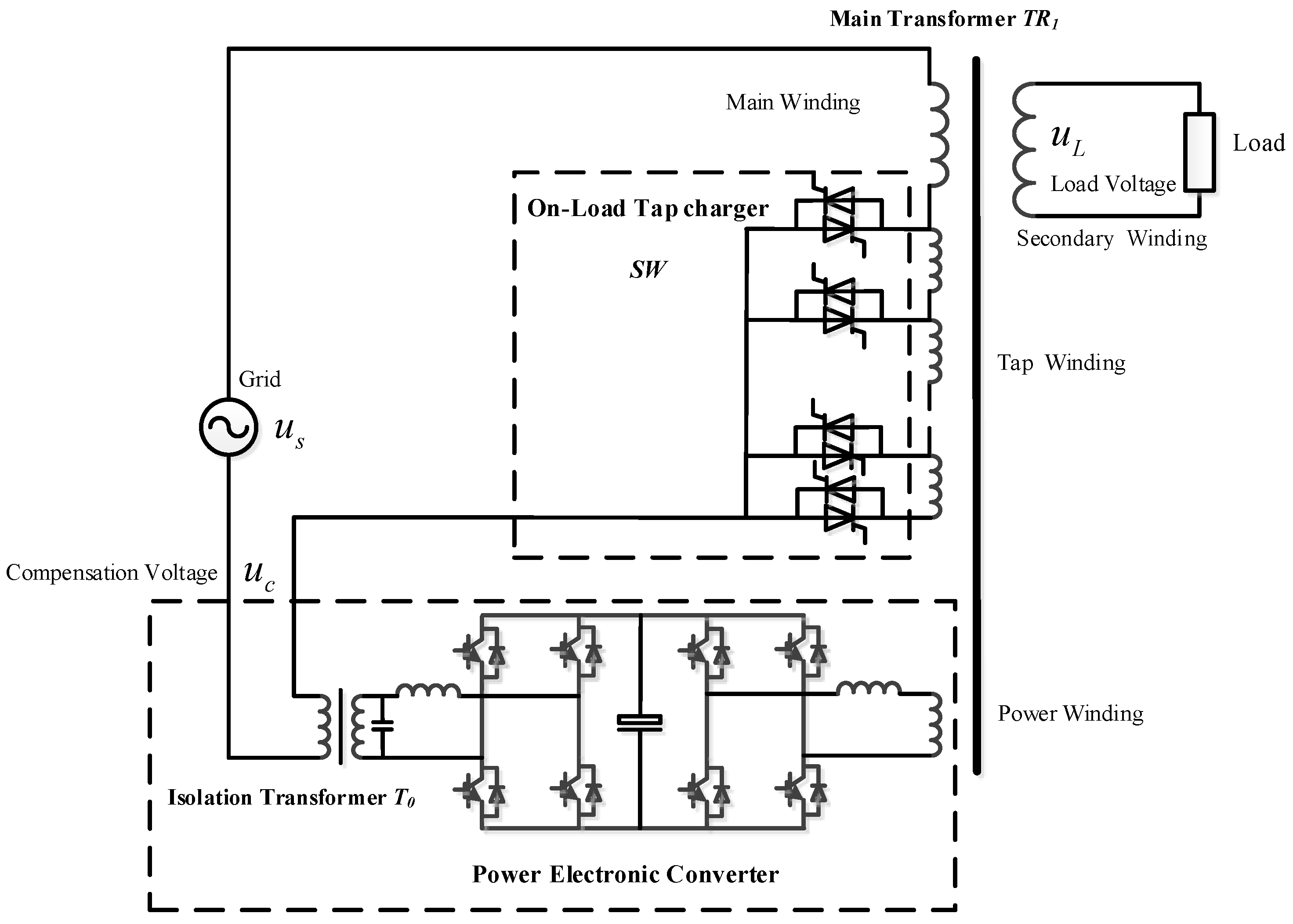
Figure 1 shows the topology structure of the flexible OLVR transformer. The primary side of the main transformer is delta connection, and the secondary side of the transformer is star connection. However, the primary side winding can be divided into main winding, tap windings and power winding. The power winding could be defined as a section of tap winding of traditional OLTC transformer or a separate isolating winding.
Through the back-to-back H-bridge topology, the PEC can get the power by power winding and by parallel grid-connected converter, also known as the voltage source converter, (VSC) at the rectifier side. The series grid-connected converter of PEC, which is called a voltage source converter (VSC), of the inverter side connected to the main circuit at the primary side in the series through the isolation transformer. By controlling the output voltage of the series grid-connected converter, the primary side voltage can be accurately adjusted, so as to ensure the stability of the secondary side load voltage. Generally speaking, the operating voltage of the PEC is only equal to the part of the rated voltage of the flexible OLVR transformer, which should be set at one step voltage of the OLTC transformer. For example, in a 10 kV OLTC transformer, the one step voltage of tap windings is setting 2.5% of the rated voltage, which means the step voltage of the tap winding is 250 V.
Therefore, the PEC of the device is essentially a low-voltage topology that means the cost of the flexible OLVR will not increase much. It can be seen from Figure 1, because the above PEC is a single-phase structure and the reference ground potential of the PEC is at the primary side, the isolation voltage level of power winding and the output isolation transformer need not be designed as 10 kV. It could simplify the design difficulty of the transformer and reduce the volume of the power electronic converter. Therefore, compared with the traditional OLTC transformer, the volume and cost of the flexible OLVR increases little.

2.2. Main Circuit Structure

Figure 1 shows a 10 kV/0.4 kV three-phase step-down flexible OLVR transformer, which adopts Δ/Y Connection mode. It can be seen from the figure that both the PEC and the OLTC switches mentioned in this paper are connected to the primary side of the transformer. Since the structures in the three-phase lines are identical, the single-phase equivalent schematic diagram of the flexible OLVR can be shown in Figure 2.
In Figure 2, the primary side winding is divided into three parts: main winding, tap winding and power winding. Take the AC line voltage as an example, L0 is its main winding. LPO is the power winding at the primary side. L1~L8 are the voltage regulating tap windings of the main transformer; those windings are, respectively, connected with the OLTC switches. K1~K9 are nine tap switches, and the initial step voltage regulation of the secondary load voltage can be realized by the changing of multiple states in OLTC switches.
Figure 3 is the structure diagram of PEC module. The PEC adopts single-phase voltage source converter (VSC) and back-to-back topology. The semiconductor switches in the converter are insulated gate bipolar transistors (IGBTs). However, the rectifier side converter gets power through the filter inductor L1 to provide energy for the DC bus capacitor CDC. The capacitor can provide power support for the VSC of the inverter side and reduce DC side harmonics. Then, the required compensation voltage is generated through the single-phase full bridge inverter. After L2 and C0 filtering, it is connected in series with the primary side of the main transformer through the isolation transformer T0.
The PEC could carry out closed-loop control on the output voltage vector of the VSC at inverter side and cooperate with the OLTC switches to adjust the main transformer ratio, so as to realize the accurate load voltage compensation function of the flexible OLVR. Because the PEC only needs to compensate the voltage deviation after OLTC switches action, the operation voltage and capacity of the PEC can be greatly reduced, and the cost and volume of the PEC can be further reduced.

3. Principle of Voltage Regulation

The most important function of the flexible OLVR is to regulate load voltage. The step-less voltage regulation function in this device can be realized by two parts of the structure, respectively. One is to control the insertion or removal of part of the primary winding by the OLTC switches to realize the transformer ratio regulation; the other is by applying control strategy to the PEC, the isolation transformer T0 can output compensation voltage with controllable amplitude, frequency and phase, so that the PEC has the ability to achieve voltage compensation at the primary side of the main transformer and reactive power regulation within a certain range.
Figure 4 shows the voltage phasor diagram of the flexible OLVR, uc is the voltage of the power grid, upr is the voltage connected to the winding at the primary side of the transformer, which can be equivalent to the value of the load voltage converted into the primary side. k is the transformation ratio. uc is the compensation voltage output by the PEC, uc-max is the maximum voltage compensation value of the converter, and the dotted circle is the compensation range of the PEC.
It can be seen that in Figure 4a,b, when the compensation voltage, uc, is in phase with the grid voltage, us, the grid voltage can be directly compensated, the winding voltage, upr, at the primary side can be controlled within the controllable range, and then the transformer ratio, k, can be controlled through the OLTC switches, so that the load voltage is stable and controllable, and the step-less adjustment function is realized. Figure 4c shows that when the compensation voltage, uc, sends out vectors of different phases, certain reactive power regulation can also be carried out within the dotted circle [11]. Compared with the traditional transformer, it has the voltage regulation function of a higher precision and wider range. At the same time, it also has a more intelligent processing method for complex situations.

3.1. Control of OLTC Switches

The OLTC Switches composed of semiconductor and mechanical devices are uniformly controlled by the control center, and it could realize the insertion and removal of the tap windings. Its principle is that when one switch has not completely left from one tap, the semiconductor transition circuit is connected to ensure that the transformer does not lose power. When the other switch contact reaches another tap, the transition circuit is disconnected and the adjustment is completed. Thus the OLTC switches can realize the step voltage regulation of the main transformer.

3.2. Control of VSC at Rectifier Side

The VSC of the rectifier side is composed of a single-phase full bridge converter. The main purpose of the converter is to keep the DC side voltage constant for making the stable transmission of power on both sides of PEC. Meanwhile, the output of reactive power does not need to consume DC side energy. Therefore, the VSC at the rectifier side adopts constant DC voltage and reactive power control [23].
The VSC-R double closed-loop control structure is shown in Figure 5. The outer loop is a DC bus voltage closed loop, and the output instruction of the outer loop is the reference value of the internal loop of the compensation current, ic. Then, the internal loop control of the VSC-R can be achieved through the proportional-resonant (PR) controller.

3.3. Control of VSC at Inverter Side

The VSC of the inverting side topology is also composed of a single-phase full-bridge inverter. The output of the VSC-I is filtered by Lc and isolated by transformer T0, then connected to the main circuit on the primary side of the transformer. The single-phase inverter is controlled by unipolar SPWM with a switch frequency of 10 kHz.
Double closed loop control strategy is adopted in the VSC-I. Inductance current is the sum of load current and capacitance current, which can reflect the dynamic characteristics of the system to a certain extent. Therefore, inductance current is selected as the sampling value of the internal loop and output voltage as the sampling value of the outer loop. The output voltage is compared with the voltage reference value through negative feedback, and the error value is treated by the PR controller. The PR controller output serves as a reference value for the internal loop, which is compared with the inductance current of the feedback. The error is treated by the P controller as the modulation signal. SPWM signal is generated after comparison with triangular carrier [24].

4. Reactive Power Compensation Control Strategy of Flexible OLVR

Due to the existence of PEC, the flexible OLVR in this paper can not only realize the accurate voltage regulation but also realize the reactive power compensation in order to improve the power factor at the network side. If there is no voltage deviation, according to the actual characteristics of the load, the flexible OLVR can output the corresponding compensation voltage vector, uc, for improving the power factor; if voltage deviation occurs, flexible OLVR can solve the problems of power factor and voltage deviation at the same time.
The most basic function of the flexible OLVR transformer is to realize the accurate voltage regulation, that is, the load voltage at the secondary side u L is stable. Therefore, the functional priorities given by the composite control strategy are as follows:
1. Ensure the secondary side load voltage u L stably;
2. Compensate the reactive power of the load so that the power factor at the grid side is in unity.
In case of voltage distortion in the system, voltage waveform (e.g., “clipped cosine”) could essentially be understood as the addition of some harmonics to the voltage fundamental wave [25,26,27,28]. The high harmonic voltage is the root cause of voltage distortion. Therefore, in the case of the occurrence of voltage distortion, the reactive power of the system includes not only the fundamental reactive power but also the harmonic reactive power generated by the existence of harmonic voltage and current.
The key to effective reactive power control under the condition of voltage fluctuation and voltage distortion is how to effectively minimize the harmonic reactive power. The PEC module could be considered as a series active power filter. Therefore, if the switching frequency of the PEC is high enough, it can be capable of compensating the voltage of higher harmonics. That means that the topology can realize the compensation of voltage distortion to a certain extent. Therefore, the proposed method can allow for effective reactive power control by controlling the fundamental and harmonic voltages of the power electronic converters.
In this paper, the instantaneous power theory is used to define the active and reactive components of the system. In this definition, three phase voltage and current are converted into two phases orthogonal to each other by Clarke transform, and then the instantaneous reactive power is obtained through the two phase voltage and current. At the same time, it is also easy to separate the fundamental and harmonic components under the condition of voltage distortion by using the Parker transform, which is oriented by the fundamental voltage vector. Therefore, under the above definition, the compensation of harmonic reactive power and fundamental reactive power of the system can be realized.
The flexible OLVR transformer proposed in this paper can be understood as a power transformer in essence, and its application is to improve the on-load voltage regulating function, compared with the traditional OLTC transformer. On the other hand, it can realize the basic regulation function of solid state transformer at a relatively low cost. Meanwhile, the reactive power compensation strategy proposed in this paper is mainly to solve the fundamental reactive power problem in the system and does not pay attention to harmonic reactive power compensation.
To sum up, if the switching frequency of the PEC is high enough, the device can allow for effective reactive power control under the premise that the flexible OLVR transformer topology can realize voltage distortion compensation. However, it requires better dynamic performance of power electronic converters, so the cost will increase further.

4.1. Principle of Series Reactive Power Compensation for PEC

Before the principle of series reactive power compensation is analyzed, the grid voltage, us, is assumed without deviation; that means grid voltage, us, is equal to the rated voltage, u0, at the primary side of flexible OLVR, and assuming that the load is a resistive-inductive load, its impedance angle is θ.
Since the new flexible OLVR has a voltage regulating transformer TR1, in order to facilitate calculation and description, the voltage and current on both sides of the transformer in the flexible OLVR are converted to the secondary side, then:
u s = k u s ; u c = k u c ; i s = i s / k
where k is the rated transformation ratio of the flexible OLVR transformer, k < 1; u s is the grid voltage converted to the secondary side; u c is the compensation voltage converted to secondary side, i s is the grid current converted to secondary side.
Figure 6 shows the schematic diagram of the voltage vector at the secondary side with reactive power compensation by the flexible OLVR. u s in Figure 7 is the grid voltage converted to the secondary side; u c is the compensation voltage converted to the secondary side; u L is the load voltage after compensation; i L 0 is the initial load current; and before compensation, the power factor angle at the grid side is θ. φ is power compensated angle in series for the flexible OLVR transformer.
As shown in Figure 7, if the flexible OLVR can realize unity power factor compensation, it can be accepted that the load current, i L 0 , and grid voltage, u s , are in phase. It means the compensated PF angle, φ, is equal to the impedance angle, θ. Meanwhile, the load voltage amplitude is equal before and after compensation, and, therefore, u s = u L can be obtained by trigonometric formula:
φ = θ
u c = 2 u L sin θ 2
β = 90 ° + θ 2
It can be seen from Figure 7 that the flexible OLVR in series compensates reactive power by essentially changing the load voltage angle. The above compensation method not only compensates reactive power but also absorbs active power from the power grid. The series compensation active and reactive power of the flexible OLVR transformer are, respectively:
P = u c cos ( π β ) × i s = k 0 u c cos ( π β ) × i s / k 0 = u c cos β × i s Q = u c sin ( π β ) × i s = k 0 u c sin ( π β ) × i s / k 0 = u c sin β × i s

4.2. Complex Control of Flexible OLVR without OLTC Switches Operation

When the grid voltage, u s , has voltage deviation with the rated voltage, the flexible OLVR can solve the problems of power factor and voltage deviation through the series compensation control of PEC.
Assuming the amplitude of grid voltage, u s , and rated voltage, u 0 , deviation scale factor is μ, thereby:
u s = k 0 u s = k 0 μ u 0 = μ u L
where k0 is the rated transformation ratio of flexible OLVR.
Figure 6 is a schematic diagram of the composite control vector at secondary side. It is assumed that the grid voltage, us, has voltage deviation, and the transformer transformation ratio, k0, is unchanged. If the flexible OLVR could realize unity power factor compensation, it can be accepted that the compensated power factor angle, φ, is equal to impedance angle, θ.
At this time, the output compensation voltage, u′c, can be calculated, and according to the triangle cosine theorem is
u c 2 = u L 2 + u s 2 2 u L u s cos θ
Bring in Formulas (1) and (6) to get
k 0 u c 2 = u L 2 + k 0 μ u 0 2 2 u L k 0 μ u 0 cos θ k 0 u c 2 = u L 2 + μ u L 2 2 u L μ u L cos θ k 0 u c 2 = u L 2 ( 1 + μ 2 2 μ cos θ )
Due to | k 0 u c | > 0 , rooting on both sides
u c = u L ( 1 + μ 2 2 μ cos θ ) k 0 2
At this time, the output angle β bringing in Formulas (1) and (6):
β = arctan u L sin θ u L cos θ u s = arctan u L sin θ u L cos θ μ u L = arctan sin θ cos θ μ
It can be seen from the above formula, if the deviation scale factor, μ, and transformer transformation ratio, k0, are unchanged, the compensation voltage, uc, of the flexible OLVR can be obtained through the calculation of Formulas (9) and (10), so as to realize the function of solving problems of power factor and voltage deviation.

4.3. Complex Control of Flexible OLVR with OLTC Switches Operation

Considering the transformer transformation ratio, k, we know:
k = ( 1 ± × α ) k 0
ε = k k 0 = ( 1 ± n × α )
In the above formula, n is the number of tap windings, α is ratio range of each tap winding. From the above Formula (13), ε is the tap-charger factor, which is discrete and has a value range ε ε m i n , ε m a x . For example, suppose that each tap winding adjustable ratio range is 2.5% and there are four taps in total, then ε value range of is: ε 1 2.5 % × 4 , 1 + 2.5 % × 4 = 90 % , 110 % .
Figure 8 shows the schematic diagram of the composite control vector at secondary side with the transformer ratio k changes. Compared with the voltage vector in Figure 9, the voltage vector in Figure 8 shows that because the impedance load remains unchanged, the compensated load voltage and load current remain unchanged. However, as the transformation ratio k becomes larger, the grid voltage, u s , and compensation voltage, u c , of flexible OLVR both enlarged ε Times.
According to the vector diagram shown in Figure 8, the series compensation voltage, u c , can be obtained.
k u c 2 = u L 2 + k u s 2 2 u L k u s cos θ
Multiply by k 0 2 both sides, and bring in (1) and (6) to get
k 0 k u c 2 = k 0 u L 2 + k 0 k u s 2 2 k 0 u L k 0 k u s cos θ = k 0 u L 2 + k 0 k μ u 0 2 2 k 0 u L k 0 k μ u 0 cos θ = u L 2 [ k 0 2 + ( k μ ) 2 2 k k 0 μ cos θ ]
Then, divide by k k 0 2 on both sides and bring it into Formula (12) to obtain
u c 2 = u L 2 [ ( k 0 k ) 2 + ( μ k 0 ) 2 2 μ cos θ k k 0 ] = u L 2 [ ( 1 ε k 0 ) 2 + ( μ k 0 ) 2 2 μ cos θ ε k 0 2 ]
Due to u c > 0 , rooting on both sides
u c = u L 2 [ ( k 0 k ) 2 + ( μ k 0 ) 2 2 μ cos θ k k 0 ] = u L [ ( 1 ε k 0 ) 2 + ( μ k 0 ) 2 2 μ cos θ ε k 0 2 ] = u 0 [ ( 1 ε ) 2 + ( μ ) 2 2 μ cos θ ε ]
At this time, the output angle β brings in Formulas (1), (6) and (12):
β = arctan sin θ cos θ ε μ
Comparing Formulas (16) and (17) with Formulas (9) and (10), it can be seen that the amplitude and angle of i L remain unchanged. However, the output voltage vector, u c , of the PEC can be reduced with the increase in the transformation ratio, k, thereby equivalently increasing the compensation range of the flexible OLVR.

4.4. Min-Voltage Vector Control Strategy of Flexible OLVR

As can be seen from the above, when the transformer ratio k of the flexible OLVR is adjustable, we can control the transformer ratio, k, of the flexible OLVR and the compensation voltage angle, β, so as to minimize the output voltage, u c , of the PEC, so as to achieve a larger range of reactive power compensation of the flexible OLVR.
Figure 8, as an example, when the compensate voltage, u c , and the load voltage, u L , are at 90 degrees, that is, when the phase angle β = 90° + θ, according to the triangle sine theorem, the amplitude of compensate voltage u c is the smallest. Therefore, the minimum vector control strategy of the flexible OLVR is calculated as follows:
Step 1: Calculate the optimal value of the transformer ratio, kL, of the flexible OLVR transformer:
Suppose Angle β = 90° + θ, according to the right triangle relation and Formula (1), then
k u s cos θ = u s cos θ = u L
Considering the voltage deviation amplitude, the coefficient, μ, can be obtained by substituting (6)
k = u L u s cos θ = k 0 u L k 0 μ u 0 cos θ = k 0 μ cos θ
Bringing in Formula (12), then
ε = = 1 μ cos θ
The tap-charger factor, ε, calculated by the above formula is compared with the actual tap coefficient value. At present, the optimal tap-charger factor of the flexible OLVR ε L = ( 1 ± n × α ) ε , and the optimal transformer ratio k L = ε L k 0 are obtained.
Step 2: calculate the series compensation voltage, u c , of the flexible OLVR:
By substituting the optimal tap-charger factor of the device, ε L , into Formulas (16) and (17), it can be obtained
u c = u 0 [ ( 1 ε L ) 2 + μ 2 2 μ cos θ ε L ]
β = arctan sin θ cos θ ε L μ
It can be seen from the above formula that the flexible OLVR could adjust the transformer ratio, k, to the optimal value through the control of tap switch, so that the flexible OLVR can maximize the output capacity of series compensated reactive power.
There is the block diagram of the flexible OLVR composite control strategy in Figure 10. The device obtains the grid voltage us and impedance angle θ by sampling and determine the grid phase angle through phase locked loop for subsequent calculation. Next, the tap-charger factor, ε L * , of the flexible OLVR could be obtained by Formulas (12) and (20); then, bringing the above parameters into Formulas (21) and (22), the amplitude and phase of the output voltage of the PEC can be obtained.
Finally, the composite compensation voltage reference signal of flexible OLVR is obtained, u c * , and then output voltage of the PEC through the closed-loop control module and PWM generator realizes the complex control strategy.

4.5. Maximum Range of Reactive Power Compensation of Flexible OLVR

The complex control strategy of the flexible OLVR must ensure the stability of load voltage firstly, and then carry out reactive power compensation with maximum capacity.
Assume that u c _ m a x is maximum voltage of PEC compensation, and scale factor λ 0 is u c _ m a x and primary side rated voltage u 0 ratio, there are
u c _ m a x = k u c _ m a x = k λ 0 u 0 = ε λ 0 u L
When the flexible OLVR is able to maximize the ability for voltage stability and reactive power compensation, the maximum voltage vector of the device series compensation, u c _ m a x , and the system secondary side voltage vector diagram can be obtained, as shown in Figure 11.
As can be seen from the Figure 11, the compensation voltage, u c _ m a x , the grid voltage vector, u s , and the load voltage vector, u L , can form a triangle, that is, to meet the following conditions:
u L + u c _ m a x u s u L u c _ m a x
Substitute into Formulas (6) and (23), and obtain
u L + ε λ 0 u L ε μ u L u L ε λ 0 u L
Due to the ε u L > 0 , so
1 ε + λ 0 μ 1 ε λ 0
In the design of the flexible OLVR, the tap switch range, ε ε m i n , ε m a x , and the scale factor, λ 0 , of the output voltage of the PEC have been determined, so the maximum range of voltage deviation that can be compensated by the flexible OLVR is:
1 ε m i n + λ 0 μ 1 ε m a x λ 0 n
It can be seen from the above that when the deviation scale factor between the grid voltage, u s , and the rated voltage is within the range of Formula (27), the flexible OLVR can accurately adjust the load voltage to the rated voltage; otherwise, the flexible OLVR will not be able to achieve the basic function of rated load voltage compensation.
According to the voltage vector diagram in Figure 11, when the series compensation voltage, u c _ m a x , of the device is perpendicular to the load voltage, u L , the flexible OLVR can compensate the maximum power factor angle. According to the characteristics of right triangles:
u L 2 = u s 2 u c _ m a x 2
Substitute into Formulas (1), (6) and (23) to obtain
u L 2 = ε μ u L 2 ε λ 0 u L 2
Similarly, take off u L ,
1 ε 2 = ( μ ) 2 ( λ 0 ) 2
Since ε ε m i n , ε m a x , it could be substituted above, the value range of the deviation scale factor can be obtained
1 ε m i n 2 + λ 0 2 μ 1 ε m a x 2 + λ 0 2
By comparing Formulas (27) and (31), since all parameters are bigger than zero, it can be seen that there is a relationship:
1 ε m i n + λ 0 1 ε m i n 2 + λ 0 2 1 ε m a x 2 + λ 0 2 1 ε m a x λ 0
As can be seen from Equation (32), on the premise that the flexible OLVR can achieve accurate load voltage regulation, the maximum range of compensated reactive power with the flexible OLVR can be analyzed in three ranges with different values of deviation scale factor μ: The μ 1 ε m a x 2 + λ 0 2 , 1 ε m i n 2 + λ 0 2 , μ 1 ε m i n 2 + λ 0 2 ,   1 ε m i n + λ 0 and μ 1 ε m a x λ 0 , 1 ε m a x 2 + λ 0 2 .
Zone 1: It can be seen from the above description that when the deviation scale factor, μ, between the grid voltage, u s , and the rated voltage is within the range of Formula (31), the series compensation voltage, u c _ m a x , of the device is perpendicular to the load voltage, u L . When the deviation scale factor μ 1 ε m a x 2 + λ 0 2 , 1 ε m i n 2 + λ 0 2 , flexible OLVR can compensate the maximum power factor angle is:
φ m a x = arcsin u c _ m a x u s = arcsin k λ 0 u L k μ u L = arcsin λ 0 μ
According to (33), the flexible OLVR transformer when the grid voltage deviation scale factor μ 1 ε m a x 2 + λ 0 2 , 1 ε m i n 2 + λ 0 2 , the smaller the deviation coefficient, the greater the maximum power factor angle, which the device could compensate.
Zone 2: When the deviation scale factor μ 1 ε m i n 2 + λ 0 2 ,   1 ε m i n + λ 0 , the series compensating voltage, u c _ m a x , of flexible OLVR is on a longer perpendicular to the load voltage, u L , and the transformation ratio is, ε m i n . According to the triangle cosine theorem, substitute into Formulas (1), (6) and (23), the maximum phase angle that can be compensated by the flexible OLVR is:
φ m a x = arccos 1 + ( ε m i n μ ) 2 ( ε m i n λ 0 ) 2 2 ε m i n μ
Zone 3: When the deviation scale factor μ 1 ε m a x λ 0 , 1 ε m a x 2 + λ 0 2 , the transformation ratio is ε m a x . According to the triangle cosine theorem, substituting into Formulas (1), (6) and (23), the maximum phase angle that can be compensated by the flexible OLVR is:
φ m a x = arccos 1 + ( ε m a x μ ) 2 ( ε m a x λ 0 ) 2 2 ε m a x μ
According to the above analysis, by controlling the transformer ratio, k, and the series output compensation voltage vector, u c , of the flexible OLVR, the maximum range of the compensation reactive power with the flexible OLVR can be expressed in the following formula with different values of the deviation scale factor, μ, under the premise that the flexible OLVR can achieve accurate load voltage regulation:
φ m a x = arccos 1 + ( ε m i n μ ) 2 ( ε m i n λ 0 ) 2 2 ε m i n μ , μ [ 1 ε m i n 2 + λ 0 2 , 1 ε m i n + λ 0 ] arcsin λ 0 μ , μ [ 1 ε m a x 2 + λ 0 2 , 1 ε m i n 2 + λ 0 2 ] arccos 1 + ( ε m a x μ ) 2 ( ε m a x λ 0 ) 2 2 ε m a x μ , μ [ 1 ε m a x λ 0 , 1 ε m a x 2 + λ 0 2 ]
The load voltage can be operated at rated voltage, and the higher power factor control can be realized on the primary side of the flexible OLVR.

5. Simulation Results

5.1. Simulation of Step-Less Voltage Regulation of Flexible OLVR

In this paper, the flexible OLVR simulation is built in Psim software. The flexible OLVR is a 10 kV/0.4 kV three-phase step-down transformer. The tap windings have eight windings with 5% voltage regulation step. The voltage-regulating range is achieved ±20% by series connection with the main winding. The PEC is connected to the primary side of the transformer in series through an isolation transformer, and the simulation time is set to 1 s. The OLTC switches consisting of thyristor triggers [29] at the current zero-crossing point, and the PEC also joins up at the same time.
When the grid voltage sags begin, that is, 0.99 p.u. falls to 0.9 p.u., if only the tap winding of flexible OLVR is changed. Meanwhile, the OLTC switches is changed at 0.56 s; that means that the primary winding is changed from 100% to 95%, and the process of the change of the primary voltage and the secondary side load voltage is shown in Figure 12. As can be seen from the figure, the traditional stepwise voltage regulation method can realize the rough regulation of load voltage but cannot realize the accurate regulation of load voltage.
On the other hand, when the voltage of the grid sags at 0.56 s, the flexible OLVR changes OLTC switches, and at the same time puts in the PEC, and makes the output of PEC in phase with the primary voltage. Figure 13 shows the variation of primary voltage, the secondary side load voltage the and output voltage of PEC in the flexible OLVR transformer. As can be seen from the figure, the flexible OLVR transformer can realize the step-less regulation of load voltage by controlling the output voltage of the PEC.
Figure 14 shows waveform diagram of step-less voltage regulation of flexible OLVR under different voltage fluctuation. In Figure 14, at the beginning, the grid voltage drops gradually from 1.0 p.u. to 0.75 p.u., with a step of 0.125 p.u. After returning to 1.0 p.u. at 3.1 s, the voltage swelled to 1.1 p.u. again. In the whole process, the flexible OLVR transformer can realize the step-less regulation of load voltage by adjusting transformer ratio and regulating compensation voltage of PEC under different voltage fluctuation conditions.
The simulation verifies the feasibility of the flexible OLVR transformer. Connecting the output of the PEC to the primary side circuit can carry out a certain range of voltage compensation after the traditional step voltage regulation, and it also makes the voltage regulation process more flexible and accurate.

5.2. Simulation of Reactive Power Compensation Control Strategy of Flexible OLVR

In this paper, the complex control strategy of flexible OLVR is simulated and analyzed by PSIM software. Relevant parameters of the system are as follows: resistance-inductive load is 1 Ω and 1.5 mH, power factor is cos θ = (2√5)/5; the voltage at primary side of the flexible OLVR is 10 kV, and the voltage at secondary side is 400 V; step voltage regulation tap of the flexible OLVR is 5% of rating voltage, and the maximum output voltage of PEC is 2 kV. Simulation-related parameters show the switching frequency as being fpwm = 10 kHz and the sampling time as being ts = 1 × 10−5 s.
Figure 15 shows the simulation waveforms of the flexible OLVR. Figure 15a shows the waveform of the flexible OLVR compensation voltage, the grid voltage and the primary side voltage of the transformer. The flexible OLVR can compensate the voltage deviation and reactive power simultaneously.
Figure 15b shows the waveform of grid voltage and grid current after compensation of the flexible OLVR. From the figure, it can be seen that the device operates in unity power factor, and the power factor is above 0.99.
Figure 15c shows the load voltage and load current. It can be seen from the figure that there is a phase angle difference between the voltage and current, which is the impendence angle of the load, θ, and the power factor is about 0.9.

6. Experiment Results

The research group built a scaled down experimental platform according to the topology shown in Figure 1, and the experimental platform of the flexible OLVR is shown in Figure 16. The step-less voltage regulation function of the flexible OLVR transformer is verified. The parameters of the test circuit are listed in Table 2.
Figure 17 shows the waveform diagram of transient step-less voltage regulation with the flexible OLVR. When the grid voltage falls from 1 p.u. to 0.85 p.u., the PEC of the flexible OLVR outputs the in-phase compensation voltage, which compensates the voltage at the primary side of the transformer to the rated voltage value, thus realizing step-less voltage regulation.
As shown in Figure 18, when the grid voltage does not fluctuate, the series reactive power compensation function of the PEC could realize the phase angle control of the primary side voltage. Meanwhile the flexible OLVR changes the change of transformer ratio by adjusting the tap chargers, thus ensuring the stability of the amplitude of the load voltage.
In this way, the flexible OLVR could achieve load voltage regulation and realize the unit power factor operation of the grid side, as shown in Figure 19.

7. Conclusions

This paper presents a flexible OLVR topology based on PEC. Due to the application of power electronic converter, the new OLVR has the step-less voltage regulation of output load voltage.
Through coordination with OLTC switches, the converter could only modulate a small part of the rating voltage to realize step-less voltage regulation. Compared with traditional OLTC, it is more accurate in voltage regulation, and it is lower in cost and higher in efficiency than power electronic converter.
A complex control strategy for the flexible OLVR is proposed, which changes the transformer ratio, k, and the compensation voltage, uc, of the power electronic converter, realizing the precise adjustment of load voltage and reactive power compensation.
The simulation and experiment results show that the hybrid transformer model proposed in this paper can achieve accurate step-less voltage regulation and reactive power compensation, and the switching process meets the operation requirements of power systems.

Author Contributions

L.H. conceived and designed the study. J.Y., T.W. and L.W. gave suggestions, L.S. revised the manuscript. All authors have read and agreed to the published version of the manuscript.

Funding

This research work was funded by Foundation of the Institute of Electrical Engineering, CAS (E155610201) and Youth Innovation Promotion Association, CAS (2020144).

Conflicts of Interest

The authors declare no conflict of interest.

Nomenclature

Symbol and Constant
L0Main winding of the OLVR transformers.
LPOPower winding at the primary side of the OLVR transformer.
LNRegulating tap windings of the OLVR transformer,
KNOn-load tap-chargers of flexible OLVR.
VdcDC bus voltage of the PEC.
k0Rated transformation ratio of OLTC transformer.
ε 0 Rated tap-charger factor.
ε m i n , ε m a x Maximum and minimum values of tap-charger factor
μ0Rated deviation scale factor between grid voltage and rated voltage.
λ0Scale factor between maximum compensation voltage and rated voltage.
u0Rated voltage at the primary side of the OLVR transformer
uc-maxThe maximum compensation voltage of the PEC.
Variable and Function
usVoltage of the power grid.
uprVoltage at the primary side of the OLVR transformer.
ucCompensation voltage of the PEC.
uLLoad voltage at the secondary side of the OLVR transformer.
isCurrent of the power grid.
icCompensation current of the PEC.
kOLVR transformation ratio.
ε Tap-charger factor.
αPercentage of variation of each tap winding.
μDeviation scale factor between grid voltage and rated voltage.
θImpedance angle of the resistive-inductive load.
φ Compensated angle in series for flexible OLVR.
β Angle between compensation voltage vector and grid voltage vector.
PcSeries compensates active power of PEC.
QcSeries compensates reactive power of PEC.
(·)’System parameter converted to secondary side of OLVR transformer.
|·|Magnitude of the corresponding vector.
OLTCOn-load tap-charger
OLVROn-load voltage regulation
PECPower electronic converter
VSCVoltage source converter
VSC-RVoltage source converter at rectifier side
VSC-IVoltage source converter at inverter side
IGBTInsulated gate bipolar transistors

References

  1. Singh, P.; Bishnoi, S.K.; Meena, N.K. Moth Search Optimization for Optimal DERs Integration in Conjunction to OLTC Tap Operations in Distribution Systems. IEEE Syst. J. 2020, 14, 880–888. [Google Scholar] [CrossRef]
  2. Nouri, A.; Soroudi, A.; Keane, A. Strategic Scheduling of Discrete Control Devices in Active Distribution Systems. IEEE Trans. Power Deliv. 2020, 35, 2285–2299. [Google Scholar] [CrossRef]
  3. Pouladi, A.; Zadeh, A.K.; Nouri, A. Control of Parallel ULTC Transformers in Active Distribution Systems. IEEE Syst. J. 2020, 14, 960–970. [Google Scholar] [CrossRef]
  4. Hasan, E.O.; Hatata, A.Y.; Badran, E.A.-E.; Yossef, F.H. Voltage Control of Distribution Systems Using Electronic OLTC. In Proceedings of the 2018 Twentieth International Middle East Power Systems Conference (MEPCON), Cairo, Egypt, 18–20 December 2018; pp. 845–849. [Google Scholar]
  5. Liu, Y.-J.; Yang, S.-C.; Liu, W.-M.; Lee, Y.-D.; Cheng, C.-C. Voltage Regulation of Distribution Feeders by Distributed Energy Resources Coordination Control in Microgrid. In Proceedings of the 2021 IEEE International Future Energy Electronics Conference (IFEEC), Taipei, Taiwan, 16–19 November 2021; pp. 1–6. [Google Scholar]
  6. Hamidi, A.; Golshannavaz, S.; Nazarpour, D. D-FACTS Cooperation in Renewable Integrated Microgrids: A Linear Multiobjective Approach. IEEE Trans. Sustain. Energy 2019, 10, 355–363. [Google Scholar] [CrossRef]
  7. Ahmadinia, M.; Ghazi, R. Coordinated Control of STATCOM and ULTC to Reduce Capacity of STATCOM. In Proceedings of the Electrical Engineering (ICEE), Iranian Conference on, Mashhad, Iran, 8–10 May 2018; pp. 1062–1066. [Google Scholar]
  8. Cai, X.; Huang, Q.; Zhou, X.; Zhu, Y.; Sun, S.; Zhu, J. Multi-objective Dynamic Reactive Power Optimization Based on OLTC and Reactive Power Compensation. In Proceedings of the 2022 4th Asia Energy and Electrical Engineering Symposium (AEEES), Chengdu, China, 25–28 March 2022; pp. 825–831. [Google Scholar]
  9. Huber, J.E.; Kolar, J.W. Applicability of Solid-State Transformers in Today’s and Future Distribution Grids. IEEE Trans. Smart Grid 2019, 10, 317–326. [Google Scholar] [CrossRef]
  10. Bhatt, P.K.; Kaushik, R. Intelligent Transformer Tap Controller for Harmonic Elimination in Hybrid Distribution Network. In Proceedings of the 2021 5th International Conference on Electronics, Communication and Aerospace Technology (ICECA), Coimbatore, India, 2–4 December 2021; pp. 219–225. [Google Scholar]
  11. Power, R.; Mithani, A.; Madawala, U.; Baguley, C. A Hybrid Transformer Topology for Distribution Network Voltage Regulation. In Proceedings of the 2021 IEEE Southern Power Electronics Conference (SPEC), Kigali, Rwanda, 6–9 December 2021; pp. 1–6. [Google Scholar] [CrossRef]
  12. Hailong, Z.; Qipeng, S.; Kaiming, Q.; Zhenbiao, Q.; Hejian, W. Research on Key Technologies of the 10 kV Wide Range and Arcless on-Load Automatic Voltage Regulation Distribution Transformer. In Proceedings of the 2018 China International Conference on Electricity Distribution (CICED), Tianjin, China, 17–19 September 2018; pp. 796–800. [Google Scholar]
  13. Ismail, A.A.A.; Alsuwaidi, H.; Elnady, A. Automatic Voltage Stabilization Using IGBT Based on Load Tap Changer with Fault Consideration. IEEE Access 2021, 9, 72769–72780. [Google Scholar] [CrossRef]
  14. Tang, Z.; Hill, D.J.; Liu, T. Distributed Coordinated Reactive Power Control for Voltage Regulation in Distribution Networks. IEEE Trans. Smart Grid 2021, 12, 312–323. [Google Scholar] [CrossRef]
  15. Wang, J.; Li, J.; Xu, L. Scheme of Arcless On-load Voltage Regulation for Distribution Transformer Using High Power Electronic Switch. Autom. Electr. Power Syst. 2006, 30, 97–102. [Google Scholar]
  16. Verma, V.; Gour, R. OLTC-DVR hybrid for voltage regulation and averting reverse power flow in the micro-grid with intermittent renewable energy sources. In Proceedings of the 2016 IEEE Industrial Electronics and Applications Conference (IEACon), Kota Kinabalu, Malaysia, 20–22 November 2016; pp. 81–87. [Google Scholar]
  17. Youcef, B.; Ahmed, A. Coordinated action of OLTC and D-GUPFC for managing the distribution system voltage with DG units. In Proceedings of the 2015 3rd International Renewable and Sustainable Energy Conference (IRSEC), Marrakech, Morocco, 10–13 December 2015; pp. 1–6. [Google Scholar]
  18. Hu, Y.; Li, Z.; Zhang, H.; Zhao, C.; Gao, F.; Luo, L.; Luan, K.; Wang, P.; Li, Y. High-Frequency-Link Current Stress Optimization of Cascaded H-Bridge-Based Solid-State Transformer with Third-Order Harmonic Voltage Injection. IEEE J. Emerg. Sel. Top. Power Electron. 2020, 9, 1027–1038. [Google Scholar] [CrossRef]
  19. Yang, B.; Zhao, J.; Ji, Z.; Wang, J.; Liu, K. Overview of hybrid transformer technologies. Electic Power Autom. Equip. 2020, 40, 205–213. [Google Scholar]
  20. Szczesniak, P.; Kaniewski, J. Hybrid Transformer with Matrix Converter. IEEE Trans. Power Deliv. 2016, 31, 1388–1396. [Google Scholar] [CrossRef]
  21. Kaniewski, J.; Fedyczak, Z.; Szczesniak, P. Modelling and basic properties of three-phase hybrid transformer with unsynchronized active load. In Proceedings of the 2013 International School on Nonsinusoidal Currents and Compensation, Zielona Gora, Poland, 20–21 June 2013. [Google Scholar]
  22. Ding, L.; Lu, X.; Huang, A.Q. Versatile Control Functions of Hybrid Solid-State Transformers in Distribution Systems. In Proceedings of the 2021 6th IEEE Workshop on the Electronic Grid (eGRID), New Orleans, LA, USA, 8–10 November 2021. [Google Scholar]
  23. Liu, J.; Zeng, H.; Chen, P.; Yang, B.; Wang, J.; Ji, Z.; Song, J. Research on a novel hybrid transformer for smart distribution network. In Proceedings of the 2018 IEEE International Conference on Industrial Technology (ICIT), Lyon, France, 20–22 February 2018. [Google Scholar]
  24. Jiang, G. Controller Design and Performance Analysis of Back-to Back Voltage Source Converter. Master’s Thesis, Northeast Dianli University, Jilin, China, 2009. [Google Scholar]
  25. Kuwalek, P.; Wiczynski, G. Dependence of Voltage Fluctuation Severity on Clipped Sinewave Distortion of Voltage. IEEE Trans. Instrum. Meas. 2021, 70, 2006008. [Google Scholar] [CrossRef]
  26. Dyer, S.A.; Dyer, J.S. Distortion: Total harmonic distortion in an asymmetrically clipped sinewave. IEEE Instrum. Meas. Mag. 2011, 14, 48–51. [Google Scholar] [CrossRef]
  27. Balasubramaniam, P.M.; Prabha, S.U. Power quality issues, solutions and standards: A technology review. J. Appl. Sci. Eng. 2015, 18, 371–380. [Google Scholar]
  28. Kuwalek, P.; Wiczynski, G. Problem of Total Harmonic Distortion Measurement Performed by Smart Energy Meters. Meas. Sci. Rev. 2022, 22, 1–10. [Google Scholar] [CrossRef]
  29. Cai, H.; Guo, Y.; Chen, W. Design of a Soft-Switching System Based on Single-Phase Grid-Connected Inverter. Trans. China Electrotech. Soc. 2016, 31, 63–69. (In Chinese) [Google Scholar]
Figure 1. Topology structure of flexible on-load voltage regulator.
Figure 1. Topology structure of flexible on-load voltage regulator.
Energies 15 06193 g001
Figure 2. Single phase schematic diagram of flexible on-load voltage regulator.
Figure 2. Single phase schematic diagram of flexible on-load voltage regulator.
Energies 15 06193 g002
Figure 3. Schematic diagram of power electronic converter module.
Figure 3. Schematic diagram of power electronic converter module.
Energies 15 06193 g003
Figure 4. Voltage phasor diagram of flexible OLVR. (a) The same direction compensation scheme, (b) The reverse direction compensation scheme, (c) Arbitrary direction compensation scheme.
Figure 4. Voltage phasor diagram of flexible OLVR. (a) The same direction compensation scheme, (b) The reverse direction compensation scheme, (c) Arbitrary direction compensation scheme.
Energies 15 06193 g004
Figure 5. Closed Loop Control Block Diagram of VSC at Rectifier Side.
Figure 5. Closed Loop Control Block Diagram of VSC at Rectifier Side.
Energies 15 06193 g005
Figure 6. Schematic diagram of the voltage vector at the secondary side.
Figure 6. Schematic diagram of the voltage vector at the secondary side.
Energies 15 06193 g006
Figure 7. Double closed loop control block diagram of VSC at inverter side.
Figure 7. Double closed loop control block diagram of VSC at inverter side.
Energies 15 06193 g007
Figure 8. Schematic diagram of composite control vector at secondary side.
Figure 8. Schematic diagram of composite control vector at secondary side.
Energies 15 06193 g008
Figure 9. Schematic diagram of composite control vector at secondary side.
Figure 9. Schematic diagram of composite control vector at secondary side.
Energies 15 06193 g009
Figure 10. Block diagram of flexible OLVR complex control strategy.
Figure 10. Block diagram of flexible OLVR complex control strategy.
Energies 15 06193 g010
Figure 11. The secondary side voltage vector diagram with maximum reactive power compensation.
Figure 11. The secondary side voltage vector diagram with maximum reactive power compensation.
Energies 15 06193 g011
Figure 12. Voltage waveforms during voltage regulation with OLTC switches.
Figure 12. Voltage waveforms during voltage regulation with OLTC switches.
Energies 15 06193 g012
Figure 13. Voltage waveforms during voltage regulation with flexible OLVR.
Figure 13. Voltage waveforms during voltage regulation with flexible OLVR.
Energies 15 06193 g013
Figure 14. Waveform diagram of step-less voltage regulation of flexible OLVR under different voltage fluctuation.
Figure 14. Waveform diagram of step-less voltage regulation of flexible OLVR under different voltage fluctuation.
Energies 15 06193 g014
Figure 15. Simulation waveform diagram of complex control with Flexible OLVR.
Figure 15. Simulation waveform diagram of complex control with Flexible OLVR.
Energies 15 06193 g015
Figure 16. Experimental platform of flexible OLVR transformer.
Figure 16. Experimental platform of flexible OLVR transformer.
Energies 15 06193 g016
Figure 17. Waveform diagram of transient step-less voltage regulation with flexible OLVR.
Figure 17. Waveform diagram of transient step-less voltage regulation with flexible OLVR.
Energies 15 06193 g017
Figure 18. Waveforms of minimum vector reactive power compensation for flexible OLVR.
Figure 18. Waveforms of minimum vector reactive power compensation for flexible OLVR.
Energies 15 06193 g018
Figure 19. Waveforms of unit power factor operation with flexible OLVR.
Figure 19. Waveforms of unit power factor operation with flexible OLVR.
Energies 15 06193 g019
Table 1. Performance comparison table of the proposed structure and existing schemes.
Table 1. Performance comparison table of the proposed structure and existing schemes.
TopologyVoltage RegulationCostControl StrategyResponse TimeLossReactive Compensation
OLTC TransformerStepLowSimpleSlowLowIncapacity
Solid State TransformerStep-lessHighComplexFastHighFull Capacity
Flexible OLVRStep-lessMediumMediumMediumMediumPart of Capacity
Table 2. Major parameters of experiment circuit.
Table 2. Major parameters of experiment circuit.
ParametersParametersValue
Primary Voltageus1 kV
Secondary VoltageuL0.4 kV
Rated transformer ratiok00.4
Step Voltage Regulation tapLx5%
Deviation Scale Factor μ 80–120%
Maximum output voltage of PECuc100 V
Switching Frequencyfpwm10 kHz
Load parameterZload10 ohm + 10 mH
Publisher’s Note: MDPI stays neutral with regard to jurisdictional claims in published maps and institutional affiliations.

Share and Cite

MDPI and ACS Style

Han, L.; Yin, J.; Wu, L.; Sun, L.; Wei, T. Research on Reactive Power Compensation Control Strategy of Flexible On-Load Voltage Regulator. Energies 2022, 15, 6193. https://doi.org/10.3390/en15176193

AMA Style

Han L, Yin J, Wu L, Sun L, Wei T. Research on Reactive Power Compensation Control Strategy of Flexible On-Load Voltage Regulator. Energies. 2022; 15(17):6193. https://doi.org/10.3390/en15176193

Chicago/Turabian Style

Han, Libo, Jingyuan Yin, Lixin Wu, Longfei Sun, and Tongzhen Wei. 2022. "Research on Reactive Power Compensation Control Strategy of Flexible On-Load Voltage Regulator" Energies 15, no. 17: 6193. https://doi.org/10.3390/en15176193

APA Style

Han, L., Yin, J., Wu, L., Sun, L., & Wei, T. (2022). Research on Reactive Power Compensation Control Strategy of Flexible On-Load Voltage Regulator. Energies, 15(17), 6193. https://doi.org/10.3390/en15176193

Note that from the first issue of 2016, this journal uses article numbers instead of page numbers. See further details here.

Article Metrics

Back to TopTop