An Equivalent Model of Wind Farm Based on Multivariate Multi-Scale Entropy and Multi-View Clustering
Abstract
:1. Introduction
2. Key Factors Affecting the Dynamic Characteristics of WT Output
2.1. Analysis of Key Factors
2.1.1. WT Control Mode
2.1.2. Wind Speed and Its Wake Effect
2.1.3. Influence of Wind Direction on Wake Effect
2.1.4. Resistance Value of Crowbar Protection Resistor
2.1.5. The Degree of Voltage Drop at the WT Port
2.2. Relationship between Key Factors and WF Equivalence
3. Extraction Method of WT Clustering Indicator Based on MMSE
3.1. MMSE Overview
3.1.1. Processing of Time Series Coarsening
3.1.2. Calculation of MMSE
3.2. Applicability Analysis of MMSE in WF Equivalence
3.3. Extraction Process of WT Clustering Indicator
4. WF Equivalent
4.1. WT Clustering Method Based on MV-FCM
4.2. Calculation of Equivalent WT Parameters
5. Simulation Examples
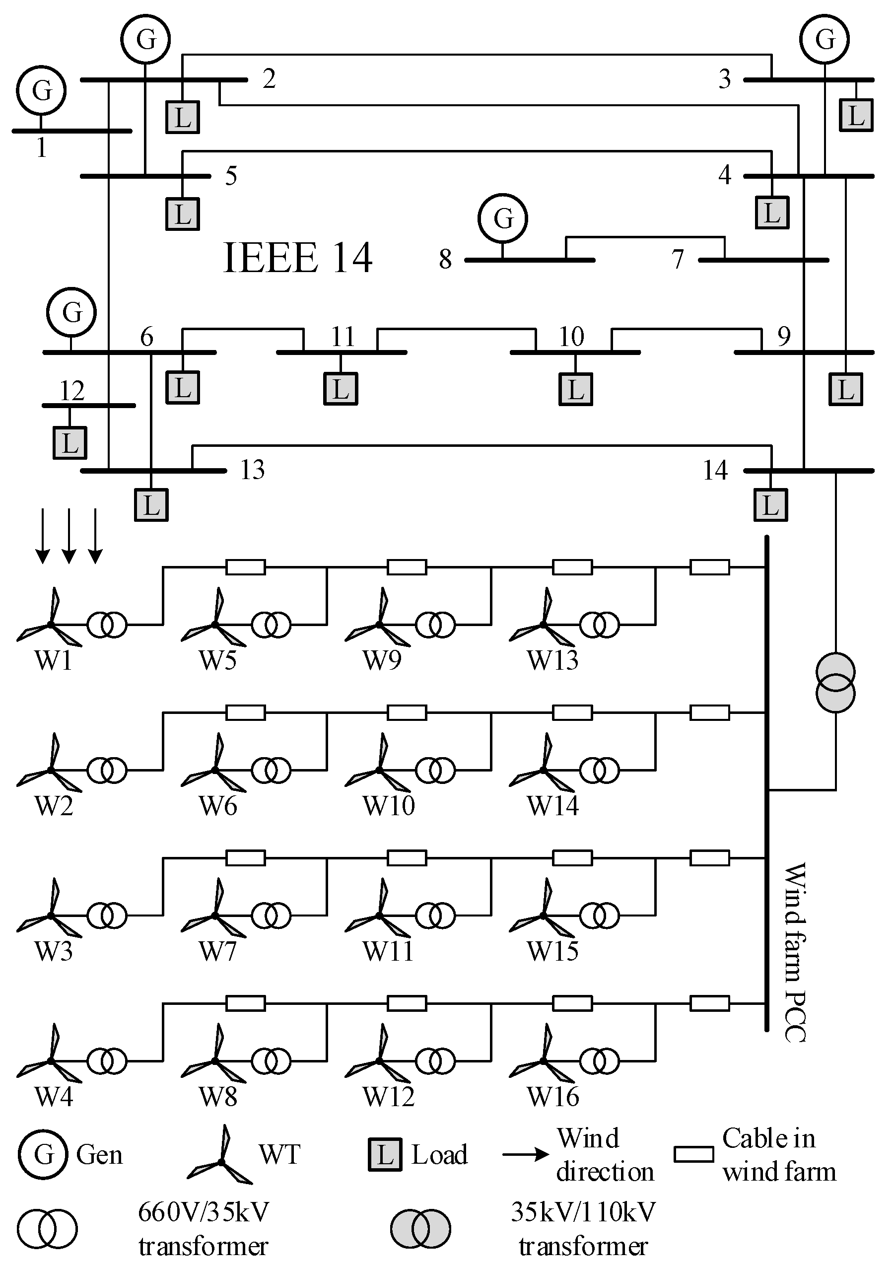
5.1. Example Description
5.2. Equivalent Model of WF
5.3. Comparative Analysis of Equivalent Model and Detailed Model
5.4. Comparison and Analysis between the Model in This Paper and Traditional Model
5.5. Simulation Efficiency Analysis of Equivalent Model
6. Conclusions
Author Contributions
Funding
Institutional Review Board Statement
Informed Consent Statement
Data Availability Statement
Conflicts of Interest
References
- Council GWE. GWEC Global Wind Report 2022; Global Wind Energy Council: Bonn, Germany, 2022; pp. 119–125. [Google Scholar]
- Ding, M.; Zhu, Q.; Han, P. Analysis on equivalent model for wind farms. Smart Grid. 2014, 2, 1–6. [Google Scholar]
- Mahela, O.P.; Shaik, A.G. Comprehensive overview of grid interfaced wind energy generation systems. Renew. Sustain. Energy Rev. 2016, 57, 260–281. [Google Scholar]
- Zou, J.; Chao, P.; Yan, Y.; Hong, Z.; Yan, L. A survey of dynamic equivalent modeling for wind farm. Renew. Sustain. Energy Rev. 2014, 40, 956–963. [Google Scholar]
- Fernandez, L.M.; Garcia, C.A.; Saenz, J.R.; Jurado, F. Equivalent models of wind farms by using aggregated wind turbines and equivalent winds. Energy Convers. Manag. 2009, 50, 691–704. [Google Scholar]
- Li, H.; Wan, Q.; Xiang, C. Wind farm equivalence method considering wind speed. Electr. Power Autom. Equip. 2013, 33, 121–123. [Google Scholar]
- Xu, Y.; Liu, D. Equivalence of wind farms with DFIG based on two-step clustering method. Power Syst. Prot. Control. 2017, 45, 108–114. [Google Scholar]
- Gao, Y.; Jin, Y.; Ju, P.; Zhou, Q. Dynamic Equivalence of Wind Farm Composed of Double Fed Induction Generators Considering Operation Characteristic of Crowbar. Power Syst. Technol. 2015, 39, 628–633. [Google Scholar]
- Chen, S.; Wang, C.; Shen, H.; Gao, N.; Lan, H. Dynamic Equivalence for Wind Farms Based on Clustering Algorithm. Proc. CSEE 2012, 32, 11–19. [Google Scholar]
- Gupta, A.P.; Mitra, A.; Mohapatra, A.; Singh, S.N. A Multi-Machine Equivalent Model of a Wind Farm Considering LVRT Characteristic and Wake Effect. IEEE Trans. Sustain. Energy 2022, 13, 1396–1407. [Google Scholar]
- Zhang, X.; Li, L.; Hu, X.; Wang, X.; Zhou, X. Wind Farm Dynamic Equivalence Based on Clustering by Output Time Series Data of Wind Turbine Generators. Power Syst. Technol. 2015, 39, 2787–2793. [Google Scholar]
- Zhou, M.; Ge, J.; Li, G. Cloud Model based DFIG Wind Farm Dynamic Voltage Equivalence Method. Proc. CSEE 2015, 35, 1097–1105. [Google Scholar]
- Li, H.; Wang, H.; Shi, X.; Yang, C. study on equivalent model of wind farms based on genetic algorithm. Power Syst. Prot. Control. 2011, 39, 1–8. [Google Scholar]
- Wu, Q.; Zhong, Q.; Wang, G.; Li, H. Multi-machine Equivalent Approach of Wind Farm Based on Fuzzy C-means Clustering. Mod. Electr. Power 2016, 33, 27–32. [Google Scholar]
- Zou, J.; Chao, P.; Xu, H.; Yan, Y. A Fuzzy Clustering Algorithm-Based Dynamic Equivalent Modeling Method for Wind Farm with DFIG. IEEE Trans. Energy Convers. 2015, 30, 1329–1337. [Google Scholar] [CrossRef]
- Ali, M.; Ilie, I.S.; Milanovic, J.V.; Chicco, G. Wind Farm Model Aggregation Using Probabilistic Clustering. IEEE Trans. Power Syst. 2013, 28, 309–316. [Google Scholar] [CrossRef]
- Lin, J. A unified scheme of grid operation index control based on big data platform. Power Syst. Prot. Control. 2018, 46, 165–170. [Google Scholar]
- Bao, T.; Cheng, L.; Chen, B.; YU, T. Software design of reactive power optimization analysis based on artificial intelligence algorithms. Power Syst. Prot. Control. 2018, 46, 89–96. [Google Scholar]
- Zhao, D.; Xu, R.; Zheng, L. Research on coordinated control strategy for DFIGs participating in system frequency regulation with different wind. Power Syst. Prot. Control. 2017, 45, 53–59. [Google Scholar]
- Asadollah, S.; Zhu, R.; Liserre, M. Analysis of Voltage Control Strategies for Wind Farms. IEEE Trans. Sustain. Energy 2020, 11, 1002–1012. [Google Scholar] [CrossRef]
- Barthelmie, R.J.; Jensen, L.E. Evaluation of wind farm efficiency and wind turbine wakes at the nysted offshore wind farm. Wind. Energy 2010, 13, 573–586. [Google Scholar] [CrossRef]
- Nilsson, K.; Ivanell, S.; Hansen, K.S.; Mikkelsen, R.; Dan, H. Large-eddy simulations of the Lillgrund wind farm. Wind Energy 2014, 18, 449–467. [Google Scholar] [CrossRef]
- Zou, Z.; Lei, Y.; Ran, O.; Zong, Z. Crowbar protection scheme based on dynamic resistance for reactive power improvement of doubly fed induction generator. Power Syst. Prot. Control 2018, 46, 87–94. [Google Scholar]
- Qin, K.; Wang, S.; Kang, Z. Research on Zero-Voltage Ride through Control Strategy of Doubly Fed Wind Turbine. Energies 2021, 14, 2287. [Google Scholar] [CrossRef]
- Ahmed, M.U.; Mandic, D.P. Multivariate multiscale entropy: A tool for complexity analysis of multichannel data. Phys. Rev. E Stat. Nonlin. Soft Matter. Phys. 2011, 84, 61918. [Google Scholar] [CrossRef] [PubMed] [Green Version]
- Ahmed, M.U.; Mandic, D.P. Multivariate Multiscale Entropy Analysis. IEEE Signal Processing Lett. 2012, 19, 91–94. [Google Scholar] [CrossRef] [Green Version]
- Jiang, Y.; Chung, F.; Wang, S.; Deng, Z.; Qian, P. Collaborative Fuzzy Clustering from Multiple Weighted Views. IEEE Trans. Cybern. 2015, 45, 688–701. [Google Scholar] [CrossRef]
- Bezdek, J.C.; Ehrlich, R.; Full, W. FCM—The Fuzzy C-Means clustering-algorithm. Comput. Geosci. 1984, 10, 191–203. [Google Scholar] [CrossRef]
- Han, J.; Miao, S.; Li, C. Probabilistic Optimal Energy Flow of Electricity-Gas-Heat Integrated Energy System Considering Correlation. Trans. China Electrotech. Soc. 2019, 34, 1055–1067. [Google Scholar]











| WT | Gen | Converter |
|---|---|---|
| Rated capacity = 1.5 MW cut-in wind speed = 4.5 m/s cut-out wind speed = 18 m/s | Rs = 0.00706 p.u. Rr = 0.005 p.u. Lm = 2.9 p.u. Ls = 0.171 p.u. Lr = 0.156 p.u. | Grid side inductance = 0.15 p.u. Grid side resistance = 0.0015 p.u. DC capacitor = 0.01 F |
| WT Number | Wake Effect | WT Number | Wake Effect | WT Number | Wake Effect | WT Number | Wake Effect |
|---|---|---|---|---|---|---|---|
| 1 | 1.000 | 5 | 1.000 | 9 | 1.000 | 13 | 1.000 |
| 2 | 0.947 | 6 | 0.945 | 10 | 0.944 | 14 | 0.952 |
| 3 | 0.908 | 7 | 0.924 | 11 | 0.915 | 15 | 0.906 |
| 4 | 0.829 | 8 | 0.878 | 12 | 0.856 | 16 | 0.904 |
| Cluster | Wind Generators |
|---|---|
| Equivalent Cluster 1 | W1, W5, W6, W10, W1, W15 |
| Equivalent Cluster 2 | W4, W91, W12 |
| Equivalent Cluster 3 | W3, W8, W13, W16 |
| Equivalent Cluster 4 | W2, W14, W7 |
| Case | Wind Speed(m/s) | Wind Direction | Fault Location |
|---|---|---|---|
| 1 | 9.5 | North | Bus9 |
| 2 | 10 | South | the middle of Bus4–Bus7 |
| 3 | 10.5 | Southeast | the middle of Bus10–Bus11 |
| 4 | 11 | East | the middle of Bus4–Bus5 |
| 5 | 11.5 | Northwest | the middle of Bus2–Bus3 |
| 6 | 12 | Northeast | the middle of Bus13–Bus14 |
| Cluster Number | 2 | 3 | 4 | 5 | 6 |
| CE | 0.86 | 0.57 | 0.14 | 0.28 | 0.32 |
| Fault Condition | Erse (%) | Emres (%) | ||
|---|---|---|---|---|
| Proposed Model | Comparison Model | Proposed Model | Comparison Model | |
| 10 m/s, South wind, Bus 9 | 4.33 | 3.77 | 4.45 | 4.15 |
| 10 m/s, North wind, Bus 9 | 4.26 | 8.29 | 1.65 | 8.66 |
| 11 m/s, North wind, Bus 9 | 4.29 | 9.06 | 4.67 | 9.78 |
| 10 m/s, South wind, Bus 4 | 4.42 | 7.84 | 4.54 | 7.29 |
| Fault Condition | Simulation Time (s) | |
|---|---|---|
| Proposed Model | Detailed Model | |
| 10 m/s, North wind, Bus 9 | 133 | 946 |
| 11 m/s, North wind, Bus 9 | 136 | 951 |
| 10 m/s, South wind, Bus 4 | 134 | 953 |
Publisher’s Note: MDPI stays neutral with regard to jurisdictional claims in published maps and institutional affiliations. |
© 2022 by the authors. Licensee MDPI, Basel, Switzerland. This article is an open access article distributed under the terms and conditions of the Creative Commons Attribution (CC BY) license (https://creativecommons.org/licenses/by/4.0/).
Share and Cite
Han, J.; Li, L.; Song, H.; Liu, M.; Song, Z.; Qu, Y. An Equivalent Model of Wind Farm Based on Multivariate Multi-Scale Entropy and Multi-View Clustering. Energies 2022, 15, 6054. https://doi.org/10.3390/en15166054
Han J, Li L, Song H, Liu M, Song Z, Qu Y. An Equivalent Model of Wind Farm Based on Multivariate Multi-Scale Entropy and Multi-View Clustering. Energies. 2022; 15(16):6054. https://doi.org/10.3390/en15166054
Chicago/Turabian StyleHan, Ji, Li Li, Huihui Song, Meng Liu, Zongxun Song, and Yanbin Qu. 2022. "An Equivalent Model of Wind Farm Based on Multivariate Multi-Scale Entropy and Multi-View Clustering" Energies 15, no. 16: 6054. https://doi.org/10.3390/en15166054
APA StyleHan, J., Li, L., Song, H., Liu, M., Song, Z., & Qu, Y. (2022). An Equivalent Model of Wind Farm Based on Multivariate Multi-Scale Entropy and Multi-View Clustering. Energies, 15(16), 6054. https://doi.org/10.3390/en15166054

