A Multistage Current Charging Method for Energy Storage Device of Microgrid Considering Energy Consumption and Capacity of Lithium Battery
Abstract
:1. Introduction
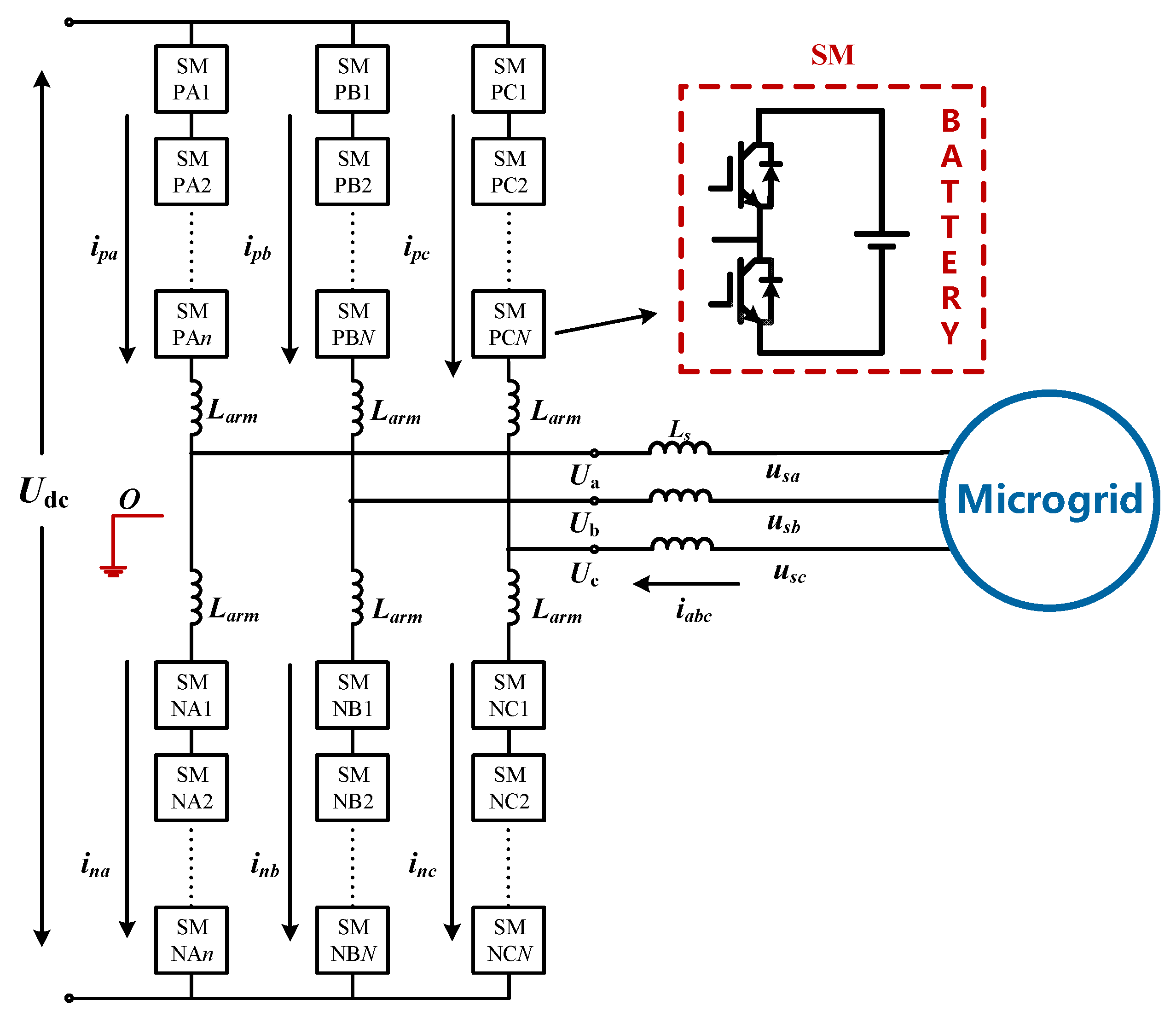
2. Working Principle of MMC-BESS
2.1. MMC-BESS
2.2. States of Lithium Battery
3. Energy Efficiency Optimization Method
3.1. Energy Consumption of Lithium Battery
3.2. Principle of Proposed Optimization Method
4. Validation of Results
5. Conclusions
- (1)
- According to the theoretical analysis and the existing experimental results, the internal resistance of a lithium battery is related to its SOC, and increases with the cycles. The capacity of a lithium battery not only decreases with the increase in cycles, but is directly related to the charging/discharging current. Therefore, the energy consumption and capacity of a lithium battery can be optimized by adjusting the charging current.
- (2)
- As a large-scale energy storage equipment, an MMC-BESS undertakes heavy power transmission tasks. The energy consumption optimization model proposed in this paper considers the states of the battery pack, including resistance, capacity, SOC, current, charging time, etc., which are superior in the large-scale battery packs. The simulation results demonstrate that the proposed multistage current charging method decreased the energy consumption of an MMC-BESS by 4.3% and increased the capacity of an MMC-BESS by 1.56% for five SOC intervals.
Author Contributions
Funding
Conflicts of Interest
References
- Lawder, M.T.; Suthar, B.; Northrop, P.W.C.; De, S.; Hoff, C.M.; Leitermann, O.; Crow, M.L.; Santhanagopalan, S.; Subramanian, V.R. Battery energy storage system (BESS) and battery management system (BMS) for grid-scale applications. Proc. IEEE 2014, 102, 1014–1030. [Google Scholar] [CrossRef]
- Zhang, S. Research on Modeling and State Estimation of Vehicles LiFePO4 Batteries. Ph.D. Thesis, Wuhan University of Technology, Wuhan, China, 2018. [Google Scholar]
- Li, N.; Gao, F.; Hao, T.; Ma, Z.; Zhang, C. SOH Balancing Control Method for the MMC Battery Energy Storage System. IEEE Trans. Ind. Electron. 2018, 65, 6581–6591. [Google Scholar] [CrossRef]
- Peng, Y.; Luo, Q.; Peng, X. Analysis of uncertain data processing methods in networking test frame work. Chin. J. Sci. Instrum. 2010, 31, 229–240. [Google Scholar]
- Luo, Q.H.; Peng, Y.; Peng, X.Y. Multi-dimensional uncertain data stram clustering algorithm. Chin. J. Sci. Instrum. 2013, 34, 1330–1338. [Google Scholar]
- Wang, W.; Scarf, P.A.; Smith, M.A.J. On the application of a model of condition-based maintenance. J. Oper. Res. Soc. 2000, 51, 1218–1227. [Google Scholar] [CrossRef]
- Brousselya, M.; Biensan, P.; Bonhomme, F.; Blanchard, P.; Herreyre, S.; Nechev, K.; Staniewicz, R.J. Main aging mechanisms in li ion batteries. J. Power Sources 2005, 146, 90–96. [Google Scholar] [CrossRef]
- Ahn, J.; Lee, B.K. High-Efficiency Adaptive-Current Charging Strategy for Electric Vehicles Considering Variation of Internal Resistance of Lithium-Ion Battery. IEEE Trans. Power Electron. 2019, 34, 3041–3052. [Google Scholar] [CrossRef]
- Wenbin, Z.; Hao, F.; Fang, D. The effects of elastic stiffening on the evolution of the stress field within a spherical electrode particle of lithium-ion batteries. Int. J. Appl. Mech. 2013, 5, 1350040. [Google Scholar]
- Newman, J.; Thomas, K.E.; Hafezi, H.; Wheeler, D.R. Modeling of lithium-ion batteries. J. Power Sources 2003, 119, 838–843. [Google Scholar] [CrossRef]
- Zhou, W. Effects of external mechanical loading on stress generation during lithiation in Li-ion battery electrodes. Electrochim. Acta 2015, 185, 28–33. [Google Scholar] [CrossRef] [Green Version]
- Li, J.; Xu, D.; Wang, J.; Zhou, B.; Wang, M.; Zhu, L. P2p multi-grade energy trading for heterogeneous distributed energy resources and flexible demand. IEEE Trans. Smart Grid. 2022. [Google Scholar] [CrossRef]
- Quraan, M.; Tricoli, P.; D’Arco, S.; Piegari, L. Efficiency Assessment of Modular Multilevel Converters for Battery Electric Vehicles. IEEE Trans. Power Electron. 2017, 32, 2041–2051. [Google Scholar] [CrossRef]
- Wang, Z.; Lin, H.; Ma, Y. A Control Strategy of Modular Multilevel Converter with Integrated Battery Energy Storage System Based on Battery Side Capacitor Voltage Control. Energies 2019, 12, 2151. [Google Scholar] [CrossRef] [Green Version]
- Liu, D.; Zhou, J.; Guo, L.; Peng, Y. Survey on lithium-ion battery health assessment and cycle life estimation. Chin. J. Sci. Instrum. 2015, 36, 1–16. [Google Scholar]
- Mukherjee, N.; Strickland, D. Control of second-life battery energy storage system based on modular boost-multilevel buck converter. IEEE Trans. Ind. Electron. 2014, 62, 1034–1046. [Google Scholar] [CrossRef] [Green Version]
- Vasiladiotis, M.V.; Rulfer, A. Analysis and control of modular multilevel converters with integrated battery energy storage. IEEE Trans. Power Electron. 2015, 30, 163–175. [Google Scholar] [CrossRef]
- Gao, F.; Zhang, L.; Zhou, Q.; Chen, M.; Xu, T.; Hu, S. State-of-charge balancing control strategy of battery energy storage system based on modular multilevel converter. In Proceedings of the 2014 IEEE Energy Conversion Congress and Exposition (ECCE), Pittsburgh, PA, USA, 14–18 September 2014. [Google Scholar]
- Pinto, J.; Amorim, W.; Cupertino, A.; Pereira, H.; Junior, S. Benchmarking of Single-Stage and Two-Stage Approaches for an MMC-Based BESS. Energies 2022, 15, 3598. [Google Scholar] [CrossRef]
- Zhai, S.; Li, W.; Wang, C.; Chu, Y. A Novel Data-Driven Estimation Method for State-of-Charge Estimation of Li-Ion Batteries. Energies 2022, 15, 3115. [Google Scholar] [CrossRef]
- Ma, Y.; Lin, H.; Wang, Z.; Ze, Z. Modified State-of-Charge Balancing Control of Modular Multilevel Converter with Integrated Battery Energy Storage System. Energies 2019, 12, 96. [Google Scholar] [CrossRef] [Green Version]
- Liang, H.; Guo, L.; Song, J.; Yang, Y.; Zhang, W.; Qi, H. State-of-Charge Balancing Control of a Modular Multilevel Converter with an Integrated Battery Energy Storage. Energies 2018, 11, 873. [Google Scholar] [CrossRef] [Green Version]
- Yang, Z. Research on Multi-Stage Constant Current Charging Method of Power Lithium Battery Based on Lowest Consumption. Master’s Thesis, HUBEI University of Technology, Wuhan, China, 2019. [Google Scholar]
- Liu, W.; Wu, H.; He, Z.; Sun, X.; Yang, G. A Multistage Current Charging Method for Li-Ion Battery Considering Balance of Internal Consumption and Charging Speed. Trans. China Electrotech. Soc. 2017, 32, 112–120. [Google Scholar]
- Gui, H.; Zhang, Y.; Zhang, Z.; Liu, Y.F. An optimized efficiency-based control strategy for islanded paralleled PV micro-converters. In Proceedings of the 2015 IEEE Applied Power Electronics Conference and Exposition (APEC), Charlotte, NC, USA, 15–19 March 2015. [Google Scholar]
- Wu, Y.; Jiang, X.; Xie, J. The reasons of rapid decline in cycle life of Li-ion battery. Battery Bimon. 2009, 39, 206–207. [Google Scholar]
- Vo, T.T.; Xiaopeng, C.; Weixiang, S. New charging strategy for lithium-ion batteries based on the integration of Taguchi method and state of charge estimation. J. Power Sources 2015, 273, 413–422. [Google Scholar] [CrossRef]
- Ikeya, T.; Sawada, N.; Murakami, J. Multi-step constant-current charging method for an electric vehicle nickelmetal hydride battery with high-energy efficiency and long cycle life. J. Power Sources 2002, 105, 6–12. [Google Scholar] [CrossRef]
- Jing, J. Research on Equalization Circuit and Consumption for Lithium Battery Pack in Electric Vehicle. Master’s Thesis, Hefei University of Technology, Hefei, China, 2016. [Google Scholar]
- Li, N. Control Method of Modular Multilevel Converter Based Battery Energy Storage System. Ph.D. Thesis, Shandong University, Jinan, China, 2018. [Google Scholar]
- Zhang, S.; Chen, B.; Shu, P.; Luo, M.; Xie, C.; Quan, S.; Tu, Z.; Yu, Y. Evaluation of performance enhancement by condensing the anode moisture in a proton exchange membrane fuel cell stack. Appl. Therm. Eng. 2017, 120, 115–120. [Google Scholar] [CrossRef]
- Zhang, S.; Xie, C.; Zeng, C.; Quan, S. SOC estimation optimization method based on parameter modified particle Kalman Filter algorithm. Clust. Comput. 2019, 22, 6009–6018. [Google Scholar] [CrossRef]
- Zhe, L. Characterization Research of LiFePO4 Batteries for Application on Pure Electric Vehicles. Ph.D. Thesis, Tsinghua University, Beijing, China, 2011. [Google Scholar]
- Zhang, H.; Chow, M.Y. Comprehensive dynamic battery modeling for PHEV applications. In Proceedings of the IEEE PES General Meeting, Minneapolis, MN, USA, 25–29 July 2010. [Google Scholar]
- Ma, Z.; Gao, F.; Gu, X.; Li, N.; Wu, Q.; Wang, X.; Wang, X. Multilayer SOH Equalization Scheme for MMC Battery Energy Storage System. IEEE Trans. Power Electron. 2020, 35, 13514–13527. [Google Scholar] [CrossRef]
- Iah, S.U.I.; Seo, K. Prediction of Lithium-Ion Battery Capacity by Functional Principal Component Analysis of Monitoring Data. Energies 2022, 12, 4296. [Google Scholar]
- Xiao, W. Research on EV-HESS Energy Control Strategy Considering Battery Internal Resistance Loss. Master’s Thesis, Hubei University of Technology, Wuhan, China, 2020. [Google Scholar]















| State | S1 | S2 | iSM | uSM | State |
|---|---|---|---|---|---|
| 1 | 1 | 0 | >0 | VSM | charging |
| 2 | 1 | 0 | <0 | VSM | discharging |
| 3 | 0 | 1 | >0 | 0 | / |
| 4 | 0 | 1 | <0 | 0 | / |
| 5 | 0 | 0 | / | 0 | bypassing |
| Bata1 | Bata2 | Bata3 | Bata4 | Bata5 | Bata6 | Bata7 | Bata8 | |
|---|---|---|---|---|---|---|---|---|
| SOC0 | 0% | 0% | 0% | 0% | 0% | 0% | 0% | 0% |
| Qbat(Ah) | 81.02 | 92.59 | 121.53 | 97.22 | 108.02 | 86.81 | 114.38 | 92.59 |
| Vbat | 1400 | 1400 | 1400 | 1400 | 1400 | 1400 | 1400 | 1400 |
Publisher’s Note: MDPI stays neutral with regard to jurisdictional claims in published maps and institutional affiliations. |
© 2022 by the authors. Licensee MDPI, Basel, Switzerland. This article is an open access article distributed under the terms and conditions of the Creative Commons Attribution (CC BY) license (https://creativecommons.org/licenses/by/4.0/).
Share and Cite
Wu, C.; Liu, Y.; Zhou, T.; Cao, S. A Multistage Current Charging Method for Energy Storage Device of Microgrid Considering Energy Consumption and Capacity of Lithium Battery. Energies 2022, 15, 4526. https://doi.org/10.3390/en15134526
Wu C, Liu Y, Zhou T, Cao S. A Multistage Current Charging Method for Energy Storage Device of Microgrid Considering Energy Consumption and Capacity of Lithium Battery. Energies. 2022; 15(13):4526. https://doi.org/10.3390/en15134526
Chicago/Turabian StyleWu, Chuanping, Yu Liu, Tiannian Zhou, and Shiran Cao. 2022. "A Multistage Current Charging Method for Energy Storage Device of Microgrid Considering Energy Consumption and Capacity of Lithium Battery" Energies 15, no. 13: 4526. https://doi.org/10.3390/en15134526
APA StyleWu, C., Liu, Y., Zhou, T., & Cao, S. (2022). A Multistage Current Charging Method for Energy Storage Device of Microgrid Considering Energy Consumption and Capacity of Lithium Battery. Energies, 15(13), 4526. https://doi.org/10.3390/en15134526

