Multiobjective Optimization Based Framework for Early Stage Design of Modular Multilevel Converter for All-Electric Ship Application
Abstract
:1. Introduction
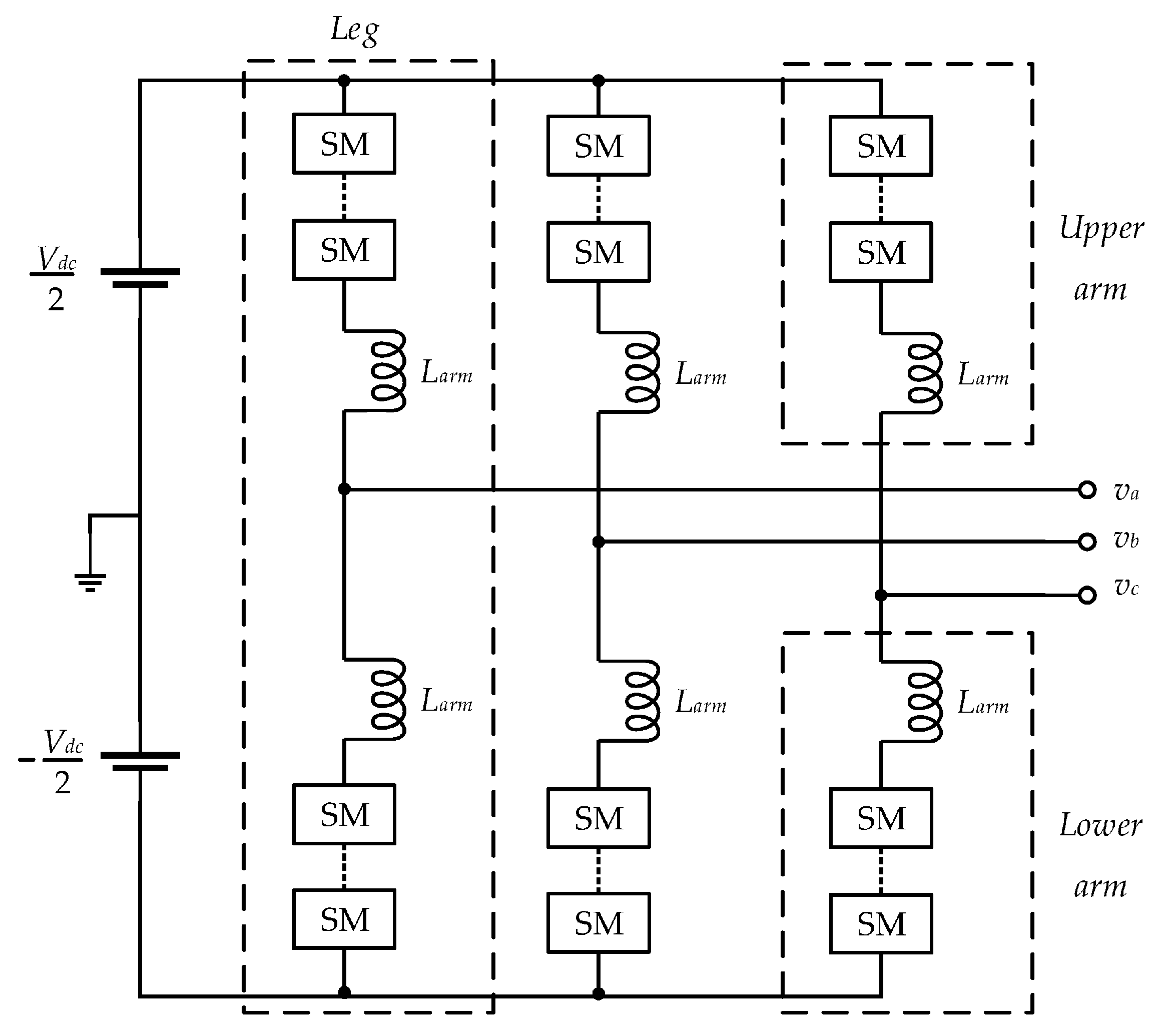
2. Modular Multilevel Converter—Topology and Components
Submodule Capacitance and Arm Inductance for MMC Submodules
3. Focused Metrics and Design Methodologies
3.1. Metrics of Interest
3.1.1. Converter Volume
- Define the specification: The initialization point is the specification of the converter such as voltage, current, fundamental frequency, etc. Additionally, the component limits are also specified, such as maximum allowable voltage/current ripple, maximum allowable junction temperature, etc.
- Heat Sink selection and sizing: Natural convection cooled, forced convection cooled, and liquid cooled features have been considered for the converter. Once the losses are calculated, they are used to calculate the required thermal resistance of the system. A comprehensive heat sink and liquid coldplate library are made available for the converter design tool for it to access and obtain the required component. Details of the cooling system design can be found in another publication by the authors [29].
- Cabinet sizing: Once the components of the converter are selected, they are arranged and formed into a cabinet using creepage and clearance guidelines. Figure 5 shows the arrangement of submodules in a cabinet following dielectric standoff guidelines. Hence, the volume of the converter can be calculated from the cabinet dimensions.
3.1.2. Converter Failure Rate
3.2. Design Methodologies
Taguchi Design of Experiments
- When all the factors are put in the orthogonal array table along with their associated levels, a great visual representation is achieved that helps the designer understand the trade-offs.
- Exploration and evaluation of design space will eventually enable the selection of the best parameters for design through the “Response Matrix”.
3.3. Multiobjective Optimization
3.4. Overall Design Technique
- The predefined design variables are fed to the Taguchi orthogonal array as design and noise factors. When the orthogonal array is formed, the volume and failure rate is calculated using the converter design algorithm. The calculated volume and failure rate are then explored and evaluated to create the response matrix. The response matrix reveals the best design parameters.
- The identified design parameters are used in NSGA-II as an input along with other variables, constraints, and objectives. The initial population is formed. The converter design algorithm is executed to determine volume and failure rate. The next step is to evaluate performance space based on objectives and constraints. This process iterates over and over again until the stopping criteria are met and Pareto-optimal front is found.
4. Taguchi Experimentation and Optimization
Taguchi Experiments
5. Implementation of NSGA-II in MMC Design
- The semiconductor modeling calculates the loss of the switches and accordingly sizes the heatsink.
- Optimum capacitance and inductance for the converter are determined and capacitors are selected from the manufacturer database. For inductors, a separate algorithm designs the air core reactors and determines the volume.
- Overall converter volume and the failure in time calculation take place as mentioned in the previous section.
- Then, the particular design is evaluated and ranked in the optimization algorithm. Eventually, iterations of the process obtain the Pareto front depicting volume and failure in time for the converter.
MOO for MMC
- The design algorithm starts with initial parameters such as voltage, current, frequency, SM voltage, voltage/current ripple criteria, temperature constraints, clearance and creepage distance, failure rate database of components, etc. For this case study, the power rating of the converter is selected to be 1.25 MW. The submodule voltage level is considered to be 2 kV as that is found to be the optimal choice derived from the Taguchi method. Voltage and current ripple are selected to meet the criteria of IEEE std 1709 which are and , respectively, at maximum. The database contains information about switches, capacitors, and resistors; these are adopted from a wide variety of manufacturers to maintain diversity in the design space. The failure rate parameters are obtained from the datasheet.
- The initial random population of NSGA-II algorithm is generated using the initial parameters. This includes the fixed parameters such as voltage, current, and frequency. The additional variable parameters are SM voltage, voltage/current ripple, and associated databases. At this point, converter design algorithm calculates the required parameters. This process is shown in Figure 4. At this stage, initial design space is populated with the obtained population from the combination of initial parameters.
- For MMC, the constraints are ambient temperature, voltage/current ripple, submodule capacitance, and arm inductance. The constraint values are chosen such that the voltage and current ripples are in accordance with the standard set by IEEE. The submodule capacitance is important for energy balancing of the converter along with minimizing ripples in the output. The SM capacitance is determined and the minimum and maximum are set to keep the value in the margin to avoid excessive ripple. Similarly, arm inductor constraints are designed based on fault current limiting and current ripple minimization criteria. Once the design algorithm determines the volume and failure rate, the designs are pushed out to performance space for evaluation based on objectives. The objectives are evaluated following the constraints.
- If the stopping criteria are not met, the operations such as nondominated sorting, crowding distance calculation, and elitism selection take place to generate a new population, and the loop continues until solutions are found or the stopping criteria are met.
6. Conclusions
Author Contributions
Funding
Institutional Review Board Statement
Informed Consent Statement
Data Availability Statement
Conflicts of Interest
References
- Chalfant, J.; Langland, B.; Abdelwahed, S.; Chryssostomidis, C.; Dougal, R.; Dubey, A.; El Mezyani, T.; Herbst, J.; Kiehne, T.; Ordonez, J.; et al. A Collaborative Early-Stage Ship Design Environment; CEM Publications: Matthews, NC, USA, 2012. [Google Scholar]
- Kolar, J.W.; Drofenik, U.; Biela, J.; Heldwein, M.L.; Ertl, H.; Friedli, T.; Round, S.D. PWM converter power density barriers. In Proceedings of the 2007 Power Conversion Conference, Nagoya, Japan, 2–5 April 2007; p. 9. [Google Scholar]
- Amy, J.V., Jr. Design Considerations for a Reference MVDC Power System. In SNAME Maritime Convention; OnePetro: Providence, RI, USA, 2016. [Google Scholar]
- IEEE Std 1709-2018 (Revision of IEEE Std 1709-2010); IEEE Recommended Practice for 1 kV to 35 kV Medium-Voltage DC Power Systems on Ships. IEEE: Piscataway, NJ, USA, 2018; pp. 1–54. [CrossRef]
- Toshon, T.A. Estimation of Power Density of Modular Multilevel Converter Employing Set Based Design (Order No.10604281). Available from Dissertations & Theses @ Florida State University—FCLA; ProQuest Dissertations & Theses Global. (1985663992). 2017. Available online: https://login.proxy.lib.fsu.edu/login?url=https://search.proquest.com/docview/1985663992?accountid=4840 (accessed on 19 February 2022).
- Toshon, T.; Soman, R.; Wiegand, C.; Israel, M.; Faruque, M.; Steurer, M. Set-based design for naval shipboard power systems using pertinent metrics from product development tools. In Electric Ship Technologies Symposium (ESTS); IEEE: Piscataway, NJ, USA, 2017; pp. 164–169. [Google Scholar]
- Cuzner, R.M.; Soman, R.; Steurer, M.M.; Toshon, T.A.; Faruque, M.O. Approach to scalable model development for navy shipboard compatible modular multilevel converters. IEEE J. Emerg. Sel. Top. Power Electron. 2017, 5, 28–39. [Google Scholar] [CrossRef]
- Peyghami, S.; Wang, Z.; Blaabjerg, F. A guideline for reliability prediction in power electronic converters. IEEE Trans. Power Electron. 2020, 35, 10958–10968. [Google Scholar] [CrossRef]
- Peyghami, S.; Davari, P.; Zhou, D.; Mahmud, F.; Blaabjerg, F. Wear-out failure of a power electronic converter under inversion and rectification modes. In Proceedings of the 2019 IEEE Energy Conversion Congress and Exposition (ECCE), Baltimore, MD, USA, 29 September–3 October 2019; pp. 1598–1604. [Google Scholar]
- Soman, R.; Toshon, T.; Wiegand, C.; Israel, M.; Faruque, M.; Steurer, M. Exploration and Investigation of Appropriate Tools to Facilitate Set-Based Design. In Proceedings of the ASNE Design Sciences Series Workshop on Set-Based Design, Washington, DC, USA, 26–27 September 2017. [Google Scholar]
- Toshon, T.; Soman, R.; Wiegand, C.; Israel, M.; Faruque, M.; Steurer, M.; Toshon, T. Component Level Decomposition Approach to Develop Selection Metrics for Shipboard Power Converter Systems. In Proceedings of the ASNE 2017 Intelligent Ships Symposium XII, Philadelphia, PA, USA, 24–25 May 2017. [Google Scholar]
- Biela, J.; Badstuebner, U.; Kolar, J.W. Impact of power density maximization on efficiency of DC–DC converter systems. IEEE Trans. Power Electron. 2009, 24, 288–300. [Google Scholar] [CrossRef]
- Lai, R.; Wang, F.; Burgos, R.; Pei, Y.; Boroyevich, D.; Wang, B.; Lipo, T.A.; Immanuel, V.D.; Karimi, K.J. A systematic topology evaluation methodology for high-density three-phase PWM AC-AC converters. IEEE Trans. Power Electron. 2008, 23, 2665–2680. [Google Scholar]
- Raggl, K.; Nussbaumer, T.; Doerig, G.; Biela, J.; Kolar, J.W. Comprehensive design and optimization of a high-power-density single-phase boost PFC. IEEE Trans. Ind. Electron. 2009, 56, 2574–2587. [Google Scholar] [CrossRef]
- Nawawi, A.; Tong, C.F.; Liu, Y.; Sakanova, A.; Yin, S.; Liu, Y.; Men, K.; See, K.Y.; Tseng, K.; Simanjorang, R.; et al. Design of high power density converter for aircraft applications. In Proceedings of the 2015 International Conference on Electrical Systems for Aircraft, Railway, Ship Propulsion and Road Vehicles (ESARS), Aachen, Germany, 3–5 March 2015; pp. 1–6. [Google Scholar]
- Falck, J.; Felgemacher, C.; Rojko, A.; Liserre, M.; Zacharias, P. Reliability of power electronic systems: An industry perspective. IEEE Ind. Electron. Mag. 2018, 12, 24–35. [Google Scholar] [CrossRef] [Green Version]
- Reigosa, P.D.; Wang, H.; Yang, Y.; Blaabjerg, F. Prediction of bond wire fatigue of IGBTs in a PV inverter under a long-term operation. IEEE Trans. Power Electron. 2015, 31, 7171–7182. [Google Scholar]
- Zhou, D.; Wang, H.; Blaabjerg, F. Mission profile based system-level reliability analysis of DC/DC converters for a backup power application. IEEE Trans. Power Electron. 2017, 33, 8030–8039. [Google Scholar] [CrossRef] [Green Version]
- Peyghami, S.; Davari, P.; Wang, H.; Blaabjerg, F. System-level reliability enhancement of DC/DC stage in a single-phase PV inverter. Microelectron. Reliab. 2018, 88, 1030–1035. [Google Scholar] [CrossRef]
- Raveendran, V.; Andresen, M.; Liserre, M. Reliability oriented control of DC/DC converters for more electric aircraft. In Proceedings of the 2018 IEEE 27th International Symposium on Industrial Electronics (ISIE), Cairns, Australia, 13–15 June 2018; pp. 1352–1358. [Google Scholar]
- Lesnicar, A.; Marquardt, R. An innovative modular multilevel converter topology suitable for a wide power range. In Proceedings of the 2003 IEEE Bologna Power Tech Conference Proceedings, Bologna, Italy, 23–26 June 2003; Volume 3, p. 6. [Google Scholar]
- Drofenik, U.; Kolar, J.W. A general scheme for calculating switching-and conduction-losses of power semiconductors in numerical circuit simulations of power electronic systems. In Proceedings of the International Power Electronics Conference, Toki Messe, Niigata, Japan, 4–8 April 2005; Volume 5, pp. 4–8. [Google Scholar]
- Zygmanowski, M.; Grzesik, B.; Nalepa, R. Capacitance and inductance selection of the modular multilevel converter. In Proceedings of the Power Electronics and Applications (EPE), 2013 15th European Conference on Power Electronics and Applications, Lille, France, 2–6 September 2013; pp. 1–10. [Google Scholar]
- Jacobson, B.; Karlsson, P.; Asplund, G.; Harnefors, L.; Jonsson, T. VSC-HVDC transmission with cascaded two-level converters. In Cigré Session; Cigre: Paris, France, 2010; pp. B4–B110. [Google Scholar]
- Oates, C. Modular multilevel converter design for VSC HVDC applications. IEEE J. Emerg. Sel. Top. Power Electron. 2015, 3, 505–515. [Google Scholar] [CrossRef]
- Merlin, M.; Green, T.; Mitcheson, P.; Moreno, F.; Dyke, K.; Trainer, D. Cell capacitor sizing in modular multilevel converters and hybrid topologies. In Proceedings of the Power Electronics and Applications (EPE’14-ECCE Europe), 2014 16th European Conference, Lappeenranta, Finland, 26–28 August 2014; pp. 1–10. [Google Scholar]
- Maxwell, J.C. A Treatise on Electricity and Magnetism; Clarendon Press: Oxford, UK, 1881; Volume 1. [Google Scholar]
- Herbst, J.; Engelkemeir, F.; Gattozzi, A. High power density and high efficiency converter topologies for electric ships. In Proceedings of the 2013 IEEE Electric Ship Technologies Symposium (ESTS), Arlington, VA, USA, 22–24 April 2013; pp. 360–365. [Google Scholar]
- Soman, R.; Wiegand, C.; Toshon, T.; Israel, M.; Faruque, M.; Steurer, M. Contribution of Heat Sinks to Overall Size of Modular Multilevel Converters. In Proceedings of the ASNE 2017 Intelligent Ships Symposium XII, Philadelphia, PA, USA, 24–25 May 2017. [Google Scholar]
- Fides Group. Reliability Methodology for Electronic Systems; FIDES Group: Accra, Ghana, 2009; 465p. [Google Scholar]
- Yang, S.; Bryant, A.; Mawby, P.; Xiang, D.; Ran, L.; Tavner, P. An industry-based survey of reliability in power electronic converters. IEEE Trans. Ind. Appl. 2011, 47, 1441–1451. [Google Scholar] [CrossRef]
- Soman, R.; Toshon, T.; Faruque, M.O.; Steurer, M. Reliability Metric Influenced Full Factorial Design Evaluation. In Proceedings of the ASNE 2018 AMTS, Philadelphia, PA, USA, 28–29 March 2018. [Google Scholar]
- Taguchi, G.; Phadke, M.S. Quality engineering through design optimization. In Quality Control, Robust Design, and the Taguchi Method; Springer: Berlin/Heidelberg, Germany, 1989; pp. 77–96. [Google Scholar]
- Taguchi, G.; Chowdhury, S.; Wu, Y. Taguchi’s Quality Engineering Handbook; John Wiley & Sons: Hoboken, NJ, USA, 2005; Volume 1736. [Google Scholar]
- Mirjafari, M. Automated Synthesis Tool for Design Optimization of Power Electronic Converters. Ph.D. Thesis, Texas A&M University, College Station, TX, USA, 2013. [Google Scholar]
- Deb, K.; Pratap, A.; Agarwal, S.; Meyarivan, T. A fast and elitist multiobjective genetic algorithm: NSGA-II. IEEE Trans. Evol. Comput. 2002, 6, 182–197. [Google Scholar] [CrossRef] [Green Version]









| Specification | Value |
|---|---|
| Rated Power | MW |
| Fundamental Frequency | 60 Hz |
| Modulation Index | |
| Ambient Temperature | 40 C |
| Maximum output current ripple | |
| Maximum voltage ripple | |
| Power Factor |
| 0.05 | 0.05 | 0.05 | 0.02 | 0.02 | 0.02 | 0.01 | 0.01 | 0.01 | |||||||
| 0.05 | 0.1 | 0.15 | 0.05 | 0.10 | 0.15 | 0.05 | 0.10 | 0.15 | |||||||
| Cooling | Run No. | 1 | 2 | 3 | 4 | 5 | 9 | 7 | 8 | 9 | SNR | ||||
| N.C. | 1 | 2.42 | 2.42 | 2.42 | 2.14 | 2.66 | 2.87 | 2.7 | 2.64 | 2.64 | 2.55 | 0.22 | −8.14 | ||
| F.C. | 2 | 2.14 | 2.24 | 2.22 | 2.16 | 2.37 | 2.54 | 2.31 | 2.24 | 2.17 | 2.27 | 0.13 | −7.11 | ||
| L.C. | 3 | 2.23 | 2.22 | 2.13 | 2.43 | 2.51 | 2.21 | 2.23 | 2.41 | 2.42 | 2.31 | 0.13 | −7.28 | ||
| F.C. | 1 | 1.41 | 1.52 | 1.62 | 1.8 | 1.82 | 1.71 | 1.71 | 1.62 | 1.26 | 1.61 | 0.18 | −4.17 | ||
| L.C. | 2 | 1.44 | 1.44 | 1.44 | 1.44 | 1.48 | 1.48 | 1.48 | 1.45 | 1.49 | 1.46 | 0.02 | −3.28 | ||
| N.C. | 3 | 2.22 | 1.70 | 1.15 | 2.04 | 2.04 | 2.13 | 2.04 | 2.03 | 2.03 | 1.93 | 0.32 | −5.82 | ||
| L.C. | 1 | 1.41 | 1.41 | 1.41 | 1.41 | 1.41 | 1.41 | 1.41 | 1.41 | 1.41 | 1.41 | 0.0 | −2.98 | ||
| N.C. | 2 | 1.81 | 1.51 | 1.81 | 1.48 | 1.83 | 1.82 | 1.83 | 1.8 | 1.79 | 1.74 | 0.14 | −4.84 | ||
| F.C. | 3 | 1.87 | 1.81 | 1.87 | 1.91 | 1.89 | 1.79 | 1.89 | 1.89 | 1.91 | 1.87 | 0.04 | −5.43 |
| Response Matrix | For | For | For |
|---|---|---|---|
| Level 1 | −6.2 | −7.51 | −5.09 |
| Level 2 | −5.57 | −4.43 | −5.08 |
| Level 3 | −4.51 | −4.42 | −6.18 |
| Obtained Parameters | Liquid | 2 kV | 2 kHz |
| Response Matrix | For | For |
|---|---|---|
| Level 1 | −0.6 | 1.9 |
| Level 2 | 0.5 | 1.6 |
| Level 3 | 1.2 | 0.8 |
| Robust level value | 2 kV | 1 KHz |
| Rated Power (MW) | 1.25 |
| System Frequency (Hz) | 60 |
| SM Switching Frequency (kHz) | 2 |
| DC Bus Voltage (kV) | 12 |
| SM Capacitance (F) | 2275 |
| Arm Inductance (mH) | 2.87 |
| Cooling Technique | Liquid |
| Total Volume (m3) | 0.95 |
| Failure rate (f/yr) | 0.0000153 |
Publisher’s Note: MDPI stays neutral with regard to jurisdictional claims in published maps and institutional affiliations. |
© 2022 by the authors. Licensee MDPI, Basel, Switzerland. This article is an open access article distributed under the terms and conditions of the Creative Commons Attribution (CC BY) license (https://creativecommons.org/licenses/by/4.0/).
Share and Cite
Toshon, T.A.; Faruque, M.O. Multiobjective Optimization Based Framework for Early Stage Design of Modular Multilevel Converter for All-Electric Ship Application. Energies 2022, 15, 4418. https://doi.org/10.3390/en15124418
Toshon TA, Faruque MO. Multiobjective Optimization Based Framework for Early Stage Design of Modular Multilevel Converter for All-Electric Ship Application. Energies. 2022; 15(12):4418. https://doi.org/10.3390/en15124418
Chicago/Turabian StyleToshon, Tanvir Ahmed, and M. O. Faruque. 2022. "Multiobjective Optimization Based Framework for Early Stage Design of Modular Multilevel Converter for All-Electric Ship Application" Energies 15, no. 12: 4418. https://doi.org/10.3390/en15124418
APA StyleToshon, T. A., & Faruque, M. O. (2022). Multiobjective Optimization Based Framework for Early Stage Design of Modular Multilevel Converter for All-Electric Ship Application. Energies, 15(12), 4418. https://doi.org/10.3390/en15124418

