Hybrid Cascade Heat Pump and Thermal-Electric Energy Storage System for Residential Buildings: Experimental Testing and Performance Analysis
Abstract
1. Introduction
2. The Hybrid System
2.1. System Description
2.2. Operating Modes
- Cooling mode 1—cooling through compression unit as stand-alone: in this case, the sorption module is not powered (i.e., due to a too low temperature of the heat source) and all the cooling demand is provided by the reversible heat pump, which works as a chiller. The standard evaporator of the heat pump (i.e., a plate heat exchanger is employed).
- Cooling mode 2—cooling through compression unit in cascade operation: in this operating mode, the sorption module is powered on and cools down the condenser HTF circuit of the reversible heat pump, which provides the required cooling demand to the user, using the standard evaporator.
- Cooling mode 3—discharge of the refrigerant PCM water—heat exchanger (RPW-HEX): in this case, both the sorption module and the reversible heat pump are turned off and all the cooling demand is supplied by discharging the latent storage.
- Cooling mode 4—parallel charge/discharge of the RPW-HEX through compression unit as stand-alone: this operating mode exploits the unique feature of the investigated system. The reversible heat pump is turned on and the pump on the RPW-HEX HTF circuit is operated as well. Accordingly, at each instant, the refrigerant and the HTF are circulated through the RPW-HEX, and while PCM is partially charged, a cooling effect is delivered to the user. This is particularly suitable for part load operation. To switch between the RPW-HEX and the standard evaporator, two piloted solenoid valves were installed on the refrigerant circuit, whereas a three-way piloted valve was installed in the HTF circuit.
- Cooling mode 5—parallel charge/discharge of the RPW-HEX in cascade operation: similar to the previous operating mode, the RPW-HEX is simultaneously charged and discharged, but the heat pump is operated in cascade mode.
- Charging mode 1—charging of the RPW-HEX through the compression unit in stand-alone operation: the pump on the HTF circuit of the RPW-HEX is turned off and all the evaporation heat is released on the PCM, that is charged. The reversible heat pump is operated as a stand-alone unit (sorption module is off).
- if the SOC is higher than the minimum one and there is power request from the compressor of the heat pump, then the energy is supplied by the batteries;
- if the SOC is lower than the minimum one, the energy for the operation of the compressor of the pump is taken from the grid.
3. Methodology
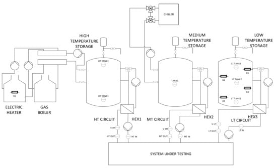
3.1. Testing Facilities
3.2. Data Collection and Testing Conditions
- Thermal power to the heat source circuit of the sorption chiller .
- Heat rejection power of the sorption chiller .
- Evaporation power of the sorption chiller .
- Condensation power of the vapor compression heat pump .
- Evaporation power of the vapor compression heat pump .
- Charge power of the PCM storage .
- Discharge power of the PCM storage .
- Electric energy input for the operation of the compressor of the heat pump .
- Auxiliary power for the sorption module, .
3.3. Uncertainty Analysis
4. Test Results
4.1. Stand-Alone Compression Operation
4.2. Cascade Operation
4.3. Energy Balance of the Hybrid System
4.4. Temperature Lift
5. Discussion
5.1. EER
5.2. European Seasonal Energy Efficiency Ratio
5.3. Comparison with Previous Studies
5.4. Energy Evaluation under Typical Mediterranean Conditions
- The sorption module is operated only when there is a cooling demand and, at the same time, the output from solar collectors is enough to drive it and to cover the whole energy demand.
- Each time the sorption module is activated, the chosen operating mode between standard evaporator and parallel operation (i.e., CM2 or CM5) is those with the higher EER for the current ambient conditions.
- When there is a cooling demand and the sorption module cannot be operated, the compression unit is operated, working as a stand-alone unit. The chosen operating mode between standard evaporator and parallel operation (i.e., CM1 or CM4) is those with the higher EER for the current ambient conditions.
- During the first hours after sunset, the cooling demand is met by the latent storage until its full capacity is reached (and so the storage is completely discharged).
6. Conclusions
Author Contributions
Funding
Institutional Review Board Statement
Informed Consent Statement
Data Availability Statement
Conflicts of Interest
Nomenclature
| cp | specific heat, J/(kg K) |
| E | Electric energy, J |
| f | frequency, Hz |
| mass flow rate, kg/s | |
| P | Electric Power, W |
| p | Pressure, bar |
| Q | Thermal Energy, J |
| Thermal Power, W | |
| T | Temperature, °C |
| t | time, s |
| Acronym | |
| EER | Energy Efficiency Ratio |
| HEX | Heat EXchanger |
| HT | High Temperature |
| HTF | Heat Transfer Fluid |
| LT | Low Temperature |
| MT | Medium Temperature |
| PCM | Phase Change Material |
| PV | Photovoltaic |
| RPW | Refrigerant-PCM-Water |
| SOC | State of Charge |
| Subscripts | |
| ch | charge |
| comp | compressor |
| cond | condenser |
| disch | discharge |
| el | electric |
| evap | evaporator |
| in | inlet |
| out | outlet |
| sorp | sorption |
Appendix A. System Specifications
| Working Pair | Zeolite/Water |
| Adsorbers | Aluminium finned flat tubes heat exchangers connected in parallel for each adsorber with directly syinthesized zeolite (https://fahrenheit.cool/en/references/zeolite-crystallization-technology/ (accessed on 30 April 2021)) |
| Nominal cooling power | 14 kW |
| Nominal electricity consumption of auxiliaries (pumps in all hydraulic circuits) | 1 kW |
| Refrigerant | R410a |
| Compressor rotation range in % | 30–100% |
| Nominal cooling power in kW | 13 |
| Parameter | Refrigerant | Coolant | PCM (RT4) (https://www.rubitherm.eu/en/index.php/productcategory/organische-pcm-rt, (accessed on 30 April 2021)) |
| Number of passages | 20 | 20 | 42 |
| Fin # | 73 | 18 | 33 |
| Fluid volume in L | 5.34 | 4.6 | 46 |
| Core length × width × depth in mm | 1000 × 585 × 160 | ||
| Empty weight in kg (Al) | 190 | ||
| Type of Battery | Lithium Titanate Oxide |
|---|---|
| Nominal capacity/module | 1 kWh |
| Number of modules | 3 |
References
- Garcia, J.; Kranzl, L. Ambition Levels of Nearly Zero Energy Buildings (nZEB) Definitions: An Approach for Cross-Country Comparison. Buildings 2018, 8, 143. [Google Scholar] [CrossRef]
- Akeiber, H.; Nejat, P.; Majid, M.Z.A.; Wahid, M.A.; Jomehzadeh, F.; Zeynali Famileh, I.; Calautit, J.K.; Hughes, B.R.; Zaki, S.A. A review on phase change material (PCM) for sustainable passive cooling in building envelopes. Renew. Sustain. Energy Rev. 2016, 60, 1470–1497. [Google Scholar] [CrossRef]
- Guerrero, M.; Sánchez, J.; Álvarez, S.; Tenorio, J.A.; Cabeza, L.F.; Bartolomé, C.; Pavón, M. Evaluation of the behavior of an innovative thermally activated building system (TABS) with PCM for an efficient design. E3S Web Conf. 2019, 111, 03043. [Google Scholar] [CrossRef]
- Stropnik, R.; Koželj, R.; Zavrl, E.; Stritih, U. Improved thermal energy storage for nearly zero energy buildings with PCM integration. Sol. Energy 2019, 190, 420–426. [Google Scholar] [CrossRef]
- De Gracia, A. Dynamic building envelope with PCM for cooling purposes—Proof of concept. Appl. Energy 2019, 235, 1245–1253. [Google Scholar] [CrossRef]
- Piselli, C.; Prabhakar, M.; de Gracia, A.; Saffari, M.; Pisello, A.L.; Cabeza, L.F. Optimal control of natural ventilation as passive cooling strategy for improving the energy performance of building envelope with PCM integration. Renew. Energy 2020, 162, 171–181. [Google Scholar] [CrossRef]
- Navarro, L.; Gracia, A.; de Castell, A.; Cabeza, L.F. Experimental study of an active slab with PCM coupled to a solar air collector for heating purposes. Energy Build. 2016, 128, 12–21. [Google Scholar] [CrossRef]
- Badiei, A.; Golizadeh Akhlaghi, Y.; Zhao, X.; Shittu, S.; Xiao, X.; Li, J.; Fan, Y.; Li, G. A chronological review of advances in solar assisted heat pump technology in 21st century. Renew. Sustain. Energy Rev. 2020, 132, 110132. [Google Scholar] [CrossRef]
- Montagnino, F.M. Solar cooling technologies. Design, application and performance of existing projects. Sol. Energy 2017. [Google Scholar] [CrossRef]
- Palomba, V.; Dino, G.E.; Frazzica, A. Solar-Assisted Heat Pumps and Chillers. In Handbook of Climate Change Mitigation and Adaptation; Springer: New York, NY, USA, 2021; pp. 1–54. [Google Scholar]
- Palomba, V.; Dino, G.E.; Frazzica, A. Coupling Sorption and Compression Chillers in Hybrid Cascade Layout for Efficient Exploitation of Renewables: Sizing, Design and Optimization. Renew. Energy 2020, 154, 11–28. [Google Scholar] [CrossRef]
- Palomba, V.; Borri, E.; Charalampidis, A.; Frazzica, A.; Karellas, S.; Cabeza, L.F. An Innovative Solar-Biomass Energy System to Increase the Share of Renewables in Office Buildings. Energies 2021, 14, 914. [Google Scholar] [CrossRef]
- Fan, Y.; Zhao, X.; Li, J.; Li, G.; Myers, S.; Cheng, Y.; Badiei, A.; Yu, M.; Golizadeh Akhlaghi, Y.; Shittu, S.; et al. Economic and environmental analysis of a novel rural house heating and cooling system using a solar-assisted vapour injection heat pump. Appl. Energy 2020, 275, 115323. [Google Scholar] [CrossRef]
- Neyer, D.; Ostheimer, M.; Dipasquale, C.; Köll, R. Technical and economic assessment of solar heating and cooling—Methodology and examples of IEA SHC Task 53. Sol. Energy 2018, 172, 90–101. [Google Scholar] [CrossRef]
- Shao, N.; Ma, L.; Zhang, J. Experimental study on electrical and thermal performance and heat transfer characteristic of PV/T roof in summer. Appl. Therm. Eng. 2019, 162, 114276. [Google Scholar] [CrossRef]
- Zhang, Q.; Yang, Z.; Li, N.; Feng, R.; Shi, P. A novel solar photovoltaic/thermal assisted gas engine driven energy storage heat pump system (SESGEHPs) and its performance analysis. Energy Convers. Manag. 2019, 184, 301–314. [Google Scholar] [CrossRef]
- Cai, J.; Ji, J.; Wang, Y.; Huang, W. Numerical simulation and experimental validation of indirect expansion solar-assisted multi-functional heat pump. Renew. Energy 2016, 93, 280–290. [Google Scholar] [CrossRef]
- Zhang, P.; Rong, X.; Yang, X.; Zhang, D. Design and performance simulation of a novel hybrid PV/T-air dual source heat pump system based on a three-fluid heat exchanger. Sol. Energy 2019, 191, 505–517. [Google Scholar] [CrossRef]
- Guo, Z.J.; Shao, J.; Li, X.H.; Liu, R.J.; Wang, W.; Tian, X.L. Application of pump-assisted separate heat pipe on dehumidifying enhancement in air conditioning system. Appl. Therm. Eng. 2016, 98, 374–379. [Google Scholar] [CrossRef]
- Bae, S.; Nam, Y.; da Cunha, I. Economic Solution of the Tri-Generation System Using Photovoltaic-Thermal and Ground Source Heat Pump for Zero Energy Building (ZEB) Realization. Energies 2019, 12, 3304. [Google Scholar] [CrossRef]
- Lazzarin, R.; Noro, M. Lessons learned from long term monitoring of a multisource heat pump system. Energy Build. 2018, 174, 335–346. [Google Scholar] [CrossRef]
- Lazzarin, R.M.; Noro, M. Past, present, future of solar cooling: Technical and economical considerations. Sol. Energy 2018, 172, 2–13. [Google Scholar] [CrossRef]
- Biyik, E.; Kahraman, A. A predictive control strategy for optimal management of peak load, thermal comfort, energy storage and renewables in multi-zone buildings. J. Build. Eng. 2019, 25, 100826. [Google Scholar] [CrossRef]
- Zanetti, E.; Aprile, M.; Kum, D.; Scoccia, R.; Motta, M. Energy saving potentials of a photovoltaic assisted heat pump for hybrid building heating system via optimal control. J. Build. Eng. 2020, 27, 100854. [Google Scholar] [CrossRef]
- Neirotti, F.; Noussan, M.; Simonetti, M. Towards the electrification of buildings heating—Real heat pumps electricity mixes based on high resolution operational profiles. Energy 2020, 195, 116974. [Google Scholar] [CrossRef]
- Palomba, V.; Brancato, V.; Frazzica, A. Thermal performance of a latent thermal energy storage for exploitation of renewables and waste heat: An experimental investigation based on an asymmetric plate heat exchanger. Energy Convers. Manag. 2019, 200, 112121. [Google Scholar] [CrossRef]
- Li, X.-Y.; Yang, L.; Wang, X.-L.; Miao, X.-Y.; Yao, Y.; Qiang, Q.-Q. Investigation on the charging process of a multi-PCM latent heat thermal energy storage unit for use in conventional air-conditioning systems. Energy 2018, 150, 591–600. [Google Scholar] [CrossRef]
- Real-Fernández, A.; Navarro-Esbrí, J.; Mota-Babiloni, A.; Barragán-Cervera, A.; Domenech, L.; Sánchez, F.; Maiorino, A.; Aprea, C. Modeling of a PCM TES Tank Used as an Alternative Heat Sink for a Water Chiller. Analysis of Performance and Energy Savings. Energies 2019, 12, 3652. [Google Scholar] [CrossRef]
- Gibelhaus, A.; Fidorra, N.; Lanzerath, F.; Bau, U.; Köhler, J.; Bardow, A. Hybrid refrigeration by CO2 vapour compression cycle and water-based adsorption chiller: An efficient combination of natural working fluids Froid hybride par cycle à compression de vapeur au CO2 et refroidisseur à adsorption d ’ eau: Une combinaison ef. Int. J. Refrig. 2019, 103, 204–214. [Google Scholar] [CrossRef]
- Jia, T.; Dai, E.; Dai, Y. Thermodynamic analysis and optimization of a balanced-type single-stage NH3-H2O absorption-resorption heat pump cycle for residential heating application. Energy 2019, 171, 120–134. [Google Scholar] [CrossRef]
- Yao, J.; Xu, H.; Dai, Y.; Huang, M. Performance analysis of solar assisted heat pump coupled with build-in PCM heat storage based on PV/T panel. Sol. Energy 2020, 197, 279–291. [Google Scholar] [CrossRef]
- Dannemand, M.; Perers, B.; Furbo, S. Performance of a demonstration solar PVT assisted heat pump system with cold buffer storage and domestic hot water storage tanks. Energy Build. 2019, 188–189, 46–57. [Google Scholar] [CrossRef]
- Lazzarin, R.; Noro, M.; Righetti, G.; Mancin, S. Application of Hybrid PCM Thermal Energy Storages with and without Al Foams in Solar Heating/Cooling and Ground Source Absorption Heat Pump Plant: An Energy and Economic Analysis. Appl. Sci. 2019, 9, 1007. [Google Scholar] [CrossRef]
- Shabgard, H.; Song, L.; Zhu, W. Heat transfer and exergy analysis of a novel solar-powered integrated heating, cooling, and hot water system with latent heat thermal energy storage. Energy Convers. Manag. 2018, 175, 121–131. [Google Scholar] [CrossRef]
- Del Amo, A.; Martínez-Gracia, A.; Pintanel, T.; Bayod-Rújula, A.A.; Torné, S. Analysis and optimization of a heat pump system coupled to an installation of PVT panels and a seasonal storage tank on an educational building. Energy Build. 2020, 226, 110373. [Google Scholar] [CrossRef]
- Açıkkalp, E.; Kandemir, S.Y.; Ahmadi, M.H. Solar driven Stirling engine—Chemical heat pump—Absorption refrigerator hybrid system as environmental friendly energy system. J. Environ. Manage. 2019, 232, 455–461. [Google Scholar] [CrossRef]
- Palomba, V.; Borri, E.; Charalampidis, A.; Frazzica, A.; Cabeza, L.F.; Karellas, S. Implementation of a solar-biomass system for multi-family houses: Towards 100% renewable energy utilization. Renew. Energy 2020, 166, 190–209. [Google Scholar] [CrossRef]
- Palomba, V.; Varvagiannis, E.; Karellas, S.; Frazzica, A. Hybrid Adsorption-Compression Systems for Air Conditioning in Efficient Buildings: Design through Validated Dynamic Models. Energies 2019, 12, 1161. [Google Scholar] [CrossRef]
- Dino, G.E.; Palomba, V.; Nowak, E.; Frazzica, A. Experimental characterization of an innovative hybrid thermal-electric chiller for industrial cooling and refrigeration application. Appl. Energy 2021, 281, 116098. [Google Scholar] [CrossRef]
- Gado, M.G.; Ookawara, S.; Nada, S.; El-Sharkawy, I.I. Hybrid sorption-vapor compression cooling systems: A comprehensive overview. Renew. Sustain. Energy Rev. 2021, 143, 110912. [Google Scholar] [CrossRef]
- Mselle, B.D.; Vérez, D.; Zsembinszki, G.; Borri, E.; Cabeza, L.F. Performance Study of Direct Integration of Phase Change Material into an Innovative Evaporator of a Simple Vapour Compression System. Appl. Sci. 2020, 10, 4649. [Google Scholar] [CrossRef]
- Vasta, S.; Palomba, V.; La Rosa, D.; Mittelbach, W. Adsorption-compression cascade cycles: An experimental study. Energy Convers. Manag. 2018, 156, 365–375. [Google Scholar] [CrossRef]
- Sarbu, I.; Sebarchievici, C. Vapour Compression-Based Heat Pump Systems. In Ground-Source Heat Pumps; Elsevier: Amsterdam, The Netherlands, 2016; pp. 7–25. [Google Scholar]
- Eurovent Operational Manual for the Certification of Liquid Chilling Packages and Hydronic Heat Pumps. 2021. Available online: https://www.google.com.hk/url?sa=t&rct=j&q=&esrc=s&source=web&cd=&ved=2ahUKEwiBrrGj0qXwAhVWPHAKHeoXBrkQFjABegQIAhAD&url=https%3A%2F%2Fwww.eurovent-certification.com%2Fsites%2Fdefault%2Ffiles%2F2021-04%2FECP-3%25202021%2520-%2520LCP-HP.pdf&usg=AOvVaw2zhQKoNrW_hTigIe6LwuWr (accessed on 30 April 2021).
- Evola, G.; Costanzo, V.; Infantone, M.; Marletta, L. Typical-year and multi-year building energy simulation approaches: A critical comparison. Energy 2021, 219, 119591. [Google Scholar] [CrossRef]
- Jain, V.; Sachdeva, G.; Singh Kachhwaha, S. Energy, exergy, economic and environmental (4E) analyses based comparative performance study and optimization of vapor compression-absorption integrated refrigeration system. Energy 2015, 91, 816–832. [Google Scholar] [CrossRef]
- Wang, L.; Ma, A.; Tan, Y.; Cui, X.; Cui, H. Study on solar-assisted cascade refrigeration system. In Proceedings of the Energy Procedia; Elsevier Ltd.: Amsterdam, The Netherlands, 2012; Volume 16, pp. 1503–1509. [Google Scholar]
- Cyklis, P. Two stage ecological hybrid sorption–compression refrigeration cycle. Int. J. Refrig. 2014, 48, 121–131. [Google Scholar] [CrossRef]
- Varvagiannis, E.; Charalampidis, A.; Zsembinszki, G.; Karellas, S.; Cabeza, L.F. Energy assessment based on semi-dynamic modelling of a photovoltaic driven vapour compression chiller using phase change materials for cold energy storage. Renew. Energy 2021, 163, 198–212. [Google Scholar] [CrossRef]
- Tarragona, J.; de Gracia, A.; Cabeza, L.F. Bibliometric analysis of smart control applications in thermal energy storage systems. A model predictive control approach. J. Energy Storage 2020, 32, 101704. [Google Scholar] [CrossRef]























| Type of Sensor | Measured Quantity | Accuracy |
|---|---|---|
| Pt1000 | temperatures in the HTF circuits of the sorption module | ±0.15 °C |
| Magnetic flow meters | flow rate of the HTF circuits of the sorption module | ±2.5% full scale |
| Pt100 | temperatures in the PCM and in the HTF and refrigerant circuits of the heat pump | ±0.1 °C |
| Magnetic flow meters | flow rate of the HTF circuits of the heat pump | ±2.5% full scale |
| Piezoresistive pressure sensor | pressure of R410A | ±2% full scale |
| Network analyzer | electric parameters in the DC bus/battery circuits | Ι: 0.5% F.S. V: 0.5% F.S. W: 1% F.S. |
Publisher’s Note: MDPI stays neutral with regard to jurisdictional claims in published maps and institutional affiliations. |
© 2021 by the authors. Licensee MDPI, Basel, Switzerland. This article is an open access article distributed under the terms and conditions of the Creative Commons Attribution (CC BY) license (https://creativecommons.org/licenses/by/4.0/).
Share and Cite
Palomba, V.; Bonanno, A.; Brunaccini, G.; Aloisio, D.; Sergi, F.; Dino, G.E.; Varvaggiannis, E.; Karellas, S.; Nitsch, B.; Strehlow, A.; et al. Hybrid Cascade Heat Pump and Thermal-Electric Energy Storage System for Residential Buildings: Experimental Testing and Performance Analysis. Energies 2021, 14, 2580. https://doi.org/10.3390/en14092580
Palomba V, Bonanno A, Brunaccini G, Aloisio D, Sergi F, Dino GE, Varvaggiannis E, Karellas S, Nitsch B, Strehlow A, et al. Hybrid Cascade Heat Pump and Thermal-Electric Energy Storage System for Residential Buildings: Experimental Testing and Performance Analysis. Energies. 2021; 14(9):2580. https://doi.org/10.3390/en14092580
Chicago/Turabian StylePalomba, Valeria, Antonino Bonanno, Giovanni Brunaccini, Davide Aloisio, Francesco Sergi, Giuseppe E. Dino, Efstratios Varvaggiannis, Sotirios Karellas, Birgo Nitsch, Andreas Strehlow, and et al. 2021. "Hybrid Cascade Heat Pump and Thermal-Electric Energy Storage System for Residential Buildings: Experimental Testing and Performance Analysis" Energies 14, no. 9: 2580. https://doi.org/10.3390/en14092580
APA StylePalomba, V., Bonanno, A., Brunaccini, G., Aloisio, D., Sergi, F., Dino, G. E., Varvaggiannis, E., Karellas, S., Nitsch, B., Strehlow, A., Groβe, A., Herrmann, R., Barmparitsas, N., Koch, N., Vérez, D., Cabeza, L. F., Zsembinszki, G., & Frazzica, A. (2021). Hybrid Cascade Heat Pump and Thermal-Electric Energy Storage System for Residential Buildings: Experimental Testing and Performance Analysis. Energies, 14(9), 2580. https://doi.org/10.3390/en14092580

